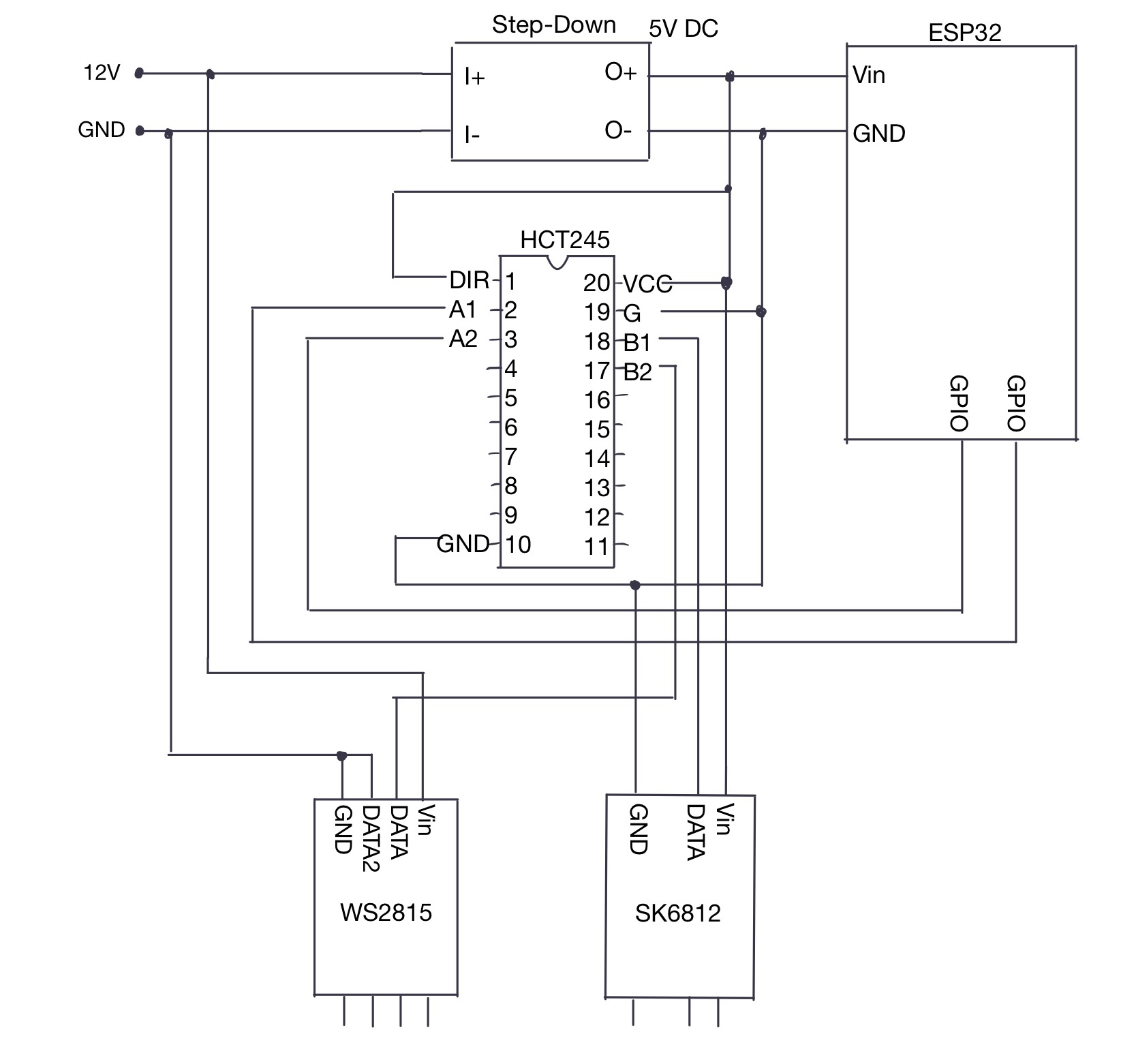
Hallo, ich möchte zwei verschiedene, adressierbare LED-Strips mit einem ESP32 (mit WLED) und einem Netzteil betreiben. Zum Einsatz kommen sollen diese als Leucht-Tubes zur Veranstaltungs-Beleuchtung, also durchaus auch mal mit schnell wechselnden Effekten von dunkel auf hell usw. Geplant habe ich mit: Netzteil: Meanwell GST60A12 Controller: NodeMCU ESP32 LED-Strips: WS2815 RGB 12V & SK6812 WWA 5V Die 5V-Spannung für Controller und den SK-Strip soll ein Step-Down-Spannungswandler zur Verfügung stellen, ich hatte dieses Modell im Blick: https://www.roboter-bausatz.de/p/spannungswandler-xl4015-dc-dc-step-down-modul-mit-kuehlkoerper?number=RBS11945 Als Logic Level Converter habe ich den 74HCT245 eingeplant (https://www.reichelt.de/octal-bus-puffer-3-state-4-5--5-5-v-dil-20-74hct-245-p3356.html?&nbc=1). Die geplante Schaltung habe ich beigefügt. Nun habe ich mehrere Fragen und hoffe, dass mir jemand weiterhelfen kann: 1.) Ist der Spannungswandler geeignet oder führt er bei schnellen Helligkeitswechseln zu Problemen? 2.) Ist die Masse so korrekt angeschlossen? Ich lese das Datenblatt des Spannungswandlers so, dass Ein- und Ausgang eine gemeinsame Masse besitzen. Ist es damit korrekt, dass der 12V-Strip mit der Masse direkt am 12V-Netzteil angeschlossen ist, das 5V-Datensignal aber von der Ausgangsseite des Spannungswandlers angeschlossen wird, oder schafft man so eine Masseschleife? 3.) Sollte vor den DATA-in der Strips jeweils ein (200 Ohm) Widerstand geschaltet werden? 4.) In einem anderen Beitrag wird empfohlen, GND an einem Punkt sternförmig zusammenzuschließen und "gelegentlich" mit 100 nF-Kondensatoren "abzublocken": Beitrag "versch. DC Spannungen an gleichen GND?" Ist diesen Abblocken in meinem Beispiel sinnvoll und wenn ja an welchen Stellen? Ich bin für jeden Tipp oder Ratschlag und auch Vorschläge für alternative Komponenten etc. dankbar! Danke und beste Grüße Vincent
zu 1) keine Ahnung zu 2), 3) und 4) verweise ich auf meinen Artikel http://stefanfrings.de/ws2812/index.html Demnach bräuchtest du idealerweise für jede Lichterkette einen eigenen Mikrocontroller, dessen GND am GND Eingang der Lichterkette hängt. In deinem Fall bietet sich als Kompromiss die sternförmige Leitungsführung an. Nutze den Ausgang des Spannungswandlers als Sternpunkt (auch für den 12V Stripe). Es ist dann aber wichtig dass auf den GND Zuleitungen der Stripes nicht allzu viel Spannung abfällt. Ich würde versuchen, dort unter 0,3V zu bleiben. Also nutze dicke Kabel.
Hallo Stefan, 2 Dinge bitte ändern. a) du solltest die Links aktualisieren b) vom SK6812 gibt es nur eine Version mit RGBW, sonst wäre das kein SK6812
Hallo, zur Eingangsfrage. Schwierig zu beantworten, weil man die benötigte Stromaufnahme nicht kennt. Bei solchen "China DC-DC Platinen" bin ich immer vorsichtig. Man weiß nicht was verbaut ist. Warum nicht zwei Meanwell Netzteile? 12V + 5V. Die gelochten Blechkästen von denen. Du musst aber vorher wissen welchen Strom du für deine Strips benötigst. Vielleicht sollte man auch den ESP nochmals separat mit 5V versorgen. Ich weiß nicht wie empfindlich der auf Schwankungen der 5V reagiert. Allerdings hat die Version nochmals einen eigenen 3,3V Regler drauf. Am Ende muss man das ausprobieren und messen. Da wirst du nicht drumherum kommen.
Bitte melde dich an um einen Beitrag zu schreiben. Anmeldung ist kostenlos und dauert nur eine Minute.
Bestehender Account
Schon ein Account bei Google/GoogleMail? Keine Anmeldung erforderlich!
Mit Google-Account einloggen
Mit Google-Account einloggen
Noch kein Account? Hier anmelden.

