Moin zusammen, für ein Projekt benötige ich 5 DACs, die ich gern über einen I2C Bus ansteuern wollte. DACs gibt es ja sehr viele. Habe aber noch keinen gefunden, der 3 Bits für die Adressierung hat. Meist kann man nur 2 am Bus anschließen. Kennt jemand einen DAC? Mit SPI könnte ich das auch realisieren, dabei gehen mir aber 5 Ports verloren. Hintergrund. Die Soundplatine vom Tiracon6V hat 5 analoge Eingänge. Die Ansteuerung soll über Arduino laufen. Die Auflösung vom Arduino ist mir zu wenig. Nach den DAC werden noch OPVs dazwischengeschaltet, um auf +-10V zu kommen. Über SoftwareSeriell wird die MIDI Schnittstelle realisiert und über die normale USB-Schnittstelle, die Programmierung. Für die einzelnen Paramter, so wie beim echten Tiracon6V. Dessweitern suche ich noch ein temperaturbeständige Ref-Spannung von 10V. Welchen IC dafür? Danke für eure Hilfe.
AD5593R hat acht DAC-Kanäle und integrierte Referenz: https://www.analog.com/en/products/ad5593r.html
Falls Du einen speziellen DAC verwenden möchtest (aus welchen Gründen auch immer): LTC4316 für die Adressumsetzung
8 * 16 Bit, SPI: AD5668 https://www.digikey.de/de/products/detail/analog-devices-inc/AD5668ARUZ-2/1218000
Marek N. schrieb: > AD5593R hat acht DAC-Kanäle und integrierte Referenz: > https://www.analog.com/en/products/ad5593r.html Interessanter IC. Brauche aber verschiedene Spannungen gleichzeitig für die Ansteuerung (ADSR für Frequenz und Filter, dynamisches PWM usw.). Im AD5593 ist ja ein MUX drin. Da wird die Ansteuerung bisschen komplizierter. Trotzdem Danke.
Thomas schrieb: > Brauche aber verschiedene Spannungen gleichzeitig Der AD5668 kann nacheinander geladen werden und dann alles gleichzeitig in die Ausgänge übernehmen.
Peter D. schrieb: > Der AD5668 kann nacheinander geladen werden und dann alles gleichzeitig > in die Ausgänge übernehmen. Ebenso der AD5593R: "By default, the DAC outputs update directly after data has been written to the input register. The LDAC register delays the updates until additional channels have been written to if required." Er hat 8 unabhängie DACs: "The AD5593R contains eight 12-bit DACs." Man muss sich nur auf ein gemeinsames Gain festlegen: "The DAC channels share a single DAC range bit (in the General- Purpose Control Register section, see Bit 4 in Table 19) that sets the output range to 0 V to VREF or 0 V to 2 × VREF. Because the range bit is shared by all channels, it is not possible to set different output ranges on a per channel basis." Über die maximale Abtastrate habe ich auf die Schnelle nichts gefunden.
Ron-Hardy G. schrieb: > Manche DACs, z.B. MCP4706/4716/4726 gibt es in verschiedenen > Adressoptionen Danke für den Tip. Diese hier haben verschiedene Auflösung. Ich möchte 5 (bzw. 8 - 3 bit Adressierung) DACs mit einer Auflösung von 16bit in einem I2C Bus anschließen.
Peter D. schrieb: > Thomas schrieb: >> Brauche aber verschiedene Spannungen gleichzeitig > > Der AD5668 kann nacheinander geladen werden und dann alles gleichzeitig > in die Ausgänge übernehmen. Der AD5668 sagt mir bis jetzt am meisten zu. Nur ist mir die Ref-Spannung zu wenig. Noch ein IC mit 10V Ref Out würde mir besser gefallen. Dürfte ja am Pin RefIn anzuschließen sein. Hab das Datenblatt noch nicht ganz studiert.
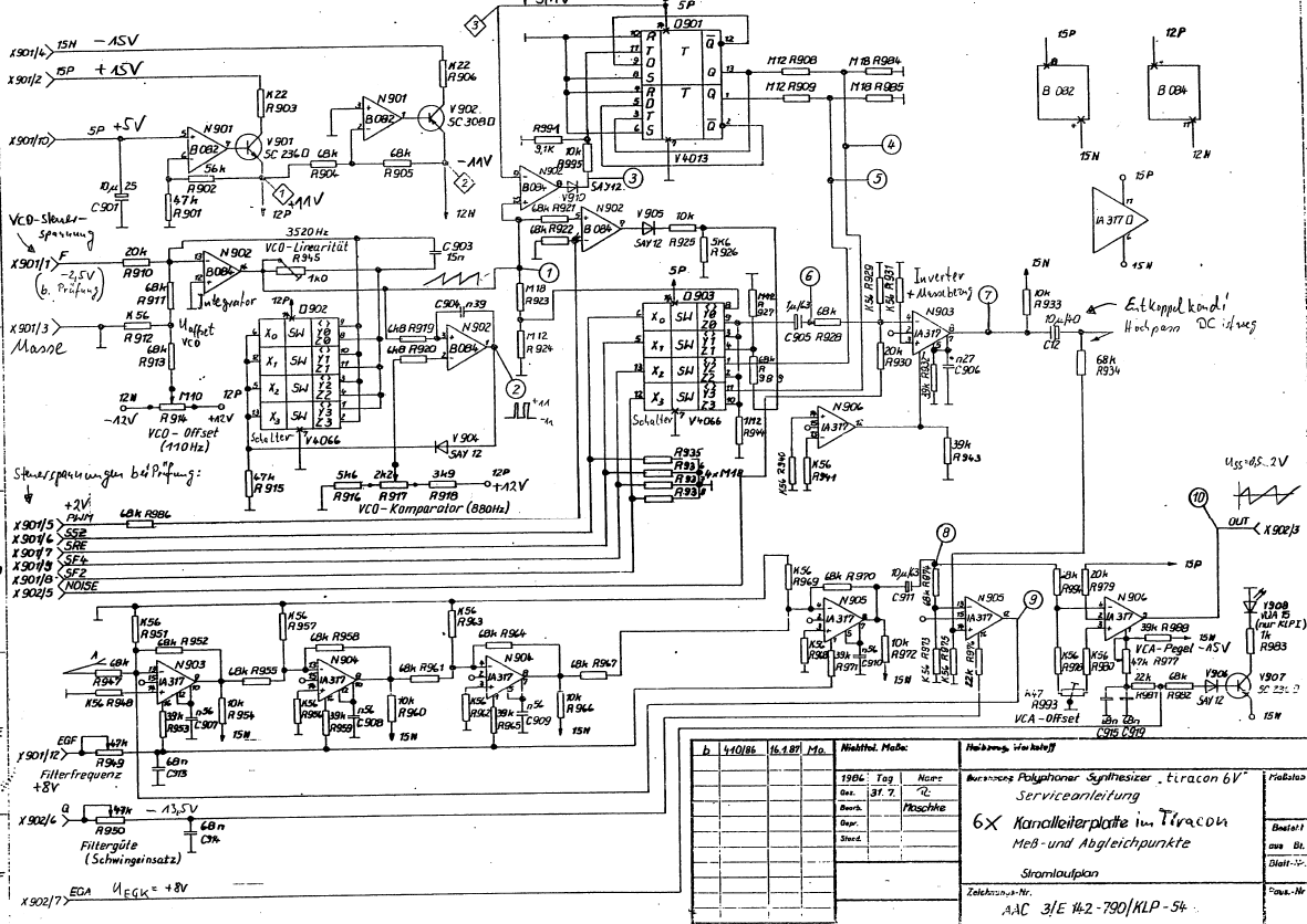
Das ist die Schaltung, die ich mit Arudino und div. OPVs ansteuern möchte.
Ron-Hardy G. schrieb: > 8-fach: AD5675R > 1-fach, 27 Adressen: LTC2606 Beide passen Danke :-) Aber wie kommst Du auf 27 Adressen. Bei 3 Bit, komme ich auf 8 ;-) Gibt es auch noch eine PCF Version von NXP? Wie der PCF8591, nur mit 16bit Auflösung?
Ron-Hardy G. schrieb: > Thomas schrieb: >> Noch ein IC mit 10V Ref Out > > das wirst du wohl nicht finden Das ist schade. Der DAC, der im Tiracon6V verbaut ist, hat intern eine Refspannung von 10V (C565D)
Thomas schrieb: > Aber wie kommst Du auf 27 Adressen. Bei 3 Bit, > komme ich auf 8 ;-) Es sind nicht drei Bit, sondern drei Trit. Vcc, Gnd und "open". https://de.wikipedia.org/wiki/Ternärsystem
Rolf schrieb: > Thomas schrieb: >> Aber wie kommst Du auf 27 Adressen. Bei 3 Bit, >> komme ich auf 8 ;-) > > Es sind nicht drei Bit, sondern drei Trit. Vcc, Gnd und "open". > https://de.wikipedia.org/wiki/Ternärsystem Okay, wieder was dazugelernt :-). Das Open auch als Zustand gilt, habe ich nicht gewusst. Dann kommt das hin.
Mit I2C Portextendern kannst Du auch parallele DACs ueber I2c ansteuern um gleich 10 Volt VOut zu bekommen.
Thomas schrieb: > Das Open auch als Zustand gilt, habe > ich nicht gewusst. Dann kommt das hin. Das ist aber schon ein alter Hut :-) Zur Frage des TE wäre zu beschauen, welche Raten der DAC haben muss und ob das dann noch mit I2C und mehreren Kanälen geht. Ansonsten einfach einen I2C-MUX,
Wie waere es mit 5 PWM Ausgaengen, z.B. am STM32G4 mit 20 KHz Grundfrequenz und 12 Bit. Sollte mit einem G4 oder U5 gehen. Danach Tiefpass z.B. bei 1 kHz oder niedriger, je nach Deiner Anforderung. Mit 5 * I2C DAC wirst Du nur schwer auf 1 kHz kommen. Ansonsten nimm SPI DACs, die Du hintereinanderschalten kannst.
Thomas schrieb: > Dessweitern suche ich noch ein temperaturbeständige Ref-Spannung von > 10V. Sind Dir die Nachfolger des LH0070 nicht temperaturstabil genug?
Thomas schrieb: > Ron-Hardy G. schrieb: >> Thomas schrieb: >>> Noch ein IC mit 10V Ref Out >> >> das wirst du wohl nicht finden > > Das ist schade. Der DAC, der im Tiracon6V verbaut ist, hat intern eine > Refspannung von 10V (C565D) Und? Wo ist das Problem? Da kommt ein OPV dahinter der die Spannung entsprechen hochskaliert und verschiebt und fertig is.
Bitte melde dich an um einen Beitrag zu schreiben. Anmeldung ist kostenlos und dauert nur eine Minute.
Bestehender Account
Schon ein Account bei Google/GoogleMail? Keine Anmeldung erforderlich!
Mit Google-Account einloggen
Mit Google-Account einloggen
Noch kein Account? Hier anmelden.
