Habe hier eine Garagentor Steuerung von Normstahl Mod.Elektronik 2500 Darauf sind einige Elkos taub... Die Diode unter dem "weissen"Lastwiderstand und derselbe scheint ziemlich warm geworden sein. Laut Komponententester sollte sie aber noch in Ordnung sein.. Der Widerstand zeigt mir einen Wert von 220 Ohm an.Hat jemand zufällig Unterlagen oder ein ähnliches Problem
Oskar K. schrieb: > oder ein ähnliches Problem Welches Problem denn? Darüber schreibst du ja nix. Und Lastwiderstände dürfen warm werden, das ist ihr Job.
Matthias S. schrieb: > Und Lastwiderstände dürfen warm werden, das ist ihr Job. Laut Datenblatt oftmals 350° o.ä.
Oskar K. schrieb: > Darauf sind einige Elkos taub... Nur ein einziger zu sehen. > Die Diode unter dem "weissen"Lastwiderstand und derselbe scheint > ziemlich warm geworden sein. > Laut Komponententester sollte sie aber noch in Ordnung sein.. Kein Grund die zu ersetzen. Wie stehts denn um die Versorgungsspannungen?
Oskar K. schrieb: > Laut Komponententester sollte sie aber noch in Ordnung sein Da gibts kein "sollte", einseitig auslöten, dann nochmal messen. Die Platine wurde von der heissen Diode bereits ordentlich gebacken. Diode genau prüfen, während der Prüfung mal mit dem heissen Lötkolben antippen. Wahrscheinlich zerfällt die aber schon beim Entlöten. Beschriftung vorher sichern, überlegen, was bei einem Schluss der Diode defekt wird.
Wegstaben V. schrieb: > Oskar K. schrieb: >> oder ein ähnliches Problem > > was ist denn das Problem? Ich möchte wissen ob der gemessene Wert des Widerstands (ca.220 Ohm) so stimmt.
Oskar K. schrieb: > Ich möchte wissen ob der gemessene Wert des Widerstands (ca.220 Ohm) > so stimmt. Wenn dir das der Widerstand so anzeigt Oskar K. schrieb: > Der Widerstand zeigt mir einen Wert von 220 Ohm an Dann wird das wohl stimmen.
Thorsten S. schrieb: > Der Widerstand zeigt mir einen Wert von 220 Ohm an > > Dann wird das wohl stimmen. Sehr gut beobachtet...es soll aber schon vorgekommen sein dass ein Widerstand seinen Wert verändert hat...
Oskar K. schrieb: > es soll aber schon vorgekommen sein dass ein > Widerstand seinen Wert verändert hat... Das macht so ein Drahtwiderstand aber ziemlich unstetig, bei Überlastung hat er dann plötzlich einen ziemlich hohen Widerstand...
Oskar K. schrieb: > Ich möchte wissen ob der gemessene Wert des Widerstands (ca.220 Ohm) > so stimmt. Was ist denn auf dem Widerstand aufgedruckt?
Oskar K. schrieb: > Sehr gut beobachtet...es soll aber schon vorgekommen sein dass ein > Widerstand seinen Wert verändert hat... Was hier angedeutet wird: Schau nach, welchen Wert der Widerstand dir über die Kodierung "zeigt" und vergleiche das mit dem was du "misst".
Wegstaben V. schrieb: > Oskar K. schrieb: >> oder ein ähnliches Problem > > was ist denn das Problem? Unklare Formulierungen wo man nicht genau weiß, worum es. Oder daß man mitten im Satz. Mein Tip: Die Garagentorsteuerung steuert das Garagentor nicht mehr. Und da man heutzutage nicht mehr zu systematischer Analyse neigt, sondern zu 5-Sekunden-Gedankenexplosionen tendiert. Und da der Widerstand falsch aussieht, muß er die Ursache sein. Wenn früher im Dorf ein Kind starb, hat man schließlich auch die erste rothaarige Frau auf der Straße als Hexe verbrannt, weil sie schuld war. Übrigens hübsch gemacht, daß es eine Halterung mit einer Ersatzsicherung gibt. Daran könnte man auch ohne den dicken Datumsdruck auf der Platine erkennen, daß das Gerät vor 2000 hergestellt wurde (wobei, könnte auch mit "Set 2599" eine Typenbezeichnung sein.)
Tim S. schrieb: > Evtl das 10k Potentiometer ganz rechts? au ja, gut gesehen! Das sieht nicht schick aus, und wird auch keinen Schleiferkontakt mehr haben.
Wegstaben V. schrieb: > Tim S. schrieb: >> Evtl das 10k Potentiometer ganz rechts? > > au ja, gut gesehen! > > Das sieht nicht schick aus, und wird auch keinen Schleiferkontakt mehr > haben. Offenbar werden die alle so hergestellt, weil das gleiche Foto mit zerbröseltem Poti gibts auch in der Bucht. https://www.ebay.de/itm/296664230074 Das riecht doch sehr nach Trollinger, oder zumindest saudumm, ein fremdes Foto zu nehmen und so zu tun als wäre es das eigene Gerät. Besonders wenn der Händler ein kaputtes Exemplar eingestellt hat. Und die Leute hier ver(sch)wenden dann Zeit darauf, den Fehler auf der Platine zu suchen. :/ Schaltungstechnisch irgendwie interessant, Trimmpotis wie in den 70ern und dann offenbar einen Mikrocontroller der daraus Zeiten macht. Entweder hat der eine Unmenge Analogeingänge oder eins der ICs ist ein Analogumschalter.
Ich habe 4 von den Dingern verbaut. Der Widerstand hatte bei allen Geräten, die ich bis jetzt durchgemessen hatte, 220 Ohm. Die Diode waren auch bei allen OK. Wenn die Sicherung defekt ist (habe 2A eingebaut, damit die nicht ganz so schnell durchbrennen), dann klackt ein Relais nur kurz und die rote LED blinkt. Jetzt hat aber ein weiteres Gerät den Geist aufgegeben und dieses Mal blinkt die rote LED nicht. Sicherung ist OK, die grüne LED leuchtet konstant. Auch das Relais klackt nicht. Widerstand 220 Ohm und Diode sind (mit Multimeter gemessen) OK. Da ist auf der Platine auch nichts zu sehen, was defekt sein könnte. Hat jemand einen Tip, wo ich suchen könnte?
:
Bearbeitet durch User
Peter schrieb: > Wenn die Sicherung defekt ist (habe 2A eingebaut, damit die nicht ganz > so schnell durchbrennen) Toll! Solche Ideen sind immer die besten :-(
Seid doch nett! Bei dem Gerät, um das es hier geht, bin ich zum ersten Mal dran. Das hat also mit einer Sicherung mit leicht höheren Wert (1,8 A => 2A) nichts zu tun.
Rainer D. schrieb: >> Wenn die Sicherung defekt ist (habe 2A eingebaut, damit die nicht ganz >> so schnell durchbrennen) > Toll! Solche Ideen sind immer die besten :-( Genau. Hochspringer, die die Latte reissen legen sie anschliessend höher und probierens nochmal.
Ich möchte gern noch einmal zur Kernfrage zurückkommen. Hat jemand einen Tip, wo ich suchen könnte? Es blinkt nichts, grüne LED leuchtet, aber das Ding macht ansonsten einfach nichts. Kein Relais-Klackern usw.
Peter schrieb: > grüne LED > leuchtet Bedeutet nur dass die DC-Versorgungsspannung vorhanden ist, aber nicht, dass sie auch taugt.
Wollvieh W. schrieb: > Wenn früher im Dorf ein Kind starb, hat man schließlich auch die erste > rothaarige Frau auf der Straße als Hexe verbrannt, weil sie schuld war. Sehr weit weg davon sind wir heute auch noch nicht: https://www.vaticannews.va/de/welt/news/2024-05/exorzismus-priester-sollen-mit-psychiatern-zusammenwirken.html
Peter schrieb: > Hat jemand einen Tip, wo ich suchen könnte? Mache mal ordentliche Fotos von Deiner Platine. Vorderseite und Rueckseite. Vorher kann Dir keiner sagen, was Du wo an der Platine im Betrieb messen koenntest um den Fehler einzukreisen.
Peter schrieb: > Hat jemand einen Tip, wo ich suchen könnte? Es blinkt nichts, grüne LED > leuchtet, aber das Ding macht ansonsten einfach nichts. Kein > Relais-Klackern usw. Und der Inhalt des Eproms ist noch taufrisch wie direkt nach der Erstprogrammierung? ciao gustav
Karl B. schrieb: > Und der Inhalt des Eproms ist noch taufrisch wie direkt nach der > Erstprogrammierung? Kann er nicht prüfen. "– 2K or 4K bytes Program memory (OTP, EPROM, FASTROM or ROM) with read-out protection"
Peter schrieb: > Ich habe 4 von den Dingern verbaut. Bist du Oskar K oder hast den den Thread hier gekapert? Als lesender ist das jedenfalls total verwirrend, so völlig ohne Einleitung in ein ggf. fremdes Thema einzusteigen...oder doch nicht fremd? Peter schrieb: > (habe 2A eingebaut, damit die nicht ganz > so schnell durchbrennen) Das was du immer mit beachten musst ist die Auslösecharakteristik https://www.eska-fuses.de/sicherungen-passive-bauelemente/sicherungen/feinsicherungen/5x20mm Träge, Mittelträge, Flink, Superflink usw... Peter schrieb: > Hat jemand einen Tip, wo ich suchen könnte? Gabs weiter oben schon, und auch hier nochmals: H. H. schrieb: > Wie stehts denn um die Versorgungsspannungen? Beitrag "Re: Elektronik 2500"
:
Bearbeitet durch User
Nein, mit Oskar habe ich nichts zu tun. Bin neu hier (bis jetzt immer nur passiv mitgelesen) und habe mir die Tipps oben aus dem Thread genommen, da man sonst ja nichts im Netz dazu finden kann. Ich habe schon einiges an Elektronik gelötet die letzten 45 Jahre. Doch bevor ich den Antrieb aufwändig abbaue, damit ich vernünftig Spannungen usw. messen kann, wollte ich erst mal fragen, ob Andere schon ähnliches mit dem Gerät erlebt und gelöst haben. Den Widerstand habe ich ja s.o. bereits gemessen und die Diode auch, scheinen beide OK. Der Garagentorantrieb funktionierte einfach von einem auf den anderen Tag nicht mehr, obwohl die Garage trocken ist und kaum staubt. Habe allerdings einen toten Falter in dem Kasten gefunden, aber wie lange der schon tot darin war? Tage, Wochen, Jahre? Keine Ahnung. Fallen die Relais öfter mal aus? Worauf muss ich da ggf. achten? Ich werde nachher mal ein paar Fotos machen und einstellen.
Ich habe auch schonmal einen toten Frosch in einer Waschmaschine gefunden. War aber nicht die Fehlerursache, zumal er schon mumifiziert war. Grundsätzlich fällt so eine alte Garagentorsteuerung auch nicht aus anderen Gründen aus wie eine Heizungssteuerung. Der Kram altert halt und Bauteile machen nicht mehr das was sie sollen. Daß die Anlage "nix" macht, ist nur oberflächlich betrachtet ein Hinweis, weil es ganz verschiedene interne Zustände gibt, bei denen das äußere Ergebnis dasselbe ist. So ähnlich wie beim toten Pferd. Offenbar hat hier niemand so eine Steuerung und auch noch keine erfolgreich repariert. Von daher bieten sich generische Reparaturmethoden an, und dazu gehört nunmal eine Schaltung vom Netzeil her zu untersuchen. Bei durchbrennenden Sicherungen ist es ein ganz heißer Tip, die Ursache dafür zu suchen.
Wollvieh W. schrieb: > So ähnlich wie beim toten Pferd. Wenn das Pferd aber gut funktioniert hat, bis es dann plötzlich tot umgefallen ist, kann es an sich kein grosses Problem sein, das durch einen Bastler wieder in Ordnung zu bringen.
Wollvieh W. schrieb: > So ähnlich wie beim toten Pferd. Hier gibt es einige Hinweise, was man mit einem toten Pferd macht: http://www.roland-schaefer.de/totespferd.htm Nach einigen leichten Veränderungen des Textes dürfte die Strategie auch bei toten Platinen passen.
Hier sind Bilder von heute Abend. Ich wollte noch hinzufügen, dass bei dieser Platine die Sicherung noch nicht gewechselt werden musste.
Eine erste Messung ware die Versorgungsspannung. Im DC Bereich die Spannung und mit AC Bereich der Ripple. Angefangen bei der Sicherung.
Wenn möglich, messe mal die Stromaufnahme der defekten Geräte und eines funktionierenden Gerätes. Danach messe die Eingangsspannung bei der Sicherung mit DMM und Oszi. Zusätzlich könntest Du vor der Sicherung eine Last von 100-200mA für wenige Sekunden zuschaltbar anbringen um zu testen, ob die Versorgung dabei bereits ungewöhnlich einbricht.
Und wo ist die andere Hälfte ? 230V gehen auf der Platine wohl nur auf die Relais aber wo kommt die DC Spannung her für die DIP Bausteine? Vielleicht sitzt der Fehler auf der anderen nicht gezeigten Hälfte.
:
Bearbeitet durch User
>Und wo ist die andere Hälfte ?
Dafür müsste ich das Gerät von der Decke bauen. Das mache ich dann mal
am Wochenende.
Ich habe den Antrieb nun abgebaut. Konnte aber nichts Auffälliges entdecken. Habe jetzt einen anderen Antrieb von Belko eingebaut. Der Funktioniert, und ich habe auch ieder eine funktionsfähige Fernbedienung. Hier noch ein paar Fotos vom Innenaufbau. Falls noch mal jemand über diesen Thread stolpert:
Hallo, ich habe auch eine Elektronik 2500 Garagentorsteuerung, welche nicht funktioniert. Bei anliegender Spannung hört man nur die Relais klackern. Das Tor lässt sich nicht steuern. Der Trafo, Motor, Sicherungen, Wiederstände, etc. sind schon getestet worden. Hat jemand noch eine Idee? Danke und Grüße Markus
Peter schrieb: > IMG_20251029_144629_911.jpg Peter schrieb: > IMG_20251029_144645_468.jpg Meinst du wirklich, dass 25 Megapixel erforderlich sind, um die erforderlichen Informationen rüber zu bringen? Dein KingKong 9 schafft es trotz der hohen Auflösung nicht einmal, die Beschriftung der Anschlussleiste heil rüber zu bringen. Was die Aufnahmeoptik nicht her gibt, lässt sich auch durch eine marktschreierische, durch Software aufgeblähte Pixelanzahlen nicht wieder aus dem Brunnen holen. Da kann man das Bild gleich auf eine Größe reduzieren, die der optischen Auflösung entspricht - nur so als Tipp.
Rainer W. schrieb: > Meinst du wirklich, dass 25 Megapixel erforderlich sind, Nachdenken is' nich' mehr. Geht aber noch besser: Markus schrieb: > MOV_0644_1_.mp4 (35,4 MB) Markus Schwachkopf!
Ich dachte eigentlich, hier in dem Forum geht es um sachliche Hinweise und Tipps und nicht um Beleidigungen. Da hätte ich mir den Eintrag wirklich sparen können.
kurzer Nachtrag... Das Tatte sich heute ein-zweimal wieder steuern lassen, aber dann wieder das selbe Problem wie auf dem Video. Könnte hier evtl. ein Problem mit den Endkontakten bestehen?
:
Bearbeitet durch User
H. H. schrieb: > Der Markus ist offensichtlich neu hier. Das ist trotzdem kein Grund, sinnlose Monstervideos durch die Gegend zu schicken.
Markus schrieb: > Ich dachte eigentlich, hier in dem Forum geht es um sachliche Hinweise > und Tipps und nicht um Beleidigungen. Das ist schon über 10 Jahre vorbei. Die Vorlagen machen es aber auch den Wohlgesonnten schwer. Markus schrieb: > Der Trafo, Motor, Sicherungen, > Wiederstände, etc. sind schon getestet worden. Hat jemand noch eine > Idee? Auch die Relais, Kondensatoren und Halbleiter testen. Und die Spannungen und Ströme. Meine Güte, sollen die Leute hier jetzt für jedes Bauteil einzeln fragen, was Du gemessen hast? Ich empfehle, mit System vorzugehen. "Systematisch" nennt man das. Zum Beispiel kann ich aus dem 35000000 Zeichen großen Film nicht entnehmen, ob "das Relais" (es gibt drei auf der Platine) nur klackt oder auch anzieht, ob die LED parallel dazu ist oder immer nur so kurz leuchtet. Noch weniger sehe ich, ob Strom da ist, der auch fließen könnte, oder ob er gar tatsächlich fließt, nämlich zu irgendeinem Motor, und sei es auch noch so kurz. Das kannst Du alles mit ein bißchen Nachdenken selber messen, ohne Spezialkenntnisse. Mein Tip wäre ja, das anziehende Relais reißt dem Controller die Betriebsspannung runter. Weil Elko taub oder, mit sinkender Wahrscheinlichkeit, kalte Lötstelle oder wackliger Stecker.
Manfred P. schrieb: > Rainer W. schrieb: >> Meinst du wirklich, dass 25 Megapixel erforderlich sind, > > Nachdenken is' nich' mehr. Geht aber noch besser: > > Markus schrieb: >> MOV_0644_1_.mp4 (35,4 MB) > > Markus Schwachkopf! Warum mußt Du in gefühlt jedem 2. Beitrag mit Schaum vorm Mund persönlich beleidigend werden? Messe Dich an Deinen Maßtstab "Nachdenken is nich mehr"
Markus schrieb: > Ich dachte eigentlich, hier in dem Forum geht es um sachliche Hinweise > und Tipps und nicht um Beleidigungen. > Da hätte ich mir den Eintrag wirklich sparen können. Viele hier im Forum können sich leider nur mehr beleidigend äußern und der Forumsbetreiber läßt das solche Töne seit langem ungeahndet zu. Leider, es hat einige Kapazunder verständlicherweise in die Flucht geschlagen...
Update.... Es waren nun Schlussendlich verstellte Endpunkte, die das ganze System zur Störung gebracht haben. Nach einem Reset und Neueinstellung der Endpunkte, funktioniert nun alles wieder wie gewünscht. Wünsche allen eine schöne Weihnachtszeit Grüße Markus
Ich wundere mich auch hier über den Ton im Forum. Da versucht man als User die besten Informationen zu geben und stattdessen: 1.) muss man sich rechtfertigen, dass man nicht Oskar K ist und den Thread hier gekapert hat 2.) muss man sich rechtfertigen, dass man ggf. eine leicht stärkere Sicherung eingebaut hat 3.) wird über die Bildauflösung und das Handy gelästert (und wenn man runterskaliert hätte, wäre vielleicht die Auflösung nicht ausreichend gewesen) 4.) dann macht Ihr Markus nieder (Schwachkopf?) Ihr habt hier ein schönes Forum mit guten Themen. Und ich würde das auch gern nutzen und meinen Beitrag dazu geben. Aber als neuer User fühle ich mich hier total unerwünscht. Und tut mir, leid, aber diese überhebliche und arrogante Tonart ist mir noch in keinem anderen Forum begegnet. Was ist los hier? Wollt Ihr alle neuen User verscheuchen und unter Euch Erleuchteten bleiben? Dann macht doch gern so weiter.
:
Bearbeitet durch User
Peter schrieb: > Aber als neuer User fühle ich > mich hier total unerwünscht. Dann geh halt bei Mama heulen. > Und tut mir, leid, aber diese überhebliche und arrogante Tonart ist mir > noch in keinem anderen Forum begegnet. Mir schon, und das weitaus konsequenter als hier.
Wollvieh W. schrieb: > Übrigens hübsch gemacht, daß es eine Halterung mit einer Ersatzsicherung Sicher, dass das nicht einfach eine Abdeckung/Berührungsschutz der montierten Sicherung ist? Oder denkst Du, oben die Ersatzsicherung und unten die "aktive"? Ich muss mal schauen, wo es sowas gibt. Habe ich schon öfter hier gesehen, und mich jedes Mal gefragt, ob das wirklich ne Ersatzsicherung ist... Nachtrag: Ach so, jetzt sehe ich es erst: Du meinst vermutlich nicht die grüne Abdeckung, sondern die Sicherung im schwarzen Kunststoffteil?! ciao Marci
:
Bearbeitet durch User
Manfred P. schrieb: > Peter schrieb: >> Aber als neuer User fühle ich >> mich hier total unerwünscht. > > Dann geh halt bei Mama heulen. > >> Und tut mir, leid, aber diese überhebliche und arrogante Tonart ist mir >> noch in keinem anderen Forum begegnet. > > Mir schon, und das weitaus konsequenter als hier. Wie wäre es das DU mal Deinen Ton änderst? Du bist hier einer der Geisterfahrer die meinen das alle anderen falsch fahren.
Roland F. schrieb: > Hallo, > Mi. W. schrieb: >> ...Kapazunder... > > Was ist das? > > rhf eine Koryphäe ABER: Die jeweilige Wortbedeutung ist sehr vom Kontext der Verwendung und auch der sozialen Umgebung in der es verwendet wird abhängig, die Bandbreite bewegt sich zwischen beissendem Spot, freundlicher Überheblichkeit und redlicher Anerkennung. Ansonsten bitte im Ostarrichi-Wörterbuch (https://www.ostarrichi.org/) nachschauen oder nach Wien fahren um der umgangssprachlichen Nutzung auf den Grund zu gehen. So wie ich es verwendet habe dürfte wohl klar sein das ich die anerkennede Variante im Sinn gehabt habe.
Marci W. schrieb: > Wollvieh W. schrieb: > >> Übrigens hübsch gemacht, daß es eine Halterung mit einer Ersatzsicherung > Ach so, jetzt sehe ich es erst: Du meinst vermutlich nicht die grüne > Abdeckung, sondern die Sicherung im schwarzen Kunststoffteil?! Genau das. Die Steigerung davon habe ich mal in einem KNX-ähnlichen Rolladenaktor gesehen. Da konnte man für jeden Kanal an einem kleinen Griff einen rechteckigen Einschub wie eine Schublade herausziehen. Darin waren dann quer zwei Sicherungen. Die untere war die aktive, die beim Einschieben Kontakt bekam, die obere war die Reserve, die nur lose im Plastik hing. Ich glaube aber, daß niemand dem Erfinder dieses Detail gedankt hat. Weil der, der auf die Leiter steigt, wenn was kaputt ist, liest keine Anleitung, und wenn man den Halter in der Hand hatte, sah das aus wie eine Doppelsicherung für beide Kabel. Wenn dann eine durchgebrannt ist, kommt man im Leben nicht auf die Idee, die beiden zu vertauschen um den Fehler zu beheben. :) Aber im Zeitalter der BWLer gibts ja nicht nur keine Ersatzsicherungen mehr als kostenlose Beigabe, sondern die Sicherungen sind eingelötet. Wenn sie nicht noch kostengünstiger durch dünne Leiterbahnen ersetzt wurden.
:
Bearbeitet durch User
Peter schrieb: > Ich wundere mich auch hier über den Ton im Forum. > Ihr habt hier ein schönes Forum mit guten Themen. Und ich würde das auch > gern nutzen und meinen Beitrag dazu geben. Aber als neuer User fühle ich > mich hier total unerwünscht. Wie der Herr, so's Gscherr. Daß selbst justiziable Beleidungen hier stehenbleiben inklusive ihrer Inverkehrbringer ist keine Entscheidung der Benutzer. > Und tut mir, leid, aber diese überhebliche und arrogante Tonart ist mir > noch in keinem anderen Forum begegnet. Was ist los hier? Wollt Ihr alle > neuen User verscheuchen und unter Euch Erleuchteten bleiben? Dann macht > doch gern so weiter. Nun, es wird wohl kaum irgendwo so exzessiv gepflegt wie hier. Aber letztlich ist zum einen das Netz insgesamt von kameradschaftlicher Subkultur zu Feindesland wie in der Innenstadt gekippt, zum anderen haben untervögelte Männer Ü50 einfach ihre unangenehmen Betriebsentwicklungen. Noch schlimmer wenn sie häßliche Frauen oder Kinder haben. Das zieht sich schon flächendeckend durch die Foren.
Markus schrieb: > Update.... > Es waren nun Schlussendlich verstellte Endpunkte, die das ganze System > zur Störung gebracht haben. Nach einem Reset und Neueinstellung der > Endpunkte, funktioniert nun alles wieder wie gewünscht. > > Wünsche allen eine schöne Weihnachtszeit > > Grüße > Markus Hallo Zusammen, jetzt habe ich wieder das gleiche Problem. Bei anliegender Spannung hört man immer nur die Relais klackern. Hat jemand Erfahrung mit den Endschaltern? Ich habe im Netz leider nur gebrauchte Endschalter gefunden https://www.ebay.de/itm/397366080266?chn=ps&_ul=DE&norover=1&mkevt=1&mkrid=707-134425-41852-0&mkcid=2&mkscid=101&itemid=397366080266&targetid=2514621473237&device=c&mktype=pla&googleloc=9042532&poi=&campaignid=21674171206&mkgroupid=188900124900&rlsatarget=pla-2514621473237&abcId=10011800&merchantid=7364532&gad_source=1&gad_campaignid=21674171206&gclid=EAIaIQobChMIx6b3mMPMkQMV3VdBAh142xCQEAQYAyABEgLD0PD_BwE
Das hatte ich gestern auch. Ohne Vorwarnung keine Funktion mehr. Konnte aber die Relais klappern hören. Hatte dann Motor mit externem Netzteil getestet, ging. Nach dem Zusammenbau lief wieder alles. Vermute, dass die Kontakte verschmutzt waren.
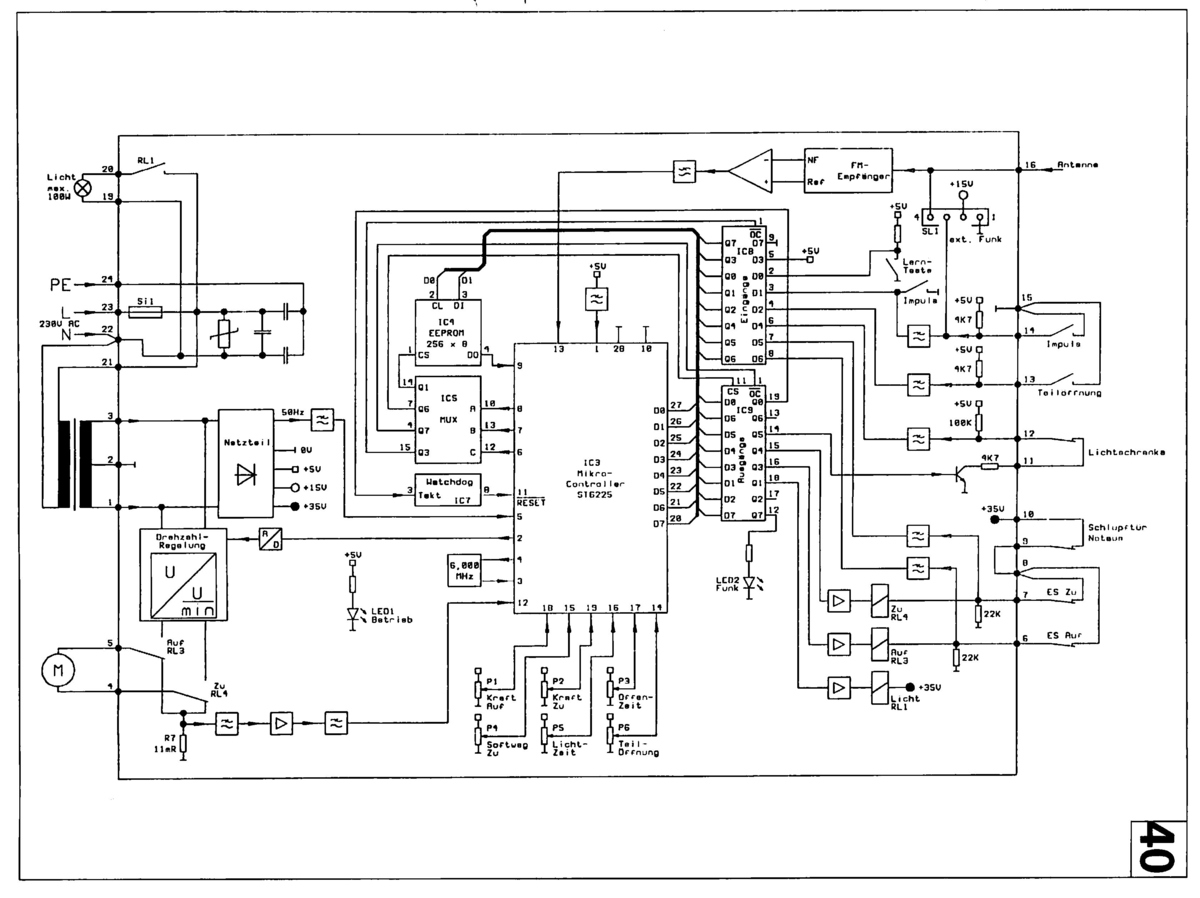
Gibt es von der ELEKTRONIK 2500 ein Schaltbild oder wenigstens ein Blockdiagramm? Ich versuche gerade die zwei Endschalter anzuzapfen, für eine externe Anzeige der Torposition. Ich habe 0V bzw. 27V gemessen. Die Frage ist, ob einer der Kontakte ein GND ist und ich den anderen dann als Signal verwenden kann oder ob beide Kontakte von GND verschieden sind (und ggf geschaltet werden). Gruß Uli
Uli schrieb: > Gibt es von der ELEKTRONIK 2500 ein Schaltbild oder wenigstens ein > Blockdiagramm? Hi, ich hab mich hier jetzt mal angemeldet, da ich aktuell vor einer Woche genau das selbe hier beschriebene Problem mit meinem *"Normstahl Tandem 3 SST mit Elektronik 2500"* hatte. Umgebung: - Außentemperatur < -5°C - Temperatur in der Garage ebenfalls knapp um den Gefrierpunkt Symptome: Betätigung der Öffner- / Schließer-Taste (egal ob via FB, ext. Taster oder Taste "Test" am Antrieb) führt zu einem kurzen Ruck / Anspringen des Motors und einem Aufblinken der Beleuchtung. Danach Blinken der roten Leuchtdiode(3) "Digitaler Funk". Der ganze Vorgang ist replizierbar und führte immer zum selben Ergebnis. Keine Funktion des Antriebs mehr gegeben. Ursachenanalyse: Ich hab daraufhin die Elektronik gezogen und zunächst im warmen Bastelkeller erst einmal auf kalte Lötstellen untersucht. - keine gefunden. Die Platine zeigte aber genau die selben Verfärbungen und anscheinend thermischen Belastungen um den großen Metallschichtwiderstand und die darunterliegende Z-Diode, wie sie auf den Bildern hier im Thread (1. Post usw.) zu sehen sind. Einen Defekt konnte ich aber nicht feststellen. Am nächsten Morgen habe ich die Elektronik 2500 wieder eingesetzt und erneut probiert. - und siehe da, EINWANDFREIE FUNKTION !?! Aber zu früh gefreut. Am späten Nachmittag ließ sich das Tor nicht mehr öffnen. - selbes Fehlverhalten wie oben. Für mich sah das jetzt nach einem Temperaturfehler von irgendeinem Bauteil aus. - im Büro / Bastelkeller = 21°C -- in der Garage derzeit um die 0°C Lange Rede, kurzer Sinn [Ergebnis und Fehlerbeseitigung] Ich habe die Elektronik mit Hilfe eines Heißluftföns und Kältespray im eingebauten Betriebszustand systematisch nach der Quelle und Auslöser dieses temperaturabhängigen Fehlverhaltens untersucht. Beim unterkühlen des großen ELKOs (ELNA 470µF, 50V) trat das Fehlverhalten auf, beim gezielten erwärmen des ELKOs (Fön hat eine kleine Düse womit ich gezielt temperieren konnte) war die Funktion des Antriebs wieder einwandfrei I.O. Ich hab den Elko dann kurzerhand ausgetauscht / ersetzt. Seitdem funktioniert der Antrieb wieder ohne weitere Probleme. Auch ein im Nachgang gezieltes Einfrieren mit Kältespray konnte keinen weiteren Ausfall provozieren. Für mich ist damit die Ursache gefunden und beseitigt. Ggf. hilft diese Beschreibung ja dem Einen oder Anderen bei selbiger Elektronik und ähnlichen Symptomen. PS: Im Anhang noch die originale "Einbau- und Bedienungsanleitung" für den "Normstahl Tandem 1-4" im PDF-Format, und als Bilder eine Auszug mit dem Schaltplan und dem Bedienpanel. // Peter
Markus schrieb: > ich habe auch eine Elektronik 2500 Garagentorsteuerung, welche nicht > funktioniert. Bei anliegender Spannung hört man nur die Relais klackern. > Das Tor lässt sich nicht steuern. Der Trafo, Motor, Sicherungen, > Wiederstände, etc. sind schon getestet worden. Hat jemand noch eine > Idee? Ja, die Elkos in der Spannungsversorgung! Fön ist meist eine gute Hilfe bei der Fehlersuche... Bei solchen Fehlern, wo ein oder mehrere Relais klappern oder nur kurz Anziehen, ist sicher ein Elko nicht mehr das, was er mal war...
:
Bearbeitet durch User
Es gab mal einen Telekom-DSL-Router, der nach Stromausfall nicht mehr ansprang, weil der schon halb kaputte Elko dann abkühlte und zuwenig Kapazität hatte. Mit Warmföhnen lief er dann wieder. Und nach Austausch des Elkos sowieso. Also nicht lachen, wenn Opa seinen Lanz-Bulldog mit der Lötlampe anheizte, das funktioniert heute noch immer. :)
Bitte melde dich an um einen Beitrag zu schreiben. Anmeldung ist kostenlos und dauert nur eine Minute.
Bestehender Account
Schon ein Account bei Google/GoogleMail? Keine Anmeldung erforderlich!
Mit Google-Account einloggen
Mit Google-Account einloggen
Noch kein Account? Hier anmelden.















