Forum: Haus & Smart Home Viessmann Trimatik Reparatur


von Sascha S. (dec)


Lesenswert?

Hallo,

da es aktuell kalt ist, muss natürlich die Heizung spinnen... Problem 
ist behoben, siehe Punkt 3. :)

Heizungssteuerung: Vissmann Trimatik 7410 160 (für die Suche 7410160, 
Trimatik MC, BWA, 7410 068, 7410068, vermutlich auch weitere)

Fehlerbild:
Heizungspumpen werden nicht angesteuert,  Heizkessel und 
Brauchwasserkessel warm (85°C).
Obwohl der Temperatur des Brauchwasserspeichers weit über Sollwert 
(60°C) ist, ist laut Steuerung die Brauchwasseranforderung aktiv (zu 
erkennen an roter LED "BWA"). Die Ladepumpe fürs Brauchwasser läuft 
gefühlt durchgehend. Kessel ist zwischen 75°C und 85°C.

Da die Brauchwasseranforderung aktiv ist, werden die Heizungspumpen 
abgeschaltet, das erklärt das frostige Klima im Haus. (Das ist die 
Standardkonfiguration per DIP Schalter, kann auch parallel betrieben 
werden).

1. Kontrolle der Fühler:
Außenfühler und Brauchwasserfühler kontrolliert (beides Ni500):
Außenfühler defekt, Brauchwasserfühler in Ordnung.

Ok, macht jedoch fürs Grundproblem keinen Sinn, da der 
Außentemperaturfühler nur die Heizkesseltemperatur vorgibt und die 
Brauchwassertemperatur an der Steuerung (unabhängig von der 
Außentemperatur) gesetzt wird. Daher hätte beim Ni500 ein 
kurzgeschlossener Sensor eine zu tiefe Temperatur vorgegaukelt und damit 
die BWA ausgelöst.
Außentemperaturfühler wurde durch eine 510 Ohm Widerstand (entspricht 
etwa 4°C) ersetzt, was natürlich keine Verbesserung (aber eine 
Ausgangsbasis für die weiteren Arbeiten) brachte. Mit der 
Außentemperatur von 4°C und der eingestellten Heizkurve sollte die 
Heizkesseltemperatur max. 50°C betragen.
Es stellte sich heraus, dass die hohe Kesseltemperatur auch nur durch 
den Temperaturwächter (TW) begrenzt wird. Die Kesseltemperatur wird also 
neuerdings komplett vom TW geregelt. Oo

2. Vermutung: Relais zur Regelung klebt, daher regelt jetzt der TW
Macht im Nachhinein eigentlich keinen Sinn, da BWA leuchtet, aber messen 
schadet ja nie. So eine Fehlersuche ist ja auch immer ein iterativer 
Prozess. :P

Ergebnis: Relais klebt nicht, wird angesteuert und ist bei 
abgeschalteter Heizung auch geöffnet. Die Messung brachte mich aber auf 
den richtigen Weg.

3. Spannungsversorgung der Regelung

Beim Messen der Versorgungsspannung des Relais hatte ich jedoch gesehen, 
dass das Relais mit 18 V Gleichspannung versorgt wird, was mit dann 
etwas seltsam erschien, da 24 V= Relais. Die 18V= waren mit 8V~ 
Wechselspannung überlagert. Verbaut ist ein 1000µF Elko, welcher wohl 
einfach das Zeitliche gesegnet hat. In Ermangelung eines passenden Elkos 
in der Größe und Spannungsfestigkeit (man muss auch die Steuerung recht 
weit zum Auslöten des Alten zerpflücken) habe  ich von hinten 220µF zur 
Unterstützung angelötet.
Der originale Elko hat 1000µF und vermutlich ein RM von 7,5 mm.

Beim Suchen nach einer nicht funktionierenden Heizung auf die 
"kombinierte Nebenluftklappe" (falls verbaut) schauen, diese wird durch 
die Brenneranforderung erst geöffnet und gibt dann die Freigabe durch 
einen Endlagenschalter "Klappe offen". Diese musste ich auch schon 
ersetzen.

Sorry für viel Text, eventuell hilft es ja jemanden, der Sonntags auch 
im kalten Haus aufwacht. )=

Hat denn jemand einen Schaltplan der Viessmann Steuerungen? Also einen 
Richtigen, nicht den Anschlussschaltplan.

PS: Da Ni500 Sensoren wohl eine Sonderlocke sind/schon immer waren?, 
habe ich hier einfach einen Pt500 mitbestellt. Die Abweichungen sind bei 
niedrigen Temperaturen (wo ich ja die Heizung benötige) 
vernachlässigbar, bei hohen Temperaturen kann man sich streiten. 
Eventuell gibt es ja später noch einen Ni500.
1
T[°C]  | R(Ni500)[Ohm] | R(Pt500)[Ohm] | T(Ni500(R(Pt500)))[°C]
2
-20    | 447           | 461           | -19,8
3
+30    | 586           | 558           | 21

Grüße

von H. H. (hhinz)


Lesenswert?

Bei dem Alter ist ein ausgetrockneter Elko ja nicht ungewöhnlich.

von Scyte R. (scyte)


Lesenswert?

Wenn die Heizung überhaupt läuft ist es nicht die Klappe. Falls es die 
Klappe ist, einfach aus dem System abstecken. Die steckt dazwischen 
(einmal Stecker, einmal Buchse) kann man also bei ausstrecken und die 
verbleibenden Kupplungen zusammenstecken (Als Notbetrieb).

Hast du gemessen, das die Pumpe nicht angesteuert wird, oder ist die 
Pumpe evtl. defekt? Falls nicht defekt kannst du die auch an eine 
Zeitschaltuhr hängen (als Übergangslösung) um das Haus warm zubekommen.

von J. S. (jojos)


Lesenswert?

Ich habe mehrere Viessmann Novamatik Mischersteuerungen, da waren auch 
diese Elkos drin und die waren ebenfalls ausgetrocknet. Dadurch zitterte 
der Motor für den Ventilantrieb nur noch, nach Austausch ok.
Und da sind auch die Ni500 PTC verbaut.

von Sascha S. (dec)


Lesenswert?

H. H. schrieb:
> Bei dem Alter ist ein ausgetrockneter Elko ja nicht ungewöhnlich.
Klar, aber ehrlich gesagt kam ich auf diese naheliegende Idee nicht 
direkt.

Scyte R. schrieb:
> Wenn die Heizung überhaupt läuft ist es nicht die Klappe. Falls es die
> Klappe ist, einfach aus dem System abstecken. Die steckt dazwischen
> (einmal Stecker, einmal Buchse) kann man also bei ausstrecken und die
> verbleibenden Kupplungen zusammenstecken (Als Notbetrieb).
>
> Hast du gemessen, das die Pumpe nicht angesteuert wird, oder ist die
> Pumpe evtl. defekt? Falls nicht defekt kannst du die auch an eine
> Zeitschaltuhr hängen (als Übergangslösung) um das Haus warm zubekommen.
Der Hinweis mit der Klappe war eher, falls jemand den Thread liest und 
sich gar nichts tut, auch nicht mit Schornsteinfegerschalter/-Stift.
Es sind zwei Heizungspumpen verbaut, beide tot und eine nur 1,5 Jahre 
alt. Daher war das sehr unwahrscheinlich. Durch die BWA hatte ich ja 
auch gar nicht erwartet, dass die an sind. Funktionieren jetzt aber 
natürlich wieder wie gewohnt.

J. S. schrieb:
> Ich habe mehrere Viessmann Novamatik Mischersteuerungen, da waren auch
> diese Elkos drin und die waren ebenfalls ausgetrocknet. Dadurch zitterte
> der Motor für den Ventilantrieb nur noch, nach Austausch ok.
> Und da sind auch die Ni500 PTC verbaut.
Gut zu Wissen, habe ich jedoch nicht verbaut. Wenn man das so liest, 
dann könnte man ja empfehlen, die Spannungsversorgung über den Sommer zu 
kontrollieren und zumindest den Elko zu bestellen.^^

Grüße

von Wollvieh W. (wollvieh)


Lesenswert?

Ich hab dasselbe in Grün mit Buderus durch.
Deren Ecomatic dürfte vom Baujahr der Trimatik entsprechen. Da hatte ich 
mal eine knusprige mit schnarrenden Relais zu "betreuen". Da das Gehäuse 
beim Ausbau der Karten zerbröselte, habe ich sie kurzerhand mit einer 
10, 15 Jahre jüngeren Logamatic ausgetauscht. Also die ganze 
Kesselsteuerung.

Hat mechanisch wunderbar gepaßt, vor allem die sicherheitsrelevanten 
Elemente STB und der mechanische Thermostat. Den ganzen 
Elektronik-Zinnober, den die Hersteller im Lauf der Jahrzehnte 
drumherumgebaut haben, kann man auch durch einen Arduino oder ChatGPT 
oder eine alte Waschmaschinensteuerung mit Nockenschaltwerk ersetzen. 
Weil der Brenner ist entweder an oder aus (wenn man von im Privathaus 
wohl nicht vorkommenden Varianten wie zweistufiger oder gar 
modulierender Brenner absieht). Da ändert auch eine KI mit 
4GHz-12Kern-CPU und 64GB RAM nichts dran.

Ni500-Fühler hatte ich  mal aus solchen Anlagen aufgehoben. Wurden als 
Ebay noch funktionierte auch gerne gebraucht gekauft, besonders an 
Wochenenden im Dezember oder Januar. :) Aber ich weiß, daß ich meinen 
exotischen Fühlervorrat entsorgt habe. Es gibt aber mittlerweile 
Versender, Sensorshop oder ähnliche Namensgebung, wo man fast alles 
fertig in einer Hülse gepreßt mit Kabel dran bekommt. Ni 500 mit 
Gardena-Stecker. :)

TLDR:

Solche Steuerungen sind nach 20, 30 Jahren auf einem heißen Kessel 
einfach fertig. Elkos trocken, Relais abgebrannt, der Analogteil mit 
Kondenswasserkorrosion verstimmt, die Pufferbatterien an Schaltuhr 
und/oder CPU ausgelaufen, das LCD mit Segmentausfall.

Also lieber gleich auf eine guterhaltene Jüngere setzen statt noch an 
der Alten rumzuschrauben. ;)

von Christian M. (likeme)


Lesenswert?

ich habe meine Trimatik vor 6 Jahren durch eine Vitotronic 200 ersetzt, 
Vorteil, sie fährt die Kesseltemperatur (BJ86!!) bei Nichtgebrauch 
herunter, spart enorm Öl. Die Trimatik zickte immer wieder hier und da 
und dort herum. Es ist zugegeben eine OP am offenen Herz den man nur im 
Sommer wagen sollte. Am besten ein "Bundel" mit allen Kabeln und 
T-Sensoren im Ebay schießen, den "Kesselkennlinienstecker" nach 
Anleitung austauschen/ anpassen, fertig. Seit dem Umbau NULL Problemo.

Meine Versuche vorher: Alles pauschal nachlöten und da war noch ein 
ausgenudeltes Relais für den Brennermotor und glaub ich die 
Einspritzdüsenheizung, dann war längere Zeit Ruhe bis die Schaltuhr dann 
starb.

: Bearbeitet durch User
von Mi N. (msx)


Lesenswert?

Wollvieh W. schrieb:
> Also lieber gleich auf eine guterhaltene Jüngere setzen statt noch an
> der Alten rumzuschrauben. ;)

Elkos altern auch, wenn sie in der Schublade liegen.
Bei meiner Trimatik hatte ich immer mal was ersetzen müssen. Auch im 
Gasfeuerungsautomaten (Robertshaw) muß man im Laufe der Jahrzehnte die 1 
µF Elkos erneuern und die Relais' nachlöten.
Das gehört dazu ;-)

von Wollvieh W. (wollvieh)


Lesenswert?

Christian M. schrieb:

> Meine Versuche vorher: Alles pauschal nachlöten und da war noch ein
> ausgenudeltes Relais für den Brennermotor und glaub ich die
> Einspritzdüsenheizung, dann war längere Zeit Ruhe bis die Schaltuhr dann
> starb.

Es gab mal eine Machart von Zeitschaltuhr, die lange Zeit bei Ebay 
dreistellige Preise erzielte, auch in gebraucht und 30 Jahre alt. Weil 
die offenbar reihenweise kaputtging, ich nehme an, der Pufferakku und 
eventuell der Schaltkontakt. Und bevor man den Monteur kommen läßt, der 
schon für den Begrüßungshandschlag 150 Euro nimmt, versucht man es halt 
mal so. :)

Ich habe keinen Überblick über die ganzen Namen der Steuerungen und ihre 
Baujahre. Aber grundsätzlich war bis Ende der 80er noch "Mäusekino" 
angesagt: Jeder Heizkreis hatte seine eigene Karte mit einem halben 
Dutzend Schalter und Drehreglern, oft mit eigener Spannungsversorgung 
und einigen Relais. Dazu dann eine mechanische Hauptschaltuhr, und auch 
eine analoge oder gerade schon digitale "Zentrale", in der man mit 
Trimmern eine Heizkennlinie verschieben und verbiegen konnte.

Sowas würde ich heute auf jeden Fall raushauen, einfach weil unwartbar. 
Man hat z.B. keinen Überblick, ob und wie die Funktionen überhaupt 
laufen. Wenn ein Sensor sich alterungsbedingt um ein paar Grad 
verschoben hat, oder ein Relais zwar mechanisch schaltet, aber keinen 
zuverlässigen Kontakt gibt, kann man das nur mit hohem Aufwand 
herausfinden.

Ab den 90ern kamen dann LCD-Anzeigen mit Klartext und Drehrad raus. Die 
halte ich bis auf Details für ausentwickelt. Da kann man auch 40 Jahre 
später noch Relais tauschen sowie Versorgungsspannungen messen und mit 
frischen Elkos wieder stabilisieren. Man sieht relativ schnell, wenn ein 
Sensor spinnt. Oft gibt es Testfunktionen, so daß man die Relais 
einschalten und die Kontaktwiderstände durchmessen kann, ohne auf der 
Platine rumstochern oder gar -löten zu müssen.

So vor 10, 15 Jahren kam dann das Internet dazu. Heute kann jedes Kind 
über das Netz eine Heizungsanlage steuern. Auch wenn es gar nicht seine 
eigene ist. :) Weil die Hersteller zwar Blingbling, aber keine 
Sicherheit eingebaut haben. Diese Generation würde ich dann schon eher 
wieder meiden.

Zu den älteren Steuerungen gibt es meistens gute Montage- und 
Einstellanleitungen im Netz. Echte Schaltpläne der Innereien habe ich 
dagegen noch nie gesehen. Braucht man aber auch nur in seltenen Fällen. 
Wie neulich, als hier jemand eine Anlage hatte, bei der zwei 
Temperaturkanäle unterschiedliche Werte ergaben. Letztlich war ein 
passives Bauteil kaputt, was man ohne Schaltplan mit teils 
unbeschrifteten Kondensatoren und  Widerständen etwas schwieriger 
herausfindet.

von Armin X. (werweiswas)


Lesenswert?

Wollvieh W. schrieb:
> Es gab mal eine Machart von Zeitschaltuhr, die lange Zeit bei Ebay
> dreistellige Preise erzielte, auch in gebraucht und 30 Jahre alt. Weil
> die offenbar reihenweise kaputtging, ich nehme an, der Pufferakku und
> eventuell der Schaltkontakt.

Dachte ich von meiner Uhr auch und habe mir eine "neue" Gebrauchte 
geholt welche zunächst dieselben Symptome zeigte.
Es war aber so, dass man nach längerer Stromlosigkeit lediglich eine 
oder mehrere Tasten lange drücken musste um die Uhr wieder zur Mitarbeit 
zu bewegen.

Wegen dem 1000µF Elko, ja der war bei meiner Trimatik auch tot.

von B. (overdrive)


Angehängte Dateien:

Lesenswert?

Sascha S. schrieb:
> muss natürlich die Heizung spinnen...

Hallo Sascha,
gratuliere zur Rep.

Wäre es nicht guter Zeitpunkt die (dumme) Trimatic zu entfernen und eine 
schlauere Regelung (Bild) einzubauen?

Die Fühler passen und die Einstellmöglichkeiten sind effektiver.

von Mi N. (msx)


Lesenswert?

B. schrieb:
> Wäre es nicht guter Zeitpunkt die (dumme) Trimatic zu entfernen und eine
> schlauere Regelung (Bild) einzubauen?

Nein, der Zeitpunkt dafür ist vorbei. Wenn der Brenner sich irreparabel 
verabschiedet, war der ganze Aufwand für die Katz.

Ich denke, Du bist nicht der Entwickler; das Display ist nämlich 
potthässlich.

von .● Des|ntegrator ●. (Firma: FULL PALATINSK) (desinfector) Benutzerseite


Lesenswert?

Mi N. schrieb:
> das Display ist nämlich potthässlich.

es gibt sicher bessere,
aber eine Heizungsanlage muss man ja auch nicht täglich angucken

von J. S. (jojos)


Lesenswert?

Mit der Vitotronic gibt es ja eine modernere Steuerung von Viessman, bei 
unserem Kessel wurde das auch vor vielen Jahren umgebaut. Der Kessel ist 
aber inzwischen auch schon lange raus, die alten Raketenöfen sind 
einfach zu unwirtschaftlich.
Nur die Mischer dürfen noch weiter werkeln.

von Wollvieh W. (wollvieh)


Lesenswert?

B. schrieb:

> Wäre es nicht guter Zeitpunkt die (dumme) Trimatic zu entfernen und eine
> schlauere Regelung (Bild) einzubauen?

Faszinierende 14/16-Segment-Anzeige. Daß auch die Außensegmente 
"angespitzt" sind, läßt mich an Nosferatu seine Zähne und Fingernägel 
denken, wenn ich auch nicht so weit

Mi N. schrieb:
> das Display ist nämlich potthässlich.

gehen würde. :)

Was man als Privatmann mit kleinem (Heiz-)Rohr nicht so auf dem Schirm 
hat: Eigentlich sind Kesselsteuerung und Heizungssteuerung zwei 
verschiedene Paar Stiefel. Nur sind sie in den Einfamilienhauskesseln 
meist zusammengefaßt und obendrauf genagelt.

Die Kesselsteuerung ist sicherheitsrelevant, weil sie den STB und 
(meist) den mechanischen Thermostat für die Kesseltemperatur enthält und 
auf den Kessel abgestimmt sein muß.

Die Heizungssteuerung danach kann eigentlich nix kaputtmachen und könnte 
tatsächlich durch beliebiges Privatgebastel ersetzt werden (von 
Vorschriften rede ich dabei nicht.)

In der Industrie ist es Standard, daß an den Kesseln nur ihre 
rudimentäre Steuerung dran ist. Der Rest ist dann abgesetzt im nächsten 
Schaltschrank, manchmal noch mit klassischen Bedienelementen als 
Notebene, meist aber eh ferngesteuert von der Leitwarte.

Hätte ich mit dem Luxus eines großen Hauses zu kämpfen, würde ich die 
Steuerung vom Kessel absetzen. Bzw. ein Modell wählen, das eine 
Fernsteuerung über Bedienteile in den Wohnräumen erlaubt.

Da kann man dann auch unabhängig vom Kesselhersteller ein Modell 
aussuchen, das einem zusagt. Und z.B. keine bizarren 
Nickel-Cadmium-4711-Sensoren braucht. :)

Mi N. schrieb:
> B. schrieb:
>> Wäre es nicht guter Zeitpunkt die (dumme) Trimatic zu entfernen und eine
>> schlauere Regelung (Bild) einzubauen?
>
> Nein, der Zeitpunkt dafür ist vorbei. Wenn der Brenner sich irreparabel
> verabschiedet, war der ganze Aufwand für die Katz.

Ich denke in der gegenwärtigen Situation bekommt man beliebige 
gebrauchte Brenner zur Selbstabholung zum Benzinpreis für die Anfahrt. 
:)
Also egal wie kaputt er geht, holt man einen baugleichen 
funktionierenden.

: Bearbeitet durch User
von Christian (trimatik-chris)



Lesenswert?

Hallo zusammen,
ich bin auf diesen Thread gestossen weil ich ebenfalls meine Trimatik 
repariert habe. Es handelt sich allerdings um eine Trimatik-MC 7450260. 
Vielleicht helfen die Daten aber trotzdem irgendjemandem weiter.
Als Referenz ist im Anhang ein Foto der Regelung.
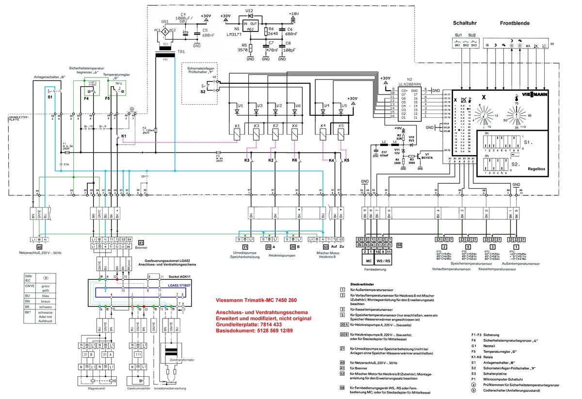
Im Laufe meiner Basteleien habe ich mir einen Stromlaufplan erstellt, 
den habe ich auch mal angehängt.
Dazu habe ich jede Menge Details zu den verfügbaren Schnittstellen, 
damit habe ich mir einen einfachen HTML-Monitor gebastelt.

Gibt es hier noch andere die in die gleiche Richtung basteln?

von Mobile (mobileteser)


Lesenswert?

Habe ein Olypus Kessel, die Sicherheitskomponeten belassen und die 
Steuerung mit einer UVR16x2 gemacht. 
https://www.ta.co.at/x2-frei-programmierbare-regler
Technisch gesehen gibt es bein originalen Regler auch nur einen 
Relaiskontakt, der den Brenner einschaltet.
Wir haben sie selber programmiert und mit Home Assistant verbunden. Wenn 
man sich eingearbeitet hat, ist das eine universelle, ausbaufähige  und 
mächtige Steuerung. TA programmiert auf Wunsch auch solche Steuerungen.
Editz: Auch die Mischerbaugruppen werden vom UVR gesteuert.

: Bearbeitet durch User
von Christian (trimatik-chris)


Lesenswert?

Ein sehr guter und schöner Ansatz.
Einziger (sehr) kleiner Nachteil ist die fehlende Unterstützung für die 
originalen Viessmann Sensoren. Für Vorlauf und Aussen setzt Viessmann 
sehr spezielle Ni500 Sensoren ein ("NL", 5000ppm/K). Die sind aber 
glücklicherweise leicht zu erreichen und auszutauschen. Warmwasser und 
Kessel (PT500) werden direkt unterstützt. Also, das Teil wäre eine gute 
Wahl. Danke für den Tipp.

Aber das ist nicht mein Weg. Ich möchte ganz bewusst die Trimatik 
beibehalten und nur ein wenig aufpeppen und über den Zustand informiert 
sein. Und die Bus-Signale zu dekodieren betrachte ich dabei als 
Challenge :)

Und ich wollte Hilfestellungen anbieten für die akut Hilfesuchenden und 
auch die "hopeless romatics" die ihre alte Anlage am Leben halten 
wollen.

von Christian (trimatik-chris)



Lesenswert?

Noch ein Wort zu den Sensoren in den alten Trimatik-MC Steuerungen.
Viessmann hat damals 2 unterschiedliche PTC-Typen eingesetzt:
- Platin (Pt500), für Warmwasserspeicher- und Kesseltemperatur
- Nickel (Ni500), für Vorlauf- und Aussentemperatur

Der Pt500 ist ein ganz normaler Platin-Sensor ohne Überraschungen.

Beim Ni500 (Nickel) sieht es ganz anders aus. Der hat eine spezielle 
Kennlinie mit 5000ppm/K. Diese Sorte ist kaum zu bekommen.
Es wird noch kurioser. Im Gehäuse des Aussensensors sitzen zusätzliche 
Festwiderstände zur Anpassung der Kennlinie. Meine Vermutung ist dass 
Viessmann sich irgendwann mal auf die 5000ppm festgelegt hat und die 
Software in der Regelbox fest darauf ausgelegt wurde. Kurz danach musste 
auf einen anderen Ni500-Typ gewechselt werden..

Die alte Steuerung funktioniert übrigens auch heute noch sehr gut, wenn 
sie intakt ist und richtig eingestellt. Eine neue kann auch keine 
erhebliche Menge Energie sparen weil der Wäremebedarf des Hauses gleich 
bleibt. Oder?

Um die Elektronik laufsicher zu machen (bzw zu reparieren) haben sich 
bei mir die folgenden Stellen herausgestellt:
- Der 1000uF Elko im Netzteil trocknet aus. Austauschen. Er hat seine 
Lebensdauer in allen heutigen Anlagen bereits seit Jahrzehnten 
überschritten.
- Die Relaiskontakte sind abgenutzt. Austauschen.
- Die Drehschalter in der Frontplatte enthalten Silber, oxidieren und 
machen keinen Kontakt mehr. Da hilft nur Aufmachen und reinigen. Alle 
Exemplare auf dem Markt sind uralt und haben das gleiche Problem.
- Der Schornsteinfegerschalter versagt gerne mal. Austauschen. Der sitzt 
in der Versorgungsleitung der Spulen der Relais und mag das wohl nicht 
wirklich..

Der Feuerungsautomat (bei Gas) ist so ein Kapitel für sich.. Aber da 
befindet man sich sofort im sicherheitsrelevanen "Gas-Bereich" und 
sollte einen Fachmann rufen.

Einen Fachmann zu rufen, und zu hoffen das er die o.g. Details der 
Steuerung kennt, ist übrigens illusorisch. Und niemand gibt danach auf 
sowas wiederbelebtes, gebasteltes irgendeine Gewährleistung.

von Mi N. (msx)


Lesenswert?

Christian schrieb:
> Der Feuerungsautomat (bei Gas) ist so ein Kapitel für sich.. Aber da
> befindet man sich sofort im sicherheitsrelevanen "Gas-Bereich" und
> sollte einen Fachmann rufen.

Hier bin ich ;-)
In dem Teil mußte ich (bei mir Robertshaw) wie schon erwähnt die 1 µF / 
50 V / 105 °C Kondensatoren erneuern. Über diese (+ Schalttransistoren) 
wird 50 Hz Wechselspannung zum Schalten der Relais' geleitet. Geschaltet 
werden zwei Relais' in Reihe - eins als Schliesser und eins als Öffner. 
Bei allen Relais' mußte ich die Löstellen auf der Leiterplatte 
nachlöten. Für das Timing werden uralte CMOS ICs (CD4xxx) verwendet - 
alles keine Raketentechnik, die wir nicht neu entwickeln sondern nur 
reparieren müssen.
Wenn am Sonnabend im kalten Winter die Heizung nicht startet, muß man 
Sachen machen, die ein Mann eben machen muß ;-)

Danke für Deine Ausführungen zum PTC. Die exakte Temperaturmessung finde 
ich nicht so entscheidend, da man die Kennlinien sowieso individuell 
einstellen muß.

von Christian (trimatik-chris)


Lesenswert?

Oh, sehr schön jemanden vom Fach dabei zu haben :)

Mit der Kennlinie hast du recht, aus der Perspektive habe ich das noch 
nie betrachtet..

In meiner Anlage ist ein LGA52.171B27 als Feuerungsautomat verbaut. Da 
drin möchte (selbst) ich nicht herumbasteln. Den gibt es nur noch sehr 
selten und dann nur zu Mond-Preisen zu kaufen. Gibt es dafür einen 
modernen Ersatz? Oder bespricht man sowas besser nicht öffentlich?

von Armin X. (werweiswas)


Lesenswert?

Christian schrieb:
> Gibt es dafür einen
> modernen Ersatz? Oder bespricht man sowas besser nicht öffentlich?

Also ich habe schon erlebt, dass solche Themen, da von einigen 
Überempfindlichen als sicherheitsrelevant eingestuft, einfach zugemacht 
werden "um Gebastel" zu vermeiden. Ähnlich wie bei manchen 
Fahrzeugthemen. Selbst wenn es am Ende nur auf Nachlöten hinauslaufen 
würde.

Christian schrieb:
> Meine Vermutung ist dass
> Viessmann sich irgendwann mal auf die 5000ppm festgelegt hat und die
> Software in der Regelbox fest darauf ausgelegt wurde. Kurz danach musste
> auf einen anderen Ni500-Typ gewechselt werden..

Das würde mir erklären warum ich, seit Tausch der Reglerbox, das Gefühl 
habe, dass sich meine Heizung etwas anders verhält... Die neue 
gebrauchte Box hatte, bei gleichem Erscheinungsbild und 
Schalterkonfiguration, eine geringfügig andere Herstellerbezeichnung und 
funktioniert auch gleich.

von Mi N. (msx)


Lesenswert?

Christian schrieb:
> In meiner Anlage ist ein LGA52.171B27 als Feuerungsautomat verbaut. Da
> drin möchte (selbst) ich nicht herumbasteln. Den gibt es nur noch sehr
> selten und dann nur zu Mond-Preisen zu kaufen. Gibt es dafür einen
> modernen Ersatz? Oder bespricht man sowas besser nicht öffentlich?

Lass Dir doch von Bettnässern nicht den Mund verbieten!
Für Warmduscher gibt es nicht viele Möglichkeiten, wobei der Nachkauf 
von alten Geräten auch keine dauerhafte Lösung sein wird, egal ob es 
teuer oder billig war. Daher auch mein Antrieb, doch mal selber 
nachzusehen.

Na klar gibt es moderen Ersatz: siehe Gebäudeenergiegesetz. Auch, wenn 
es jetzt wieder in der Diskussion ist, die Zeiten ändern sich und wir 
müssen uns darauf einstellen. Hinter dem Ofen zu sitzen, geht nicht mehr 
und auf dem Mond zu leben, überlassen wir doch gerne den Leuten aus 
Af-f-enDödelhausen.

von Christian (trimatik-chris)


Angehängte Dateien:

Lesenswert?

Die alten Trimatik-Steuerungen hatten keinerlei Vorbereitungen für 
irgendwelche Schnittstellen für Endnutzer. Als erste Lösung habe ich mir 
deshalb einen ESP-Adapter gebaut der direkt die Sensoren und Relais 
anzapft und die Daten als Webseite ins Heimnetz stellt. Danach fand ich 
eine wesentlich simplere und elegantere Lösung um an die Daten zu 
kommen.

Es gab zu jener Zeit 2 unterschiedliche Designs für die Schaltuhr. Im 
Bild:

links: alt, 9509 259 (SuperCap als Laufreserve)

rechts: neu, 951 524 (Lithium-Batterie als Laufreserve)

Die neue Variante ist die "richtige". Sie ist am zusätzlichen "?"-Taster 
zu erkennen. Mit ihr kann man per Taster die internen Temperaturen 
abfragen. Und noch schöner, sie kommuniziert über eine serielle 
Verbindung mit der Regelbox über die Schaltkanäle A und B 
(1200,8,1,odd).

Auf Kanal B sendet die Regelbox ihre Anfragen und Zustandsdaten 
(Relaiszustände, Temperaturwerte, Fehlerzustände, etc) an die Uhr.
Auf Kanal A sendet die Uhr ihre Antworten zurück an die Regelbox. Das 
sind die Zustände der Schaltkanäle. Die Übertragung dieses Blocks läuft 
im Raster von 3,4s. Es gibt 7 Blöcke die zyklisch durchlaufen. Nach ~24s 
sind alle Daten übertragen und der Zyklus beginnt neu.

Die Daten auf Kanal B habe ich dekodiert und lasse mir die 
Temperaturangaben und Relaiszustände anzeigen. Für mich ist das mehr als 
ausreichend um "vom Sessel aus" zu erkennen ob die Anlage sauber läuft.

Wenn man diesen Ansatz weiterverfolgt, und auch noch Daten auf Kanal A 
zurück sendet, dann könnte man die Schaltzeiten der Anlage fernsteuern..

Das ganze funktioniert allerdings nur wenn man auch eine zur "neuen" Uhr 
passende Regelboxen verwendet: 7408 217, 7408 421 oder 7814 549. Ältere 
Boxen hatten diese Option noch nicht.


Diese Steuerungsmöglichkeiten sind nach heutigen Masstäben nicht gerade 
umfangreich. Man könnte sie kombinieren und erweitern mit der
Fernbedienungs-Schnittstelle auf Stecker 58.  Und darüber auch noch die 
Soll-Temperaturen vorgeben. Aber das ist eine Geschichte für einen 
anderen Tag ..

: Bearbeitet durch User
von Armin X. (werweiswas)


Lesenswert?

Hi

Das heißt, das Grundgerät ist immer dasselbe und wenn ich eine 
aktualisierte Reglerbox sowie Uhr einstecke gibts die ganzen 
"zusätzlichen Funktionalitäten"?
Ich hatte nämlich einige Zeit suchen müssen bis ich eine so alte 
Reglerbox gefunden hatte. Mit der originalen Reglerbox hatte ich das 
Problem, dass ie Brenneransteuerung immer wieder für weniger als eine 
Sekunde wegging was der Feuerungsautomat nicht registrierte. Daraufhin 
spritze der Brenner wieder Öl ein ohne dass erneut gezündet wurde was 
immer wieder zum Fumpen führte...

Gruß Armin

von Mi N. (msx)


Lesenswert?

Christian schrieb:
> Die neue Variante ist die "richtige". Sie ist am zusätzlichen "?"-Taster
> zu erkennen. Mit ihr kann man per Taster die internen Temperaturen
> abfragen. Und noch schöner, sie kommuniziert über eine serielle
> Verbindung mit der Regelbox über die Schaltkanäle A und B
> (1200,8,1,odd).

Vielen Dank für diese Informationen.
Meine Schaltuhr ist eine 'neuere' von 1993 (Sommerzeit noch nicht 
taggenau einstellbar) und ich hatte sie nie näher angesehen, sondern 
immer nur Elkos, Relais' und vorletzten Sommer sogar einen 100 nF MKS 
erneuert. Letzterer hatte schön gestunken und geraucht, daß er schnell 
zu finden war ;-)
Auf der Hauptplatine ist ein 8051 Derivat, was sicherlich gegen Auslesen 
geschützt ist und mich deshalb vor Programmänderungsversuchen 
abgeschreckt hatte.
Die seriellen Daten sehe ich mir bei Gelegenheit mal näher an.

von Christian (trimatik-chris)


Lesenswert?

(@Armin X)
Ja, genau.
Wie beschrieben benötigst du eine der neueren Regelboxen (7814 549 
scheint die letzte Revison gewesen zu sein) und die "Fragezeichen"-Uhr 
(951 524).

Die Trimatik-MC-Reihe, und ihre Verwandschaft, basieren auf der gleichen 
sog. Grundleiterplatte (Nr 7814 433). Die besteht aus dem Netzteil, den 
Relais, Steckverbindern und so weiter. Das "Gehirn" ist die aufgesteckte 
Regelbox. Die kann man austauschen.

Von den Boxen gibt es die "alten" Typen: 7403 530, 7403 613, 7403 690, 
7403 956, 7408 119,

und die neueren: 7408 217, 7408 421, 7814 549

Dazu noch ein paar Exoten mit "Fuzzy-Logik": 7408 209, 7408 427, 7814 
550.
(alles ohne Gewähr..)

Ab Mitte der 90er kam dann die Trimatik-MC/B ins Programm und die 
Regelbox verschwandt und ihre Funktion wanderte auf die Hauptplatine.

Ob dein Problem wirklich durch die Regelbox verursacht wurde ist schwer 
zu sagen, auch wenn es durch den Tauschvorgang abgestellt wurde. Nach 
meiner Beobachtung haben die Fehler üblicherweise andere Ursachen (wie 
ein paar Beiträge vorher beschrieben). Oxidierte Kontakte, z.B., könnten 
von den Boxen unterschiedlich kritisch erkannt werden?

Ich wiederhole mich, aber ich kann immer nur dringend empfehlen die 
Drehschalter zu reinigen. Eine springende Zieltemperatur oder ein 
wackelnder Modus führen zu "Überraschungen". Die gute und "knackige" 
Mechanik ist irreführend und hat nichts mit den Schaltereigenschaften zu 
tun!

von Christian (trimatik-chris)


Angehängte Dateien:

Lesenswert?

Der Code der Regelbox wäre sehr interessant. Ich befürchte aber auch 
dass man den nicht einfach auslesen kann.

Die Box sendet auf 3 Kanälen, die ich kenne, irgendwelche Daten (X4 auf 
der Grundleiterplatte, Stecker 58 und zur Schaltuhr). Die haben sich 
damals also schon ordentlich Gedanken über sowas gemacht und es würde 
mich nicht wundern wenn da irgendwo ein komplettes Steuer-Interface 
verborgen ist.

von Dr. T. (dr_tom)


Lesenswert?

...interessant! Ich habe noch eine original verpackte und nie im Einsatz 
gewesene Trimatik herumliegen. Die Heizung habe ich damals 
herausgeschmissen und lediglich einige Teile wie Fühler, Steuerung etc. 
behalten.

von Christian (trimatik-chris)


Angehängte Dateien:

Lesenswert?

Hat jemand eine Idee welche Kodierung das Signal auf dem Bild im Anhang 
hat? Die Zahlenangaben sind die Impulsbreiten in us.
Es liegt am Stecker X4 und läuft von dort direkt zu den Rx/Tx Pins vom 
80C52 Prozessor.

[1]=Tx, das Signal auf dem Bild
[2]=Rx, [3]=GND, [4]=5V
[2] und [3] sind über eine Drahtbrücke fest verbunden.

Der Konnektor X4 wird in keiner Dokumentation erwähnt. Er sitzt am 
linken Rand der Grundleiterplatte.

von H. H. (hhinz)


Lesenswert?

Christian schrieb:
> Hat jemand eine Idee welche Kodierung das Signal auf dem Bild im Anhang
> hat?

Sieht nicht nach dem UART des µC aus, also wohl in Software erzeugtes, 
proprietäres Protokoll.

von Christian (trimatik-chris)


Angehängte Dateien:

Lesenswert?

Für eine Bitbreite habe ich mal ca 320us ansetzt und die kürzeren 
Impulse (150..190us) als Trennzeichen betrachtet. Dann ergeben sich 2 
Gruppen mit jeweils 18 Bit.

110101101000100001
110101111111111111

Ein solches 18-Bit Format habe ich auch an der 
"Stecker-58"-Schnittstelle beobachtet. Wenn man dort eine Fernbedienung 
anklemmt dann sendet die Trimatik dort auch immer 18-Bit Anworten (die 
blaue Linie). Diese beiden Bit-Pattern tauchen dort aber nicht auf.

Der X4-Stecker ist vmtl eine alte Service/Entwicklungsschnittelle über 
die man keine weiteren Details mehr herausbekommt. Eine Sackgasse.

Am "Stecker-58" könnte man eine Fernbedienung emulieren und die Anlage 
darüber Fernsteuern. Das ist dummerweise eine KM-Bus ähnliche 
Schnittstelle
mit unhandlichen Format und Pegeln.

Am praktischsten ist die "Schaltuhr-Schnitsttelle". Mit einem simplen 
UART kann man eine Schaltuhr emulieren, die wichtigsten Zustände 
auslesen und die Schaltzeiten kontrollieren.

Bitte melde dich an um einen Beitrag zu schreiben. Anmeldung ist kostenlos und dauert nur eine Minute.
Bestehender Account
Schon ein Account bei Google/GoogleMail? Keine Anmeldung erforderlich!
Mit Google-Account einloggen
Noch kein Account? Hier anmelden.