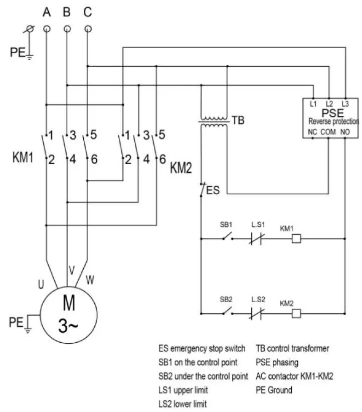
Hallo liebes Forum, ich bin eigentlich Mechaniker daher entschuldigt bitte meine unbedarften Frage: Mir ist ein elektrischer Kettenzug zugelaufen, den ich gerne in meiner (privaten) Werkstatt benutzen möchte. Laut Typenschild verlangt er nach "3Phase 220V~ 50Hz". Da auch das Handbuch nur auf Englisch ist, vermute ich, dass er eigentlich für den US-Markt gedacht ist. Meine erste Hoffnung war, ihn von einer Dreieck- auf eine Sternschaltung umzuklemmen. Leider ist er aber ab dem Schütz fest verdrahtet (siehe Bilder) und das Handbuch erwähnt auch keine Möglichkeit hierzu. Nun ist meine nächste Idee, ihn an einem FU zu betreiben, bei dem ich auch die 3-Phasige Ausgangsspannung auf jeweils 120V einstellen kann. Oder bin ich da auf dem Holzweg? Habt ihr eine Empfehlung für einen FU der das für einen 3,5kw-Motor kann? 3-Phasig 400V ist vorhanden. Herzlichen Dank für eure Hilfe! Adrian
So wie scheint, sind die Enden der Motorwicklungen direkt rausgeführt, die drei scharzen Leitungen. Somit hast keinerlei Möglichkeit, eine Änderung die Verschaltung zu ändern. FU ist eine Möglichkeit, dann aber bitte den Trafo rechts eigenständig mit einer Hilfsversorgung an 230V, der FU mag solche Dinge garnicht, und viel weniger die Komponente die hinter dem Trafo hängt.
Motorola D. schrieb: > für den US-Markt gedacht ist. Und deshalb 50Hz und CE... Das Ding wird übliche 230/400V vertragen, in China sind 220/380V üblich. Aber: Frage: Ist der Kettenzug für das deutsche Drehstromnetz (400V/60Hz) geeignet? Kann er direkt angeschlossen werden? Diese Frage beantworten Antwort: Der Kettenzug ist nicht für das deutsche Drehstromnetz (400V/60Hz) geeignet, er kann nicht direkt angeschlossen werden Von vevor an Dez 11, 2024 Sehr merkwürdig. Aber der Steuertrafo löst das Rätsel: 220V-->36V laut letztem Foto, und der wird primär zwischen zwei Aussenleitern hängen. Also doch exotischer Drehstrom mit 220V zwischen den Aussenleitern.
:
Bearbeitet durch User
Es braucht einen Drehstromtrafo bzw Drehstromspartrafo mit etw 4kVA Nennleistung. Steht bei mir noch einer ganz hinten im Regal rum. Ist sogar mit einem grün lackierten Gehäuse versehen. Könnte aber auch nur 3kVA haben. Bei wirklichem Interesse grab ich den aus und schaue nach.
Ein FU der aus einphasig 230V dreiphasig 220V macht würde gehen. Die 120V wären dann bei ca 1/3 Drehzahl sinnvoll.
:
Bearbeitet durch User
Achim H. schrieb: > Ein FU der aus einphasig 230V dreiphasig 220V macht würde gehen. Das würde gehen, aber du brauchst eben fast 4kW, um den Motor anzutreiben und das ist mit normaler Hausverkabelung nicht drin. Extra dicke Leitung (4mm²) auf CEE 32A Dose muss da schon sein. Ansonsten ist ein kräftiger FU wahrscheinlich genau das richtige.
Motorola D. schrieb: > ich bin eigentlich Mechaniker daher entschuldigt bitte meine unbedarften > Frage: > Mir ist ein elektrischer Kettenzug zugelaufen, den ich gerne in meiner > (privaten) Werkstatt benutzen möchte. Laut Typenschild verlangt er nach > "3Phase 220V~ 50Hz". Da auch das Handbuch nur auf Englisch ist, vermute > ich, dass er eigentlich für den US-Markt gedacht ist. Naja, die Amis haben 208V Drehstrom (Phase-Phase). 220V sind unklar, vermutlich hat der Chinamann da was verwechselt oder es gibt andere Netze. > Meine erste Hoffnung war, ihn von einer Dreieck- auf eine Sternschaltung > umzuklemmen. Leider ist er aber ab dem Schütz fest verdrahtet (siehe > Bilder) und das Handbuch erwähnt auch keine Möglichkeit hierzu. Wozu auch? Der Motor soll ja keine sonderlichen Aktionen machen, normaler, direkter Betrieb am Dreiphasennetz > Nun ist meine nächste Idee, ihn an einem FU zu betreiben, bei dem ich > auch die 3-Phasige Ausgangsspannung auf jeweils 120V einstellen kann. > Oder bin ich da auf dem Holzweg? Nein, aber es bleibt die Frage, ob die 220V als Spannung Phase-Phase gemeint sind (was bei Drehstrom üblich ist) oder 220V Phase-Neutral. Vermutlich ersteres. > Habt ihr eine Empfehlung für einen FU der das für einen 3,5kw-Motor > kann? 3-Phasig 400V ist vorhanden. Ich hab vor reichlich einem Jahr mit FUs von Hitachi zu tun gehabt, die P1 Serie gibt es von sehr klein bis sehr groß. Funktioniert sehr gut. https://www.hitachi-da.com/produkt-details/product/Frequenzumrichter-Serie-SJ-P1/product_category/frequenzumrichter.html Der 00083 wäre was für dich. 4kW Motor im Kurzzeitbetrieb (VLD, Very Low Duty) Vielleicht reicht aber auch ein dreiphasiger Spartrafo 400V/208V, den sollte es auch für kleines Geld im Laden geben. Robuster ist der auch.
Matthias S. schrieb: > Achim H. schrieb: >> Ein FU der aus einphasig 230V dreiphasig 220V macht würde gehen. > > Das würde gehen, aber du brauchst eben fast 4kW, um den Motor > anzutreiben und das ist mit normaler Hausverkabelung nicht drin. Extra > dicke Leitung (4mm²) auf CEE 32A Dose muss da schon sein. Unsinn. Eine normale EINPHASIGE Steckdose liefert 16A, macht 3600W. Und für kurze Zeit sicher auch einen gutes Stück mehr, so schnell spricht keine Sicherung thermisch an! Dreiphasig kriegt man aus einer 16A Dose 11kW raus, DAUERHAFT! > Ansonsten ist > ein kräftiger FU wahrscheinlich genau das richtige. Ja, Overkill deutscher Art.
Beschreibung: https://manuals.plus/de/vevor/wx4400lbs-2-electric-chain-hoist-manual Es handelt sich wirklich um einen Motor 2x230V (50Hz oder 60Hz). Um das Gerät verwenden zu können wäre ein Trafo 3x400/3x230V notwendig. Da die 3500W wahrscheinlich die max. Leistung ist, und der Kran nicht um Dauerbetrieb ist, würde vielleicht ein 2.5kVA reichen. Nur ein Beispiel. Es gibt sicher eine Unmenge Anbieter. https://www.taunus-transformatoren.de/transformatoren/trafotechdaten.html?typ=120411025 Ein Umbau auf FU-Betrieb ist sicher aufwendiger.
Nachtrag zu FU-Umbau mit "Standard" Frequenzumrichter Beim Absenken müsste der FU * die Leistung ins Netz zurückspeisen ==> Mehrkosten €€€€€€ * die Leistung in einem Bremswiderstand verheizen ==> weniger Mehrkosten €€€ --> Daher wie schon vorgeschlagen: Armin X. schrieb: > Es braucht einen Drehstromtrafo bzw Drehstromspartrafo mit etwa 4kVA > Nennleistung. > Steht bei mir noch einer ganz hinten im Regal rum. Ist sogar mit einem > grün lackierten Gehäuse versehen. Könnte aber auch nur 3kVA haben. Bei > wirklichem Interesse grab ich den aus und schaue nach.
230/400V trafos gibt es günstig gebraucht von siemens. suchbegriff: 5AT10 beispiel 1/5kVA: https://www.ebay.de/itm/225211579086 mit etwas suchen findet man sicher auch dreiphasige, aber vermutlich nicht 400/230V
:
Bearbeitet durch User
Flip B. schrieb: > mit etwas suchen findet man sicher auch dreiphasige, aber vermutlich > nicht 400/230V Der Kollege benötigt DREHSTROM! Was er benötigt ist mindestens so einer: https://www.ebay.de/itm/285604750397 Im Übrigen ist die Idee mit einem FU nur ganz bedingt geeignet, da die meisten in ihrem Handbuch stehen haben, dass bei nur einem angeschlossenen Antrieb KEIN Schalter zwischen FU und Motor platziert sein darf. Genau dieses stellen jedoch die Schütze dar. Ein Sanftstart mit FU ist auch Grütze weil die Bremse von der Netzspannung mitversorgt wird.
:
Bearbeitet durch User
Armin X. schrieb: > Es braucht einen Drehstromtrafo bzw Drehstromspartrafo mit etw 4kVA > Nennleistung. > Steht bei mir noch einer ganz hinten im Regal rum. Ist sogar mit einem > grün lackierten Gehäuse versehen. Könnte aber auch nur 3kVA haben. Bei > wirklichem Interesse grab ich den aus und schaue nach. @all: Vielen Dank für die vielen Antworten. Das Forum ist eine tolle Anlaufstelle! Ich nehme als Konsens mit, dass ein Drehstrom(spar)Trafo die beste Lösung wäre? @Armin X. Wenn du einen passenden Trafo hast, wäre ich daran sehr interessiert! Wir werden uns bestimmt einig.
Hi Hatte den Thread nicht mehr gefunden.. Der Trafo ist mit 6kVA angegeben. Das geschlossene Gehäuse misst 37 x 37 x 25cm. Ich hänge gleich noch zwei Bilder an.
:
Bearbeitet durch User
Bisher sehe ich der Lösung weniger optimistisch entgegen, da bestimmt ein recht hoher Motor-Anlaufstrom die Sicherung auslösen könnte.
Lu schrieb: > Bisher sehe ich der Lösung weniger optimistisch entgegen, da > bestimmt > ein recht hoher Motor-Anlaufstrom die Sicherung auslösen könnte. Der Anlaufstrom bleibt auf 400V Ebene unter 40A.
Thomas R. schrieb: > Hinz, du schreibst zuviel ;-) Naja, besser mehr mit Hintergrund als gar nichts in der Dunkelheit...
Lu schrieb: > die Sicherung auslösen könnte. Welche denn? Die max 3500W machen am Drehstromnetz nix aus
Na, der sieht doch gut aus. Besser zu groß dimensioniert, als dass ihm bei 2t am Haken die Puste ausgeht. Ich schreibe dir mal eine Mail für die Details. Viele Grüße Adrian
Hallo liebes Forum, ich wollte noch schnell eine abschließende Rückmeldung zu meinem Kettenzug geben: Mit Armins Trafo läuft er vorzüglich! Hier in bewegten Bildern: https://youtube.com/watch?v=gNjt8N7BjqM Die ganze Geschichte mit mehr Details gibt's bei mir im Blog: https://adrian.kochs-online.net/2025/02/20/let-the-rope-be-free-iv/ Vielen, vielen Dank nochmals an alle Beteiligten! Ohne dieses Forum hätte ich da nie eine ordentliche Lösung hinbekommen! Eine letzte Frage hätte ich noch: Da ich den Trafo später fix montieren werde und auch fest verkabelt, kann ich mir doch eigentlich den etwas zerdepperten Sicherungskasten mit den Schmelzsicherungen sparen, oder? Er lief auch jetzt problemlos mit dem 3-Fach-16A-LSS (Typ B) der Starkstromdose. Herzliche Grüße Adrian
Motorola D. schrieb: > Er lief auch jetzt problemlos mit > dem 3-Fach-16A-LSS (Typ B) der Starkstromdose. Ist sowieso besser als 3 einzelne Sicherungen, denn der 3-fach LS schaltet im Fehlerfall gleich alle Phasen ab und verhindert, das nur noch 2 Phasen am Motor ankommen und ihn quälen. (Motorschutz)
:
Bearbeitet durch User
Bitte melde dich an um einen Beitrag zu schreiben. Anmeldung ist kostenlos und dauert nur eine Minute.
Bestehender Account
Schon ein Account bei Google/GoogleMail? Keine Anmeldung erforderlich!
Mit Google-Account einloggen
Mit Google-Account einloggen
Noch kein Account? Hier anmelden.








