Hi zusammen, das Gerät war in meiner Kindheit eine tolle Errungenschaft, ein Kindheitstraum. Ich habe nun mal einen zum Basteln geschossen, da ich das Gerät damals einem Partykeller gespendet hatte. Ich meine mich daran erinnern zu können das die Triacs keine galvanische Trennung von der 5 V Versorgung hatten und dass darauf ein Hauptprozessor war. Wie die Ansteuerung der Tasten und 7-Segmentanzeigen lief, weiß ich nicht mehr, ob direkt als Matrix oder mit Treiberbausteinen - gibts es ja viele Möglichkeiten - das wird sich schnell klären wenn das Teil da ist. Bin sehr gespannt. Wenn jemand jetzt aber schon mal weitere Infos dazu hat, vor allem Schaltplan der Hauptplatine o.ä. wäre ich für jede Info sehr dankbar. VG DS
Wenn du sonst nichts bekommst, nimm doch mal mit Heini Kontakt auf. Der letzte Eintrag ist mit Mitte 2024 noch nicht soo lange her. https://paforum.de/forum/index.php?thread/24990-dlc-powerset-mit-dlc-2810-bzw-4830/&pageNo=2
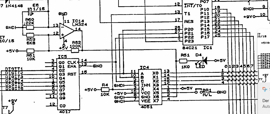
Erste Bilder vom Neuerwerb nach dem Reinigen Erstelle gerade ein erstes grobes Blockschaltbild, ist recht überschaubar gemacht der Aufbau Tasten Matrix LED Matrix Triacs über digtale Ports und ULN2803 direkt gesteuert 7- Segmentanzeigen in zwei Dreierbköcken jeweils über 7447 Dekoder Dann sind da noch 4051 Analogmultiplexer, wofür genau muss ich gleich mal gucken und ein 4017 Zeilendekoder - wird beides sicher auch für die Tasten/LED Matrix genutzt...inkl- drei Transistoren für die High-Side der LED Matrix Und eine Analogecke um das Musiksignal zu nutzen... Prozessor ist speziell gelabelt im DIP28 Gehäuse...
Dennis S. schrieb: > Wenn jemand jetzt aber schon mal weitere Infos dazu hat, vor allem > Schaltplan der Hauptplatine o.ä. wäre ich für jede Info sehr dankbar. Ich staune. Auerswald verbinde ich nur mit (guten!) Telefonanlagen. Setze Dich mit dem Hersteller in Cremlingen in Verbindung. Bei Fragen betr. meine Telefonanlage hat der Hersteller immer rasch und freundlich geantwortet.
Prozessor ist wahrscheinlich ein MAB8021 (MCS-48). Sowas zu programmieren will man sich heute nicht mehr antun. Zitat aus https://www.mattmillman.com/projects/an-intel-mcs-48-based-dual-temperature-sensor/ : "As I worked my way through the implementation, I kept telling myself it would get easier. It didn’t." Von ELV gab es übrigens etwas ganz ähnliches, vermutlich ebenfalls mit MCS-48 Controller (8748), nannte sich Digital Light Processor DLP1001, DLP1002 oder DLP2000 und erschien im ELV-Journal #54 im Jahr 1987.
Rainer Z. schrieb: > Ich staune. Ja, das waren Zeiten, hatte das Teil damals mal, war ein Highlight auf jeder Party und hat echt spaß gebracht... Rainer Z. schrieb: > mit dem Hersteller in Cremlingen in Verbindung Ich habe das digitale schon grob komplett durchgepiept, ist überschaubar...und macht spaß... Christoph Z. schrieb: > Prozessor ist wahrscheinlich ein MAB8021 Das kommt wohl hin. Ich vermute an den Pins 18-25 und 4-11 jeweils einen 8-Bit Datenbus ... das passt absolut zu dem erwähnten Prozessor. https://de.scribd.com/document/544577785/MAB-8021-Micro-proccessor-IC Wie kommst du auf den? Typisch für die Zeit? Christoph Z. schrieb: > Sowas zu > programmieren will man sich heute nicht mehr antun. Nö, ach ich würde dort eine Adapter vorsehen und den Atmega168 nehmen und selber was machen, aber ob ich das mache, hängt von Zeit und Laune ab... :-)
:
Bearbeitet durch User
Bei eBay gibt's unter der 326222870282 die Anleitung inkl. der originalen Schaltpläne - Vielleicht ist das eine nette Ergänzung
Sebastian R. schrieb: > originalen Schaltpläne Jau, war immer der Meinung dass dort die externe Beschaltung als "Schaltplan" gedacht ist, aber links im Bild sieht man Teile des diskreten Schaltplans... Im Anhang mein erstes Blockschaltbild...ist aber noch nicht final und die Analogecke habe ich noch gar nicht angesehen...
>https://de.scribd.com/document/544577785/MAB-8021-Micro-proccessor-IC >Wie kommst du auf den? Typisch für die Zeit? Ja, die kombination von Philips, der Zeit und dem 28-Pol-Gehäuse liessen fast nur den 8021 zu. Von den 65xx gab es auch Varianten mit weniger als 40 Pin, aber die hat Philips nie produziert.
Ohje, Triacs komplett ohne Kühlkörper! Wenn man da an jeden Ausgang nur eine PAR-64 Kanne anschließt, geht alles in Rauch auf! Und mehr als drei Lampen dürften dann von der einen Phase eh nicht gleichzeitig leuchten... Einzige Chance wäre wohl auf Raylight Reflektoren umzurüsten und LED-Leuchrmittel zu verbauen...
:
Bearbeitet durch User
Christoph Z. schrieb: > ein MAB8021 Interessantes Teil - aus alten Zeiten. 1024 Byte Program Memory 64 Byte Data Memory Ich dachte immer bei diesen Derivaten ist das SRAM immer komplett extern - ALE ist dort ja auch noch zu sehen... Mit was (Programmer / Software) wurde so einer denn programmiert? Im Datenblatt oben sind ja ASM Befehle zu sehen... 15V an Reset oder Prog (mode2/mode3)...
:
Bearbeitet durch User
Thorsten S. schrieb: > Ohje, Triacs komplett ohne Kühlkörper! > Wenn man da an jeden Ausgang nur eine PAR-64 Kanne anschließt, geht > alles in Rauch auf! > > Und mehr als drei Lampen dürften dann von der einen Phase eh nicht > gleichzeitig leuchten... > > Einzige Chance wäre wohl auf Raylight Reflektoren umzurüsten und > LED-Leuchrmittel zu verbauen... Oder sich an die in der Anleitung angegebenen max. 200W pro Kanal zu halten. Das Gerät ist für einfache Reflektor-Leuchtmittel mit E27 gedacht, mehr nicht.
Martin S. schrieb: > Mit was (Programmer / Software) wurde so einer denn programmiert? Garnicht. Das Teil ist maskenprogrammiert - also bei der Chip-Herstellung.
Wolfgang R. schrieb: > also bei der > Chip-Herstellung. Dann ist es fast wie ein ASIC? Also käme man an den Code niemals heran - da hart "gebrannt" oder besser gesagt, das PROM wird also schon befüttert direkt ins Silizium gebrannt... Wolfgang R. schrieb: > Garnicht. Das Teil ist maskenprogrammiert Okay, aber irgendwie muss das Programm ja mal erstellt und getestet worden sein... Ich google nun auch mal "Maskenprogrammierung"... :-)
Martin S. schrieb: > Okay, aber irgendwie muss das Programm ja mal erstellt und getestet > worden sein... Der Prozessor kann laut Datenblatt auch mit externem ROM betrieben werden und der Inhalt des internen Mask-ROMs kann ausgelesen werden.
Martin S. schrieb: > hart "gebrannt" Ziemlich hart. Maskenprogrammiert heißt, dass die letzte Chip-Metallisierungsmaske die notwendigen elektrischen Kontaktierungen bewerkstelligt. Da wird nichts extra programmiert, je nach Programm hat der Chiphersteller eine eigene Metallisierungsmaske. Das Programm wird quasi auf den Chip belichtet...
:
Bearbeitet durch User
> Mit was (Programmer / Software) wurde so einer denn programmiert?
Einen 8721 (Mit EPROM und Fenster) gab es soweit ich weiss nicht, aber
man konnte sicher auch mit dem 8748 entwickeln. Der war vonAnfang an gut
erhältlich, wenn auch nicht billig.
Die MOQ bei Maskenprogrammierung war übrigens erstaunlich klein. Schon
mit 1000 oder 2000 Stück war man dabei. Bei einem Fehler im Programm
waren das dann aber teure Exponate für die Vitrine.
Bei Intel musste man das Programm anfangs übrigens noch auf Lochkarten
abliefern!
So einen habe ich auch noch... Liegt seit ca. 25 Jahren ungenutzt im Hartschalenkoffer in der Gartenhütte, war damals(tm) in meiner Jugend aber der Hit auf jeder Party. Ich hab den Lichtcomputer bei Conrad auf der Hobbytronic gekauft (das waren Zeiten) und das Ding war für Schüler fast unerschwinglich. Der DLC 4830 ist schon die Luxus-Variante mit Analog-In zur Takterkennung, da gab es auch noch die einfachen Varianten. Viel Spaß mit dem Gerät! Viele Grüße
MAB8021 vs ArduinoNano Pinning. Erstaunlich viel Übereinstimmung... da muss man fast nichts drehen...
Dennis S. schrieb: > Hi zusammen, > > das Gerät war in meiner Kindheit eine tolle Errungenschaft, ein > Kindheitstraum. j, genauso bei mir, meine ersten 20 Stromschläge bekam ich sicherlich von dem Ding bekommen... Aktuell ist meine Mission das Gerät nachzubauen mit folgenden Attributen: - identische (alte) frontplatte vom 4830 - Wifi/BLE Integration, statt Lastkabel - Support für WS2812b - so kann man die Farben ändern Aktuell hab ich das auf ESP Basis soweit dass ich alle Programme reingehackt habe, alle Funktionalitäten die man per Knopf anwählen kann sind per REST API verfügbar. Es gibt einen Sender- und einen Receiver Code, soweit läuft alles. Jetzt muss ich mich ans Layout machen und hätte folgende Möglichkeiten: - Opfere ich eine Originalplatine indem ich alles runterlöte putze und einscanne? - entnehme ich nur den Original Prozessor und adaptiere die Busse? dann müsste ich die 5mm Ws2812b noch irgendwie reinfrickeln. - ganz andere Lösung? was meint ihr? Hat jemand eine Idee? Danke & Grüße Daniel
:
Bearbeitet durch User
Daniel G. schrieb: > - Opfere ich eine Originalplatine indem ich alles runterlöte putze und > einscanne? Würde ich komplett in Ruhe lassen. So hast du jederzeit eine Referenz, welche Knöppe was machen und wie die generelle Bedienphilosphie war (wenn man davon reden kann). Lichtcomputer machste heute eigentlich mit DMX sowie Ablaufsteuerung mit Display.
Daniel G. schrieb: > Wifi/BLE Integration, statt Lastkabel Funkstrom? Daniel G. schrieb: > - Support für WS2812b - so kann man die Farben ändern Ist im Original nicht vorgesehen, also mit welchen Tasten dann? Daniel G. schrieb: > dass ich alle Programme > reingehackt habe Alle Lichtprogramme oder was ist gemeint? Daniel G. schrieb: > alle Funktionalitäten die man per Knopf Der DLC hat viele Knöpfe... Daniel G. schrieb: > API verfügbar Der DLC hat keine API, welche, wo ist gemeint? Daniel G. schrieb: > - Opfere ich eine Originalplatine indem ich alles runterlöte putze und > einscanne? Und dann? was sollte das denn bringen, wenn die bestückte Originalplatine offensichtlich vorhanden ist? Daniel G. schrieb: > - entnehme ich nur den Original Prozessor und adaptiere die Busse? Die Busse müsstest du doch so oder so "adaptieren" auch wenn du die alte Originalplatine verwendest...? Daniel G. schrieb: > dann > müsste ich die 5mm Ws2812b noch irgendwie reinfrickeln. Sollen die als Strahler fungieren oder als alternative für die LEDs im DLC? Wenn als Alternative für die Status LEDs im DLC, was ist dann mit den 7-Segmentanzeigen? Wie sollen die da mit rein spielen? Abgesehen davon, sind diese LEDs im Originallayout ebenfalls nicht vorgesehen, warum sollte man es als aufwändig kopieren, wenn man es hat und es für den gewünschten Fall so oder so gar nicht passt - alles sehr unlogisch... Daniel G. schrieb: > was meint ihr? Hat jemand eine Idee? Jo, erstmal beschreiben was du überhaupt machen möchtest, was schon gemacht ist und wo es hakt, so verstet es doch kein Mensch...
:
Bearbeitet durch User
Martin S. schrieb: > Daniel G. schrieb: >> Wifi/BLE Integration, statt Lastkabel > Funkstrom? ist schon klar die Lampeneinheit(en) Energie brauchen. Bei LEDs kann das ein Akku sein, Netzbetriebenes braucht Netzspannung. ABER keine Verbindung zum Pult. Diese Leitungen waren früher gerne Stolperfallen, und halt auch schwer. > Daniel G. schrieb: >> - Support für WS2812b - so kann man die Farben ändern > > Ist im Original nicht vorgesehen, also mit welchen Tasten dann? Tatsächlich möchte ich die Oberfläche nicht verändern. Aktuell habe ich feste Farben pro Kanal, früher hatte ich ja auch farbige Glühbirnen. Ich habe zwei Möglichkeiten, entweder mit programmeingaben über 100 oder einer weiteren Konsole - wie auch immer die aussieht. um die Übertragung minimal zu halten kann ich die Farbwerte unabhängig von dem Muster senden. > Daniel G. schrieb: >> dass ich alle Programme >> reingehackt habe > > Alle Lichtprogramme oder was ist gemeint? alles. ja, die 100 Programme. Für jede Taste gibt es einen Endpunkt in der REST-API und am Controller wird auf Eingänge / Interrupts reagiert. > Daniel G. schrieb: >> alle Funktionalitäten die man per Knopf > > Der DLC hat viele Knöpfe... > > Daniel G. schrieb: >> API verfügbar > > Der DLC hat keine API, welche, wo ist gemeint? Auf ESP Basis war gemeint, mein Target ist der ESP8266 bzw. ESP32. Somit habe ich WIFI und BLE on Board und kann entsprechende APIs zur Verfügung stellen. > Daniel G. schrieb: >> - Opfere ich eine Originalplatine indem ich alles runterlöte putze und >> einscanne? > > Und dann? was sollte das denn bringen, wenn die bestückte > Originalplatine offensichtlich vorhanden ist? > > Daniel G. schrieb: >> - entnehme ich nur den Original Prozessor und adaptiere die Busse? > > Die Busse müsstest du doch so oder so "adaptieren" auch wenn du die alte > Originalplatine verwendest...? ja. richtig. Mittlerweile habe ich die Originalschaltpläne von Auerswald, so schwer wird das wohl nicht die 2 1/2 Busse zu adaptieren. Ich hab auch kleinere Modelle, ich denke, den 2820 werde ich mal dafür opfern. > Daniel G. schrieb: >> dann >> müsste ich die 5mm Ws2812b noch irgendwie reinfrickeln. > > Sollen die als Strahler fungieren oder als alternative für die LEDs im > DLC? Wenn als Alternative für die Status LEDs im DLC, was ist dann mit > den 7-Segmentanzeigen? Wie sollen die da mit rein spielen? > Abgesehen davon, sind diese LEDs im Originallayout ebenfalls nicht > vorgesehen, warum sollte man es als aufwändig kopieren, wenn man es hat > und es für den gewünschten Fall so oder so gar nicht passt - alles sehr > unlogisch... Kommt auf den Standpunkt an. die jetzigen 8 5mm LEDs für den Ausgang würde ich gerne mit ws2812b ersetzen damit die jeweiligen Farbzusammenstellungen auch sichtbar sind. hier stehen 2 Löcher gegen 4 benötigte, die Leitungen muss ich trennen, es geht quasi nur um die Befestigung. Das Steuerteil hat keine Lastausgänge und keinen Stromanschluss mehr, das will ich gerne Akkubetrieben, ggf. mit Ladegerät betreiben. Steuern könnte ich damit dann - Netzbetriebene Lampen mit WiFi / BLE Clientcontroller und SSR - WS2812B LED Einheiten mit WiFi / BLE Clientcontroller - DMX512 Geräte mit WiFi / BLE Clientcontroller > Daniel G. schrieb: >> was meint ihr? Hat jemand eine Idee? > > Jo, erstmal beschreiben was du überhaupt machen möchtest, was schon > gemacht ist und wo es hakt, so verstet es doch kein Mensch... Ok, Eventuell bin ich das rhetorisch falsch angegangen... Es hakt nirgends, ich wusle mich schon durch. Es geht mir um den Austausch, Erweiterung der Idee und Spaß an der Sache. Klar gibt es für wenig Geld tolle Pulte mit Bildschirm und so - Aber für mich ist das Retrogefühl, einen Abend auf dem 4830 rumzuhacken, die Programmabläufe mit Invert und der Flashtaste zu stören - und jetzt sogar noch dabei rumzulaufen das Ziel
Danke,sehr hilfreich. Mir erscheint nur der Aufbau mit der LED- und der Tastenmatrix etwas umständlich. So wie ich das sehe, kann man so nur beide Themen sequenziell ausprogrammieren, also Tastenabfrage und dann LED Matrix update und dann wieder Tastenabfrage usw... Ich hätte eher intuitiv versucht die Tasten abzufragen während ich gerade ein Display aktiviere... aber klar, das hängt ja auch auf der anderen Seite alles am selben 8-Bit Bus und es gibt immer viele Wege die nach Rom führen, keine Frage.
:
Bearbeitet durch User
So, inzwischen ein weiteres Gerät erstanden und erstmal aus zwei mäßigen ein gutes bis sehr gutes und ein Bastelgerät extrahiert. Beim Bastelgerät erstmal den Hauptprozessor doppelt gesockelt (ist zu hoch für später mit Frontplatte, aber für momentan ist es so das beste)...er hat die Tortur überlebt, Gott sei dank.
:
Bearbeitet durch User
Dennis S. schrieb: > er hat die Tortur überlebt Gönn' dir eine ZD-915 Entlötstation! Für das Geld macht es echt Spaß, zu entlöten und ist dabei schon recht bauteilschonend
Weller WDD161 + DSX80, wollte nur den Mini Kompressor abends nicht anwerfen...
:
Bearbeitet durch User
So, gestern mal eine Arduino Nano dran gebämselt und ein erstes Testprogramm geschrieben... Nach etwas hin und her stellte sich heraus, dass es besser geht, wenn man den Zähler nach jedem Zyklus resettet (um ein sauberes Ausschalten am Ende zu haben) und dann den Bus auf 0xff setzt, für deaktivierte 7-Segemttreiber und dann zur nächsten Spalte taktet - hängt aber auch damit zusammen, dass ich ausschließlich mit den Pinzugriffsfunktionen der Umgebung gearbeitet habe, und sich damit natürlich kein 8-Bit-Wert in einem Stück an einen Port legen lässt. Etwas Ghosting ist dabei noch zu sehen, das entsteht wenn ein neuer Wert für eine Spalte angelegt wird... ginge noch besser wenn ich wirklich einen ganzen Atmega Port für den 8-Bit Bus nutzen würde... Als nächstes muss noch die Abfrage der Tastenmatrix dort mit rein...
Nach einigen kleinen Anpassungen... gehts Das größte "Problem" ist und bleibt, dass für die einzelnen LED ein 0x00 auf dem Bus zur absoluten Abschaltung führt, und für die 7-Segmentanzeigen ein 0xff wie schon zuvor vermutet, befürchtet. Hilfreich wäre es gewesen einen Pin am Zähler 4017 frei zu lassen, damit man besser umschalten kann: Q0 = ungenutzt Q1 = ungenutzt Q2 = zwei Segmentanzeigen Q3 = zwei Segmentanzeigen Q4 = zwei Segmentanzeigen Q5 = acht einzelne LED Q6 = acht einzelne LED Q7 = acht einzelne LED Q8 = ungenutzt Q9 = ungenutzt Dann könnte man Q5 ansteuern, in ruhe von 0xff auf 0x00 umschalten und weiter takten... Q0 = ungenutzt Q1 = ungenutzt Q2 = zwei Segmentanzeigen Q3 = zwei Segmentanzeigen Q4 = zwei Segmentanzeigen Q5 = ungenutzt Q6 = acht einzelne LED Q7 = acht einzelne LED Q8 = acht einzelne LED Q9 = ungenutzt Momentan ist ja eh nur eine Spielerei... damals als man das Gerät im Einsatz hatte, hatte ich mir immer eine Funktion zum programmieren einer frei wählbaren Abfolge gewünscht und noch einge funktionen, kann man jetzt ja selbst alles so machen, wie einem das gefällt... :-)
:
Bearbeitet durch User
Stand des Adapters DLC-Arduino. 50 Hz für die Ansteuerung der Triacs noch nicht integriert, auch der Soundbereich noch nicht...
H. H. schrieb: > Kreativ! Hallo Hinz, joa - najoah! Ist schon Wochen her, musste erstmal so gehen, aus Resten vom Basteltisch... Kleine Platine wäre ja schnell gemacht - aber dieses Projekt ist nur Spielerei - ich habe keine Verwendung / kein Ziel dafür. Einfach nur Lust das Teil mal selber anzusteuern...die "Verdrahtung" der LED-Tastenmatrix ist etwas eigenwillig... wie ich finde...aber es war ganz schön das mal zu machen ... ein bisschen die grauen Zellen bewegen...
:
Bearbeitet durch User
Beitrag #7986641 wurde vom Autor gelöscht.
...obwohl, als Platine müsste ich dann schon zwei machen, da sie Stecker ja ineinander liegen, wäre mal interessant - aber es geht natürlich auch mit einer Platine, dann läge der Arduino halt etwas höher...
Bitte melde dich an um einen Beitrag zu schreiben. Anmeldung ist kostenlos und dauert nur eine Minute.
Bestehender Account
Schon ein Account bei Google/GoogleMail? Keine Anmeldung erforderlich!
Mit Google-Account einloggen
Mit Google-Account einloggen
Noch kein Account? Hier anmelden.

















