Hallo Zusammen! Ich habe bei der Schaltung Probleme an den Senor-Pins (Vent und Flow-Sensoren). Hier liegt nur eine Spannung von 3.8 V an, obwohl der Arduino eigentlich 5V liefern sollte. Als Neuling und nicht Elektroniker stehe ich an. Wäre schon, wenn jemand dazu eine Idee hat. lg Markus
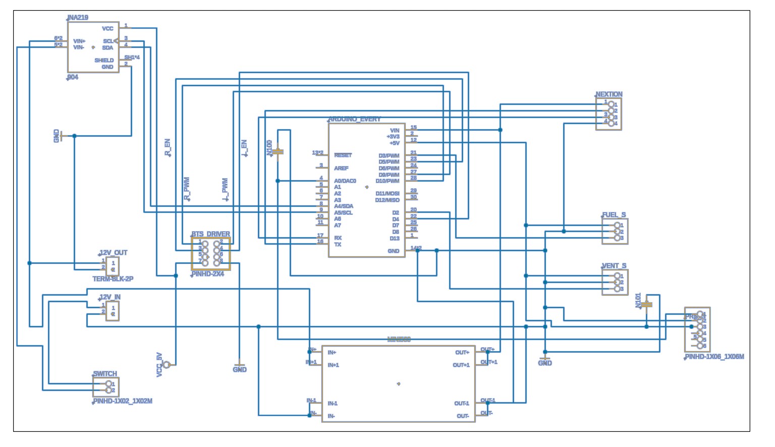
Markus S. schrieb: > Probleme an den Senor-Pins (Vent und Flow-Sensoren). Was für Sensoren sind da GENAU angeschlossen? Und wie? Markus S. schrieb: > Wäre schon, wenn jemand dazu eine Idee hat. Erste Schuss: deine Sensoren brauchen zu viel Strom. Dadurch bricht die Spannung zusammen. Und wenn du schon dabei bist: benenne den Schaltregler in deinem Wimmelbild (aka Schaltplan). Kann man nämlich nicht lesen.
:
Bearbeitet durch User
Markus S. schrieb: > Schaltplan.jpg > Platine_layout.jpg Wichtige Regeln - erst lesen, dann posten! Bitte das JPG-Format nur für Fotos und Scans verwenden! Zeichnungen und Screenshots im PNG- oder GIF-Format hochladen. Siehe Bildformate Das hilft zumindest der Bildschärfe. Über das Routing an vielen Stellen solltest du noch einmal ganz kräftig nachdenken. Hast du einen DRC mit den Regeln des PCB-Herstellers gemacht und dabei nicht ausgerechnet die Limits der höchste Fertigungsgüte ausgereizt?
:
Bearbeitet durch User
Rainer W. schrieb: > Über das Routing an vielen Stellen solltest du noch einmal ganz kräftig > nachdenken. Hast Du Dir schon mal einen Arduino angeguckt?
Markus S. schrieb: > Platine_layout.jpg Aua. Offenbar ist der Autorouter noch nicht reif für die Praxis. Egal, wie du es machst: nach einer sinnvolen Platzierung der Bauteile (den Stecker vom SWITCH könnte man z.B. genz einfach um 180° drehen, dann muss man keinen Knoten in die Leiterbahn machen) wird zuallererst die Versorgung (GND und +5V) sinvoll geroutet. Auf jeden Fall nicht so, dass diese Leitung nur schmalstmöglich um irgendwelche IC-Pins herummäandern... Allgemein gilt: sieh dir andere Schaltpläne und Layouts an. Lerne daraus. Wenn du im Schaltplan den Header BTS_DRIVER z.B. einfach rechts vom Arduino platzierst, dann musst du nicht mit den 4 Leitungen einmal quer um den Arduino fahren. Beachte diese Richtlinien, dann wird das schon besser: Richtiges Designen von Platinenlayouts
:
Bearbeitet durch Moderator
bei nur 5V Vin kann der +5V Linearegler auf dem Arduino noch keine 5V liefern.
Der Avery hat doch eh einen Schaltregler bis 21V on-board, da braucht es keinen Regler davor.
Lothar M. schrieb: > Wenn du im Schaltplan den Header BTS_DRIVER z.B. einfach rechts vom > Arduino platzierst, dann musst du nicht mit den 4 Leitungen einmal quer > um den Arduino fahren. Ich hab das für den TO mal eben etwas umgestellt und einen offensichtlichen Fehler behoben: Im Schaltplan des TO - und scheinbar auch im Layout - ist das Label "VCC_5V" nur mit dem INA219 und dem "BTS_DRIVER"-Stecker verbunden, jedoch nicht mit dem 5V-Ausgang des Arduinos.
Thomas W. schrieb: > Der Avery hat doch eh einen Schaltregler bis 21V on-board, da braucht es > keinen Regler davor. Danke - der Regler wäre dann vielleicht für den Nextion noch gut, um den Arduino zu entlasten?
Magnus M. schrieb: > Ich hab das für den TO mal eben etwas umgestellt [...] Herzlichen Dank - ich werde mir das in Ruhe anschauen was du geändert hast. Das ist jedenfalls sehr hilfreich für mich. Danke!
H. H. schrieb: > Welche Spannung liefert denn der DC560MINI? Flip B. schrieb: > bei nur 5V Vin kann der +5V Linearegler auf dem Arduino noch keine 5V > liefern. bitte diese Frage noch beantworten, DC560MINI gibt es in 5V/9V/12V Thomas W. schrieb: > Der Avery hat doch eh einen Schaltregler bis 21V on-board, da braucht es > keinen Regler davor. Vin: This pin is an INPUT. Respect the voltage limits of 7-21V to assure the proper functionality of the board. Wo findet man die min. Spannungsdifferenz eigentlich im Datenblatt? Sieht jedenfalls kräftig genug aus dass man auf den DC560MINI komplett verzichten könnte. https://www.monolithicpower.com/en/documentview/productdocument/index/version/2/document_type/Datasheet/lang/en/sku/MPM3610GQV-Z/document_id/2090
:
Bearbeitet durch User
Magnus M. schrieb: > Im Schaltplan des TO - und scheinbar auch im Layout - ist das Label > "VCC_5V" nur mit dem INA219 und dem "BTS_DRIVER"-Stecker verbunden, > jedoch nicht mit dem 5V-Ausgang des Arduinos. Im Anhang habe ich mal die betreffenden Netze in deinem original-Schaltplan markiert: Rot: das "VCC-5V" Netz Orange: das Netz, welches mit dem 5V-Ausgang des Arduinos verbunden ist
> bitte diese Frage noch beantworten, DC560MINI gibt es in 5V/9V/12V
Es handelt sich um die 5V Version (12 in - 5V out) wäre natürlich
elegant wenn der Arduino die 3 Sensoren und den Nextion stabil versorgen
kann.
@Routing
Da hatte ich wohl auch zu viel Vertrauen in den Autorouter (und selbst
zu wenig Ahnung).
Markus S. schrieb: > Es handelt sich um die 5V Version (12 in - 5V out) Kein Wunder, dass dann aus dem Spannungregler an Bord des Arduino keine 5V mehr rauskommen.
Bitte melde dich an um einen Beitrag zu schreiben. Anmeldung ist kostenlos und dauert nur eine Minute.
Bestehender Account
Schon ein Account bei Google/GoogleMail? Keine Anmeldung erforderlich!
Mit Google-Account einloggen
Mit Google-Account einloggen
Noch kein Account? Hier anmelden.




