PicoMon ist ein (sehr) kleiner Terminalmonitor, für 2 unterschiedliche Mikrocontroller realisiert. Die "Challenge" für das Programm könnte man auch benennen nach: Von STM32 nach CH32, zurück und dann gemeinsam, weil: der erste Programmentwurf erfolgte für einen STM32-Controller. Dann habe ich das "Projekt" zur Seite gelegt um den CH32 zu evaluieren. Also beschlossen, den kleinen Monitor mit CH32 weiter zu führen. Allerdings gibt es einen großen Vorteil bei STM32: er hat mehr RAM. Wie dem auch sei. "Angestachelt" von einem Nachbarthread von mir, bei dem Laberkopp meinte, den Textdisplayadapter seriell mittels UART anzusteuern, wollte ich das für ein farbiges Display machen. Wollte ich schon immer haben, weil ich zum einen eine einfache Möglichkeit haben will, Ausgaben anstelle zum PC zu schicken auf dem Steckbrett anzeigen zu lassen. Zum Anderen möchte ich schon lange eine Möglichkeit haben, ein Display an einen PC anzustöpsel und dieses ohne großen Aufwand zu betreiben. Speziell hier möchte ich eine Ausgabemöglichkeit auf ein Display haben, die von sehr kleinen ThinClients, die nur noch als Internetradio dienen, kommen. Jetzt habe ich das endlich mal gemacht. Also, was kann mein PicoMon? PicoMon empfängt auf der RxD-Leitung des USART Zeichen mit 4800 Bd im Protokoll 8N1. Eingehende Steuerzeichen werden interpretiert für - Linefeed - Carriage return - Tabulator - Backspace und vor allen Dingen ESC-Sequenzen - und einem zusätzlichen Gadget, welches einen "mißbrauchten" Steuercode 16 (0x10h) mißbraucht, um einen String, der eine Turtlegrafik beinhaltet darstellen zu könne. Die ESC-Sequenzen werden hinsichtlich der Farben so interpretiert, wie sie ein Linux-Terminal auch interpretieren würden. Ebson so wird die Cursorsteuerung interpretiert, so dass die Kontrolle wo und in welcher Farbe ein Text erscheinen soll gegeben ist. PicoMon unterstützt die Grafikcontroller ILI 9162, ili9163, ili9340, st7735 / st7735r, st7789, st9225 und s6d02a1 mit Pixelauflösung von 128x128, 160x80, 160x128 und 320x24 mit Schriftstilen in 4 unterschiedlichen Größen: 5x7, 8x8, 10x16 und 12x16 Pixeln. Aus der Kombination von unterschiedlichen Displayauflösungen und Schriftgrößen ergeben sich viele Kombination hinsichtlich der dargestellten Zeichen auf dem Display. Die Ausgabe der Zeichen kann waage- oder senkrecht erfolgen. Wird in der untersten Zeile ein Linefeed erzeugt, scrollt der Textinhalt nach oben und die unterste Zeile wird beschrieben. Hierfür ist ein Framebuffer notwendig, der alle eingehenden Zeichen zwischenspeichert (mit samt den Farbattributen) um diese bei Bedarf nach oben scrollen zu können. Hieraus ergibt sich die "Problematik", dass in Verbindung mit einem Display mit "vielen Pixeln" (für mich hat ein 320x240 Display viele Pixel) und einem sehr kleinen Schriftstil der RAM eines CH32V003 nicht ausreicht (das war dann der Grund, warum es das ganze jetzt für 2 Controller gibt: ein STM32F042 und STM32F070F6 haben grundsätzlich 6 kByte RAM und der ist immer ausreichend bei diesem Projekt). Die Funktionsweise ist wie so oft simpel, aber manches artet dann sogar in Arbeit aus: Der USART ist als Interrupt realisiert, der alle eingehenden Zeichen in einem Ringbuffer speichert (damit bei einem eventuellen zeitraubenden Scrollen kein Zeichen verloren geht). Diese Zeichen werden zuerst geparst und dann zum einem im Framebuffer und auf dem Display abgelegt. Das wars dann eigentlich auch schon. Wer so etwas brauchen kann, möge sich bedienen. Ich für mich werde wohl PCB's erstellen für 160x80, 160x128 und 320x240 Displays PicoMon kann von jedem Controller aus angesteuert werden, der einen Text mit einer Baudrate von 4800 Bd verschicken kann (also von allen, getestet habe ich das mit MCS-51, AVR, Padauk PFS154, STM8, STM32 und CH32V003). Zur Demonstration habe ich dem Archiv ein Demoprogramm für AVR ATmega mit eingepackt (bei mir ist das ein abgespeckter Arduino-Nano, dem die Chinesen damals den Mega328p entfernt und dafür einen Mega168 eingesetzt hatten... als das ganze noch inkl. Porto für 1,50€ zu haben war)
Ralph S. schrieb: > PicoMon kann von jedem Controller aus angesteuert werden, der einen Text > mit einer Baudrate von 4800 Bd verschicken kann Warum so ein ungebräuchlicher Wert? Nostalgie?
Ralph S. schrieb: > Wird in der untersten Zeile ein Linefeed erzeugt, scrollt der Textinhalt > nach oben und die unterste Zeile wird beschrieben. > > Hierfür ist ein Framebuffer notwendig, der alle eingehenden Zeichen > zwischenspeichert (mit samt den Farbattributen) um diese bei Bedarf nach > oben scrollen zu können. Geht das nicht einfacher, sehr viel schneller und ohne Framebuffer mit der integrierten Scrollfunktion, über die die meisten (oder sogar alle?) der von dir genannten TFT-Controller verfügen?
:
Bearbeitet durch Moderator
Yalu X. schrieb: > Geht das nicht einfacher, sehr viel schneller und ohne Framebuffer mit > der integrierten Scrollfunktion, über die die meisten (oder sogar alle?) > der von dir genannten TFT-Controller verfügen? Ich denke die haben alle eine Scrollfunktion ! Ich hatte mit den Scrollfunktionen von ein paar Displays experimentiert gehabt. Grundsätzlich hatte das auch funktioniert. Dann schließe ich ein augenscheinlich gleiches Display (mit gleichem Controller) an und es verschiebt mir aufgrund unterschiedlicher interner Adressbelegungen die Anzeige "unschön". Natürlich hast du recht, dass das dann viel schneller geht und grundsätzlich sollte ich mir Gedanken darüber machen, ob es so sinnvoll ist, eine .h / .c Kombination für viele Displays in einem verwalten zu wollen als für jedes Display eine eigene! Alleine die ST7735 Derivate bringen mich in ihrer Vielfalt manchmal zum "Verzweifeln". Es müßte (ich gebe zu es wäre besser) auch für jede Auflösung ein eigenständige Software gemacht werden (by the way: bis jetzt hat mir noch niemand sagen können, wie man eine .h / .c korrekt benennt. Entgegen der Aussage eines Herren hier, der mir beibringen wollte, was eine Library ist und diese eine .a Datei ist, die mittels -lfoo hinzugelingt wird und ich das doch nicht Library nennen soll, was ich auch nicht getan habe. Also, wenn hier jemand mitliest und die korrekte Bezeichnung weiß, bin ich gerne lernfähig und übernehme diese Bezeichnung). ST7735 Controller bedienen meines Wissens nach Auflösungen von 160x80 bis 320x240. Diesen "Wust" der Unterschiedlichkeit auseinander zu "klabustern" war / ist mir etwas zu aufwändig und deshalb habe ich keine interne Scrollfunktion genutzt. Hier fängt dann ein weiteres Problem mit meinem PicoMon an: Um nicht für jeden Displaycontroller den Ram-Bereich zu definieren in dem Zeichen ausgegeben wird (und der dann nur in seinem Bereich einmal adressiert werden muß), adressiere ich jeden einzelnen Pixel. Das alleine macht die Sache schon 3 mal langsamer als es sein könnte. Allerdings brauche ich für eine korrekte Darstellung dann aber nur Offsetadressen anzugeben um Unterschiedlichkeiten auszugleichen. Hinzu kommt, dass ich die Ausrichtung des Displays (horizontal, vertikal) in Software mache (ich weiß, auch hier gibt es interne Funktionen des Controllers). Würde ich die Ausrichtung dem Display überlassen, müßte ich zusätzlich auch die Init-Sequenz entsprechend für jede Ausrichtung anpassen. Und weil ich noch dazu kein DMA verwende, ist das Setzen eines Zeichens relativ langsam. Für eine Textausgabe jedoch schnell genug (sieht man vom Scrolling einmal ab). Der Framebuffer erschien mir die "einfachere" Lösung (wenn auch langsamer und schlechter im Sinne von schlechter). Oliver R. schrieb: >> PicoMon kann von jedem Controller aus angesteuert werden, der einen Text >> mit einer Baudrate von 4800 Bd verschicken kann > > Warum so ein ungebräuchlicher Wert? Nostalgie? Weil das ganze jetzt relativ langsam ist und der Eingangsbuffer des UARTS nicht überlaufen soll (er ist 256 Byte groß), dürfen die Zeichen nicht zu schnell eintreffen und von daher habe ich den Wert 4800 Baud gewählt. Yalu hat aber Recht mit seiner Aussage. Vielleicht sollte ich mich daransetzen und die ganze Steuerung des Displays komplett neu schreiben (in der Hoffnung das gut handhabbar gestalten zu können). Und vielleicht sollte ich mich nicht immer verzetteln und an einer "Geschichte" dran bleiben anstelle immer neue Baustellen aufzumachen. Bisher habe ich zu beschreibende Adressbereiche und Scrollarea immer nur für einen expliziten Anwendungsfall gemacht. Universell ist mir das bisher nicht geglückt! PicoMon ist für meine Zwecke ausreichend schnell und vor allen Dingen - aus meiner Sicht der Dinge - leicht und schnell anpassbar, aber wenn sich jemand die Muse macht und das besser gestaltet übernehme ich solche Dinge dann schon gerne.
Ralph S. schrieb: > Also beschlossen, den kleinen Monitor mit CH32 weiter zu führen. Allerdings gibt es einen großen Vorteil bei STM32: er hat mehr RAM. Mit dem ch32x033, 62k/20k flash/ram, 5V tolerant, tssop20, ... für 0.30€ hast du keine Sorgen mehr und lernst nebenbei den kleinen Bruder ch32v003, der für mich nur in sop8 Sinn macht, besser kennen. Autobaud Erkennung wäre auch wünschenswert ...
>Autobaud Erkennung wäre auch wünschenswert ...
und eine Oszilloskop-Funktion ..
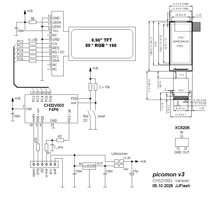
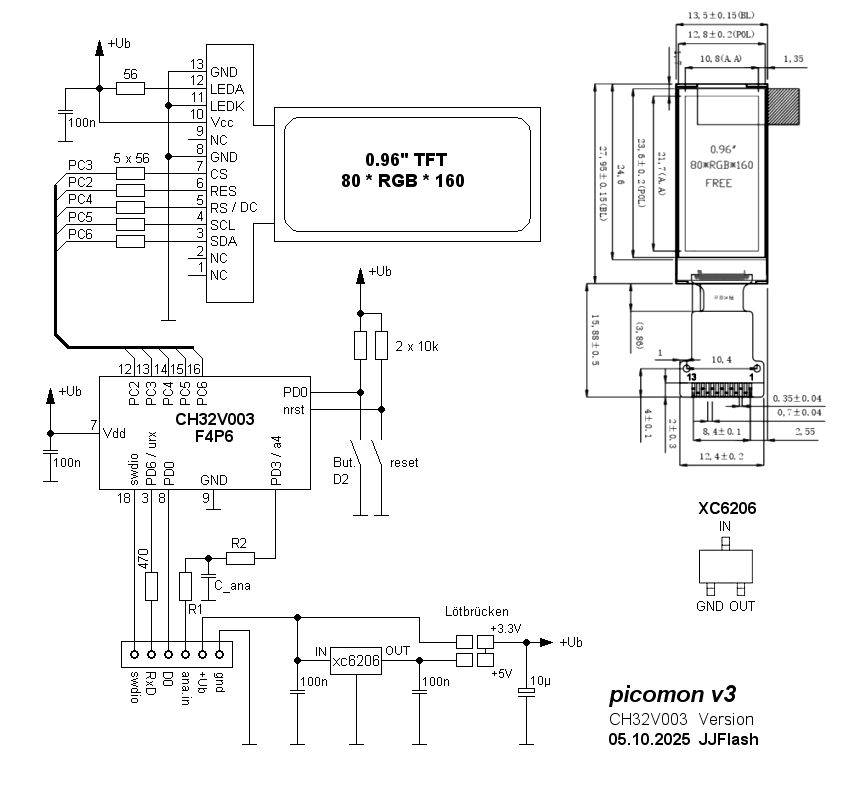
Ist schon ein halbes Jahr vergangen ? Okay, es gibt ein Update und eine Dokumentation ################################################### Vom PicoMon Terminal wurden ein paar Bugs entfernt und es gibt eine Erweiterung, allerdings nur für CH32V003. - Der Firmware wurde ein Frequenzzähler hinzugefügt - es wurde ein PCB erstellt für ein 160x80 TFT-Display Alles zusammen habe ich das in ein Archiv hier gepackt, nach wie vor beträgt die Baudrate des Terminals "nur" 4800 Bd, was für Textausgaben vollkommenausreichend ist. Der Frequenzzähler ist reziproke und funktioniert bis etwa 40 kHz (okay, das ist nicht wirklich viel, aber für die Projekte die ich machen will reicht das aus. Die Firmware hat für Verbesserungen noch viel Spielraum nach oben) Auch wenn es ein halbes Jahr her ist: Christoph M. schrieb: > und eine Oszilloskop-Funktion .. Daran werkel ich immer wieder einmal, hrmpf und möchte das auch haben. Allerdings habe ich Probleme mit einem Autotrigger. Auf der PCB habe ich einen Analogeingang nach außen geführt, der momentan noch ohne Funktion ist, zumindest eine Spannungsmessung möchte ich noch hinzufügen. Aus diesem Grund wird ein späteres analoges Signal über einen Spannungsteiler an den Pin des CH32V003 geführt. Die Funktionen Teminalprogramm und Frequenzzähler können mit der Taste auf dem PCB umgeschaltet werden. Im Archiv ist das Layout, Format Sprint Layout 6, und die Gerberfiles enthalten. Gerberfiles können so direkt zu jlcpcb.com geschickt werden. Auf der PCB sind 6 Stck. Terminals, 1 Stck. Superminiprogrammer (mit 8 pol. CH32V003J4M6) sowie eine "Arduino CH32V003 Nano - Platine" mit seriellem Bootloader enthalten (werde ich in der Dokumentation getrennt aufarbeiten) ################################################### Grundsätzlich bin ich von dem kleinen Dingelchen namens TFT-Display mit 160x80 Pixel fasziniert, auch was den Preis angeht. Vom Preis her noch mehr fasziniert bin ich über den Spannungsregler XC6206. Preise Stand 05.10.2025 Display: 1,37 € https://www.lcsc.com/product-detail/C18198246.html Spannungsregler: 1,05 cent https://www.lcsc.com/product-detail/C5252899.html
Bitte melde dich an um einen Beitrag zu schreiben. Anmeldung ist kostenlos und dauert nur eine Minute.
Bestehender Account
Schon ein Account bei Google/GoogleMail? Keine Anmeldung erforderlich!
Mit Google-Account einloggen
Mit Google-Account einloggen
Noch kein Account? Hier anmelden.



