Der Pool hat überlebt (wie schon viele Jahre), doch die Funksteckdose für die Pumpe ist "explodiert". Die Dose steckte den ganzen Winter in der Garage in der Dose, ein Kabel nach draußen war nicht angeschlossen. Gestern also die verlängerte Außensteckdose wieder eingeschaltet (wird in der Garage eingesteckt), doch Totenstille! Heute habe ich das Dingens mal geöffnet (ist ja eigentlich noch Garantie drauf) und untersucht. Oha, offensichtlich ist ein Varistor "abgeraucht" und hat den Sicherungswiderstand davor und die Leiterbahnzuleitung zu diesem mit in den den Tot gerissen. Den Elko habe ich zur Sicherheit mit gewechselt. Die eine Diode dahinter (Einweggleichrichtung) ist intakt, der Rest (so die Hoffnung) auch. Da ich heute eh zum Teile-Dealer (Segor Berlin) musste, gleich einen 10er Satz Widerstände, Varistoren und Elkos mitgenommen. Ich habe acht Stück dieser Dosen, Teile haben ist besser als suchen... Nachdem alles wieder verlötet war und auch die Leiterbahn geflickt, Power-ON! Ahhhh, sie tut wieder, auch aus dem Netz ist sie wie immer zu erreichen. Um die Werte der Teile zu sehen, habe ich eine zweite geöffnet, der Varistor sagt mir mit seiner Bezeichnung nichts. Ich habe jetzt beim Defektteil einen für 275V verbaut, das sollte gut hinkommen. Keines "Schmakerl" am Rande: Die PE-Leitung ist nur mit dünnem Draht (kein gelb-grün!) und winzigen Treibschrauben "verbunden". Naja, was man so im Amazoo angedreht bekommt (war nicht billig) Derzeit habe ich von den acht Dosen nur vier im Einsatz, bis auf die in der Garage, alle völlig fehlerfrei. Old-Papa
:
Verschoben durch Moderator
Old P. schrieb: > der Varistor sagt mir mit seiner Bezeichnung nichts. 561 ist 560V für 1mA, entspricht europäischem 350V~ Nennspannung, etwas grosszügig. https://www.sphere.bc.ca/oldsite/test/production-parts/avx-ve-vfm.pdf Deine 275V~ sind ok. 07 sind der Durchmesser, D für disc. https://dse-faq.elektronik-kompendium.de/dse-faq.htm#F.9.4.1 Es hat in eurer Nähe wohl mal ein Blitz eingeschlagen.
Varistor und Sicherung haben ihre Aufgabe bestens erfüllt. Am besten mal einen Überspannungsableiter in die Unterverteilungen einbauen lassen.
Flip B. schrieb: > Varistor und Sicherung haben ihre Aufgabe bestens erfüllt. Am besten mal > einen Überspannungsableiter in die Unterverteilungen einbauen lassen. Überspannungsableiter kann ja nie schaden, doch ich vermute, der Varistor hat wegen schlechter Qualität von sich aus aufgegeben. In der "Garage" (eigentlich mechanische Werkstatt) sind noch einige elektronische Geräte in Betrieb (z.B. ein kleiner FU, den ich immer vergesse auszuschalten, Totsteuerung, die ist auch immer an...), die sind alle ok. Und warum auch im Wohnhaus kein Problem, der Strom kommt ja von dort? Old-Papa
Old P. schrieb: > In der > "Garage" (eigentlich mechanische Werkstatt) sind noch einige > elektronische Geräte in Betrieb (z.B. ein kleiner FU, den ich immer > vergesse auszuschalten, Totsteuerung, die ist auch immer an...), die > sind alle ok. > Und warum auch im Wohnhaus kein Problem, der Strom kommt ja von dort? Hat dein Umrichter einen Netzfilter? Ansonsten haben vielleicht die Störungen die der Umrichter ins Netz ablässt zusammen mit der relativ hohen Netzimpedanz durch eine "längere" und nicht allzu dicke Zuleitung zur Garage den Varistor weich gekocht.
Udo S. schrieb: > > Hat dein Umrichter einen Netzfilter? Ansonsten haben vielleicht die > Störungen die der Umrichter ins Netz ablässt zusammen mit der relativ > hohen Netzimpedanz durch eine "längere" und nicht allzu dicke Zuleitung > zur Garage den Varistor weich gekocht. Nö, derzeit betreibe ich alle FUs ohne Filter, doch den ganzen Winter über war keine Maschine an, bzw. nur Minutenweise um "mal schnell" was zu machen. Eine zweite Dose im Nebenraum (die ich zum Nachschauen auch geöffnet hatte, s. Fotos), ist fehlerfrei. Naja, das wird wohl ein Rätsel bleiben, mein Tipp ist noch immer der VDR selber. Die Zuleitung direkt aus der Hauptleitung vom Haus geht mit etwa 4x25qmm (ist 40 Jahre her) über etwa 10m in der Erde. Old-Papa
:
Bearbeitet durch User
Old P. schrieb: > mein Tipp ist noch immer der VDR selber. VDR altern durch wiederholte Belastung, daher wünscht man heutem eine Temperatursicherung (z.B. 98 GradC per Schrumpfschlauch mit Wärmeleitsilikon drangepappt) zum Schutz vor Brand. Könntest du ja nachrüsten. https://dse-faq.elektronik-kompendium.de/dse-faq.htm#F.9.4.1
:
Bearbeitet durch User
wie sind denn die Bedingungen in der Garage? Ungeheizt im Winter?
.● Des|ntegrator ●. schrieb: > wie sind denn die Bedingungen in der Garage? > Ungeheizt im Winter? Ungeheizt, nur wenn ich darin arbeite, wird geheizt. Doch das nur im jeweils benutzen Raum und nur in einem ist das Dingens fritte. Wobei diese WLAN-Steckdosen ja selber heizen, da nie wirklich ausgeschaltet. Die Last wird per Relais abgeschaltet, der Rest kullert ja 24/7 weiter und sorgt schon durch die geringe Eigenerwärmung für Trockenheit im Inneren. Ich hatte allerding vor Monaten, bei Experimenten mit einer Punkschweißzange (Parkside) einen Sicherungsfall in der Hauptsicherung zum Nebengelass (3x25A Diazet, jetzt 3x35A), was ich aber auf den Punkter schob. Doch dieses Funkmöppel kann das eigentlich nicht sein, da ja ein Si-Widerstand von 10 Ohm vor dem VDR in Reihe liegt und diese Diazet seeeehr gutmütig sind. Alles merkwürdig. Mal sehen wann die nächste Dose in die Dutten geht... Old-Papa
Michael B. schrieb: > VDR altern durch wiederholte Belastung, daher wünscht man heutem eine > Temperatursicherung (z.B. 98 GradC per Schrumpfschlauch mit > Wärmeleitsilikon drangepappt) zum Schutz vor Brand. Das mit nachrüsten wird vom Platz her knapp, wenn, dann müssten das sehr kleine Temperatursicherungen sein. Das die Teile altern ist bekannt, doch diese Dosen habe ich am 24.3.2024 gekauft und ein paar Tage später installiert. Das "Alter" ist also noch jung... ;-) Auf dem Dachboden schaltet mir eine täglich um ca. 0.45 Uhr eine meinen "Server" ab (der fährt vorher um 0.30 Uhr runter) und um 9.00 Uhr wieder ein. Das Ding hat also schon über 365 Schaltspiele durch, völlig unauffällig. Diese "Pool-Dose" wurde letzten Sommer geschätzt nur max. 50x geschaltet... Old-Papa
:
Bearbeitet durch User
Von meinen Shellys ist mir noch keines explodiert.
Ben B. schrieb: > Von meinen Shellys ist mir noch keines explodiert. Die Dinger sind ja fast identisch, allerdings laut YT ist das Shelly-Zeugs auch nicht unumstritten. Übrigens: Der "Server" auf dem Dachboden hat Schaltnetzteil, die Poolpumpe einen 230V Asynchronmotor (mit Anlaufkondensator). Vielleicht hat das ja Auswirkungen. Old-Papa
Old P. schrieb: > Das Ding hat also schon über 365 Schaltspiele durch, völlig unauffällig. > Diese "Pool-Dose" wurde letzten Sommer geschätzt nur max. 50x > geschaltet... Sitzt der VDR am geschalteten Ausgang?
Old P. schrieb: > Keines "Schmakerl" am Rande: Die PE-Leitung ist nur mit dünnem Draht > (kein gelb-grün!) und winzigen Treibschrauben "verbunden". Der Draht muss nur länger überleben als die Sicherung. Seit dem 1. Dezember 1965 darf ein grün-gelber Draht nur als Schutzleiter (bzw. auch als PEN) und für nichts anderes sonst verwendet werden. Wo steht, dass andere Farben nicht für PE verwendet werden dürfen?
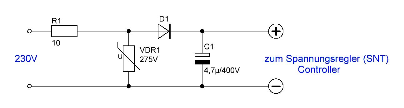
Udo S. schrieb: > Sitzt der VDR am geschalteten Ausgang? Nö, nur an der Versorgung der Controllerschaltung. Wäre auch komisch, wenn in der Lastleitung ein 10 Ohm (der ja davor sitzt, schrieb ich schon) liegen würde. Der Lastkreis ist extra abgesichert, hat aber keinen VDR. S. Schaltung.... ----------------------------- Rainer W. schrieb: > Der Draht muss nur länger überleben als die Sicherung. Naja, das Dingens ist mit rund 3500W angegeben (würde ich nie anlegen), was rund 15A macht. Der Draht (geschätzt 0,5qmm) würde vielleicht überleben, doch die beiden Kabelschuhe von nur 2mm innen nebst den winzigen Treibschrauben, würden wohl verdampfen. > Seit dem 1. Dezember 1965 darf ein grün-gelber Draht nur als > Schutzleiter (bzw. auch als PEN) und für nichts anderes sonst verwendet > werden. > Wo steht, dass andere Farben nicht für PE verwendet werden dürfen? Oups, ich hatte mal gelernt: PE(N) nur mit gelb-Grün! Ich handhabe das auch so seit ich PE kenne. Das dürfte auch nicht falsch sein. Old-papa
:
Bearbeitet durch User
Old P. schrieb: > Nö, nur an der Versorgung der Controllerschaltung. Eben Du bist auf dem Holzpfad wenn du meinst nur das angeschlossene und geschaltete Gerät würden den VDR altern lassen. Der kann genauso kaputt gehen wenn die Dose eingesteckt ist und gar nichts tut. Er kriegt nämlich jede Störspitze aus deinem Garagennetz ab. Die Aussage: Old P. schrieb: > Das Ding hat also schon über 365 Schaltspiele durch, völlig unauffällig. > Diese "Pool-Dose" wurde letzten Sommer geschätzt nur max. 50x > geschaltet... ist völlig belanglos, außer das geschaltete Gerät würde massiv auf das Stromnetz zurückwirken. Wie gesagt, ich tippe eher auf Störungen in deinem Garagenstromnetz durch Maschinen, den Umrichter oder eben solche Experimente Old P. schrieb: > Ich hatte allerding vor Monaten, bei Experimenten mit einer > Punkschweißzange
Old P. schrieb: > Naja, das Dingens ist mit rund 3500W angegeben (würde ich nie anlegen), > was rund 15A macht. Der Draht (geschätzt 0,5qmm) würde vielleicht > überleben, doch die beiden Kabelschuhe von nur 2mm innen nebst den > winzigen Treibschrauben, würden wohl verdampfen. Wenn du das weißt, dann solltest du die Geräte nicht mehr benutzen.
Balkonkraftwerk mit irgend einem Billig-Wechselrichter dran? Dann zieh das Ding mal bei voller Leistung aus der Dose, so daß das Balkonkraftwerk mit der schaltbaren Steckdose verbunden bleibt. Das Überleben der Steckdose zeigt dann, daß der Wechselrichter doch gar nicht so schlecht ist - andernfalls ist sie hin.
Old P. schrieb: > Die Zuleitung direkt aus der Hauptleitung vom Haus geht mit etwa 4x25qmm > (ist 40 Jahre her) über etwa 10m in der Erde. L1/2/3 und N? Und dann ein separater Erder? Was passiert denn dann, wenn dort Spannungstrichter durch Blitze auftreten? Fließen dann Ausgleichsströme über N zwischen den zwei Erdpotentialen? Ich frage, weil alle Edelstahllampen meiner Wegbeleuchtung einen PE-Anschluß haben und zusätzlich die Füße der Lampen elektrisch leitend (also erdend) auf kleinen Betonfundamenten verschraubt sind, und ich mich schon lange frage, ob das so schlau ist ... LG, Sebastian
Oha, viele Antworten/Fragen... ---------------------------------------- Udo S. schrieb: > Eben > > Du bist auf dem Holzpfad wenn du meinst nur das angeschlossene und > geschaltete Gerät würden den VDR altern lassen. Das hatte ich nie behauptet, ich hatte nur erwähnt, dass eben nichts angeschlossen ist. Hätte ja draußen direkt in die Pumpe oder Pool ein Blitz geswitcht sein können und über das eingesteckte Kabel in den VDR. Also, dass kann ich ausschließen (nur darum schrieb ich das) > Der kann genauso kaputt gehen wenn die Dose eingesteckt ist und gar > nichts tut. > Er kriegt nämlich jede Störspitze aus deinem Garagennetz ab. Ja, das ist mir klar. Doch warum nur einer bei mehreren eingesteckten Dosen....? > ist völlig belanglos, außer das geschaltete Gerät würde massiv auf das > Stromnetz zurückwirken. Ich halte einen ca. 400W Asynchronmotor noch für sehr störarm. > Wie gesagt, ich tippe eher auf Störungen in deinem Garagenstromnetz > durch Maschinen, den Umrichter oder eben solche Experimente Bleibt noch immer die Frage, warum nur ein VDR und nicht zumindest ein weiterer in der unmittelbaern Umgebung. ----------------------------- Udo S. schrieb: > Wenn du das weißt, dann solltest du die Geräte nicht mehr benutzen. Warum? Wenn ich bis (derzeit) max. 400W anstöpsel, bin ich im grünen Bereich. ------------------------------ Ben B. schrieb: > Balkonkraftwerk mit irgend einem Billig-Wechselrichter dran? Dann zieh > das Ding mal bei voller Leistung aus der Dose, so daß das > Balkonkraftwerk mit der schaltbaren Steckdose verbunden bleibt. Das > Überleben der Steckdose zeigt dann, daß der Wechselrichter doch gar > nicht so schlecht ist - andernfalls ist sie hin. Wie kommst Du auf Balkonkraftwerk, wo hatte ich davon geschrieben? Nein, sowas habe ich nicht. ----------------------------------- Sebastian W. schrieb: > L1/2/3 und N? Und dann ein separater Erder? Was passiert denn dann, wenn > dort Spannungstrichter durch Blitze auftreten? Fließen dann > Ausgleichsströme über N zwischen den zwei Erdpotentialen? Nö, keine separate Erdung! Geerdet direkt am Hausanschluss vom EVU. Aaaaber: Jetzt wo Du das schreibst, die Poolpumpe ist ja über das Wasser und der immer feuchten Umgebung wo sie steht, zumindest auch halbwegs mit Erde und eben über PE(N) verbunden. Das wäre eine Erklärung, warum nur diese Dose.... > Ich frage, weil alle Edelstahllampen meiner Wegbeleuchtung einen > PE-Anschluß haben und zusätzlich die Füße der Lampen elektrisch leitend > (also erdend) auf kleinen Betonfundamenten verschraubt sind, und ich > mich schon lange frage, ob das so schlau ist ... Wenn da Blitze einschlagen, hast Du wohl andere Probleme.... Ich habe so ähnliche Dingers auch (besser: hat meine Frau gekauft), die kullern aber mit Solar und Akkus. Old-Papa
:
Bearbeitet durch User
Bitte melde dich an um einen Beitrag zu schreiben. Anmeldung ist kostenlos und dauert nur eine Minute.
Bestehender Account
Schon ein Account bei Google/GoogleMail? Keine Anmeldung erforderlich!
Mit Google-Account einloggen
Mit Google-Account einloggen
Noch kein Account? Hier anmelden.







