Hallo! Wir wollen einen DC/DC Converter in einer stationären Anwendung integrieren und haben die abgestrahlte Störaussendung gemessen. Hier die Daten: Eingang: 30..50VDC Ausgang 24VDC Last sowie 3,3V und 12VDC (Signal) Alugehäuse Testbedingungen: 36V Batterieversorgung, 2 Ohm Leistungswiderstand am Ausgang. Ziel: Zertifizierung nach EN 55014 Anbei die Messkurven aus einem EMV-Labor. Die grüne Kurve ist vom 'ungestörten' Raum. Dann ohne und mit Last. Wir kommen bei verschiedenen Frequenzen sehr nah an die Normgrenze. Wir haben die Ein- und Ausgangsleitungen in Ferritkernen testweise durchgeführt und konnten leichte Verbesserungen sehen. Nun wollen wir Eingang- und Ausgangfilter (Kondensator + Ferrit Beads) an den vier Anschlüssen einbauen und jeweils die Auswirkung testen. Frage 1: ist die Störungskurve unter Null-Last normal (nur Step-down Converter für 3,3 und 12V aktiv)? Frage 2: wie legt man den Filter aus? und welche Werte für die Kapazitäten würdet ihr einbauen? danke vorab!
Hi, Würth Elektronik hatte mal ein super Webinar dazu, aber leider finde ich es nicht mehr. Auf deren Seite findet man aber noch die Application Note 005 dazu: https://www.we-online.com/de/support/wissen/application-notes?d=anp005-emv-filter-fur-dcdc-schaltregler Vielleicht hilft das etwas.
Ben schrieb: > Wir kommen bei verschiedenen Frequenzen sehr nah an die Normgrenze. Bis auf den 200MHz Peak sind doch überall >10dB Abstand. Wie gut soll es werden? Im betroffenen Frequenzbereich können sich zwei wertegleiche Kondensatoren verschiedener Bauart unterschiedlich verhalten. Auch einige mm Leiterbahn können alles ändern. Da hilft nur ausprobieren. Wenn Zu- und Ableitung schon gefiltert sind, bringt wahrscheinlich nur ein geschlossenes Metallgehäuse mit Durchführungskondensatoren eine deutliche Verbesserung gegen Abstrahlung.
:
Bearbeitet durch User
Sieht für mich auch durchaus normal aus. Die Störungen sind vmtl Gleichtaktstörungen, in dem Fall sind die üblichen CLC-Filter eher wirkungslos. Ich würde mal die Sekundärleitungen bündeln und durch einen gemeinsamen Dämpfungsferrit (Klappferrit) mit möglichst hoher Impedanz ziehen.
Anstatt Ferrite und Filter reinzuwerfen, wäre es lohnenswert, herauszufinden wo die Emissionen entstehen und da entgegenzuwirken, sofern die Schaltung noch angepasst werden kann.
Erstmal solltest du identifizieren was für Störungen es sind. Differential oder Common Mode oder ein Spektrum aus beidem, meistens dominiert eins von beidem. Bei Schaltapplikationen wie deinem Wandler sind es i.d.R. common mode Störungen. Hier hilft meistens eine entsprechend dimensionierte Common Mode Choke. Es gibt sehr gute Application notes von coilcraft und wie schon erwähnt von WE.
Wird das durch die Anschlußleitungen abgestrahlt, oder durch die Platine selbst? Nur wenn es durch die Kabel abgestrahlt wird, wird ein Filter an den Anschlüssen etwas bringen. Für meinen Geschmack ist das schon etwas viel Pegel ohne Last, ist aber noch ok. Unter Last klingelt wohl einer der FETs im DC/DC, das kann schon mal bei 200 MHz und mehr sichtbar sein. Das kann z.B. am Layout liegen, an ungünstig gewähltem FET und lässt sich mit einem Snubber zumindest verbessern. Außerdem scheint die Schaltfrequenz sichtbar zu sein. Wie sehen denn die leitungsgeführten Aussendungen aus? Ist da auch die Schaltfrequenz deutlich sichtbar?
Res schrieb: > Anstatt Ferrite und Filter reinzuwerfen, wäre es lohnenswert, > herauszufinden wo die Emissionen entstehen und da entgegenzuwirken, > sofern die Schaltung noch angepasst werden kann. Und, hast Du das schon mal erfolgreich durch gespielt?
Danke schonmal für die Reaktionen! Wolf17 schrieb: > Bis auf den 200MHz Peak sind doch überall >10dB Abstand. Wie gut soll es > werden? ja aber das ist auch nur ein punktueller Test. Das Gerät wird später im EMV-Raum 360° gedreht, und da will ich etwas Reserve >15dB haben. Wolf17 schrieb: > ein geschlossenes Metallgehäuse mit Durchführungskondensatoren was ist mit Durchführungskondensatoren gemeint? Link? Vorname N. schrieb: > Hier hilft meistens eine entsprechend dimensionierte Common Mode Choke. ich bevorzuge aufgrund des niedrigen DC-Widerstands ein Ferrit Bead als eine Drossel. In der Anwendung geht der Strom bis 14A und ich möchte keine unnötigen Abwärme produzieren. Konkret überlege ich 710-74279392 von WE einzusetzen. Omega G. schrieb: > Wird das durch die Anschlußleitungen abgestrahlt, oder durch die Platine > selbst? Wahrscheinlich durch die Leitungen. Wir haben das Gehäuse im geöffneten Zustand gemessen und keine nennenswerten anderen Spikes gemessen Omega G. schrieb: > Unter Last klingelt wohl einer der FETs im DC/DC, das kann schon mal bei > 200 MHz und mehr sichtbar sein. Das kann z.B. am Layout liegen, an > ungünstig gewähltem FET und lässt sich mit einem Snubber zumindest > verbessern. > Außerdem scheint die Schaltfrequenz sichtbar zu sein. > > Wie sehen denn die leitungsgeführten Aussendungen aus? Ist da auch die > Schaltfrequenz deutlich sichtbar? ich glaube nicht. Wir haben separat die Spannung am Schalt-FET gemessen. Verlauf angehängt und sieht für mich ohne Überschwinger aus. die Schaltfrequenz ist deutlich unter 200MHz. Wir haben keine leitungsgeführten Aussendungen gemessen. Jobst M. schrieb: > Spread Spectrum wird schon genutzt? Nein. wie geht das? Link?
:
Bearbeitet durch User
Ben schrieb: >> ein geschlossenes Metallgehäuse mit Durchführungskondensatoren > was ist mit Durchführungskondensatoren gemeint? Link? https://de.wikipedia.org/wiki/Durchf%C3%BChrungskondensator https://telemeter.info/de/mwdownloads/download/link/id/789 https://stecker-shop.net/epages/27edac8b-bca1-4619-a0d8-f53e62f2ef2c.sf/de_DE/?ObjectPath=/Shops/27edac8b-bca1-4619-a0d8-f53e62f2ef2c/Products/09231-50 https://elw-elektronik.com/Produkte/Passive-Bauelemente/Kondensatoren/Durchfuehrungskondensator Man baut die zu untersuchende Baugruppe testweise in ein zugelötetes Weißblechgehäuse mit Durchführungskondensatoren ein. Sind die Peaks im Meßdiagramm dann nicht weg, ist klar, dass die Abstrahlung von den Leitungen ausgeht und nicht direkt von der Baugruppe. Vor den weiteren Messungen ergänzt man vor und hinter den Durchführungen zuerst Ferritperlen, dann kleine Drosseln. Die Resonanzfrequenz der eingesetzten Bauteile muss über der Störfrequenz liegen, sonst haben sie wenig Wirkung.
Ben schrieb: >> Spread Spectrum wird schon genutzt? > Nein. wie geht das? Link? Der Steuerchip jittert die Schaltfrequenz über einen gewissen Bereich, Störpeaks werden "verschmiert" und fallen im Diagramm dadurch niedriger aus. https://de.wikipedia.org/wiki/Spread_Spectrum_Clocking
Wolf17 schrieb: > Die Resonanzfrequenz der eingesetzten Bauteile muss über der > Störfrequenz liegen, sonst haben sie wenig Wirkung. ich dachte, die Resonanzfrequenz des Filters (~Cut-off-Frequenz) soll unterhalb der Störfrequenz (40..200MHz) liegen. es ist doch ein Tiefpass-Filter, oder?
:
Bearbeitet durch User
Ben schrieb: >> Die Resonanzfrequenz der eingesetzten Bauteile muss über der >> Störfrequenz liegen, sonst haben sie wenig Wirkung. > ich dachte, die Resonanzfrequenz des Filters (~Cut-off-Frequenz) soll > unterhalb der Störfrequenz (40..200MHz) liegen. Es geht um die einzelnen Eigenschaften der eingesetzten Bauteile. Eine Spule hat eine bauartabhängige parasitäre innere Kapazität, ein Kondensator eine parasitäre Induktivität. Daraus ergibt sich eine (Resonanz)Frequenz, oberhalb deren die primären Bauteileigenschaften immer schlechter werden. Beitrag "Resonanzfrequenz Kondensatoren berechnen (parasitäre Eigenschaften)" Hat z.B. eine Spule ihre Resonanz bei 20MHz, wird sie bei 100MHz schlechter dämpfen wie bei 10MHz, weil die Störung bei 100MHz schon vermehrt durch die parasitäre Kapazität passiert.
Ben schrieb: > Das Gerät wird später im EMV-Raum 360° gedreht, und da will ich etwas > Reserve >15dB haben. Ein Faktor 32 als Reserve ist schon Luxus.
Evtl. könnte eine Ferritperle am Gate vom FET helfen. Dazu gab es mal was von Würth (ask Lorandt).
Daniel F. schrieb: > Würth Elektronik hatte mal ein super Webinar dazu, aber leider finde ich > es nicht mehr. Der Link heißt:"Würth Elektronik Webinar EMV mit LT Spice antizipieren - YouTube" https://www.youtube.com/watch?v=65LaZaeGkc8 Der Vortrag ist wirklich gut und geht auch ziemlich tief in die Materie hinhein. Es gibt dazu noch eine ZIP-Datei als Zugabe. EMV & LT-Spice.zip Den Hinweis auf die Unterlagen des Webinars sieht man wenn man die Seite aufklappt. Link und Passwort hat Würth freundlicher Weise hier auch angegeben. Man kann dann die Störausstrahlung mit den zuässigen Grenzwerten selber simulieren. Ich hätte das Diagramm mal gerne mit einer Labormessung verglichen. Ich hatte damals sogar auch einen kurzen aufschlussreichen Mailverkehr. Würth ist einfach toll! Eine echte Fundgrube. mfg Klaus
Ben schrieb: > Frage 2: wie legt man den Filter aus? und welche Werte für die > Kapazitäten würdet ihr einbauen? Da ist Würth auch Dein Freund. Würth hat die passenden Induktivitäten und Kondensatoren und alle mit Spice - Modellen! Seit einigen Jahren gibt es für die Kerkos auch Bias - Modelle die den spannungsabhängigen Kapazitätsverlust direkt in der Simulation berücksichtigen. Mit den idealen Modellen kommst Du da nicht weit, sie zeigen Dir nicht die Realität. Ist es Dir bekannt das nach der Eigenresonanz ein Kondensator induktiv agiert und die Induktivität kapazitive Eigenschaften annimmt? Erst dann macht ein Filter so richtig Spass. Würth bietet noch eine weitere grosse Hilfe: REDEXPERT. https://redexpert.we-online.com/we-redexpert/en/#/home Log Dich ein und Du findest was Du suchst. Z.B. ein EMI Filter Designer oder eine Unterstützung bei der Dimensionierung der Filter. Ausserdem wird Dir über RedExpert die Auswahl von Kondensatoren und Induktivitäten sehr erleichtert. Es werden Dir Diagramme der Bauteile gezeigt. Man kann dann auch mehrere Verläufe übereinanderlegen. Genau dies braucht der Ingenieur. mfg Klaus
Wolf17 schrieb: > Ben schrieb: >>> Die Resonanzfrequenz der eingesetzten Bauteile muss über der >>> Störfrequenz liegen, sonst haben sie wenig Wirkung. >> ich dachte, die Resonanzfrequenz des Filters (~Cut-off-Frequenz) soll >> unterhalb der Störfrequenz (40..200MHz) liegen. > Es geht um die einzelnen Eigenschaften der eingesetzten Bauteile. > Eine Spule hat eine bauartabhängige parasitäre innere Kapazität, ein > Kondensator eine parasitäre Induktivität. Daraus ergibt sich eine > (Resonanz)Frequenz, oberhalb deren die primären Bauteileigenschaften > immer schlechter werden. > Beitrag "Resonanzfrequenz Kondensatoren berechnen (parasitäre Eigenschaften)" > Hat z.B. eine Spule ihre Resonanz bei 20MHz, wird sie bei 100MHz > schlechter dämpfen wie bei 10MHz, weil die Störung bei 100MHz schon > vermehrt durch die parasitäre Kapazität passiert. Ja, das ist genau das Thema insbesondere bei Schaltnetzteilen. Rechnen ist gut, aber es gibt ja auch schon länger LTspice. Man läßt heute rechnen und Würth liefert dazu auch reale Spice Modelle. Würth ist übrigens schon langjähriger Unterstützer von LTspice. Wer mit diesen Themen zu tun hat, der simuliert auch. mfg Klaus
Gibt es keine Reaktionen? Wurde alles gesagt? mfg Klaus
Danke für die Vorschläge! ich schaue mir das Video und die anderen Unterlagen am WE an. ich werde wahrscheinlich die Platine nicht nachsimulieren können. es wäre super, wenn ich den Frequenzgang der Störungen in LTSpice einfügen kann und darauf basierend den Filter rechnen lasse. Sowie beim Reglerentwurf.. Die Regelstrecke als Blac- bzw. Greykbox nachbilden und den geeigneten Regler darauf tunen. Die Schaltflanken (Anhang) sind m.E. langsam genug und können nicht der Grund für die Störung sein oder?
:
Bearbeitet durch User
Ben schrieb: > Die Schaltflanken (Anhang) sind m.E. langsam genug und können nicht der > Grund für die Störung sein oder? Die Schaltflanken selber sind nur indirekt das Problem. Was besonders strahlt sind die Stromschleifen. Die sollten möglichst kurz sein. Wenn Dir mehr als zwei Layer zur Verfügung stehen, dann ist es auch sinnvoll solche Scheifen im Sandwich zwischen z.B. GND verpackt zu führen. https://www.elektroniknet.de/e-mechanik-passive/passive/so-geht-emv-gerechtes-leiterplattenlayout.191213.html#gallery-1 mfg Klaus
Ben schrieb: > es > wäre super, wenn ich den Frequenzgang der Störungen in LTSpice einfügen > kann und darauf basierend den Filter rechnen lasse. Klar. Du hast ja auch ein Messprotokoll. Wenn die Strahlung über die Stromzuführung emittiert wird dann hilft ein Eingangsfilter. Ich hatte ja schon auf die Würth Tools von RedExpert hingewiesen. Hiermit findet man meist zügig eine Basis, die man danach mit LTspice optimieren kann. Du scheinst generell bis 200 MHz Probleme zu haben. Ich würde zunächst einen Bead wählen der etwas unterhalb von 200 MHz das Maximum hat. Dann muß man sich Kerkos mit passenden Resonanzfrequenzen aussuchen. Die sollen parallelgeschaltet nacheinnander möglichst für eine gute Dämpfung des Bereich sorgen. Mit drei Kerkos kann man schon 10 MHz bis 100 Mhz gut abdecken. Aber, man muß unbedingt reale Modelle für Kerkos und Beads verwenden. Die idealen Modelle sind dafür nicht geeignet! Noch eins. Alles was nicht NPO oder C0G ist hat eine spannungsabhängige Kapazität. Würth bietet auch seit ca. 2017 sogenannte BIAS - Modelle an. Die berücksichtigen in der Simulation auch die Spannungen. mfg Klaus
Bei U_GS fällt das kleine Zucken nach unten bei der steigenden Flanke auf. Das könnte darauf hindeuten, dass die Sperrschichtkapazität einen Schwingkreis bildet. Genau dagegen würde eine Ferritperle am Gate helfen. Würth hat einen guten Service, vielleicht kann ein FAE von denen auch weiterhelfen und Muster bekommt man da auch sehr gut.
Erik schrieb: > Bei U_GS fällt das kleine Zucken nach unten bei der steigenden Flanke > auf. > Das könnte darauf hindeuten, dass die Sperrschichtkapazität einen > Schwingkreis bildet. Genau dagegen würde eine Ferritperle am Gate > helfen. > > Würth hat einen guten Service, vielleicht kann ein FAE von denen auch > weiterhelfen und Muster bekommt man da auch sehr gut. danke! ich probier´s im nächsten Design aus
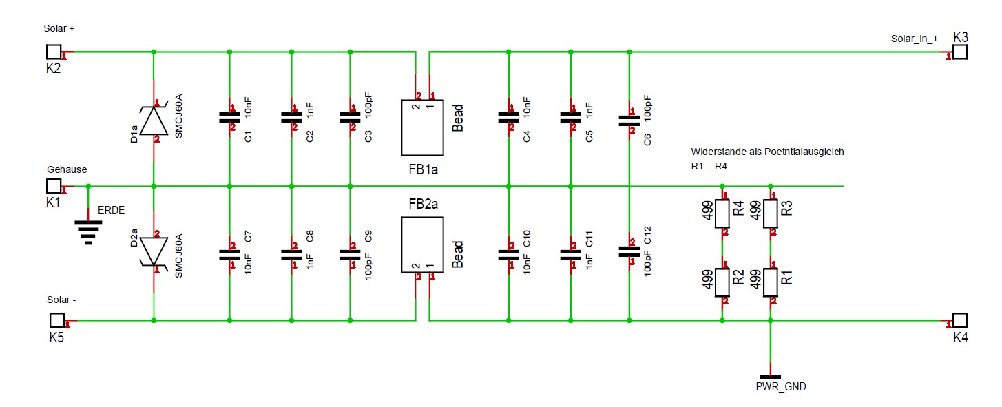
Klaus R. schrieb: > Ich würde zunächst einen Bead wählen der etwas unterhalb von 200 MHz das > Maximum hat. Dann muß man sich Kerkos mit passenden Resonanzfrequenzen > aussuchen. Die sollen parallelgeschaltet nacheinnander möglichst für > eine gute Dämpfung des Bereich sorgen. Mit drei Kerkos kann man schon 10 > MHz bis 100 Mhz gut abdecken. ich überlege, die Störungen eingangsseitig auf Erde abzuleiten. Als Bead verwende ich -wie oben erwähnt- den 710-74279392 von W-E. Blitz- bzw. Überspannungsschutz da Solarversorgung vom Dach. Ich habe nun einen Ansprechpartner bei Würth und werde nächste Woche nachhacken. Die Werte der Kapazitäten stehen noch nicht fest. Gerne lese ich eure Kommentare zum Filter im Anhang..
:
Bearbeitet durch User
Ben schrieb: > Als Bead > verwende ich -wie oben erwähnt- den 710-74279392 von W-E. > Blitz- bzw. Überspannungsschutz da Solarversorgung vom Dach. Also, Dein Schaltnetzteil wird von einer PV-Anlage gespeist. Die TVS - Dioden haben aber einen Spannungsdurchbruch bei ca. 66 V. Der Bead von Würth ist für bis zu 18 A spezifiziert und hat 900 µOhm Gleichstromwiderstand. Bei 200 MHz hat der Bead eine Impedanz von 115 Ohm. Für diese Stromstärke vermutlich ein guter Wert. Das Filter ist aber nicht ein Produkt von Würth? Ich weiß jetzt nicht was im Labor genau gemessen wurde. Wenn ich sehe das die Stromzuführung von einer PV - Anlage her kommt, dann sehe ich sofort vor meinem geseitigen Auge zwei sehr lange Antennenleitungen. Würth empfiehlt in diesem Fall zunächst Gleichtaktdrosseln. https://www.mouser.de/c/passive-components/inductors-chokes-coils/common-mode-chokes-filters/?m=Wurth%20Elektronik&maximum%20dc%20current=18%20A Ich habe mal ein Datenblatt herausgesucht. https://www.we-online.com/components/products/datasheet/7448041801.pdf Auf Seite 2 sieht man den Verlauf der Impedanz. Das Maximum liegt bei 20 MHz und bei 200 MHz haben wir noch ca. 400 Ohm, Gleichtakt - Impedanz. Die Gegentakt - Impedanz hat bei 300 MHz das Maximum. Das könnte schon gut passen. Würth liefert für die Gleichtaktdrosseln auch Simulationsmodelle, insbesondere für LTspice. Siehe Produktseite. https://www.we-online.com/en/components/products/WE-CMBNC Der von mir empfohlene YouTube Beitrag von Würth geht insbesondere auf Gleich- und Gegentaktstörungen ein. Wie gesagt, ein interessantes Thema. Klaus R. schrieb: > Daniel F. schrieb: >> Würth Elektronik hatte mal ein super Webinar dazu, aber leider finde ich >> es nicht mehr. > > Der Link heißt:"Würth Elektronik Webinar EMV mit LT Spice antizipieren - > YouTube" > https://www.youtube.com/watch?v=65LaZaeGkc8 Ben schrieb: > Ich habe nun einen Ansprechpartner bei Würth und werde nächste Woche > nachhaken. Das kann ich nur empfehlen. Bereite Dich gut vor und schildere Deine Situation. Für mich war es z.B. heute sehr wichtig zu hören, daß es um die Einspeisung von einer PV-Anlage geht. Weitere Details zum Schaltnetz-IC wirst Du hier im Forum wohl nicht teilen wollen. Es gibt heutzutage Silent Switcher® Architekturen mit Ultralow EMI Emissionen. Ferner Modi wie Burst and Pulse Skipping. Ich gehe davon aus das Du da up to date bist. mfg Klaus
Klaus R. schrieb: > Das Filter ist aber nicht ein Produkt von Würth? Nein das ist Selbstbau. Klaus R. schrieb: > Ich habe mal ein Datenblatt herausgesucht. > > https://www.we-online.com/components/products/datasheet/7448041801.pdf DC Widerstand 3,5x höher als Bead, also mehr Abwärme. Vorteil der Drossel ist wahrscheinlich, dass sie die Abwärme mehr in die Luft (zum Gehäuse) abgibt und nicht direkt in die Platine. Nachteil ist der Bauraum natürlich. Klaus R. schrieb: > Ich weiß jetzt nicht was im Labor genau gemessen wurde. Wenn ich sehe > das die Stromzuführung von einer PV - Anlage her kommt, dann sehe ich > sofort vor meinem geseitigen Auge zwei sehr lange Antennenleitungen. wir hatten eine Batterieversorgung (wie oben beschrieben) Klaus R. schrieb: > Ich > gehe davon aus das Du da up to date bist. sicher nicht auf Deinem Stand. Danke für die Tipps!
Bitte melde dich an um einen Beitrag zu schreiben. Anmeldung ist kostenlos und dauert nur eine Minute.
Bestehender Account
Schon ein Account bei Google/GoogleMail? Keine Anmeldung erforderlich!
Mit Google-Account einloggen
Mit Google-Account einloggen
Noch kein Account? Hier anmelden.







