Hallo Zusammen! Ich habe vor bei meinen DJ Mixer Projekt die Endstufe vom Urei 1620 zu übernehmen... Was haltet ihr vor der Schaltung? gibt es was zu verbessern? (Zu euer Info, ich habe den TL074 mit einem NE5532 ausgetauscht, aufgrund Empfehlungen aus meinem letzten Threat zu dem Thema) Bezüglich dem Audio Trafo, was sind das für Bauteile / Elemente direkt um den Trafo? Wie kann ich diese Schaltung Auch durch einen RCA Ausgang verwenden wobei die XLR funktion nicht verloren geht? Muss das balancierte Signal wieder umgewandelt werden. Kann ich das Signal überhaupt noch durch den Trafo beziehen? was gibt es für Lösungen? Vielen Dank schonmal jetzt für eure Antworten! Liebe Grüsse aus der Schweiz Flo
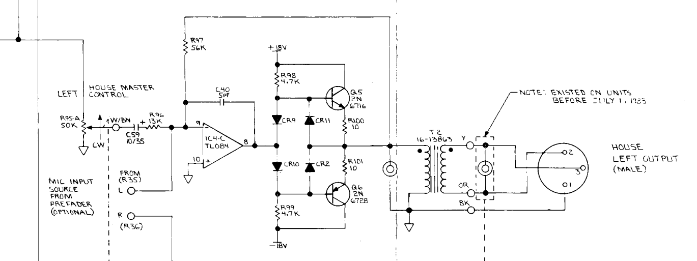
Flo schrieb: > Bezüglich dem Audio Trafo, was sind das für Bauteile / Elemente direkt > um den Trafo? Die Doppelkringel? Das sind Steckverbinder, Cinch oder 6,3mm Klinke (mono). > Wie kann ich diese Schaltung Auch durch einen RCA Ausgang verwenden > wobei die XLR funktion nicht verloren geht? Muss das balancierte Signal > wieder umgewandelt werden. Kann ich das Signal überhaupt noch durch den > Trafo beziehen? was gibt es für Lösungen? Es gibt keine "XLR Funktion", das ist einfach ein Steckverbinder. Du scheinst den Unterschied zwischen symmetrischem und asymmetrischem Signal nicht verstanden zu haben.
Flo schrieb: > Wie kann ich diese Schaltung Auch durch einen RCA Ausgang verwenden > wobei die XLR funktion nicht verloren geht? Ist doch schon eingezeichnet. Der Teil, der nur in Geräten vor dem 1. Juli 1983 vorhanden war, ist ein RCA Ausgang. Den musst du nur nachrüsten. Dabei darauf achten, das die Masse der RCA Buchse isoliert von der Mischpultmasse bleibt.
:
Bearbeitet durch User
Ich würde das Transistorgeraffel weglassen und einen passenden OPV mit mehr Ausgangsstrom nehmen. Z.B. der OPA2156 kann 100mA. Da der R2R ist, reichen auch +/-12V Versorgung völlig aus.
H. H. schrieb: > Die Doppelkringel? Das sind Steckverbinder, Cinch oder 6,3mm Klinke > (mono). O.K danke für die Antwort, warum aber 2 (Links und Rechts)?
:
Bearbeitet durch User
Flo schrieb: > H. H. schrieb: > >> Die Doppelkringel? Das sind Steckverbinder, Cinch oder 6,3mm Klinke >> (mono). > > O.K danke für die Antwort, warum aber 2 (Links und Rechts)? Der in der gestrichelten Box ist potentialfrei. Der andere hat normalen Massebezug. Das kann zu Brummschleifen führen, je nachdem was du an das Mischpult anschließen willst.
Hallo Flo, es gab vor kurzem schon einmal einen Thread zum Thema UREI. Da habe ich mal kurz in die Schaltpläne reingeschaut. Zwei Dinge verstehe ich nicht: warum wird Einfachst-Standard-Schaltungstechnik für solch stolze Preise verkauft, und warum will man sowas nachbauen? Nostalgie? Mit aktuellen Bauteilen und entsprechender Schaltungstechnik geht das viel einfacher und besser. Just my 2 Cents. ciao Marci
Marci W. schrieb: > Mit aktuellen > Bauteilen und entsprechender Schaltungstechnik geht das viel einfacher > und besser. Wenn man in 20 Jahren reparieren will, dann gibts die 08/15 Teile noch, aber die Sonderlocken eher nicht. Aber der stolze Preis ist damit natürlich nicht zu begründen.
Ein interessantes Gerät von Urei war der 1178 'Vocal Stresser'. Den haben wir im (Musical) Theater damals benutzt, um den Künstlern ein wenig unter die Arme zu greifen. Die Funktion war etwas geheimnisvoll, hat aber die Verständlichkeit deutlich erhöht.
:
Bearbeitet durch User
H. H. schrieb: > Wenn man in 20 Jahren reparieren will, dann gibts die 08/15 Teile noch, > aber die Sonderlocken eher nicht. "Sonderlocken" meinte ich natürlich nicht. Sondern halbwegs_ _aktuelle Standardbauteile. ciao Marci
:
Bearbeitet durch User
Marci W. schrieb: > H. H. schrieb: >> Wenn man in 20 Jahren reparieren will, dann gibts die 08/15 Teile noch, >> aber die Sonderlocken eher nicht. > > "Sonderlocken" meinte ich natürlich nicht. Sondern halbwegs_ _aktuelle > Standardbauteile. Also so wie im Anfangsposting.
Servus H. H., H. H. schrieb: > Also so wie im Anfangsposting. hmmm, zumindest eine solch einfache Ausgangsstufe würde ich mir nicht im Signalweg wünschen. Ja, ich weiß, es gibt die RK über R97, so gesehen geht das schon, aber da gibt es sicher bessere "monolithische" Lösungen, die auch noch in einigen Jahren verfügbar sind. Aber OK, ich habe mich da jetzt nicht umgesehen. Ich muss dazu noch erwähnen, dass ich mir nach dem Lesen des Threads mal Schaltpläne der Firma angeschaut habe. Und einiges wirkt irgend wie aus der Zeit gefallen... ciao Marci
Marci W. schrieb: > Ich muss dazu noch erwähnen, dass ich mir nach dem Lesen des Threads mal > Schaltpläne der Firma angeschaut habe. Und einiges wirkt irgend wie aus > der Zeit gefallen... Hast die Zeit nicht meiterlebt.
Peter D. schrieb: > Ich würde das Transistorgeraffel weglassen und einen passenden OPV mit > mehr Ausgangsstrom nehmen. Z.B. der OPA2156 kann 100mA. Im Prinzip stimme ich zu. Der OPA2156 rauscht unten herum aber schon sehr. Gut, der TL08x ist auch nicht viel besser. Der NE5534A liefert bis zu 32Vpp an 600Ω. Ist aber nicht R2R. Rauscht dafür aber weniger. Der OPA(2)604 kann mit bis zu 48V betrieben werden, liefert auch 24V an 600Ω. Aber ebenfalls nicht R2R. Gruß Jobst
Jobst M. schrieb: > Der NE5534A liefert bis zu 32Vpp an 600Ω. Ist aber nicht R2R. Rauscht > dafür aber weniger. Du willst aber nicht 600 Ohm Zout, sondern eher 60 Ohm, um die Folgestufen anständig anzutreiben. Die Schaltung kann gut funktionieren, wenn CR9 und CR10 etwa die gleiche Uf haben wie die BE Strecken der Endstufe. Da gibts deutlich schlimmeres. Und Rauschen spielt bei den Pegeln hier keine Rolle.
Matthias S. schrieb: > Du willst aber nicht 600 Ohm Zout, sondern eher 60 Ohm, um die > Folgestufen anständig anzutreiben. Die 600Ω sind bereits die Last. Zout des NE5534A ist bei A=30dB 0,3Ω Schaut mal selber ins Datenblatt! Gruß Jobst
H. H. schrieb: > Hast die Zeit nicht meiterlebt. Doch ;-) deswegen sagte ich ja "aus der Zeit gefallen". War echt ne geile Zeit, Jugendlicher in voller Blüte und Elektronikbastler. Besser gings nicht! ciao Marci
Bitte melde dich an um einen Beitrag zu schreiben. Anmeldung ist kostenlos und dauert nur eine Minute.
Bestehender Account
Schon ein Account bei Google/GoogleMail? Keine Anmeldung erforderlich!
Mit Google-Account einloggen
Mit Google-Account einloggen
Noch kein Account? Hier anmelden.
