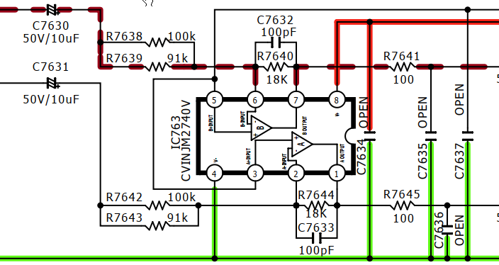
Hi, habe hier mal wieder einen defekten AV-Receiver. Dieser hat zwei Probleme: Problem 1: Er geht nach einer gewissen Zeit in den DC Protect. Das untersuche ich noch... Problem 2: Multichannel bei analogem Eingang geht nicht Diese Betriebsart funktioniert grob so: Analog in --> ADC --> DSP --> 7x DAC --> Endstufe Kanal 1..7 Der DSP und DAC sind wohl ok, da es mit einer digitalen Quelle wie gewünscht funktioniert. Die Schaltung vor dem ADC ist eigentlich einfach, aber sie funktioniert nach meinem Verständnis nicht richtig. Anbei einmal ein Ausshnitt aus dem Schaltplan, diese OPV Stufe soll das analoge Eingangssignal vor dem ADC um 8.5dB abschwächen (also Faktor 0,38). Die Widerstände R7638/R7639 und R7640 passen ja dazu (geprüft) um die passende Verstärkung zu haben. V- ist GND, V+ sind 5V (geprüft). Zum Test speise ich am Analogeingang 1Vpp 500Hz Sinus ein, was ich auch hinter C7630 messen kann, der Offset dort ist 2.5V wie erwartet. R7641 habe ich mal ausgelötet um Auswirkungen der nachfolgenden Stufe auszuschließen. Am positiven Eingang des OPVs liegt die Referenzspannung des ADCs an (2.5V). Am Ausgang des OPVs Pin 7 kann ich jedoch gerade mal ca. 50mV pp messen (kann auch eine Einstreuung sein). Der zweite Kanal der den gleichen OPV verwendet hat das gleiche Problem. ==> Habe ich einen Denkfehler oder kann eigentlich nur der OPV defekt sein? Da der gleiche OPV für einen anderen Eingang ebenfalls verwendet wird, hatte ich die schon getauscht, aber der andere hat genau das gleiche Verhalten. ==> Können wirklich beide OPVs defekt sein? Der Vorbesitzer hat diese Analogeingänge vermutlich garnicht benutzt, kann also sogar sein, dass dieser Fehler von Anfang an vorhanden war (Serienfehler in den OPVs?).
:
Bearbeitet durch User
Markus M. schrieb: > Können wirklich beide OPVs defekt sein? Wenn die im Gerät vorhandenen Betriebsspannungen so ungünstig hoch oder herunter fahren beim Ein- und Ausschalten, kann so ein OPV über seine erträglichen Grenzen hinaus an den Eingängen belastet werden und defekt werden. Das passiert z.B. bei Kurzschluß oder wenn einzelne Elkos ausfallen, die am Aufbau der Betriebsspannungen beteiligt sind. mfg
:
Bearbeitet durch User
Als erstes überprüfe ich die Betriebsspannungen an pin4 und pin8. Danach ein einfacher Plausibilitätstest mit DC-Messung: Falls die Ausgangsspannung an der pos Betriebsspannung hängt, muß am +Eingang die Spannung positiver sein als am -Eingang. Entsprechendes gilt wenn die Ausgangsspannung an der neg Versorgung hängt. Und ja, defekte OPVs kommen schon mal vor.
:
Bearbeitet durch User
So ein Opamp fühlt sich dann wohl, wenn Ein- und Ausgänge mitten zwischen den Betriebsspannungen liegen. Wenn das bei dir nicht der Fall ist, dann wird das Dings defekt sein. Aber das ist Standard Pinout und kann durch so gut wie jeden anständigen Dual Audio Opamp ersetzt werden.
Matthias S. schrieb: > Aber das ist Standard Pinout und kann durch so gut wie jeden anständigen > Dual Audio Opamp ersetzt werden. Beachte die niedrige Versorgungsspannung!
Ja, mein Ansatz wäre auch die zu ersetzen, allerdings wird die Auswahl sehr durch die Gehäusegröße eingeschränkt - es ist SSOP-8. Hatte mal versucht OPVs mit ähnlichen Daten bei Mouser oder Digikey zu finden, leider ist das Ergebnis immer 0 (ab Lager lieferbare). Tatsächlich ist das größere Problem momentan dass der Verstärker sporadisch in den DC Protect geht. Das passiert früher oder später wenn er eingeschaltet und auf Betriebstemperatur ist, selbst im Leerlauf ohne Eingangs/Ausgangssignal.
Markus M. schrieb: > Ja, mein Ansatz wäre auch die zu ersetzen, allerdings wird die Auswahl > sehr durch die Gehäusegröße eingeschränkt - es ist SSOP-8. Pins zurechtbiegen, dann passt auch TSSOP-8.
Markus M. schrieb: > Tatsächlich ist das größere Problem momentan dass der Verstärker > sporadisch in den DC Protect geht. Ohne in's Manual gesehen zu haben: Beide Fehler zusammen betrachtet riecht nach Problemen mit der Spannungsversorgung. Irgendeine Kleinspannung macht sporadisch Blödsinn, irgendwas im Kleinsignalbereich folgt dem und erzeugt einen Offset, der bis in die Endverstärker durchschlägt. Prüfe erstmal alle Versorgungsspannungen (Scope!), bevor du die Fehler einzeln betrachtest.
H. H. schrieb: > Markus M. schrieb: >> Ja, mein Ansatz wäre auch die zu ersetzen, allerdings wird die Auswahl >> sehr durch die Gehäusegröße eingeschränkt - es ist SSOP-8. > > Pins zurechtbiegen, dann passt auch TSSOP-8. Und MSOP-8 passt direkt.
H. H. schrieb: >> Pins zurechtbiegen, dann passt auch TSSOP-8. > Und MSOP-8 passt direkt. Danke für die kleine Gehäusekunde ;-) Ich dache die hätten unterschiedlichen Pitch. Werde mich jetzt erstmal hauptsächlich um das Protectproblem kümmern müssen, solange ich das nicht gefunden habe muss ich mit den Feinheiten eigentlich nicht weitermachen. Werde mal die wichtigsten Spannungen prüfen und mal das DC_DETECT und noch ein paar andere Signale mit dem Oszi aufzeichnen um zu schauen was die Ursache ist. Das DC_DETECT Signal wird ausgelöst, wenn entweder eine DC Spannung an einem der Lautsprecherausgänge ist oder aber sich der Nullpunkt zwischen der pos/neg Endstufenversorgungsspannung verschiebt, also die Symmetrie nicht mehr gegeben ist (was normalerweise auch ersteres bedingen würde, aber es wird beides detektiert). Evtl. gibt es ein Problem mit der Endstufen-Spannungsversorgung. Ein DC-Offset müsste - abgesehen von einem defekten Endstufentransistor - ansonsten den Ursprung in den Diff-Amps der Endstufen-Gegenkopplung haben, die Verbindung zum Rest der Audioverarbeitung davor ist mit einem Kondensator entkoppelt, von dort kann es also nicht kommen.
Bitte melde dich an um einen Beitrag zu schreiben. Anmeldung ist kostenlos und dauert nur eine Minute.
Bestehender Account
Schon ein Account bei Google/GoogleMail? Keine Anmeldung erforderlich!
Mit Google-Account einloggen
Mit Google-Account einloggen
Noch kein Account? Hier anmelden.
