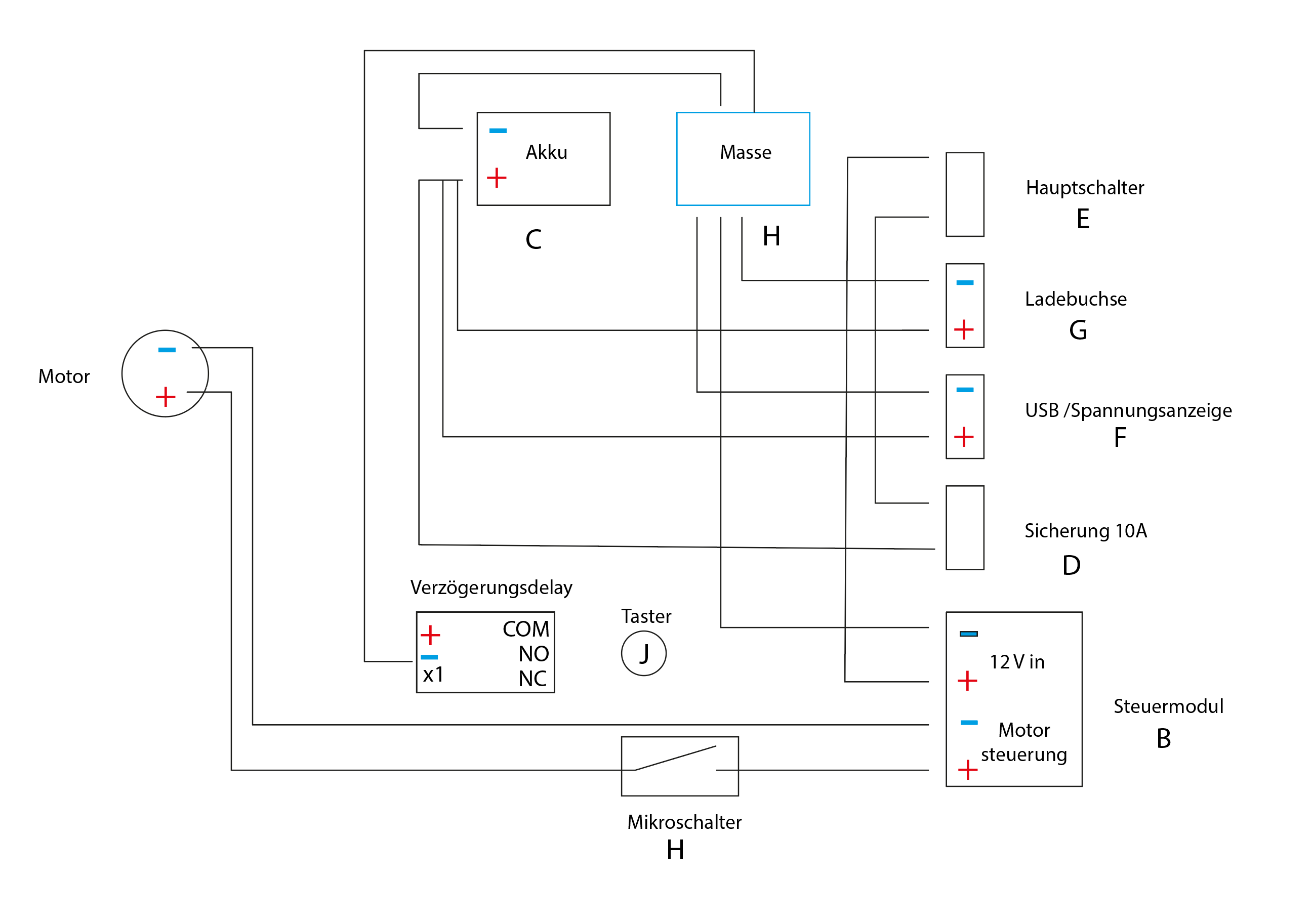
Hallo zusammen, Ich habe eine kleine Maschine gebaut … Die Maschine sorgt dafür, das eine Frisbeescheibe welche auf zwei Rollen gestülpt wird in Rotation gebracht wird. Eine Rolle ist eine fix positionierte Antriebsrolle die weitere Rolle läuft frei und ist über einen Hebel (mit Feder) gelagert diese sorgt dafür das beide Rollen an den inneren Rand der Frisbeescheibe gedrückt werden. Die Schaltung die die Motorrolle antreibt soll wie folgt funktionieren. Der Hauptschalter E. Schaltet die Anlage ein. Zur Stromversorgung C. steht eine 12 V DC Akku mit 6 Ah zur Verfügung. Ein Motorsteuergerät B. ermöglicht die Drehzahl des angeschlossenen Motors (und damit der Frisbeescheibe) zu regulieren sowie die Drehrichtung zu bestimmen. Eine Schmelzsicherung mit 10 A soll die gesamte Anlage überlasst schützen. Eine Ladebuchse F. soll es ermöglichen den Akku mit einem externen Ladegerät zu laden auch wenn der Hauptschalter ausgeschaltet ist. Des weiteren soll es möglich sein USB Geräte über den 12 V Akku zu laden dafür ist ein kleines KFZ USB Modul vorhanden das gleichzeitig auch die Akku Spannung anzeigen kann. Die Komponenten sind: A. Ein Motor - Pluspol und Minuspol B. Ein Steuermodul mit geregelten Ausgängen zum Motor und Eingängen (Plus und Minus12 V )vom Akku zur Stromversorgung C. Der Akku zur Stromversorgung (Plus und Minus 12 V ) D. Eine Schmelzsicherung die den Stromkreis schützen soll E. Ein Hauptschalter der die gesamte Anlage Ein und Aus schaltet F. Eine USB Ladebuchse mit Spannungsanzeige die die Akkuspannung anzeigt und auch bei ausgeschaltem Hauptschalter Strom zum laden an den USB Buchsen bereitstellen soll G. Eine Ladebuchse die es ermöglichen soll den Akku zu laden und auch wenn der Hauptschalter „Aus“ ist das Laden möglich sein soll H. Ein MicroSchalter bei dem der Kontakt geschlossen wird sobald eine Scheibe eingelegt wird. Wenn die Scheibe entnommen wird, öffnet der Kontakt wieder automatisch I. Verzögerungsrelais (On-Delay mit gehaltenem Ausgang) J. Taster Die Maschine wird über den Hauptschalter eingeschaltet, das Motorsteuergerät einmalig „scharf“ gestellt, wenn jetzt eine Scheibe über die beiden Rollen gestülpt wird, schliesst der Mikroschalter H. der mit einer der beiden Rollen, die über einen Hebel beweglich gelagert ist. Der Motor A. arbeitet, die Scheibe beginnt zu rotieren. Wird die Scheibe entnommen, öffnet der Mikroschalter H. wieder und der Motor stoppt. Soweit so gut. Jetzt möchte ich noch zwei weitere Komponente das Verzögerungsrelais I. (On-Delay mit gehaltenem Ausgang) hinzufügen das über einen Taster J. getriggerte werden soll. Ohne die Komponenten Verzögerungsrelais I. und Taster J. arbeitet das ganze auch recht zuverlässig. Aber das Relais bekomme ich nicht eingebunden. Meine Vorstellung war das das Verzögerungsrelais nur Strom bekommt wenn eine Scheibe eingelegt ist und damit Schalter H. geschlossen ist. Schon die LED auf dem Relais (die die Funktion anzeigt) bleibt aus auch wenn ich Mikroschalter H. schliesse. Was mache ich falsch? Wie sollte eine gute Verkabelung des Verzögerungsrelais erfolgen? Bitte entschuldigt die bestimmt nicht „artgerechte" Zeichnung und auch die Beschreibung. Ich bin wie ihr sicher gemerkt habt nicht vom Fach ;-) Freue mich über Tipps und Ratschläge oder sogar eine Zeichnung zur Verkabelung. Habe ich dafür noch wichtige Details vergessen?
Link vom Verzögerungsrelais? Wie viel Strom braucht der Motor oder Link? Hat die Steuerung einen Befehlseingang oder Link?
Hi Wolf, hier die gewünschten Angaben ... hoffe es hilft weiter Danke das Du dich einbringst hier das Verzögerungsrelais https://www.amazon.de/dp/B07SR4BX95 der Motor https://www.amazon.de/dp/B0BW73PV2S die Steuerung hat keinen Befehlseingang https://de.aliexpress.com/item/1005006203842006.html [Mod: Links bereinigt]
:
Bearbeitet durch Moderator
Die Spannungsanzeige wird den Akku tief entladen, solange du nichts dagegen tust. Die Ladebuchse muss mit einer Sicherung versehen werden. Die Beschreibung des Relais Moduls ist sehr schwammig. Da kann man viel hinein interpretieren. Erforsche, wie es wirklich funktioniert oder kaufe ein anderes Produkt mit ordentlicher Dokumentation. Außerdem fehlt in deinem Schaltplan, wie das Relais Modul eingebunden wurde. Du zwingst uns zum Raten, das führt zu nichts gutem.
:
Bearbeitet durch User
Nemopuk schrieb: > Die Spannungsanzeige wird den Akku tief entladen, solange du nichts > dagegen tust. Ja das habe ich auch schon gemerkt (ist aber auch ein LiPo4 Akku der dagegen einen Schutz hat) die Spannungsanzeige ist schaltbar muss man drauf achten diese auch wieder auszuschalten > Die Ladebuchse muss mit einer Sicherung versehen werden. Okay Danke für den Hinweis ich hatte es auch schon einmal, dass nach vollständigem Laden (LED am Ladegerät leuchtet dann grün) nach dem abziehen des Ladestroms das Gerät nach betätigen des Hauptschalters keinen Muks gemacht hat??? Dann Ladekabel einmal kurz aufgesteckt und es lief wieder alles. Habe ich auch keine Erklärung für gefunden???
Christoph S. schrieb: > die Spannungsanzeige ist schaltbar muss man drauf achten diese auch > wieder auszuschalten Ich würde erwägen, einen Taster zu verwenden. Dann kann man das aus-schalten nicht vergessen.
:
Bearbeitet durch User
Nemopuk schrieb: > Die Beschreibung des Relais Moduls ist sehr schwammig. Da kann man viel > hinein interpretieren. Erforsche, wie es wirklich funktioniert oder > kaufe ein anderes Produkt mit ordentlicher Dokumentation. Ja das stimmt und ich dachte ich probiere es einmal damit ... mir fehlt leider die Erfahrung da ein "richtiges" Relais auszuwählen. Wenn ich die mangelhafte Dokumentation richtig verstehe ist in Funktion 1. das Relais nach ablauf der Zeit solange geschlossen bis es mit X1 zurück gesetzt wird. Da ich aber den Mirkroschalter H. nach Ablauf der Zeit auch wieder öffne setzt sich das Relais auch ohne X1 wieder zurück. So meine gewünschte vorgehensweise???! > Außerdem fehlt in deinem Schaltplan, wie das Relais Modul eingebunden > wurde. Du zwingst uns zum Raten, das führt zu nichts gutem. Ja auch das ist richtig und ich habe das aus menem Plan wieder rausgenommen ... dachte dann bekomme ich eher einen Vorschlag wie es richtig einzubinden ist. Ich hatte es mal angedacht das Relais + hinter den Mikroschalter zu legen ... weil ich ja erreichen will das das Relais erst arbeitet wenn H. geschlossen ist??? aber ein erster Versuch hat mich nicht weitergebracht
Nemopuk schrieb: > Christoph S. schrieb: >> die Spannungsanzeige ist schaltbar muss man drauf achten diese auch >> wieder auszuschalten > > Ich würde erwägen, einen Taster zu verwenden. Dann kann man das > aus-schalten nicht vergessen. Der Schalter ist in der Anzeige fest verbaut. Aber alternativ vielleicht lieber auf die "Eieruhr" verzichten.
Motoraufschrift 12-24V 4-7A. Diesen Strom sollte das 10A Relais der Verzögerungsplatine verkraften. Falls der Controller wegen Elkos einen höheren Einschaltstrom hat, sollte man besser dessen Ausgang zum Motor schalten. Über den Motor bitte einen 15V Varistor schalten, dann leben die Abschaltkontakte länger. Motorcontroller 10-55V PWM 40A: man muss probieren, ob der Motor nach anlegen der Versorgung schon mit Sanftanlauf losläuft, oder ob man erst die Starttaste drücken muss. Mit dem Mikroschalter H hat man keinen Sanftanlauf mehr. Verzögerungsplatine: X1 sieht nach Meldeausgang der aktuellen Ansteuerung vom Umschaltrelais aus. J ist der Starttaster auf der Platine. Unaktiviert ist COM und NC verbunden, bei Aktivierung dann COM und NO. Anscheinend wird beim ersten Anlegen von Spannung an +- die Relaislaufzeit schon das erste mal aktiviert. Soll damit eine automatische Einschaltverzögerung nach schließen von E realisiert werden? Dann muss + nach E abgezweigt werden, COM-NC wird in die + Leitung vor den Motorcontroller eingeschleift, oder in Reihe mit dem Mikroschalter H. Falls der Motorcontroller nicht automatisch anläuft, wird eine Verzögerung nicht funktionieren.
Wolf17 schrieb: > Verzögerungsplatine: X1 sieht nach Meldeausgang der aktuellen > Ansteuerung vom Umschaltrelais aus. "X1: Schnittstelle für Eingangssignalerkennung." Da kommt der externe Kontakt, Taster etc. dran! Habt ihr nicht weit genug nach unten gescrollt? Da ist doch alle recht gut beschrieben!
Christoph S. schrieb: > Ja auch das ist richtig und ich habe das aus menem Plan wieder > rausgenommen ... dachte dann bekomme ich eher einen Vorschlag wie es > richtig einzubinden ist. Was bei der schlechten Dokumentation des Relais Moduls leider nicht möglich ist. Wolf17 schrieb: > Motoraufschrift 12-24V 4-7A. Diesen Strom sollte das 10A Relais der > Verzögerungsplatine verkraften. Das Relais kenne ich. Es ist so ziemlich das billigste, was China zu bieten hat und entsprechend empfindlich. Dazu gibt es reichlich Hilferufe im Internet. Das ist das Datenblatt vom Original https://www.circuitbasics.com/wp-content/uploads/2015/11/SRD-05VDC-SL-C-Datasheet.pdf Wobei auch viele noch empfindlichere Fälschungen im Umlauf sind. Das Foto von Relais Modul sieht nach einer Fälschung aus.
:
Bearbeitet durch User
Wolf17 schrieb: > Motoraufschrift 12-24V 4-7A. Diesen Strom sollte das 10A Relais der > Verzögerungsplatine verkraften. Falls der Controller wegen Elkos einen > höheren Einschaltstrom hat, sollte man besser dessen Ausgang zum Motor > schalten. Über den Motor bitte einen 15V Varistor schalten, dann leben > die Abschaltkontakte länger. Es wird bisher auch immer nur der Ausgang zum Motor (über H. ) geschaltet. Das Steuermodul (B.) sollte/muss nach dem einschlalten von E. immer Strom und sollte nicht in die Schaltung über H. oder das Relais geschaltet werden. > Motorcontroller 10-55V PWM 40A: man muss probieren, ob der Motor nach > anlegen der Versorgung schon mit Sanftanlauf losläuft, oder ob man erst > die Starttaste drücken muss. > Mit dem Mikroschalter H hat man keinen Sanftanlauf mehr. Doch auch mit H. im Ausgang der Motorsteuerung hat man noch einen Sanftanlauf. > Verzögerungsplatine: X1 sieht nach Meldeausgang der aktuellen > Ansteuerung vom Umschaltrelais aus. J ist der Starttaster auf der > Platine. J. ist mein beabsichtigter Taster (also seperates Bauteil) zum triggern des Relais gedacht > Unaktiviert ist COM und NC verbunden, bei Aktivierung dann COM und NO. > Anscheinend wird beim ersten Anlegen von Spannung an +- die > Relaislaufzeit schon das erste mal aktiviert. > Soll damit eine automatische Einschaltverzögerung nach schließen von E > realisiert werden? Nein die Einschaltverzögerung soll nach schliessen von H. erreicht werden. Dann muss + nach E abgezweigt werden, COM-NC wird in > die + Leitung vor den Motorcontroller eingeschleift, oder in Reihe mit > dem Mikroschalter H. Falls der Motorcontroller nicht automatisch > anläuft, wird eine Verzögerung nicht funktionieren.
> Christoph S. schrieb: >> Ja auch das ist richtig und ich habe das aus menem Plan wieder >> rausgenommen ... dachte dann bekomme ich eher einen Vorschlag wie es >> richtig einzubinden ist. > > Was bei der schlechten Dokumentation des Relais Moduls leider nicht > möglich ist. > Wobei auch viele noch empfindlichere Fälschungen im Umlauf sind. Das > Foto von Relais Modul sieht nach einer Fälschung aus. Hier ein Bild des Relais wie es mir vorliegt. Mein Plan noch einmal: Nach schliessen von H. bekommt das Relais I. Strom von der Motorsteuerung und wartet auf den Taster J. als Trigger um dann nach abgelaufener Zeit den Motor A. mit der im Steuermodul B. eingestellten Leistung zu versorgen. Aber das ist ja nur mein naiver Wunsch das es so einfach gehen würde. Aber ich weiß auch nicht wie ich das Relais sonst einbinden sollte?? Ich habe die Befürchtung das ich ein Motorsteuermodul benötige was einen externen Steuerimpuls/Trigger ermöglicht?!
:
Bearbeitet durch User
Teo D. schrieb: > X1 sieht nach Meldeausgang der aktuellen Ansteuerung vom Umschaltrelais aus > "X1: Schnittstelle für Eingangssignalerkennung." Ein Triggereingang wäre für ein Verzögerungsmodul zu erwarten und sinnvoll, passt aber nicht zu: "Beim Einschalten der Stromversorgung wird das Relais getrennt, und ein High-Pegel-Signal wird an die X1-Schnittstelle gesendet" Woanders wird von der AUSGABE eines High-Pegel-Impulssignal gesprochen. Möglicherweise sind das Übersetzungsfehler. Ist es ein Eingang, muss man noch untersuchen ob da ein Taster nach + oder - oder ein High-Pegel-Impulssignal funktioniert. ACHTUNG: im amazon link wird von 555 gesprochen, 20Pole passen nicht zu NE555. Christoph S. schrieb: >> Mit dem Mikroschalter H hat man keinen Sanftanlauf mehr. > Doch auch mit H. im Ausgang der Motorsteuerung hat man noch einen > Sanftanlauf. Nur wenn der Controller eine Motorstrommessung macht, könnte er nach einer Ausgangsunterbrechung mit H erneut eine Rampe fahren. Christoph S. schrieb: > Nein die Einschaltverzögerung soll nach schliessen von H. erreicht > werden. Wie soll das Verzögerungsmodul das mitbekommen? Läuft der Motorcontroller überhaupt nach anlegen der Spannung alleine an?
Danke an alle die sich eingebracht haben. @wolf17 und @nemopuk Ich bin leider erst jetzt wieder dazu gekommen mich der Sache anzunehmen. Ich muss/will das Relais vorerst einmal etwas testen damit ich weiß wie es sich verhält und euch dann genauer Fragen kann. Es wäre mir aber eine große Hilfe wenn meine Schaltung (siehe Zeichnung) von der Community aber einmal auf Schwachstellen/Fehler überprüft werden würde. Ist das soweit alles schlüssig? Muss ich bei der Sternverteilung von +/- etwas besonders beachten? Bin dankbar für Tipps und Verbesserungsvorschläge.
Bitte melde dich an um einen Beitrag zu schreiben. Anmeldung ist kostenlos und dauert nur eine Minute.
Bestehender Account
Schon ein Account bei Google/GoogleMail? Keine Anmeldung erforderlich!
Mit Google-Account einloggen
Mit Google-Account einloggen
Noch kein Account? Hier anmelden.


