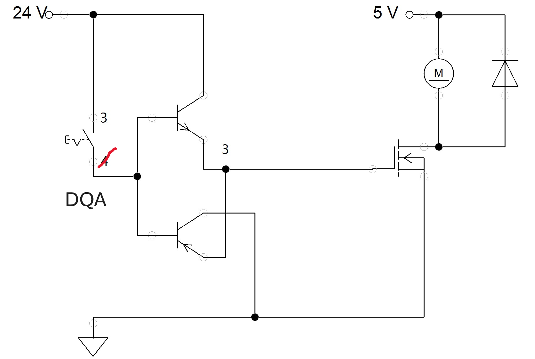
Hallo Zusammen Damit Lernende bei uns in der Firma etwas mit PWM machen könnt kam ich auf folgende Idee: Mithilfe dieser Siemens SPS Karte 6ES7138-6DB00-0BB1 sollen sie folgenden Lüfter (BeQuiet Pure Wings 3 120mm) per PWM ansteuern können. Der Lüfter hat eine Pegelspannung von 5V. Die SPS Karte liefert jedoch eine Pegelspannung von 24V. Auf meiner Suche nach einer geeigneten Schaltung bin ich auf folgende Website gestossen: https://wolles-elektronikkiste.de/der-mosfet-als-schalter Von dort habe ich mein Schema abgleitet (siehe Anhang 1). Der Taster stellt dabei den SPS Ausgang DQA dar (siehe Anhang 2). Da ich aus der Automatisierung komme und überhaupt keine Ahnung habe wie man diese Bauteile dimensioniert wollte ich fragen, ob Ihr mir dabei helfen oder beraten könnt. Vielen Dank im Voraus. LG Gluj
Maxi schrieb: > folgenden Lüfter (BeQuiet Pure Wings 3 120mm) Dein Schaltplan passt nicht zu den Anschlüssen des Lüfters. Wie muss der angesteuert werden (Datenblatt)?
Warum nicht einfach ein Spannungteiler vor dem Mosfet? Nehmen wir mal an, das ist dieser PWM-fähige Lüfter mit 4 Pins: - https://www.bequiet.com/de/casefans/4606 Dann reicht sogar ein Spannungsteiler vor dem PWM-Eingang. Maxi schrieb: > Von dort habe ich mein Schema abgleitet Du hast dort den **Schaltplan** hergeleitet. Nur Franzosen zeichnen ein "Schema".
:
Bearbeitet durch Moderator
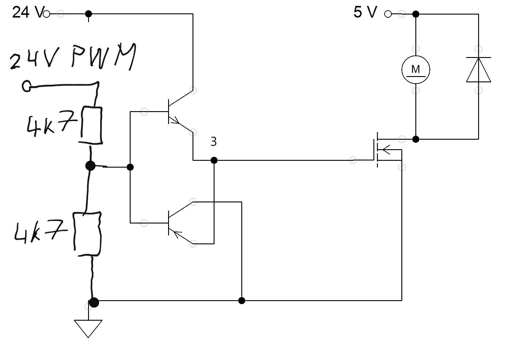
Vor der Transistortreiberstufe sollte man noch einen Spannungsteiler schalten. Somit wird der N-MOSFET am Gate mit soliden 12V angesteuert. Das ist nicht zu viel, aber auch nicht zu wenig, so dass man keinen Logik Level N-MOSFET einsetzen muss. Der Spannungsteiler belastet die SPS-Steuerung gerade mal mit nur 2,5mA. Dennoch wird der N-MOSFET schön niederohmig angesteuert, was bei einer höheren PWM-Frequenz auch wünschenswert ist.
Im Luefter ist noch ein Elko, der das nicht so auf Dauer mag. Abhilfe schafft hier in Serie zum Motor eine Induktivitaet zu schalten.
Lothar M. schrieb: > Warum nicht einfach ein Spannungteiler vor dem Mosfet? > > Nehmen wir mal an, das ist dieser PWM-fähige Lüfter mit 4 Pins: > - https://www.bequiet.com/de/casefans/4606 > > Dann reicht sogar ein Spannungsteiler vor dem PWM-Eingang. https://www.intel.com/content/dam/support/us/en/documents/intel-nuc/intel-4wire-pwm-fans-specs.pdf > Nur Franzosen zeichnen ein "Schema". Schéma ! Die Italiener schreiben das ohne Akzent.
Der Lüfter ist ein Standard-PC-Lüfter mit 4 Pins. Das PWM-Signal hat im Lüfter einen Pullup, muss also nur nach Masse gezogen werden, allerdings mit +-25 kHz. Ich vermute die SPS kann das nicht, aber möglicherweise ist der Lüfter auch mit einem Signal zufrieden das nicht der Spezifikation entspricht. Jedenfalls reicht eine Diode, so das die SPS den PWM-Pin des Lüfters gegen Masse ziehen kann, denn das Signal muss TTL-Pegel einhalten. Der Lüfter braucht 12V Dauerstrom, und der 4. Pin liefert 2x Masseimpuls pro Umdrehung, so das sogar eine Drehzahlerfassung und damit auch Regelung möglich ist.
24V einigermaßen belastbar mit 100kHz ausgeben? Wow. Wozu braucht man das? Oder hast du dich verkuckt und meinst einen Zählereingang?
Jens M. schrieb: > 24V einigermaßen belastbar mit 100kHz ausgeben? Wow. Wozu braucht > man das? Gute Frage, nächste Frage... > Oder hast du dich verkuckt und meinst einen Zählereingang? Nö. Edit: Die Ausgänge sind AFAIR als NPN oder PNP konfigurierbar, aber nicht als PP.
:
Bearbeitet durch User
Jens M. schrieb: > Der Lüfter ist ein Standard-PC-Lüfter mit 4 Pins. Ist er das denn? Der Hersteller hat in dieser Modellreihe Varianten mit 3 und mit 4 Pins. ==> Kann nur der TO beantworten.
Stefan R. schrieb: > Ist er das denn? Der Hersteller hat in dieser Modellreihe Varianten mit > 3 und mit 4 Pins. Oh stimmt. Meine Purewings sind alle immer 4pinner, aber dann heißen sie "Pure Wings 3 PWM". Wäre aber natürlich doof, wenn man einen Lüfter mit PWM drehzahlsteuern will und dann nicht-steuerbare Lüfter benutzt.
H. H. schrieb: > Edit: Die Ausgänge sind AFAIR als NPN oder PNP konfigurierbar, aber > nicht als PP. 24V PP will hier sowieso keiner. Man könnte sie als O.C. (NPN) konfigurieren und einen Pull-Up Widerstand nach 5V nutzen.
Stefan R. schrieb: > Jens M. schrieb: >> Der Lüfter ist ein Standard-PC-Lüfter mit 4 Pins. > > Ist er das denn? Der Hersteller hat in dieser Modellreihe Varianten mit > 3 und mit 4 Pins. ==> Kann nur der TO beantworten. Der Lüfter hat 4 Pins.
Vielen Dank für die vielen Antworten und Anregungen. Hätte nicht gedacht, dass so viele Leute sich in so kurzer Zeit daran beteiligen. XD Ich denke ich werde mal die Option mit einem Spannungsteiler ausprobieren. (Daran hatte ich noch gar nicht gedacht) Oder welche Option würdet Ihr mir empfehlen? Jens M. schrieb: > 24V einigermaßen belastbar mit 100kHz ausgeben? Wow. Wozu braucht man > das? Normalerweise wird so etwas in einer Regelstrecke verwendet.
:
Bearbeitet durch User
Maxi schrieb: > Ich denke ich werde mal die Option mit einem Spannungsteiler > ausprobieren. Bei einem O.C.-Ausgang ("NPN" im SPS-Speech) dürfte doch gar keine Spannung heraus kommen oder was hat Siemens da genau zusammengestrickt?
:
Bearbeitet durch User
Rainer W. schrieb: > Maxi schrieb: >> Ich denke ich werde mal die Option mit einem Spannungsteiler >> ausprobieren. > > Bei einem O.C.-Ausgang ("NPN" im SPS-Speech) dürfte doch gar keine > Spannung heraus kommen oder was hat Siemens da genau zusammengestrickt? Deshalb nimmt man ja PNP.
H. H. schrieb: > Deshalb nimmt man ja PNP. Das wäre hier doch Unfug, weil man für den Lüfter auf 5V möchte. Dann kann man besser NPN nehmen und mit einem Pull-Up gleich passend auf 5V hoch ziehen. PNP und Spannungsteiler hätte allenfalls den Vorteil, dass es DAU-sicher ist ;-)
:
Bearbeitet durch User
Rainer W. schrieb: > H. H. schrieb: >> Deshalb nimmt man ja PNP. Ich hätte ergänzen sollen: wenn man denn Spannung gegen GND ausgeben will. > Das wäre hier doch Unfug, weil man für den Lüfter auf 5V möchte. > Dann kann man besser NPN nehmen und mit einem Pull-Up gleich passend auf > 5V hoch ziehen. Man braucht noch nicht mal einen Pullup, der steckt ja schon im Lüfter.
Maxi schrieb: > Normalerweise wird so etwas in einer Regelstrecke verwendet. Schon klar, aber was treibt man mit 100kHz an? H. H. schrieb: > Deshalb nimmt man ja PNP. Das wäre hier aber gefährlich. Ich glaub der Eingang des Propellers mag es nicht wenn 24V-Impulse kommen. H. H. schrieb: > Man braucht noch nicht mal einen Pullup, der steckt ja schon im Lüfter. Das wäre natürlich die einfachste Lösung. Wenn der Ausgnag tatsächlich "Masse oder Offen" ist und da nicht irgendwelche Pullups oder Driver laufen.... Und: ist im NPN-Modus 0% = Dauer-GND, und 100% ist Dauer-Offen?
Jens M. schrieb: > H. H. schrieb: >> Deshalb nimmt man ja PNP. > > Das wäre hier aber gefährlich. Ich glaub der Eingang des Propellers mag > es nicht wenn 24V-Impulse kommen. Deshalb wurde ein Spannungsteiler vorgeschlagen. Der muss allerdings recht niederohmig sein, verbrät dadurch einige 100mW. > Und: ist im NPN-Modus 0% = Dauer-GND, und 100% ist Dauer-Offen? Nur eine Frage der Programmierung.
Rainer W. schrieb: > Dann kann man besser NPN nehmen und mit einem Pull-Up gleich passend auf > 5V hoch ziehen. Könntest du kurz einen kleinen Schaltplan (sind ja hier nicht in Frankreich) zeichnen ich verstehe nicht ganz wie du das mit dem NPN und der SPS meinst.
:
Bearbeitet durch User
Maxi schrieb: > ich verstehe nicht ganz wie du das mit dem NPN und der SPS meinst. Über die Konfiguration der SPS. Ich habe da auf das Erinnerungsvermögen von H.H. vertraut. Wie man das macht, muss du jemanden fragen, der sich mit SPS auskennt - da bin ich raus. H. H. schrieb: > Die Ausgänge sind AFAIR als NPN oder PNP konfigurierbar, aber > nicht als PP.
Rainer W. schrieb: > Wie man das > macht, muss du jemanden fragen, der sich mit SPS auskennt Der Siemenskram ist da auch noch ziemlich speziell, nicht meine Welt. Aber im Kurzdatenblatt steht es drin, dass die Ausgänge PNP oder NPN können.
Von der Siemens-Seite habe ich ebenfalls keine Ahnung. Ich täte wohl so machen (Anhang). Gedanke ist: so hängt das Leben des Lüfters nicht an der korrekten Programmierung. Siemens-Ausgang +24V = Lüfter aus, Ausgang 0 V oder offen = Lüfter an. (Der 10k-Widerstand ist möglicherweise Quatsch.)
Stefan R. schrieb: > Ich täte wohl so machen (Anhang). Super vielen Dank. Stefan R. schrieb: > Von der Siemens-Seite habe ich ebenfalls keine Ahnung. Werde mich noch auf einem SPS Forum erkundigen. Sobald ich etwas herausgefunden habe melde ich mich wieder. Für den Tacho Output kann ich die Schaltung einfach umkehren oder? (Anhang 1)
:
Bearbeitet durch User
Maxi schrieb: > Für den Tacho Output kann ich die Schaltung einfach umkehren oder? > (Anhang 1) Nein. Der Tachoausgang ist Open Collector in NPN. Und er muss nur 12V vertragen.
Maxi schrieb: > Für den Tacho Output kann ich die Schaltung einfach umkehren oder? uhh, nein! Lies mal 2.1.3 in der intel-4wire-pwm-fans-specs.pdf. Der Tacho-Ausgang ist Open-Collector. (Und er darf laut der Spezifikation bis max. 12.6 V hochgezogen werden.) Wie gesagt, weiß leider nichts über SPS und wie man Logiksignale hineinbekommt.
Stefan R. schrieb: > Wie gesagt, weiß leider nichts über SPS und wie man Logiksignale > hineinbekommt. Bei seinem Modul: 0..5V = L, 11..30V = H. Und für H muss man min 2,5mA liefern können.
Stefan R. schrieb: > uhh, nein! Ups.. So sollte es nun stimmen oder? (Anhang 1) Nachtrag R4 ist natürlich 10 k.
:
Bearbeitet durch User
H. H. schrieb: > Richtig grausam. !!!! Maxi schrieb: > Damit Lernende bei uns in der Firma etwas mit PWM machen könnt kam ich > auf folgende Idee Maxi schrieb: > Könntest du kurz einen kleinen Schaltplan (sind ja hier nicht in > Frankreich) zeichnen ich verstehe nicht ganz wie du das mit dem NPN und > der SPS meinst. Maxi schrieb: > Werde mich noch auf einem SPS Forum erkundigen. Gibt es irgendeine Begründung, gerade Dich mit "Lernenden" zu betrauen? Wenn mal wieder über mangelnde Ausbildungsqualitäten geklagt wird, bist Du daran mitschuldig.
Manfred P. schrieb: > Gibt es irgendeine Begründung, gerade Dich mit "Lernenden" zu betrauen? Lernen durch Schmerz? Nur durch Fehler kann man lernen - also ideal!
H. H. schrieb: > Richtig grausam. Vielen Dank für das Feedback. Was muss ich denn an der Schaltung anpassen, damit es stimmt? Manfred P. schrieb: > Gibt es irgendeine Begründung, gerade Dich mit "Lernenden" zu betrauen? Ja, da ich selbst im letzten Lehrjahr als Automatiker/EFZ bin. In der Berufsschule hatten wir nur kurz Elektronikbauteile. Zudem mussten wir nie irgendein Schema für solche Schaltungen zeichnen. Manfred P. schrieb: > Wenn mal wieder über mangelnde Ausbildungsqualitäten geklagt wird, bist > Du daran mitschuldig. Wenn wieder mal über mangelhafte Ausbildungsqualität geklagt wird, kannst Du Dich entspannt zurücklehnen - Du hast ja schliesslich deinen Beitrag geleistet. Wissen horten, als wär's der Atomcode, und bloss niemandem helfen, der was lernen will. Stattdessen glänzt Du mit deinem grössten Talent: destruktiv sein, ohne einen Funken Initiative zu zeigen. Ironie pur: Hättest Du damals selbst jemanden gehabt, der Dir geholfen hätte, würdest Du vielleicht anders glänzen. H. H. schrieb: > Das beste wird sein, er verwendet Optokoppler, für beide Signale. Vielen Dank für den Tipp. Welchen Optokoppler würdest du an meiner Stelle verwenden? H. H. schrieb: > Alexander schrieb: >> Nur durch Fehler kann man lernen > > Dumm. Nur so lernt man doch am meisten.
:
Bearbeitet durch User
Maxi schrieb: > H. H. schrieb: >> Alexander schrieb: >>> Nur durch Fehler kann man lernen >> >> Dumm. > > Nur so lernt man doch am meisten. Sicher nicht, nur am härtesten.
Maxi schrieb: > H. H. schrieb: >> Alexander schrieb: >>> Nur durch Fehler kann man lernen >> Dumm. > Nur so lernt man doch am meisten. Man muss aber nicht jeden Fehler einmal selber gemacht haben. Pilzsammler wissen das. Maxi schrieb: > Zudem mussten wir nie irgendein Schema für solche Schaltungen zeichnen. Ich dachte, über "Schema" oder "Schèma" wären wir drüber weg. Maxi schrieb: > Oder welche Option würdet Ihr mir empfehlen? Nimm einen Spannungsteiler aus 22k und 5k1 und konfiguriere den Ausgang wie "üblich" gegen High schaltend (also als PNP). Und jetzt kommt der Witz: wenn du das alles aufgebaut hast, dann nimmst du ein Oszilloskop und kontrollierst, ob sich die Schaltung ordentlich verhält (Pegel und Flanken). Bei solchen Messungen kann man am allermeisten lernen.
:
Bearbeitet durch Moderator
Lothar M. schrieb: > Nimm einen Spannungsteiler aus 22k und 5k1 und konfiguriere den Ausgang > wie "üblich" gegen High schaltend (also als PNP). Wird nicht klappen. Im Lüfter gibt es einen Pullup nach +5V. Man wird den Spannungsteiler deutlich niederohmiger machen müssen.
Lothar M. schrieb: > Maxi schrieb: >> H. H. schrieb: >>> Alexander schrieb: >>>> Nur durch Fehler kann man lernen >>> Dumm. >> Nur so lernt man doch am meisten. > Man muss aber nicht jeden Fehler einmal selber gemacht haben. > Pilzsammler wissen das. YMMD :-)
H. H. schrieb: > Lothar M. schrieb: >> Nimm einen Spannungsteiler aus 22k und 5k1 und konfiguriere den Ausgang >> wie "üblich" gegen High schaltend (also als PNP). > > Wird nicht klappen. Im Lüfter gibt es einen Pullup nach +5V. Man wird > den Spannungsteiler deutlich niederohmiger machen müssen. Oder sogar nur ein Pullup nach 3.3V (fleht die Bemerkung auf S. 9 die Lüfterhersteller an; Spezifikation, Rev. 1.3). Glaube, da ist kein Spannungsteiler klein genug. Man muss den Pin schon wirklich auf GND ziehen.
Stefan R. schrieb: > Glaube, da ist kein > Spannungsteiler klein genug. Man muss den Pin schon wirklich auf GND > ziehen. In den Specs von Intel steht das.
Stefan R. schrieb: > Man muss den Pin schon wirklich auf GND ziehen. Also gut, ich sehs ein. Und zudem haben "neue Lüfter" (nach 2005) dann ja einen Pullup nach 3V3. Dann also an den Spannungsteiler noch den NPN-Transistor aus dem Bild https://www.mikrocontroller.net/attachment/680184/IMG_6716s.jpg dran und fertig. Den Widerstand von der Basis nach GND würde ich auf jeden Fall drin lassen, nicht, dass der SPS Ausgang einen klitzekleinen Leckstrom hat und den Transistor dauerhaft einschaltet.
:
Bearbeitet durch Moderator
H. H. schrieb: > In den Specs von Intel steht das. Aber ich sehe da keine Spezifikation, wie niederohmig das passieren muss. Man könnte ein Multimeter an den offenen Eingang hängen, damit die Spannung messen und dann mit einem bekannten Widerstand den Eingang in Richtung Gnd ziehen. Dann kann man sich den Wert vom internen Pull-Up ausrechnen.
Rainer W. schrieb: > Aber ich sehe da keine Spezifikation, wie niederohmig das passieren muss. Da steht drin, dass der Lüfter bis zu 5mA an seinem PWM-Eingang liefern kann (also offenbar ein 1k Pullup nach 5V). Denn die PWM macht ja zigtausend mal pro Sekunde einen "short circuit" nach GND.
:
Bearbeitet durch Moderator
Ob für den TE nicht fertige Pegelwandler oder Optokoppler für Hutschiene besser wären?
Lothar M. schrieb: > Da steht drin, dass der Lüfter bis zu 5mA an seinem PWM-Eingang liefern > kann (also offenbar ein 1k Pullup nach 5V). So die spezifizierten Grenzen, d.h. der Pull-Up muss bei 5 V MINDESTENS einen Wert von 1 kΩ besitzen oder bei 3.3V MINDESTENS 660 Ω. Der Hintergrund meines Vorschlages war, endlich einmal ein paar handfeste Fakten zu der Lüfteransteuerung auf dem Tisch zu haben. Das Datenblatt ist diesbezüglich doch eher zurückhaltend.
H. H. schrieb: > In den Specs von Intel steht das. Wie ist da jetzt der Zusammenhang? Muss jeder Lüfter diesen Specs folgen? Für den BL105/BL141 steht lediglich 2.4W 0.2A im Datenblatt, sonst gar nix.
H. H. schrieb: > Ob für den TE nicht fertige Pegelwandler oder Optokoppler für Hutschiene > besser wären? Habe ich mir auch schon Gedacht. Deshalb bin ich auch Folgende Koppelrelais gestossen: SPS auf PWM https://www.phoenixcontact.com/de-de/produkte/solid-state-relaismodul-plc-opt-24dc-5dc100khz-g-2902972 Tacho auf SPS https://www.phoenixcontact.com/de-de/produkte/solid-state-relaismodul-plc-osc-5dc-24dc100khz-g-2902967 Trotzdem möchte ich mich bei allen für Ihre Tatkräftige Unterstützung bedanken. Lothar M. schrieb: >> Zudem mussten wir nie irgendein Schema für solche Schaltungen zeichnen. > Ich dachte, über "Schema" oder "Schèma" wären wir drüber weg. Ich glaube das Schema-Schaltplan Trauma werden wir wohl nie ganz los.
:
Bearbeitet durch User
:
Bearbeitet durch User
Maxi schrieb: > Ich glaube das Schema-Schaltplan Trauma werden wir wohl nie ganz los. Alle Schweizer aus dem Forum verbannen wäre auch keine Lösung. Vielleicht kann eine KI Untertitel einblenden?
Maxi schrieb: > Deshalb bin ich auch Folgende Koppelrelais gestossen: ... Du wirst dich entscheiden müssen oder was hast du mit den beiden vor?
Beitrag #7948695 wurde vom Autor gelöscht.
Rainer W. schrieb: > Maxi schrieb: >> Deshalb bin ich auch Folgende Koppelrelais gestossen: > > Du wirst dich entscheiden müssen oder was hast du mit den beiden vor? Schaltplan (Schema) für Relais Artikelnummer 2902972 siehe Anhang 1 Schaltplan (Schema) für Relais Artikelnummer 2902967 siehe Anhang 2 [Mod: fehlerhaftes Bild gelöscht]
:
Bearbeitet durch Moderator
Im Eröffnungspost und im Titel geht es nur um die Steuerung des Lüfters, d.h. nur um das PWM-Signal. Wenn du jetzt natürlich plötzlich auch das Tachosignal umsetzen möchtest, ist alles klar. Die auf den Koppelrelais gezeigte Schaltung ist übrigens arg ungenau. Der Vorwiderstand für die LEDs auf der Eingangsseite wird dort unterschlagen. Didaktisch bzgl. elektronischer Verschaltung ist der Aufdruck auf den Koppelrelais also irreführend bzw. fällt unter einen eigenen Lernabschnitt ;-) In der Schaltschranktechnik ist es - aus elektronischer Sicht - leider üblich, dass vieles schematisiert dargestellt wird, um den Anwender nicht mit Details zu belasten. Ob der LED-Strom für das Tachosignal innerhalb der Spezifikation liegt, sehe ich nicht. Intel fordert für die Lüfterschnittstelle (s.a. Link von H.H.) keinen mindestens zulässigen Strom für den Tachometerausgang, jedenfalls nicht im Abschnitt 2.1.3 "Tachometer Output Signal". Die 8 mA für die LED des Optokopplers wird er wohl schaffen, aber ohne eine vernünftige Spezifikation ist das im Prinzip Glück und dünnes Eis (rein didaktisch betrachtet).
:
Bearbeitet durch User
Bitte melde dich an um einen Beitrag zu schreiben. Anmeldung ist kostenlos und dauert nur eine Minute.
Bestehender Account
Schon ein Account bei Google/GoogleMail? Keine Anmeldung erforderlich!
Mit Google-Account einloggen
Mit Google-Account einloggen
Noch kein Account? Hier anmelden.










