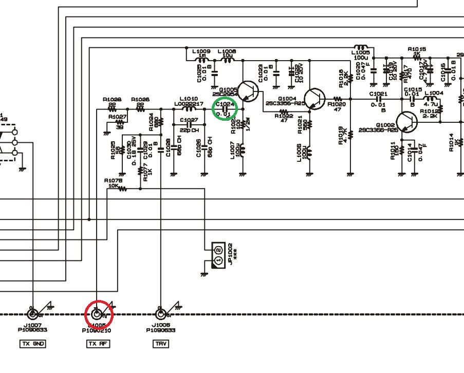
Ja, mein 23 jähriger FT1000MP Field ist kaputt. Sendet auf 80m 100W, auf 40m 50W, auf20m und darüber ganze 20W. Urplözlich, gestern alles io, heute kaputt. Ueberlegung ist die PA wirds kaum sein da bei 80m und 160m die volle leistung kommt. Der strom auf höheren bändern ist entsprechend der leistung niedrig, deshalb wird das weder ATU noch LPF sein. Empfänger läuft top. Man kontrolliere das geplante vorgehen: PA strom abhängen + dummy load dran. Zwischen driver und PA messen, roter kreis koax zur PA abziehen und da messen. Ist das OK so? Weitere vorsichtsmassnahmen? Der grün eingezeichnete smd-C (auf dem driver board) sieht wie nachträglich gewechselt aus, flux-reste drum herum. Soll ich den als "verdächtig" einstufen?
:
Bearbeitet durch User
Hadmut F. schrieb: > Der grün eingezeichnete smd-C (auf dem driver board) sieht wie > nachträglich gewechselt aus, flux-reste drum herum. Soll ich den als > "verdächtig" einstufen? Als sehr verdächtig. Schön reinigen sieht ja grausam aus.
Hadmut F. schrieb: > Soll ich den als > "verdächtig" einstufen? Hast du mal gemessen, ob der C durchgeschlagen ist (Durchgangsprüfer)? Ich würde vor dem Ablöten auch prüfen, ob einer der C-Pole möglicherweise einen Kurzen zu den benachbarten Leiterbahnen ausgebildet hat (möglicherweise passiert das aber auch nur beim Senden durch kleinen Lichtbogen oder so, was bei höheren Frequenzen meiner Ansicht nach wahrscheinlicher passiert). Mach doch mal eine kurze Testaussendung auf 20m, ein paar Sekunden reichen, und dann fühlst du bei ausgeschaltetem Gerät nach, ob irgendwo was warm geworden ist. Wird beim Senden auf 20m die volle Leistung gezogen, aber nur 20% abgestrahlt? Mit Dummy-Load gemessen? Hat die Antennenleitung irgendwelche Probleme, Korrosion an Steckern oder so? Bei manchen Koax-Kabeln korrodiert mit den Jahren der Cu-Schirm.
Bjoern E. schrieb: > Wird beim Senden auf 20m die volle Leistung gezogen Er schrieb, dass der Strom entsprechend geringer ist.
Bjoern E. schrieb: > Mit Dummy-Load gemessen? JA. An antenne und dummy dasselbe. Soblad ich den mut habe das offen zu betreiben geh ich mit der thermokamera drüber. Jörg W. schrieb: > Er schrieb, dass der Strom entsprechend geringer ist. Richtig. Sieht so aus als bekommt die PA zuwenig signal.
:
Bearbeitet durch User
Hobby B. schrieb: > Als sehr verdächtig. Schön reinigen sieht ja grausam aus. Nicht nur reinigen, sondern vorher vernünftig verlöten, d.h. das ganze überschüssig Lötzinn entfernen (1/3 davon ist mehr als genug, schön mit Flussmittel) und bei der Gelegenheit vielleicht auch gerade rücken.
:
Bearbeitet durch User
Der schaut mir recht komisch aus, so, als wäre er nachträglich hingeflickt worden. Ohne Überprüfung und Abgleich mit der Schalte würde ich den nicht so einfach akzeptieren.
Rainer W. schrieb: > Nicht nur reinigen, sondern vorher vernünftig verlöten, d.h. das ganze > überschüssig Lötzinn entfernen (1/3 davon ist mehr als genug, schön mit > Flussmittel) und bei der Gelegenheit vielleicht auch gerade rücken. Hab ich gemacht. Gemessen 10nf genau wie spec. Eingelötet und auf 7Mhz nur noch 20W, vorher 50W. Rest der bänder gleich wie vorher. Der level was in die PA reingeht (bei ausgesteckter PA):
1 | CW Vpp Pout (mit PA) |
2 | 1.8 4.5 100 |
3 | 3.5 4.5 100 |
4 | 07 4.4 20 |
5 | 10 4.2 30 |
6 | 14 3.5 20 |
7 | 21 3.0 25 |
8 | 24 2.6 25 |
9 | 28 2.3 21 |
Wobei das ist mit nicht HF tauglichem kopf gemessen, das erklärt sicher teil der dämpfung. Ich versteh das nicht.
:
Bearbeitet durch Moderator
Hadmut F. schrieb: > Ueberlegung ist die PA wirds kaum sein da bei 80m und 160m die volle > leistung kommt. Wäre jetzt aber doch meine Vermutung.
Jörg W. schrieb: > Wäre jetzt aber doch meine Vermutung. Wo / was würdest du messen ? Kann ich da einfach an der transistor basis das scope anhängen und schauen?
:
Bearbeitet durch User
@Hadmut F. Schau mal erst mit Deiner IR-Kamera nach Auffälligkeiten. Z.B. nach Unsymmetrien bei spiegelbildlichen Bauteilen, wie z.B. den PA-Basis-Widerständen der Endstufen-Transistoren. Oder nach heißen Spulen und Kondensatoren oder Leiterbahnen aufgrund von Übergangs-Widersänden an kalten Lötstellen. Viel Erfolg bei der Diagnose und Reparatur. vy73 Markus
Ich suche ja nach einem pegel-unterschied 5:1 zwischen 3.5M und 14M. Was ich an der basis des ersten transistors messe ist auf 14M ein viel höherer wert als auf 3.5m. Das kommt von der ALC die bei 3.5M auf 100W out zurückregelt, bei 14M aber volle leistung macht weil eh nur 20W RF anstehen. Das ist komplizierter als es aussieht. Schäzt du transistor putt oder was anderes? Wie ist die vorgehensweise? Oder den TS50 aus dem keller holen weil ich die reparatur eh nicht schaffe ? Edit Markus W. schrieb: > Schau mal erst mit Deiner IR-Kamera nach Auffälligkeiten. Top idee ! Die alte FLIR war teuer, hat kein makro und ist immer entladen.😡
:
Bearbeitet durch User
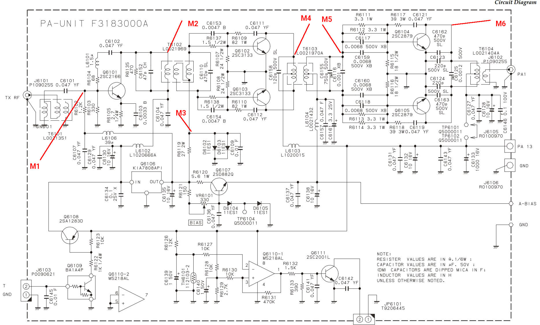
Hallo Hadmut, ich kenne den internen Aufbau vom FT1000MP nicht und weiss deshalb nicht, wie gut man an verschiedene Stellen mit einem 10:1 Tastkopf im Inneren messen kann. Hast Du möglicherweise Service-Unterlagen, die gibt es bei Yaesu und Icom oft als PDF zum Download. Ich habe Dir mal in den Schaltplan eingetragen wo ich als erstes an der PA messen würde. Wenn Du da messen kannst, oft braucht man ja vier Hände, deshalb einen OM zur Hilfe holen, oder Du hast bei Deinem TRX einen Fußschalter, um auf Sendung zu gehen, dann stell mal hier ein paar Bilder der gemessenen Stellen. Aber aufpassen, dass Du keinen Kurzschluss verursachst. Hast Du einen Trenntrafo, oder einen Bat. betriebenen Oszi, wie z.B. den OWON HDS2102 oder ähnlich, um Potenzialfrei zu messen? Falls Du Dir die Reparatur nicht zutraust, frag Doch mal im OV nach ob jemand die Möglichkeiten/Wissen hat, die Die eventuell fehlen und sich das Gerät anschauen kann. vy73 Markus
Das flir bild hat keine parallaxen kompensation. Da muss man alle heissen stellen nach rechts verschieben. Mit welchem programm kann ich transparent bilder übereinanderlegen?
Der im roten kreis ist heiss. Und jetzt ? Markus W. schrieb: > einen Bat. betriebenen Oszi, TY. Ja ich hab das fnirsi. Läuft ab power-bank und schafft 100mhz locker. C6111 hat kurzschluss ?
:
Bearbeitet durch User
Was mir auf dem ersten Blick auffällt sind die beiden heißen Stellen, siehe Umrandung im Anhang. Sitzt auf der Rückseite ein V-Regler oder Transistor am Blech, ober links, oder ist das Kabel durch gescheuert und heizt sich auf? Deine beiden Bilder (IR+real) sind nicht deckungsgleich, dass erschwert etwas die Suche und den Vergleich. Traust Du Dir zu mit dem Tastkopf in der PA zu messen? Hast Du einen 10:1 TK zur Verfügung? Markus
Markus W. schrieb: > oder ist das Kabel durch gescheuert und heizt sich auf? Nein das ist die parallaxe vom flir. Das muss alles 2cm nach rechts. Die warme stelle ist der basis widerstand vom T1 und nicht das kabel. Der rote widerstand ist der 2cm rechts vomn flir bild. Markus W. schrieb: > Traust Du Dir zu mit dem Tastkopf in der PA zu messen? Das ist alles auf der unterseite der platine. Da ist nicht ranzukommen, nicht im betrieb. Messen kann ich nur von oben, und ja, auch live. Bei dem ding ist restwert << reparaturkosten (hier in CH).
:
Bearbeitet durch User
Könnte auch sein, dass das oben links nur eine Reflektion am Blech ist.
Nein das ist parallaxe. Schau meine einzeichnug weiter oben. Wenn der rot eingerahmte widerstand oben im bild wesentlich wärmer wird als kollege auf der anderen seite, was heisst das?
Hadmut F. schrieb: > Wenn der rot eingerahmte widerstand oben im bild wesentlich wärmer wird > als kollege auf der anderen seite, was heisst das? Also der liegt ja in der Rückkopplung und ist mit 1W Belastbarkeit nicht ohne Grund so groß dimensioniert, ich denke der muss im Normalbetrieb dann auch warm werden. Meine Vermutung wäre dass ein Problem besteht in dem Zweig, wo der Widerstand kalt bleibt.
Bernhard S. schrieb: > Meine Vermutung wäre dass ein Problem besteht in > dem Zweig, wo der Widerstand kalt bleibt. Einleuchtend. 👍 Der Q6103 kaputt?
:
Bearbeitet durch User
Du könntest durch die Übertragener eine Windung isolierten Draht durch stecken um die Signale auszukoppeln und mit dem Oszi messen. Diese Windung kannst Du z.B. mit 1k Ohm Wid. abschliesen, damit sie etwas belastet ist und dann daran den Tastkopf messen. Damit bist Du dann galvanisch getrennt und würdest zumindest die Signalform sehen können. An den PA Transistoren müsstest Du auch die Lötfahnen mit dem Tastkopf erreichen. Dort kannst Du B, C, E, gegen Masse messen. Den 2SC2879 bekommt man noch gut zu kaufen, falls einer defekt ist. übrigens der selbe PA-Transistor wie im TS50. Habe Dir die Anschlussbelegung zum 2SC2879 mit angehängt. vy73 Markus
An den Leistungs-Widersänden kannst Du ja auch messen, da kommt man von oben gut hin. Markus
Markus W. schrieb: > An den Leistungs-Widersänden kannst Du ja auch messen 👍 Mein verdacht ist einer der 2SC3133. Einer bringt genug drive um unter 3.5M die endstufe auf 100W auszusteuern, aber bei 7M reichts nur noch für 50W. Klingt plausibel. Da die über trafo gekoppelt sind kann man wohl nicht eindeutig feststellen ob einer hinüber ist. Ausse ich nehme einen raus und schaue ob was ändert. Würde das collector beinchen hochbiegen reichen? Oder geht der dann kaputt wenn er basisstrom hat?
:
Bearbeitet durch User
Hadmut F. schrieb: > Das flir bild hat keine parallaxen kompensation. > Da muss man alle heissen stellen nach rechts verschieben. > > Mit welchem programm kann ich transparent bilder übereinanderlegen? Bei den Flir kannst Du den tatsächlichen Abstand zum Objekt im Menü einstellen, dann stimmt auch die Parallaxe einigermaßen.
K.Werte x10 weil 1:10 kopf. AC kopplung. Collector spannung vorstufe transistor rechts und Collector spannung vorstufe transistor links Ist der links kaputt ? Hab mal welche bestellt.
:
Bearbeitet durch User
Hadmut F. schrieb: > Hab mal welche bestellt. Hast du noch nicht genügend von Richis Analysen gesehen? ;-) Die Chancen, dass die auch irgendwas wie original sind, dürften doch sehr gering sein. Mit Glück sind sie „nur“ recycelt und nicht komplett falsch. Ich würde vorsichtig beide auslöten und erstmal extern testen.
:
Bearbeitet durch Moderator
Jörg W. schrieb: > Die Chancen, dass die auch irgendwas wie original sind, dürften doch > sehr gering sein. Das ist mir völlig egal wenn sie problemlos funktionieren. Natürlich werde ich beide wechseln weil sonst wird es asymmmetrisch. Wenn einer der 3 shops ausgelötete ware bringt werde ich genau diese brauchen. Ich warte mit auslöten bis ersatz da ist, sonst vergess ich in den 2 wochen wie was wo. Ja, alt sein hat eine tragische komponente. Ich danke allen mithelfern für die tips und die motivation. Ohne euch wäre der FT1000MP schrott. 🥰🥰🥰 Alleine hätte ich das nie geschafft. Ich berichte dann !
:
Bearbeitet durch User
@Hadmut, schau mal da, ob die Halbleiter verfügbar sind. https://sh-halbleiter.de/ https://www.segor.de/ https://www.rf-microwave.com/en/home/ https://www.box73.de/index.php?cPath=82_83 vy73 Markus PS.: Hast Du einen Transistortester, um den ausgelöteten zu verifizieren und eventuell einen Vergleichstype dadurch besser wählen zu können.
:
Bearbeitet durch User
Hallo Hadmut. Hadmut F. schrieb: > Ohne euch > wäre der FT1000MP schrott. Nö, wär er nicht. Du könntest ihn ja zu einem QRP-Gerät umbauen. Ansteuerleistung macht er ja noch. > Ich berichte dann ! :thumpsup: Viel Erfolg! Mit freundlichem Gruß Bernd Wiebus alias dl1eic http://www.l02.de
Hadmut F. schrieb: > Das ist mir völlig egal wenn sie problemlos funktionieren. Das weißt du aber nicht, ohne sie nicht zumindest rudimentär zu verifizieren. > Natürlich > werde ich beide wechseln weil sonst wird es asymmmetrisch. Nicht einmal das würde ich als gegeben annehmen, also dass von dem, was du bekommst, die Daten zwischen den Exemplaren vergleichbar sind. > Wenn einer > der 3 shops ausgelötete ware bringt werde ich genau diese brauchen. Das siehst du nicht – die verkaufen die natürlich “refurbished”, also wieder aufpoliert. > Ich warte mit auslöten bis ersatz da ist, sonst vergess ich in den 2 > wochen wie was wo. Ja, alt sein hat eine tragische komponente. Dafür gibt's elektronische Kameras an allen Ecken und Enden, die können sich das merken. Ich würde sie an deiner Stelle schon deshalb vorher ausbauen und messen, weil ja noch völlig unsicher ist, ob es überhaupt an den Transistoren liegt. Kann ja auch noch was ganz anderes sein, und in diesem Falle wäre natürlich das Einsetzen der originalen Transistoren an dieser Stelle auf jeden Fall die sinnvollste Option.
:
Bearbeitet durch Moderator
Vom groben Datenvergleich könnten 2SC1945 auch passen. Sind vielleicht noch etwas besser und vertrauenswürdiger zu bekommen.
Also mein 1. Kandidat für die Fehlersuche bei so einem Fehlerbild wären ja die Relais im Tiefpass hinter der Endstufe. Das würde ich auf jeden Fall vor dem Transistor-Tausch überprüfen.
Naja, dass die auf mehreren Bändern zugleich den Geist aufgeben, halte ich für eher unwahrscheinlich. Die Tiefpässe umfassen doch jeweils größere Frequenzbereiche.
Jörg W. schrieb: > Naja, dass die auf mehreren Bändern zugleich den Geist aufgeben, halte > ich für eher unwahrscheinlich. Die Tiefpässe umfassen doch jeweils > größere Frequenzbereiche. Wenn da ein Relais "klebt", kann das schon so aussehen... Besonders, wenn einer der TPs der unteren Bänder nicht abgeschaltet werden kann. Ich würds zumindest testen.
:
Bearbeitet durch User
Harry L. schrieb: > Ich würds zumindest testen. Ich habe den ganzen LPF mit nanoVna durchgeläutet. Vom PA eingang bis antenne ausgang. Der ist IO.
:
Bearbeitet durch User
Hadmut F. schrieb: > Harry L. schrieb: >> Ich würds zumindest testen. > > Ich habe den ganzen LPF mit nanoVna durchgeläutet. Vom PA eingang bis > antenne ausgang. Der ist IO. Auf allen Bändern? Schau dir den LPF auf den höheren Bändern mal mit der Thermo-Cam an.
:
Bearbeitet durch User
Harry L. schrieb: > Auf allen Bändern? Wäre das nötig? Ausserdem sind die kollektorspannungen der push-pull vorstufe ziemlich eindeutig. Da pullt einer nicht. Ob die endstufe auch einen knax hat sehe ich erst wenn die vorstufe repariert ist. Da auf 80m volles signal kommt denke ich eher nicht. Harry L. schrieb: > Schau dir den LPF auf den höheren Bändern mal mit der Thermo-Cam an. Lol, schon gemacht. Man sieht mit der cam welche relais angezogen sind oder waren. So hab ich die ansteuer-logik überprüft. Der FT1000MP ist vor 2010 fast täglich stundenlang gelaufen. Das ist kein mimöschen.
:
Bearbeitet durch User
Jörg W. schrieb: > Vom groben Datenvergleich könnten 2SC1945 auch passen. Sind vielleicht > noch etwas besser und vertrauenswürdiger zu bekommen. Zum Apothekenpreis: https://www.donberg.de/katalog/halbleiter/halbleiter_2sc/2sc_1945.html https://www.funktechnik-bielefeld.de/mitsubishi-2sc-1945-am-l-80v-6a-pq-16w-27mhz Da würde ich zumindest erwarten, dass das Originale sind. Ist ein Jammer, das Zeug war dazumals, als CB noch überall gängig war, vergleichsweise billig. Man hätte sich davon mal 10 Stück auf Halde legen können …
Hi, würde auch auf einen defekten 2SC3133 tippen, habe schon zwei Fields hier gehabt, bei beiden war einer der 2SC3133 defekt, schaut euch die Beschaltung der Stufe an, da hat Yaesu "alles" gegeben... Die 2SC3133 die du so im Netz findest sind zu 99% Fälschungen... ein Umbau auf RD16HHF wäre denkbar, das habe ich zumindest bei ICOM Radios gemacht und funktioniert bis heute. Das Problem beim FT1kmp/field ist, das die die Vorspannung/ den Ruhestrom der Stufe nicht einstellbar haben, somit ist das nur mit experimentieren zu lösen.
:
Bearbeitet durch User
René H. schrieb: > schaut euch die Beschaltung der Stufe an, Kan ich nicht einschäzen, das wissen und erfahrung fehlt mir. René H. schrieb: > Die 2SC3133 die du so im Netz findest sind zu 99% Fälschungen... Was mir 100% egal ist WENN sie funktionieren. Notfalls, wenn die china dinger nicht spielen, nehme ich originale aus dem TS50 raus, der hat die gleichen.
Hadmut F. schrieb: > Notfalls, wenn die china dinger nicht spielen, nehme ich originale aus > dem TS50 raus, der hat die gleichen. Dann würde ich an deiner Stelle lieber erstmal 2SC1945 versuchen – so sehr unterschiedlich sehen mir die Daten nicht aus. Der grundsätzliche Anwendungszweck (CB-PA mit viel Reserve) war der gleiche für beide.
von der 3 x 10 bestellten 3133 sind 1. firma 10 x hfe 215 (sfr 2.74) 2. firma 1 x hfe 143, 9x hfe 172 (sfr 3.81) 3. firma 1 x hfe 122, 2 x hfe 143, 6 x hfe 172, 1 x hfe 215 (sfr 4.32) Also entweder die 215 weil beste konsistenz oder die 172 weil häufig. Soll ich einfach mal strom durchlassen bis kaputt um zu testen?
:
Bearbeitet durch User
Herbert Z. schrieb: > HF Transistoren bekommt man auch gut im Funkamateur Shop. Die hier relevanten nicht. Hadmut F. schrieb: > 10 x hfe 215 HF-Transistoren bewertet man wohl nicht primär nach der Stromverstärkung. Strombelastbarkeit kannst du natürlich allemal testen, aber nicht bis kaputt. Interessant wäre ja der Test bei einigermaßen HF, also einen Verstärker aufbauen und die Verstärkung messen, durchaus mit etwas Last. Hast du denn endlich mal die alten ausgebaut und gemessen, ob tatsächlich einer kaputt ist?
Jörg W. schrieb: > Hast du denn endlich mal die alten ausgebaut und gemessen, ob > tatsächlich einer kaputt ist? Nein, kommt noch. Die collector spannung oszi bild ist ziemlich eindeutig, einer ist hinüber. Ja, du hast recht, ich hol die morgen raus.
:
Bearbeitet durch User
Jörg W. schrieb: > Interessant wäre ja der Test bei einigermaßen HF, also einen Verstärker > aufbauen und die Verstärkung messen, durchaus mit etwas Last. Denke da würde ein 5 ohm R im collector bei 12V ausreichen? Die bias auf 0.5 A strom einstellen? Als ansteuerung reicht aber der signalgenerator des fnirsi oszi kaum, zu wenig leistung und nur bis 10mhz. Wo nehme ich 0.5W @ 30mhz her?
wenn die funktionieren, wäre mir das auch egal, war aber nicht so, keine HF Transistoren, ich habe die mit einer alten CB PA getestet. Du solltest versuchen die Schaltung zu verstehen und auch schauen wo und wie du messen kannst, sonst lass das lieber und gebe das Gerät zu jemanden mit Erfahrung, bevor der schaden größer wird.
Jörg W. schrieb: > Hast du denn endlich mal die alten ausgebaut und gemessen, ob > tatsächlich einer kaputt ist? Ja, habe ich. Und "staun" beide sind IO und messen gleich. Jeztz weiss ich nicht wie weiter.
Hadmut F. schrieb: > Jeztz weiss ich nicht wie weiter. Den Fehler suchen. :-)) Im Ernst: schau dir in beiden Zweigen des Verstärker einzeln die Bauteile an, passen alle Widerstände? Ist ein Kondensator kaputt? Vielleicht einfach nur 'ne kalte Lötstelle?
Hadmut F. schrieb: > Jeztz weiss ich nicht wie weiter. Kauf dir nen TinySA (bezahlbar, aber eigentlich unbezahlbar) und nen Satz billige SMA-Abschwächer aus China. Damit kannst du dann eine "klassische Signalverfolgung" machen. Vor allem siehst du die Pegel; zwar nicht kalibriert, aber du kannst effektiv vergleichen. Meist gehts auch ohne Abschwächer, wenn du kapazitiv über paar pF direkt auf den Messpunkt einkoppelst. Wenn du erstmal weist, in welcher Stufe das Problem auftritt, sollte sich auch der Fehler relativ leicht finden lassen. Das wäre jedenfalls meine (bewährte) Vorgehensweise.
:
Bearbeitet durch User
Harry L. schrieb: > Vor allem siehst du die Pegel Und ich vergas zu erwähnen, daß du auch direkt erkennst, ob es sich um das Nutzsignal oder unerwünschte Schwingungen handelt.
:
Bearbeitet durch User
Harry L. schrieb: > Wenn du erstmal weist, in welcher Stufe das Problem auftritt, sollte > sich auch der Fehler relativ leicht finden lassen. Da er Unsymmetrien im (Gegentakt-)Treiber bereits ausgemacht hat, hat er doch eigentlich schon die Stufe, in der es passiert. Nur dass es eben nicht – wie seine erste Annahme war – einer der beiden Transistoren dort ist, sondern irgendwas anderes.
Wobei ich gerne wissen würde, wie er das gemessen hat, nach meiner Erfahrung ändert sich die Schwelle der Durchbruchsspannung leicht, so das die unsymmetrisch laufen, da der Ruhestrom nicht getrennt regelbar bzw. Für die Stufe Überhaupt nicht einstellbar ist, führt das dann zu Problemen. Man könnte die Stufe mit jeweils einem rlc nachbilden und dann die verhältnisse messen, vielleicht ist auch ein Kondensator fehlerhaft, wie schon geschrieben wurde.
Jörg W. schrieb: > Da er Unsymmetrien im (Gegentakt-)Treiber bereits ausgemacht hat, hat er > doch eigentlich schon die Stufe, in der es passiert. Nur dass es eben > nicht – wie seine erste Annahme war – einer der beiden Transistoren dort > ist, sondern irgendwas anderes. Zuerst hätte ich die verbliebenen Halbleiter und Relais unter Verdacht, dann Kondensatoren und Widerstände, dann Drosseln und dann die Leiterplatte selber. Dass eine Sichtkontrolle auf schlechte Lötstellen und abgerissene Anschlüsse ergebnislos war, davon gehe ich schon einmal aus. Andere Vorgehensweise: Zuerst das Untersuchen, was gut zu untersuchen ist, aber im Hinterkopf behalten, dass der Fehler durchaus anderswo sein kann. Doof sind Fehler, die sich nur unter bestimmten mechanischen Spannungszuständen zeigen, wie bei angerissenen Leiterbahnen, Widerständen oder Kondensatoren (NP0 ist da robuster als Vielschicht). PS: Was ich mal hatte waren "verschwundene" Kerne von Ferritdrosseln. Das waren kunststoffgebundene, und deren Material war altersbedingt zerfallen und rieselte heraus. War aber aus einem Schaltregler und thermisch/mechanisch gut beansprucht. Mit freundlichem Gruß Bernd Wiebus alias dl1eic http://www.l02.de
Bitte melde dich an um einen Beitrag zu schreiben. Anmeldung ist kostenlos und dauert nur eine Minute.
Bestehender Account
Schon ein Account bei Google/GoogleMail? Keine Anmeldung erforderlich!
Mit Google-Account einloggen
Mit Google-Account einloggen
Noch kein Account? Hier anmelden.















