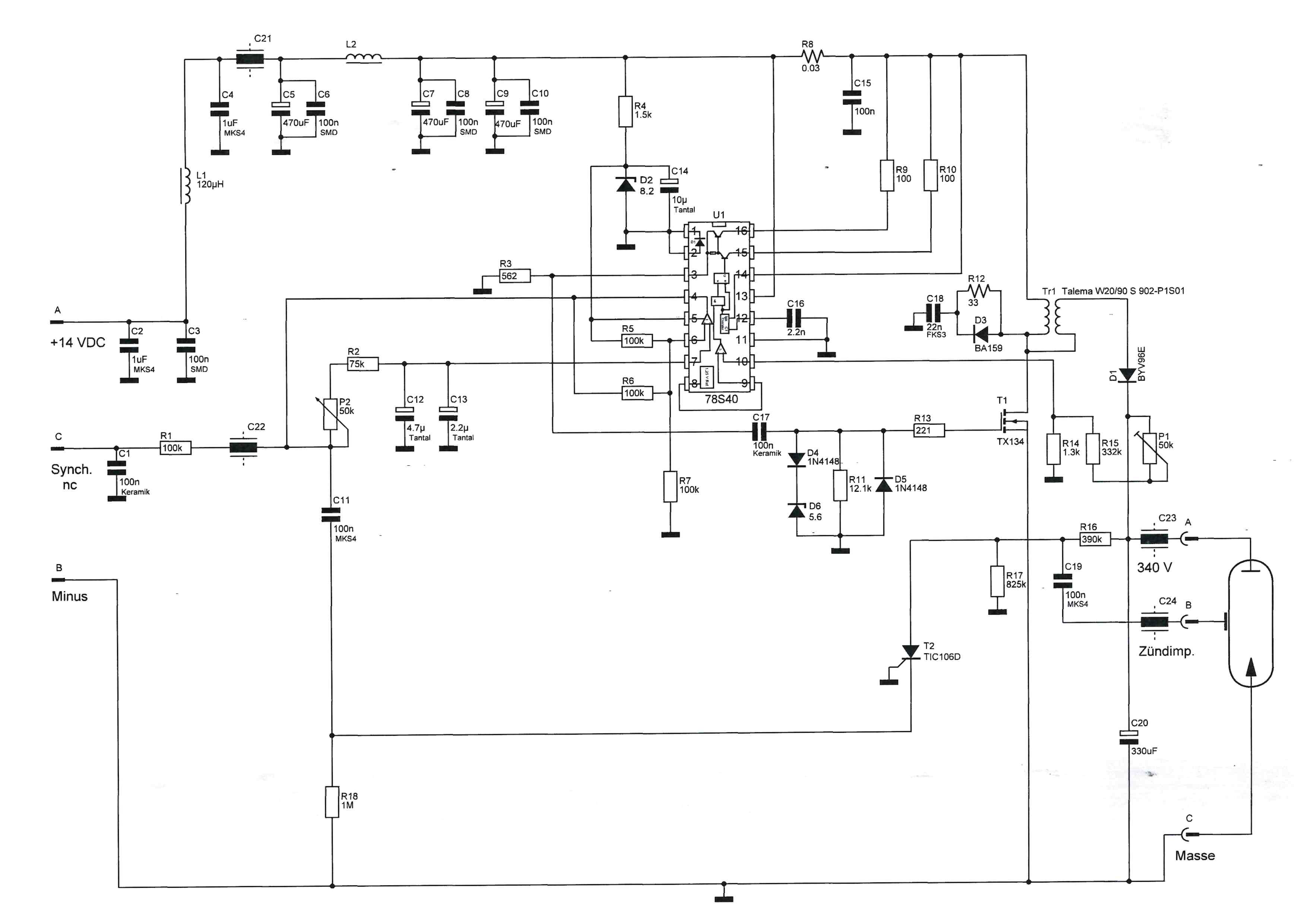
Hallo zusammen, ich würde gerne euere Hilfe in Anspruch nehmen. Ich habe hier ein Anti-Collision-Light ACL 1000 aus einem Segelflieger. Der Schaltregler für Spannung der Blitzlampe ist mit einem 78S40 realisiert worden. Das Gerät ist ca. 30 Jahre alt und funktioniert nicht so wie es soll. Es sollte eine Blinkfrequenz von 50-70 Blitzen pro Minute einstellbar sein. Es blitzt aber nur ungefähr alle 10 Sekunden. Der Blitzelko C20 wird zu langsam aufgeladen, ich habe am Elko die Spannung gemessen. Und es dauert die 10 Sekunden, dann hat der Elko eine Spannung von ca. 250 Volt und die Lampe blitzt. Was ich noch gemessen habe ist die Versorgungsspannung von 8,2 Volt die mittels D2 erzeugt wird und auch die Referenzspannung von 1,22 Volt die direkt vom 78S40 kommt. Was ich nicht verstehe ist die Schaltung des Thyristors T2, dieser ist für den Zündimpuls zuständig. Da aber das Gate an Masse liegt muss es sich dabei wohl um eine Schaltung handeln bei der der Thyristor über Kopf zündet!? Ist so etwas gebräuchlich? An dem Synch.-Anschluss auf der linken Seite ist nichts angeschlossen, dieser dient laut Anleitung dazu zwei Blitzlampen synchron oder im Gegentakt laufen zu lassen. Den Schaltplan habe ich selbst anhand der Platine gezeichnet, da ich keine weiteren Unterlagen zur Verfügung hatte. Wäre schon wenn mir jemand einen Tip geben könnte wie ich weiter vorgehen kann. Mit Schaltreglern hatte ich bisher wenig zu tun. Danke
Wie sieht die Spannung hinter L2 aus (Oszi, nicht Multimeter!), ist die stabil, oder bricht die zusammen? Falls letzteres, guck Dir mal die 470uF-Elkos an.
Was ist das für ein Bauteil C21? Das Schaltbild ist mir völlig unbekannt. Gibt es ein paar Male in diesem Schaltplan. Pauschal würde ich meinen, dass das die Leitungskapazität sein soll. Wie geschrieben, diese Schaltbild kenne ich nicht.
Frank O. schrieb: > Was ist das für ein Bauteil C21? Das Schaltbild ist mir völlig > unbekannt. Das sind, wenn korrekt erfasst, Durchführungskondensatoren in ein Metallgehäuse.
Frank O. schrieb: > Was ist das für ein Bauteil C21? Das Schaltbild ist mir völlig > unbekannt. > Gibt es ein paar Male in diesem Schaltplan. > Pauschal würde ich meinen, dass das die Leitungskapazität sein soll. Künstliche Leitungskapazität. Das sind Durchführungskondensatoren. Diese Keramikrohre, die in dem Alublock stecken und wo die Drähte durchgehen. In dem Schaltplan gehört an die Außenlage eigentlich noch ein Massezeichen. Die Schaltung sitzt in einem geschlossenen Metallgehäuse, wo die Aluschiene eine Wand bildet. Wenn der Schaltregler grundsätzlich läuft, aber keine Leistung bringt, würde ich auch als erstes die Elkos kontrollieren. Insbesondere den Blitzelko. Da muss ein schaltfester rein, der für Pulsentladung gedacht ist. Ein normaler reicht zum Testen (es blitzt ja nur 1x pro Sekunde, kein Stroboskop), wird aber irgendwann breit sein.
:
Bearbeitet durch User
Frank O. schrieb: > Was ist das für ein Bauteil C21? Das Schaltbild ist mir völlig > unbekannt. C21-C24 sind Durchführungskondensatoren, das Gerät ist in einem Alugehäuse untergebracht.
Guck Dir auch mal die Röhre an. Je nach Belastung kann die auch durch sein, dann wird sie zünd-unwillig. Umdrehen oder ein paar Umdrehungen mehr von dem Zünddraht drumwickeln hilft ein paar Tage bis der Ersatz da ist. Alte Fototricks. Wenn an den Elektroden der Röhre schwarze Ablagerungen im Glas zu sehen sind, dann ist das ein Zeichen für Verschleiß.
Danke Männer! Tatsächlich habe ich auch noch nicht solche Kondensatoren im wahren Leben gesehen. Muss ich nachher erstmal drüber nachlesen, wofür man die einsetzt. Aber jetzt will ich den Thread nicht weiter damit stören. Vielen Dank an alle!
Frank O. schrieb: > Danke Männer! > Tatsächlich habe ich auch noch nicht solche Kondensatoren im wahren > Leben gesehen. > Muss ich nachher erstmal drüber nachlesen, wofür man die einsetzt. Letztlich dienen die eine Dämpfung von Hf zu erledigene Ob Du das unter EMV oder Störschutz für Deine Gerät oder Entkopplung zu anderne sensiblen Geräten ablegst, das Ziel ist dicht dabei. https://de.wikipedia.org/wiki/Durchf%C3%BChrungskondensator
Frank O. schrieb: > Tatsächlich habe ich auch noch nicht solche Kondensatoren im wahren > Leben gesehen. Waren bereits zu Röhrenzeiten in jedem UKW- oder Ferseher-Tuner drin! https://www.ebay.de/itm/325681048683 https://www.jogis-roehrenbude.de/UKW-Projekt/Mischteil/Ernst/Tuner-u-offen.jpg
Dass es zu langsam blitzt kann ja mehrere Ursachen haben. Die 250V wird aber vermutlich jede Art von Blitzröhre mindestens brauchen. Demnach wird also entweder der grosse Kondensator mit zuwenig Strom geladen oder die Leistung fliesst irgendwo wieder ab. Bei 0.1Hz dürfte der dicke 330µF-Blitzelko eigentlich nicht warm werden. Lass das Teil doch mal eine Viertelstunde laufen und prüfe, ob der sich deutlich erwärmt! Wenn ja, austauschen! Gilt auch für alle Folienkondensatoren - die dürfen bei 0.1Hz nicht warm werden. Bei 1Hz kann das je nach Pulsstrom aber schon sein. Auch Tantalkondensatoren sind eine Quell ewigen Ärgers. Die hier werde zwar in einem gesunden Bereich betrieben, aber man weiss ja nie, die sterben oft auch einfach so! Bist Du mit der Belegung des TIC106 sicher? Bei Tyristoren ist die Pinbelegung meist KAG - von vorne gesehen)
:
Bearbeitet durch User
Klaus F. schrieb: > Waren bereits zu Röhrenzeiten in jedem UKW- oder Ferseher-Tuner drin! > https://www.ebay.de/itm/325681048683 > https://www.jogis-roehrenbude.de/UKW-Projekt/Mischteil/Ernst/Tuner-u-offen.jpg Danke Klaus!
Soul E. schrieb: > Guck Dir auch mal die Röhre an. Je nach Belastung kann die auch durch > sein, dann wird sie zünd-unwillig Die Röhre ist neu, weil die alte im Flugzeug sitzt. Mit beiden Röhren macht die Schaltung das gleiche - leider. Christoph Z. schrieb: > Bist Du mit der Belegung des TIC106 sicher? Bei Tyristoren ist die > Pinbelegung meist KAG - von vorne gesehen) Leider stimmt die Belegung vom TIC 106, habe ich mindestens 10x geprüft weil ich es selbst nicht glauben wollte. Wie der Ablauf des Zündvorganges statt findet erschließt sich mir gar nicht. Frank O. schrieb: > Tatsächlich habe ich auch noch nicht solche Kondensatoren im wahren > Leben gesehen. Wahrscheinlich bist du jüngeren Semsters ;-) Ich habe diese Dinger schon oft gesehen. Hmmm schrieb: > Wie sieht die Spannung hinter L2 aus (Oszi, nicht Multimeter!), ist die > stabil, oder bricht die zusammen? Die Spannung nach L2 mit Oszi messen mache ich noch. Aber vorab... Muss ich für die 470uF Elkos bestimmte Typen nehmen, Low ESR? Oder tun es auch normale mit 105°C anstatt 85°C und wo bekomme ich einen schaltfesten Blitzelko her? Die Tantalos habe ich schon getauscht, weil ich wusste die machen oft Probleme, hat aber nichts geändert.
Wolfgang S. schrieb: > Das Gerät ist ca. 30 Jahre alt Viel älter, schon der 78S40 stammt von 1980. Es wird ein DG-1000 sein, mit aus meiner Feder. Ich gehe von erhöhtem Leckstrom des Blitzelkos aus, aber auch die Trimmpotis sind nicht unvedächtig.
H. H. schrieb: > Viel älter, schon der 78S40 stammt von 1980. Es wird ein DG-1000 sein, > mit aus meiner Feder. Das heißt genau? Du hast die Kiste erfunden? Wenn ja, kannst du mir das mit dem Thyristor erklären? Oder meinst du der Flieger stammt mit aus deiner Feder?
:
Bearbeitet durch User
Wolfgang S. schrieb: > H. H. schrieb: >> Viel älter, schon der 78S40 stammt von 1980. Es wird ein DG-1000 sein, >> mit aus meiner Feder. > > Das heißt genau? Du hast die Kiste erfunden? Nein, aber ich war im Team. > Wenn ja, kannst du mir das > mit dem Thyristor erklären? Dein Schaltplan hat sicherlich mehrere Fehler. Auf Originale kann ich nicht mehr zugreifen, und werde auch nicht weiter drüber schreiben.
H. H. schrieb: > Dein Schaltplan hat sicherlich mehrere Fehler. > > Auf Originale kann ich nicht mehr zugreifen, und werde auch nicht weiter > drüber schreiben. Ok, verstanden wenn du nicht weiter darüber schreiben magst. Allerdings meine ich das mein Schaltplan keine Fehler hat, ich habe den zigmal geprüft und auf der Platine durchgeklingelt. Trotzdem Danke!
Der Thyristor steuert einen Zündtrafo an, dessen Hochspannungsspule über die Zündelektrode die Blitzröhre zündet.
Wolfgang S. schrieb: > Allerdings meine ich das mein Schaltplan keine Fehler hat, ich habe den > zigmal geprüft und auf der Platine durchgeklingelt. Stell doch mal bitte hochauflösende Bilder von Vorder- UND Rückseite der Platine zur Verfügung.
Wolfgang S. schrieb: > und wo bekomme ich einen > schaltfesten Blitzelko her? Werden oft als 'Photo-Flash' Type angeboten.
Hmmm, ich sehe im Schaltplan keinen Zündübertrager an der Zündelektrode. Tr1 ist ja wohl zum Erzeugen der Brennspannung da. Zusätzlich braucht es noch einen Übertrager, um eine hohe Zündspannung an die Zündelektrode zu bringen. Normalerweise wird durch den Thyristor ein Kondensator entladen und dadurch in der Zündspule der Spannungsimpuls erzeugt. Und die Kathode des TIC106 am 1MOhm-Widerstand, und die Kathode auf Masse, alles etwas seltsam... Nachtrag: Was ist der schwarze Zylinder rechts vom Blech? Evtl. ist der kleine gelb umwickelte Übertrager der Zündtrafo. Aber normalerweise sind das recht kleine Bauteile. ciao Marci
:
Bearbeitet durch User
Wolfgang S. schrieb: > Allerdings meine ich das mein Schaltplan keine Fehler hat, ich habe den > zigmal geprüft und auf der Platine durchgeklingelt. Nö, so eine Xenon Birne braucht ca 15kV Zündimpuls auf der Triggerelektrode, und dazu gab es normalerweise eine Thyristor-getriebenen Zündimpulsübertrager. Das fehlt in Deiner Schaltung vollständig. 78S40 mei - ist das Teil alt! -> Hinz rulez, ob Du ihn nun magst oder auch nicht!
Wolfgang S. schrieb: > Was ich nicht verstehe ist die Schaltung des Thyristors T2, dieser ist > für den Zündimpuls zuständig. Der kann nach diesem Schaltplan überhaupt nicht zünden.
C18 kontrollieren... D3 ebenfalls...
:
Bearbeitet durch User
Frank O. schrieb: > Der kann nach diesem Schaltplan überhaupt nicht zünden. So wie der Thyristor gezeichnet ist - sicher nicht!
Wolfgang S. schrieb: > wo bekomme ich einen > schaltfesten Blitzelko her? Pollin verramscht die regelmäßig: https://www.pollin.de/p/camion-blitz-elektrolyt-kondensator-100-f-330v-radial-rm-5mm-10-stueck-210686 Ob sie was taugen, kann ich Dir aber nicht sagen.
Gunnar F. schrieb: > Wolfgang S. schrieb: >> wo bekomme ich einen >> schaltfesten Blitzelko her? > > Pollin verramscht die regelmäßig: > https://www.pollin.de/p/camion-blitz-elektrolyt-kondensator-100-f-330v-radial-rm-5mm-10-stueck-210686 > > Ob sie was taugen, kann ich Dir aber nicht sagen. Die funktionieren sehr gut, sogar für mehrere tausend Stunden.
Marci W. schrieb: > Evtl. ist der kleine gelb umwickelte Übertrager der Zündtrafo. Genau so ist es. Der Wandlertrafo ist der vergossene Ringkern in der blauen Box, daran angeklebt ist der Thyristor und der Übertrager mit EE-Kern ist der Zündtrafo.
Mario M. schrieb: > Genau so ist es. Der Wandlertrafo ist der vergossene Ringkern in der > blauen Box, daran angeklebt ist der Thyristor und der Übertrager mit > EE-Kern ist der Zündtrafo. Der sogenannte Ringkern in der blauen Box ist im Schaltplan als TR1 ersichtlich. Für mich ist das eher der Wandlertrafo. Der sogenannte Übertrager mit EE-Kern ist im Schaltplan als L2 (nicht ganz richtig gezeichnet) vorhanden. L2 hat auf jeder Seite 3 Anschlüsse die gebrückt sind. Eventuell Filterspule zur Störunterdrückung? Fakt ist, das der Thyristor zündet wenn die Lampe blitzt, wie das funktioniert kann ich nicht sagen. Denn ohne Thyristor blitzt die Lampe gar nicht. Was eventuell sein, die Blitzlampe selbst ist in einem Gehäuse eingebaut und vergossen, eventuell sitzt darin noch der Zündübertrager. Kann ich allerdings ohne die Lampe kaputt zu machen nicht sehen. Marci W. schrieb: > Nachtrag: > Was ist der schwarze Zylinder rechts vom Blech? Das ist eine Spule, im Schaltplan als L1 bezeichnet. Mark S. schrieb: > -> Hinz rulez, ob Du ihn nun magst oder auch nicht! Ich habe damit kein Problem, kann jeder handhaben wie er möchte. Nachtrag: Was ich nicht wissen kann, ob die Schaltung jemals funktioniert hat. Soviel ich weiß war die Schaltung von Anfang an in einem Flieger eingebaut, dieser stand mindestens 30 Jahre in der Halle ohne benutzt zu werden. Die Potis waren zwar eingestellt und auch mit Sicherungslack gesichert aber das ist keine Garantie. Ich könnte, wenn es Sinn macht, den Thyristor drehen. Dann wäre die Kathode an Masse und das Gate wäre zwischen C11 und R18. Das würde bedeuten der Thyristor wäre falsch bestückt gewesen, eher unwahrscheinlich glaube ich. Aber vorher würde ich mir dann noch Ersatz besorgen.
:
Bearbeitet durch User
Wolfgang S. schrieb: > Es blitzt aber nur ungefähr alle 10 Sekunden. > Der Blitzelko C20 wird zu langsam aufgeladen, ich habe am Elko die > Spannung gemessen. Und es dauert die 10 Sekunden Welches Rechtecksignal liefert denn Pin 4 des 78S40, alle 10 Sekunden oder einstellbar schneller ? Gezündet wird der Thyristor bei der fallenden Flanke dieses Schmitt-Oszillators, der die Kathode des Thyristors, statt dass die über R18 an Masse liegt, über C11 einen negativen Impuls kriegt (wird wegen Thyristor nur -1V sein, könnte ohne Thyristor aber mehr sein. Wenn der Blitzelko nicht weit genug aufgeladen ist, zündet die Röhre halt trotz Zündimpuls nicht. Langsames Aufladen kann an hohem Leckstrom des Blitzelkos liegen, an ungeeigneter Diode (na ja, wird Original sein) oder an schwacher Stromversorgung also ausgetrockneter Pufferelkos am Eingang.
Mark S. schrieb: > 78S40 mei - ist das Teil alt! mindestens 40 Jahre, war Teil meiner Diplomarbeit für +-15V für die OPV.
Miss mal die Widerstände, die um die 100K und höher, laut Schaltplan haben, auf Nennwert nach. Manchmal werden die mit dem Alter wesentlich hochohmiger. Das kann sowohl dazu führen, das der Timer fürs Zünden langsamer "tickt", als auch der Wandler für die Brennspannung der Röhre kann langsamer schwingen und so weniger Energie übertragen. Die Schichtdicken derartig hochohmiger Widerstände sind sehr gering. Bei ungenügend passivierter Metallschicht, kann durch Oxidation der Widerstand dann ansteigen. Wenn man einen 2. Strobo hat, kann man versuchen, dessen Zündimpulse zur Fehlersuche nutzen. Läuft der 1. damit schneller, liegt der Fehler im Zündkreis, wenn nicht, Ladespannung des Elkos im Blick behalten, dann ist was auf der Leistungsseite faul. Die Zündimpulse kann man auch mit einer Glimmlampe abgreifen und auf Vorhandensein testen. Ich hatte vor zig Jahren mir mal bei Conrad vom Wühltisch ein defektes Diskostrobo für kleines Geld gekauft. Da war der Zündkondesator, vom Schwingkreis des Zündübertragers, defekt. Das waren 22 oder 47n Folie mit etwas Spannungsfestigkeit.
Wolfgang S. schrieb: > Was eventuell sein, die Blitzlampe selbst ist in einem Gehäuse eingebaut > und vergossen, eventuell sitzt darin noch der Zündübertrager. Kann ich > allerdings ohne die Lampe kaputt zu machen nicht sehen. Jetzt wird es spannend. Du hast also nicht Glasrohr mit zwei eingeschmolzenen Drähten und einem dritten darumgewickelten, sondern Du hast eine komplette Baugruppe. Dann ist die Wahrscheinlichkeit recht hoch, dass der Zündübertrager da drinsteckt. Du müsstest zwischen Zündkabel und Kathode einen ohmischen Widerstand messen, irgendwas zwischen 100 Ohm und 10 kOhm. Zündkabel zur anderen Elektrode sollte hochohmig sein. Der Zündpuls wird über den Trennkondensator C19 eingekoppelt. Der Thyristor ist falsch gezeichnet, die Kathode gehört an Masse und das Steuersignal ans Gate.
Michael B. schrieb: > Welches Rechtecksignal liefert denn Pin 4 des 78S40, alle 10 Sekunden > oder einstellbar schneller ? > > Gezündet wird der Thyristor bei der fallenden Flanke dieses > Schmitt-Oszillators, der die Kathode des Thyristors, statt dass die über > R18 an Masse liegt, über C11 einen negativen Impuls kriegt (wird wegen > Thyristor nur -1V sein, könnte ohne Thyristor aber mehr sein. An Pin 4 ist ein einstellbares Recktecksignal zu sehen, die Frequenz enspricht dem was die Lampe können soll. Nach C11 ist dann ein Impuls mit dieser Frequenz zu sehen. Da die Lampe mit kleinerer Frequenz zündet, liegt deine Vermutung nahe das der Wandler den Blitzelko zu langsam auflädt - warum auch immer. Soul E. schrieb: > Du müsstest zwischen > Zündkabel und Kathode einen ohmischen Widerstand messen, irgendwas > zwischen 100 Ohm und 10 kOhm. Zündkabel zur anderen Elektrode sollte > hochohmig sein. > > Der Zündpuls wird über den Trennkondensator C19 eingekoppelt. Der > Thyristor ist falsch gezeichnet, die Kathode gehört an Masse und das > Steuersignal ans Gate. Der Widerstand zwischen B und C am Lampenanschluss beträgt 1 Ohm, zwischen B und A unendlich ebenso zwischen A und C. Somit ist anscheinend im Lampengehäuse der Zündtrafo eingebaut. Ich muss dich enttäuschen, der Thyristor ist so eingebaut wie ich ihn eingezeichnet habe. Ich werde mir als nächstes neue 470 uF Pufferelkos und einen Zündelko besorgen und dann sehen was passiert.
Soul E. schrieb: > Dann ist die Wahrscheinlichkeit recht hoch, dass der Zündübertrager da > drinsteckt. Die Möglichkeit besteht durchaus. Mark S. schrieb: > so eine Xenon Birne braucht ca 15kV Zündimpuls auf der Triggerelektrode, Da müsste die Leitung für die Zündung dicker isoliert sein.
Netterweise funktionieren die TIC auch mit vertauschtem Gate / Kathode. Die Verbindung ist intern eh niederohmig. Der Zündimpuls-Generator ist ein Relaxationsoszillator aka Kippschwinger. https://de.wikipedia.org/wiki/Oszillatorschaltung#Relaxationsoszillator https://de.wikipedia.org/wiki/Kippschwinger Wenn man LoESR-Cs einbaut, muss bedacht werden, dass der Einschaltstrom deutlich höher ist und den Einschalter stärker beansprucht. Evtl. nur die beiden "rechten" als LoESR ausführen. Ob die 470µF noch in Ordnung sind, sieht man an einem niederimpedanten (kurze Masseverbindungen) Oszillogramm.
Kurt A. schrieb: > Da müsste die Leitung für die Zündung dicker isoliert sein. Deswegen ist der Zündtrafo wohl im Gehäuse der Blitzlampe, zumal die Leitung von der Platine zur Blitzlampe 4m lang ist. Und alle drei Adern in einem gemeinsamen Kabel sind. Anbei zwei Oszillogramme, einmal an Pin 3 vom 78S40 und einmal am Pin 4. Torsten B. schrieb: > Ob die 470µF noch in Ordnung sind, sieht man an einem niederimpedanten > (kurze Masseverbindungen) Oszillogramm. Wo soll ich da genau messen? Oder einfach austauschen? Einen passenden Blitzelko mit 330uf und 350 Volt habe ich bisher nicht gefunden. Entweder Kapazität zu klein oder Spannung zu niedrig. Da das Gehäuse nicht groß ist, habe ich kaum Spielraum für die Verschaltung meherer Elkos um an die Werte des Blitzelkos zu kommen.
Beitrag #7955659 wurde vom Autor gelöscht.
Beitrag #7955660 wurde vom Autor gelöscht.
Wolfgang S. schrieb: > Einen passenden Blitzelko mit 330uf und 350 Volt Zum ersten Test kann man wohl Elko "Restbestände" frei anflanschen, Spannung muss passen, 100 uF reichen auch erstmal. Die o.g. von Pollin, oder normaler Elko mit kleinem Serienwiderstand, vieleicht 100 Ohm, 1-2 Watt.
Sorry Das Bild vom Pin 4 wird leider nicht angezeigt. Darauf ist ein Rechteck mit 1,09 Hz und 7,8 Volt zu sehen. Das Ansteuersignal für den Thyristor.
Wenn ich einen Kondensator suchte, würde ich alle bekannten Daten angeben, hier z.B. die Abmessungen und den Aufdruck. Das Datenblatt des UA78S40 von Onsemi: https://www.onsemi.com/pdf/datasheet/ua78s40-d.pdf und von Motorola: https://makerselectronics.com/wp-content/uploads/2025/01/ua78s40-datasheet-motorola.pdf
:
Bearbeitet durch User
Torsten B. schrieb: > einen Kondensator suchte Naja, den originalen 30 Jahre alten wird es als Ersatzteil kaum noch geben. Modernere sind eher kleiner in der Bauform. Aber es sind keine gängigen Teile, da eben nur für Blitzgerätehersteller, sowas wie Mindestsabnahme 5000 Stück aufwärts... oder Pollin Reste, ebay. Dummerweise gibt es i.d.R. auch noch 3 Gehäusevarianten pro Typwert: Dünn lang, normal, kurz dick. Ich würde unbedingt erstmal die Spannung messen, prüfen ob 330V Type reicht. Und VORSICHT: 330V und egal ob 100uF oder bisserl mehr: Macht keinen Spaß bei Berührung. Eine-Hand-Regel einhalten.
Klaus F. schrieb: > Modernere sind eher kleiner in der Bauform. Man muss ja keinen so kleinen nehmen, wichtig ist geringer ESR und ESL.
330V ist zu wenig: 1,25/1,3*(332+50+1,3)=368,558, also 400V wählen. 330 ist ja nicht die Spannung, sondern die Kapazität in µF im Schaltplan. Und die Bezeichnung ist interessant, weil im Datenblatt (falls zu finden) die Abmessungen stehen.
Torsten B. schrieb: > 330 ist ja nicht die Spannung 340 V stehen da als Sollwert der Spannung, aber mit dem Poti lässt sich die Spannung bis auf 370 V hochdrehen.
Die Pulse im Oszillogramm Pin3 sind ja relativ kurz mit 6µs von 67,4µs (14,8kHz). Grund könnte auch ein schwacher C15 (100nF) oder hoher R8 (0,33R) sein, der den Current Sense zu früh ansprechen läßt. eine Messung am Drain des T1 (TX134) ggf. mit einer 100:1-Probe würde einiges klären. Ich verstehe nicht, warum der TO Wolfgang sich alles "aus der Nase ziehen" läßt.
:
Bearbeitet durch User
Mario M. schrieb: > daran angeklebt ist der Thyristor Den TIC106 habe ich auf dem Foto erst nicht bemerkt. Ist die Kühlfahne umgebogen? Der TX134 ist ja auf dem Kühlkörper gut zu sehen.
:
Bearbeitet durch User
Torsten B. schrieb: > Ich verstehe nicht, warum der TO Wolfgang sich alles "aus der > Nase ziehen" läßt. Ich versteh nicht ganz was du damit meinst - sorry. Was ich weiß bzw. gemessen habe habe ich auch gepostet. Der R8 mit 0,03 Ohm ist nicht hochohmig, habe ich nachgemessen und ist zudem ein gewickelter Drahtwiderstand. Christoph db1uq K. schrieb: > Den TIC106 habe ich auf dem Foto erst nicht bemerkt. Ist die Kühlfahne > umgebogen? Der TX134 ist ja auf dem Kühlkörper gut zu sehen. Ja, das Teil mit der umgebogenen Kühlfahne ist der TIC106D an dem blauen Trafo.
Von welchem Hersteller ist der TX134? Ich kann die Aufschrift auf dem Foto kaum lesen. Mit "TX134 datasheet" finde ich nur Trafos von pulse. Es gab einen TIP34 pnp-Transistor von TI, auch ein Gehäuse der Art, aber nur 40V UCEmax. Mein ältestes Datenblatt zum µA78S40 steht in einem Fairchild Linear-Datenbuch von 1982. 1976 stand es noch nicht drin.
> Ich versteh nicht ganz was du damit meinst - sorry. > Was ich weiß bzw. gemessen habe habe ich auch gepostet. Dann miss halt etwas mehr imd bringe mehr in Erfahrung. Anregungen habe ich Dir schon gegeben (z.B. Ripple am C15, Drain des T1, Foto der Platinen-Unterseite und Abmessung des großen Elkos). Soll ich es Dir auch noch vorlesen?? Ich mein, Du bist ja einigermaßen ausgestattet, also nutze das Equipment entsprechend. > und ist zudem ein gewickelter Drahtwiderstand. Soso, eine Induktivität als Current-Sensor, nicht sehr klug (außer er wäre bifilar und somit induktivitätsarm gewickelt). Das TX134 heißt meiner Meinung nach TX13A oder ähnlich.
:
Bearbeitet durch User
Torsten B. schrieb: > Das TX134 heißt meiner Meinung nach TX13A oder ähnlich. Nö, der heißt schon TX134. Ein 200V n-MOSFET für gut 10A.
Hmmm, einziger Treffer zum TX134: https://www.oemsemi.com/ic/TA75358FB/476758.html TX134 TRANSISTOR,MOSFET,N-CHANNEL,200V V(BR)DSS,9A I(D),TO-220AB Hinz, was meinst Du zu dessen Hersteller?
:
Bearbeitet durch User
Torsten B. schrieb: > TX134 TRANSISTOR,MOSFET,N-CHANNEL,200V V(BR)DSS,9A I(D),TO-220AB Nur 9A? Kann auch sein. > Hinz, was meinst Du zu dessen Hersteller? Mir fällt nur noch das Kürzel TXC ein.
Da steht noch ein Herstellername: TX134 Texet Semiconductors TRANSISTOR,MOSFET,N-CHANNEL,200V V(BR)DSS,9A I(D),TO-220AB Discontinued https://de.abc-semi.com/products/dd0/tx6n35m.html Herkunftsland : USA TAIWAN MEXICO MALAYSIA PHI https://ace4parts.com/collections/texet/semiconductors die sehen dem Foto oben nicht sehr ähnlich. https://www.hpgksz.com/brand/Texet_Semiconductors-1631.html ein sehr mysteriöser Hersteller, sozusagen eine Geisterfirma.
Ich habe zu Texet (Allen, Texas) auch mal recherchiert. In meinem Fundus finden sich schliesslich noch Teile von denen. Die scheinen nur ganz kurze Zeit (1-2 Jahre) produziert zu haben und sind dann 1985 pleite gegangen. Datenblätter sind mir keine bekannt.
:
Bearbeitet durch User
Klaus F. schrieb: > Torsten B. schrieb: >> einen Kondensator suchte > > Naja, den originalen 30 Jahre alten wird es als Ersatzteil kaum noch > geben. Modernere sind eher kleiner in der Bauform. > Aber es sind keine gängigen Teile stecken doch in jedem (D)SLR Blitz und die gibt es https://www.google.com/search?q=canon+EX580++gebraucht dies sind aber VK Wünsche
Wie geht es hier weiter? Wie ist denn die Stromaufnahme? Wird bei längerem Betrieb etwas warm? Falls der dicke Blitzkondensator einen erhöhten Leckstrom hat: einfach erhältlich 25,4x40mm für 4,35 Euro: https://www.reichelt.de/de/de/shop/produkt/elko_radial_330_f_400_v_105_c_25_4_x_40_mm_rm_10_snap-in-124688 Oder bei der aktuellen Digikey-Sammelbestellung diesen von Chemi-Con für USD 12,35 mitbestellen: 565-EKMT421VSN331MQ50S-ND high ripple current type Lifetime @ Temp.: 3000 Hrs @ 105°C Operating Temperature: -25°C ~ 105°C Applications: General Purpose Ripple Current @ Low Frequency: 1.93 A @ 120 Hz Ripple Current @ High Frequency: 2.7599 A @ 50 kHz Lead Spacing: 0.394" (10.00mm) Size / Dimension: 1.000" Dia (25.40mm) Height - Seated (Max): 2.047" (52.00mm) Mounting Type: Through Hole Package / Case: Radial, Can - Snap-In Meint ihr, der wäre Blitz / Puls-belastbar? Wie kennzeichnen / benennen die Markenhersteller ihre Blitz-Cs?
https://www.rubycon.co.jp/wp-content/uploads/catalog-aluminum/MXG.pdf Von Rubycon habe ich folgende gefunden: MXG series µF Volt Abmess Irms 330 400 22×55 1.82 330 400 25×45 1.76 330 420 22×60 1.86 330 420 25×50 1.74 330 450 25×50 1.82 450MXG330MEFCSN25X50 ist bei digikey für 8,25 lieferbar.
Torsten B. schrieb: > Meint ihr, der wäre Blitz / Puls-belastbar? Nein. Wenn es nicht dabeisteht, ist es kein Flash Elko.
FTcap (Fischer und Tausche) stellt Blitzkondensatoren her: E-Type https://de.mersen.com/sites/default/files/files_imported_ep/Data%20Sheet_Radial%20photo%20flash%20capacitors.pdf Mersen acquired FTCAP GmbH in 2018, bringing two well-known brands of capacitors to its product portfolio of solutions for power management: FTCAP and Leclanché. folgende Typen wären in etwa passend: V µF Joules Abmess 350 120 7,8 25 x 49 nur 120µF 350 330 20,0 30 x 55 der einzige mit 330µF, knappe Spannung und vermutlich zu dick Cornell Dubilier hat entsprechendes, bei Mouser gar nicht mal so teuer: https://www.cde.com/resources/catalogs/380LQ.pdf folgende sind 400V µF Typ ESR1 ESR2 I1 I2 Abmessung Bestand 330 380LQ331M400K022 0.603 0.301 1.90 2.66 30 x 30 5,48 € 188 330 380LQ331M400K032 0.603 0.300 1.90 2.66 30 x 35 2,59 0 330 380LQ331M400A012 0.603 0.301 1.90 2.66 35 x 25 4,50 0 390 380LQ391M400J452 0.510 0.255 2.13 2.98 25 x 45 4,77 0 mein Fazit: wie kann ein 330µF 400V Blitzkondensator nur 25x50mm groß sein? Ist es wirklich ein Pulse-Kondensator? Ich habe da meine Zweifel.
Torsten B. schrieb: > V µF Joules > 350 330 20,0 20 Joules und das ca. einmal pro Sekunde sind ein Mittelwert von 20W. Da wird die Blitzröhre ganz schön warm und die bald 2A auf der 12V Seite sind auch nicht unbedingt vernachlässigbar.
Torsten B. schrieb: > wie kann ein 330µF 400V Blitzkondensator nur 25x50mm groß sein? Blitzkondensatoren sind immer überraschend klein. Konventionelle selbst ultraklein, kriegt man selten in den Platz.
Hallo, sorry das ich mich erst jetzt wieder melde. Um einige Fragen zu beantworten. Die Stromaufnahme der Schaltung beträgt 450 mA, ist aber mit 2 Ampere bei 14 Volt angegeben. Das trifft dann wohl zu wenn die Blitzferquenz bei den 60/Minute liegt, die aber jetzt nicht erreicht werden, sondern nur ca. 6/Minute. Der Blitzelko hat eine gemesssene Kapazität von 310uF und einen ESR von 0,06 Ohm bei 1kHz, einen Leckstrom konnte ich nicht feststellen. Zu Testzwecken habe ich einen anderen Elko mit 350uF und 400V eingebaut ohne Veränderung. Zu den 470uF Elkos habe ich probeweise zusätzlich 470uF parallel geschaltet ohne das sich etwas geändert hat. Die Dioden D3 und D1 habe ich mit einem Diodentester überprüft. C18 weist auch keinen Fehler auf. Poti P1 habe ich probeweise getauscht ohne Erfolg. Den Schaltregler 78S40 hatte ich zu Anfang schon einmal erfolglos getauscht. Die Widerstandswerte im Schaltplan stimmen alle, die hatte ich zur Erstellung desselben zuerst ausgemessen. Eine erhebliche Erwärmung konnte ich nur an TR1 und T1 feststellen. Wobei der kleine Kühlkörper an T1 normalerweise noch am Alugehäuse befestigt ist. Alle anderen Bauteile erwärmen sich nicht. Leider konnte ich zu TR1 keinerlei Informationen finden, eventuell hat dieser einen Windungsschluss? Anbei noch ein Bild von der Rückseite der Platine. Zur Info - ich antworte erst in ca. einer Woche wieder auf den Beitrag.
Wolfgang S. schrieb: > Eine erhebliche Erwärmung konnte ich nur an TR1 ... feststellen Autsch. Der sollte nicht bevorzugt warm werden. Wolfgang S. schrieb: > eventuell hat dieser einen Windungsschluss? Könnte so sein.
Michael B. schrieb: > Wolfgang S. schrieb: >> Eine erhebliche Erwärmung konnte ich nur an TR1 ... feststellen > > Autsch. > > Der sollte nicht bevorzugt warm werden. > > Wolfgang S. schrieb: >> eventuell hat dieser einen Windungsschluss? > > Könnte so sein. Dann habe ich ein Problem, denn Ersatz wird es kaum dafür geben.
Dass der komplett vergossene TR1 defekt ist, kann ich kaum glauben. Nochmal zur Pinbelegung des Zünd-Thyristors: Es gab in grauer Vorzeit das Gehäuse TO-202 mit langer dünner Kühllasche. Es gab damals auch Thyristoren in diesem TO202, einen habe ich gefunden, den C106D1 von centralsemi.com, Kurz-Übersicht und genaue Spezifikation im Anhang. Quellen: www.centralsemi.com/PDFs/case/TO_202_Thyristor_PD.pdf (2004) www.centralsemi.com/docs/ENGINEERING/PDD/TO-202PD.PDF (2013) www.centralsemi.com/product-discontinuation-notices (TO202 bis 2024, CQ202 series of TRIACS in the TO-202 bis 2016) www.ti.com/lit/an/snoa057/snoa057.pdf Transistor Outline (TO-202) https://www.ebay.de/itm/177511234715 C106D1 im TO-202 Da sowohl die 3 Anschlüsse als auch die Kühlfahne mittig aus dem Plastik kommen, ist es schwierig, Kathode und Gate (Pins 1 und 3) zu unterscheiden. Weitere Typen sind der bekannte 2P4M, 5P4M von NEC oder CS20xx, DRA03Tx, DRA2TB, DRD3C, NTE544x, NTE545x, S2006DSx https://alltransistors.com/scr/cross-reference.php?type=SCR&caps=TO-202&cf=on Aufpassen, oft wird in Angeboten die Gehäuseform z.B. mit TO-126 oder TO-220.. verwechselt. Wolfgang, kannst Du bitte mehr gute scharfe Fotos posten, z.B. auf denen man die Bezeichnung des Thyristors und des Blitzelkos (von oben) sehen kann. Hinz: wie heißt der C-Hersteller (siehe letztes Foto von der Platinenunterseite)? Marum? Manum? Auf der Platine sind folgende Schriftzeichen zu entdecken: ACL1000 28.01.86 LS4023A AUD RW (ACL 1000 28. 01. 86 LS 4023A) scheinbar gab es auch ACL500 und ACL800 In Österreich repariert Anton Fellner die Platine professionell: www.avionic-dittel.at/catalog/product_info.php?cPath=38&products_id=141 von dort stammt auch das Gehäusefoto des ACL1500 https://www.avionic-dittel.at/catalog/images/acl1500.JPG
:
Bearbeitet durch User
Der Kondensator-Hersteller ist Marcon. Sie haben explizit "FOR PHOTO FLASH"-Cs fabriziert: https://wellgainelectronics.com/electrolytic-flash-caps/1000-marcon-170uf-330v-cap-e-photo.html Wobei ich mir nicht sicher bin, ob der abgebildete 70 oder 170µF hat, das kann genausogut 330V | 70µF heißen. https://www.procureinc.com/manufacturer/Marcon_-_United_Chemi-Con/ Established in 1942 by the Toshiba Corporation, Marcon Electronics Co., Ltd. was acquired by Nippon Chemi-Con in 1995. Acquisition of the Marcon capacitor product line has enabled United Chemi-Con to expand its already extensive product line of aluminum electrolytic capacitors to include os-con, tantalum, film and multi-layer ceramic, as well as metal oxide varistors. This also makes United Chemi-Con the largest manufacturer and supplier of aluminum electrolytic capacitors in North America. Established in the United States in 1970, the company distributes more than 8,000 products, including those manufactured by its manufacturing plant in Lansing, North Carolina and worldwide by NCC and its subsidiaries. Der oben genannte von Reichelt ist ein Chemi-Con, und mit meinem Vorschlag 565-EKMT421VSN331MQ50S-ND lag ich auch gut. https://www.diyaudio.com/community/threads/photo-flash-caps-for-the-power-supply.134323/ Dort wird auch darüber spekuliert, ob diese Mini-Cs überhaupt für Dauerbetrieb geeignet sind.
:
Bearbeitet durch User
Rubycon Photo Flash heißen SF, FW, FK, FKX. Siehe Anhang. Sie haben auch welche für Strobe Flash, also Daueranwendung, diese sind größer (z.B. 360V 300µF 30x65 oder 35x51mm, es gibt auch welche mit 450V) und heißen CDF. RFE haben auch welche hergestellt, allerdings kleiner: 330V 100, 120, 140, 160, 180, 200, 220, 240 µF mit 16-18mm Durchmesser https://www.alldatasheet.com/datasheet-pdf/download/334439/RFE/RF101V330VBK160250.html rfeinc.com
:
Bearbeitet durch User
Nippon Chemi-Con hat im aktuellen 424-seitigen Kondensator-Katalog nur noch den Hinweis, dass die PH-Serie Photoflash eingestellt wurde und es keinen Ersatz dafür gibt. https://www.chemi-con.co.jp/products/relatedfiles/capacitor/catalog/al-all-e.pdf Sie hatten nur eine Spannung (330/350V) von 50µF (PH330VB50RV10X27LL 10x27mm) bis 240µF (PH330VB241V18X33LL 18x33mm). pdf.datasheet.live/datasheets-1/nippon_chemi-con/PH330VB201V14X39LL.pdf
Bitte melde dich an um einen Beitrag zu schreiben. Anmeldung ist kostenlos und dauert nur eine Minute.
Bestehender Account
Schon ein Account bei Google/GoogleMail? Keine Anmeldung erforderlich!
Mit Google-Account einloggen
Mit Google-Account einloggen
Noch kein Account? Hier anmelden.





