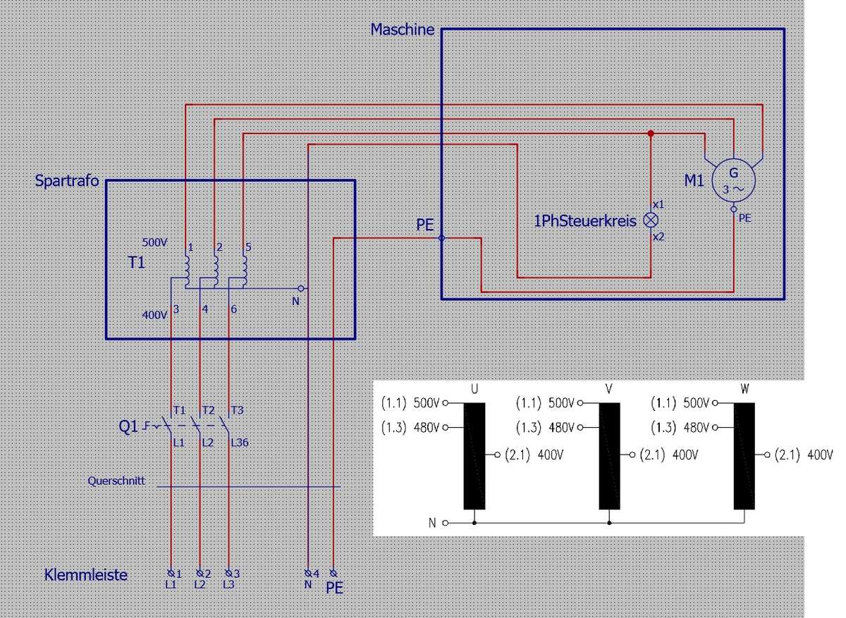
Hallo zusammen, ich habe eine fachliche Frage zu Drehstrom-Transformatoren im Dreieckbetrieb als Spartransformator am deutschen Stromnetz. Wie schließe ich einen einphasigen Verbraucher korrekt an? Darf ich den Schutzleiter (PE) meiner Maschine gemeinsam mit dem Trafo am Haus-Potentialausgleich anschließen? Wie realisiere ich den Neutralleiteranschluss an meiner Drehbank, wenn die Maschine 3×500 V benötigt und zusätzlich einen Neutralleiter? Rahmenbedingungen: In der Maschine ist kein weiterer Transformator vorhanden. Die Steuerspannung (z. B. die Leuchte im Bild) wird zwischen Phase und Neutralleiter abgegriffen. Netzform: TN-C-S (klassisches deutsches Niederspannungsnetz, 230/400 V, 50 Hz). Vielen Dank für eure Unterstützung! Viele Grüße Moe
Hallo Moritz, > ich habe eine fachliche Frage zu Drehstrom-Transformatoren im > Dreieckbetrieb als Spartransformator am deutschen Stromnetz. deine Skizze zeigt aber Sternschaltung. > Wie schließe ich einen einphasigen Verbraucher korrekt an? So wie du es eingezeichnet hast. Funktioniert für kleine Leistung und wenn gleichzeitig der Motor mit in Betrieb ist. Wenn der Trafo wirklich Dreieckschaltung ist brauchst du einen Steuertrafo von 500V -> Steuerspannung. > Darf ich den Schutzleiter (PE) meiner Maschine gemeinsam mit dem Trafo > am Haus-Potentialausgleich anschließen? Ja! Wo sonst? > Wie realisiere ich den Neutralleiteranschluss an meiner Drehbank, wenn > die Maschine 3×500 V benötigt und zusätzlich einen Neutralleiter? Mit einem Dreieck-Trafo geht das nicht, nur in Stern-Schaltung. Wo hast du denn eine Drehmaschine mit 500V-Anschluss her? Ich kenne da z.B. ein Automobilwerk in Aspern ;-) Jürgen
Jürgen F. schrieb: > Wo hast du denn eine Drehmaschine mit 500V-Anschluss her? US-Maschine, fürs dortige Drehstomnetz mit 480V ohne Sternpunkt.
:
Bearbeitet durch User
Moritz M. schrieb: > Die Steuerspannung (z. B. die Leuchte im Bild) wird zwischen Phase und > Neutralleiter abgegriffen. Ein Trennen der gan X1 ist nicht möglich? Falls doch, x1 direkt (nachcTrennen) an T1 (oder T2, oder T3) auflegen.
Moritz M. schrieb: > Die Steuerspannung (z. B. die Leuchte im Bild) wird zwischen Phase und > Neutralleiter abgegriffen. Ist denn der Steuerkreis für die sich ergebenden 288V ausgelegt?
:
Bearbeitet durch User
Ist der Trafo für 50Hz geeignet? (Umgekehrt wäre ja kein Problem)
Ich versteh es jetzt noch nicht ganz: > Wie realisiere ich den Neutralleiteranschluss an meiner Drehbank, wenn > die Maschine 3×500 V benötigt und zusätzlich einen Neutralleiter? Deine Maschine braucht also einen Neutrallleiter. > US-Maschine, fürs dortige Drehstomnetz mit 480V ohne Sternpunkt. Wie wurde denn die Maschine in US betrieben? Ist das eine (Werkzeug-) Maschine mit NC-Steuerung? Wie wird denn die NC/HMI/Not-Aus/...) versorgt? Oder eine Drehbank mit Hauptspindel, Leitspindel, Zugspindel, ... und einer Lampe am Drehstahl?
In D gab es aber auch das sogenannte IG-Farben Netz, das war ebenfalls 500V Drehstrom. Das hatte das Chemiekombinat Bitterfeld "geerbt" und nach dem Krieg den Aufwand gescheut, das umzustellen. Hab Ende der 80'er dort ein halbens Jahr in der Motorenwerkstatt gearbeitet.
Der gezeichnete Plan ist grundsätzlich korrekt, es ist (wie bereits gesagt), eine Sternschaltung. Mir kommen die Klemmennummern des T1 komisch vor, genauso wie das L36 des Q1. Bitte mehr auf Korrektheit achten.
Extra Trafo für den Steuerkreis.
> Extra Trafo für den Steuerkreis.
Wozu?
Theoretisch kann man einen Spartrafo auch im Dreieck betreiben, ist aber
ungewöhnlich.1 | | |
2 | | |
3 | | |
4 | | \ |
5 | | \ |
6 | | \ |
7 | | \ |
8 | | / \ |
9 | | / \ |
10 | | / \ |
11 | | / |
12 | / |
13 | / |
14 | / |
N bleibt immer N. Wenn es auf gleichmäßigere Verteilung der Last auf die 3 Eingangsphasen geht, ist eine (Zickzack-) Z-Schaltung das Mittel der Wahl.
Moin, Torsten B. schrieb: > ist eine (Zickzack-) Z-Schaltung das Mittel der Wahl. Spartrafo mit Zickzackschaltung - endlich mal was exclusives :-) Gruss WK
Jürgen F. schrieb: > deine Skizze zeigt aber Sternschaltung. Mein Fehler der Transformator ist ein Stern, YNa0 steht drauf und der N Leiter ist auch rausgeführt. (War gedanklich wo anders :-/ ) >> Darf ich den Schutzleiter (PE) .. > Ja! Wo sonst? Ach ich meinte PE am Gehäuse vom Trafo und dann von dort zur Versorgung und nicht parallel am Transformator vorbei zur Versorgung. Idee war das eine Potentialdifferenz auftreten könnte durch die ein Phasenanschlüsse und man einen Gewischt bekommt wenn man als Mensch Trafogehäuse und Maschine verbindet per Hand. Als Kette wie im Bild macht es ja auch Sinn genau sowas zu verhindern. > Mit einem Dreieck-Trafo geht das nicht, nur in Stern-Schaltung. Ja hast recht, danke für das richtig Stellen hier :-) > Wo hast du denn eine Drehmaschine mit 500V-Anschluss her? Ich kenne da > z.B. ein Automobilwerk in Aspern ;-) USA Maschine die sehr primitiv ist, erbstück bzw. ist antike Reste > Jürgen
Moritz M. schrieb: > USA Maschine die sehr primitiv ist, Dann werden die 500V bei 60Hz gelten. Bei 50 Hz passen die hierzulande üblichen 400V.
Bruno V. schrieb: > Ist der Trafo für 50Hz geeignet? (Umgekehrt wäre ja kein Problem) Ja es steht 50-60Hz drauf, sollte also die Frequenz nur unterschiedlichen Verluste bringen beim Um-Magnetisieren. Andrew T. schrieb: > Moritz M. schrieb: >> Die Steuerspannung (z. B. die Leuchte im Bild) wird zwischen Phase und >> Neutralleiter abgegriffen. > > Ein Trennen der gan X1 ist nicht möglich? > Falls doch, x1 direkt (nachcTrennen) an T1 (oder T2, oder T3) auflegen. Die Lampe war Platzhalter die Trenne ich auf und kann die auch auf den Trafoklemme direkt legen das stimmt. Damit wäre der Spannungsabfall nicht so groß bei Schieflast über der Leitung. Torsten B. schrieb: > Der gezeichnete Plan ist grundsätzlich korrekt, es ist (wie bereits > gesagt), eine Sternschaltung. Mir kommen die Klemmennummern des T1 > komisch vor, genauso wie das L36 des Q1. Bitte mehr auf Korrektheit > achten. Danke! Werde ich direkt korrigieren, war Skizze am Arbeitsplatz nach Feierabend als Gedanke um im eigenen Keller etwas wieder in Betrieb zu nehmen! Die Nummern am Trafo sind leider schwer zu lesen das muss ich anpassen!
Neue Skizze mit korrigierten Zahlen
Moritz M. schrieb: > Neue Skizze mit korrigierten Zahlen Passt schon, wenn die Maschine wirklich 500V/50Hz will, und auf dem Steuerkreis 288V/50Hz.
> Spartrafo mit Zickzackschaltung - endlich mal was exclusives :-) Genau, nennt sich auch Phasenschiebertrafo. https://de.wikipedia.org/wiki/Phasenschiebertransformator Anbei eine Ideenskizze, wie man beliebige Phasenwinkel durch Addition zweier Phasen erzeugen kann. Beispiel: um 20° Phasenversatz zu generieren, addiert man 74,2% von L1 (Spartrafo möglich) und -38,5% von L3 (Trenntrafo erforderlich). Formeln: absoluter Anteil a=cos(phi) - 1/sqrt(3)*sin(phi) absoluter Anteil b=sqrt( (cos(phi)-a)^2 + sin(phi)^2 ) Kann man sicher noch vereinfachen.
Bitte melde dich an um einen Beitrag zu schreiben. Anmeldung ist kostenlos und dauert nur eine Minute.
Bestehender Account
Schon ein Account bei Google/GoogleMail? Keine Anmeldung erforderlich!
Mit Google-Account einloggen
Mit Google-Account einloggen
Noch kein Account? Hier anmelden.

