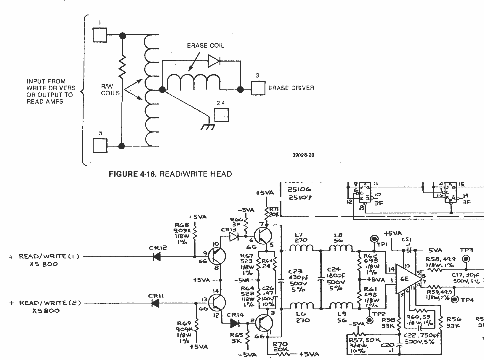
Analogtechnik oder HF hätte jetzt als Kategorie auch gepasst, aber ich versuche es mal hier. Meine Idee ist, mit modernen ICs zu versuchen den Schreib/lesekopf eines Floppy drives mit einem ADC auszulesen, um die tatsächliche waveform der magnetischen Flussänderungen nachverfolgen zu können. Die in den Floppys verbaute Elektronik macht das zwar im allgemeinen recht ordentlich, aber in Grenzfällen hilft das analoge Signal. Ich behelfe mir aktuell mit dem Abgreifen des Analogsignales mit einem Oszilloskop, aber das ist nach der Vorverstärkung, und meine Vermutung geht in die Richtung, dass es im Jahr 2025 deutlich rauschärmere Komponenten zu erträglichen Preisen gibt als 1980-1990. Das Endziel wäre 12 bit bei 10-20Mhz Sampelrate abzutasten. Die Frage vorneweg: welche preamplifier und ADC wären hier sinnvoll und wo könnte ich eine halbwegs passende Schaltung finden? etwas längere Erklärung: Was Analog und AC angeht, tue ich mich aber etwas schwer. Ich denke ich verstehe die Schaltung aus https://retrocmp.de/fdd/shugart/801/SA800-801_Service_Manual_1982.pdf [Siehe angehängtes Bild] Da wird jede Teilspule des Lesekopf mit ca. 0.5 mA belegt, da aber gegenläufig, hebt sich das Magnetfeld am Kopf wieder auf. Wenn aber eine Spannung induziert wird, ändert sich auch der Stromfluss duch die NPNs -> Dann Filter -> Opamp Ich frage mich nun aber, ob ein moderner Vorverstärker, wie (semi-random aus dem Internet) https://www.analog.com/media/en/technical-documentation/data-sheets/ADA4937-1_4937-2.pdf diese stromgeführte Verstärkung braucht, oder direkt das induzierte Spannungsignal lesen kann. Ich würde naiv denken, dass schon die Widerstände und Dioden einen guten Batzen Rauschen einführen. Gibt es eventuell ein passendes Evaluationsboard, ggfs. schon mit passendem ADC und anpassbarer Verstärkung? Da ich keine Ahnung habe, wie stark das Signal wirklich ist - was wäre eine sinnvolle Vorgehensweise um die Komponenten auszuwählen? Danke und Gruß, Tobias
:
Verschoben durch Moderator
>Die in den Floppys verbaute Elektronik macht das zwar im allgemeinen >recht ordentlich, aber in Grenzfällen hilft das analoge Signal. Ich würde zuerst ein Oszilloskop nehmen und mal an einer existierenden Floppy messen, wie die Signale aussehen. Hast du eine Floppy und kannst du einen Screenshot machen?
Du suchst sowas wie Greaseweazle oder Kryoflux?
Martin H. schrieb: > Du suchst sowas wie Greaseweazle oder Kryoflux? Nein. Die habe ich beide und weiss genau wo sie sind :) Mein Projekt geht in die Richtung wo Kryoflux und Greaseweazle aufhören. Beide Projekte verlassen sich auf die Floppy-Elektronik, um die Analogsignale in digitale Pulse zu verwandeln. Dann wird der Abstand zwischen den Pulsen ausgewertet. Manchmal ist aber die Oberfläche der Floppy erodiert, oder..., auf jeden Fall bricht das Signal komplett ein. In diesen Fällen wäre das Analogsignal hilfreich, und idealerweise möglichst wenig Rauschen durch die Verstärkung. Ich bin auch gar nicht sicher wie Zielführend das ganze ist, daher würde ich gerne mit einem erschwinglichen, aber guten, Verstärker anfangen, der ADC und der Digitalteil wären für mich dann Phase 2 und 3.
Tobias M. schrieb: > würde ich gerne mit einem erschwinglichen, aber guten, Verstärker > anfangen Deshalb habe ich das dann doch mal ins Analogforum verschoben.
Christoph M. schrieb: > Ich würde zuerst ein Oszilloskop nehmen und mal an einer existierenden > Floppy messen, wie die Signale aussehen. > Hast du eine Floppy und kannst du einen Screenshot machen? Hah, ich hatte nicht gedacht, dass das klappen kann, darum hatte ich es nie probiert :) Ist ein etwas fliegender Aufbau, weil ich die Tastspitzen nicht manuell halten wollte, und ich keine guten kleinen Probes habe. Aber die Größenordnung von 4mV differentiell wird in etwa stimmen. Ich arbeite mit einem Panasonic JU-475-4. Die Schaltung ist auf Seite 27 hier: https://retrocmp.de/fdd/panasonic/Panasonic_JU-475-4_Service_Manual_OCR.pdf Es sind also 3.6k zwischen den beiden Enden des Lesekopfes, was intern im Chip passiert, weiss man nicht.
Jörg W. schrieb: > Deshalb habe ich das dann doch mal ins Analogforum verschoben. Danke. War mir eben nicht sicher wo das am Besten aufgehoben ist.
Tobias M. schrieb: > ... Verstärker anfangen Dann fange mal mit 2x uA733/NE592 an. > Beide Projekte verlassen sich auf die Floppy-Elektronik Die Datenblätter der ICs solltest du auch mal studieren. Z.B. um die Elektronik die für Lese- und Schreibopertionen zuständig ist, auseinanderzuhalten.
Es hilft AN917 von Motorola zu lesen ("Reading and Writing in Floppy
Disk Systems using Motorola Integrated Circuits"). Auch das Datenblatt
des MC3470 sollte man lesen.
Cartman E. schrieb: > Tobias M. schrieb: > >> ... Verstärker anfangen > > Dann fange mal mit 2x uA733/NE592 an. > >> Beide Projekte verlassen sich auf die Floppy-Elektronik > > Die Datenblätter der ICs solltest du auch mal studieren. > Z.B. um die Elektronik die für Lese- und Schreibopertionen zuständig > ist, auseinanderzuhalten. Danke. Über's schreiben mache ich mir in absehbarer Zukunft noch keine Gedanken.
Tobias M. schrieb: > Danke. Über's schreiben mache ich mir in absehbarer Zukunft noch keine > Gedanken. NzD. Aber du hast den Punkt dabei noch nicht erkannt. ☺
Cartman E. schrieb: > Tobias M. schrieb: >> Danke. Über's schreiben mache ich mir in absehbarer Zukunft noch keine >> Gedanken. > > NzD. > Aber du hast den Punkt dabei noch nicht erkannt. ☺ Das scheint mir dann auch sehr wahrscheinlich. Sehe aber im Datenblatt vom NE592 auch nichts dazu. Ich fürchte, da musst du etwas konkreter werden. Edit: Oder sollte das ein Hinweis sein, dass ich irgendwo Lese- und Schreibelektronik verwurstelt habe? Wenn, dann vermutlich im Ursprungspost. Wenn das falsch ist, bitte korrigieren - so kann ich ja nichts lernen, und wir lassen Unfug unkommentiert im Netz.
:
Bearbeitet durch User
Tobias M. schrieb: > Sehe aber im Datenblatt > vom NE592 auch nichts dazu. Steckten in den Leseverstärkern bevor es den MC3470 gab.
Also nein, sorry, ich erkenne meinen Fehler nicht. Der untere Teil der Schaltung ist sehr sicher für's lesen, der obere für's Schreiben. Sehr gut möglich, dass meine Erklärung falsch war, aber lesen und schreiben sollte schon passen. Ich hatte das 1982 Shugart Dokument auch nur herangezogen, weil ich nichts besseres hatte, um die grundlegenden Funktionen nachzuvollziehen - ich war halt davon ausgegangen, dass am Grundprinzip nicht viel geändert wurde. Die Motorola AN917 muss ich nochmal im Detail ansehen. insbesondere den Schaltungsteil. Andererseits ist das ja schon wieder in die Richtung integrierter Flux-reversal-detection. Filter und detection der flux-reversals mache ich ja in Software. Wie die Dekodierung der digitalisierten Analogsignale funktioniert, hab ich schon relativ ordentlich im Griff. Dieser Versuch geht in die Richtung, das Oszilloskop mittelfristig aus der Gleichung zu entfernen, und eben idealerweise mit rauschärmeren ICs, als vor 40 Jahren verfügbar waren, noch das Quäntchen rauszukitzeln um ein paar problematische Disketten doch noch lesen zu können. (und ohne dabei Arm zu werden) Wenn das vom Grundgedanken schon falsch ist, weil z.B. die ICs nicht besser geworden sind, bin ich für Feedback jederzeit offen.
Es mangelt am Auseinanderhalten. Das schrub ich ja schon. Für das reine Lesen, braucht es gewisse Teile der Schreibelektronik nicht. Siehe das Datenblatt zum XR3471. ☺ Die sind dann eher kontraproduktiv.
Achso, die Dioden. Da fehlt mir vielleicht wieder das Verständnis, aber hatte das so verstanden, dass die, abgesehen vom Ausseinanderhalten von read und write, noch den zweiten Zweck haben, die positiven von den negativen Flanken zu separieren. Aaaber, wenn ich das alles einsparen kann, bin ich natürlich glücklicher. Weniger Komponenten = Weniger was ich falsch machen kann. :)
Tobias M. schrieb: > Die in den Floppys verbaute Elektronik macht das zwar im allgemeinen > recht ordentlich, aber in Grenzfällen hilft das analoge Signal. Was soll das werden? Willst du etwa ein besseres Floppy Laufwerk bauen? Wozu?
Nemopuk schrieb: > Was soll das werden? Willst du etwa ein besseres Floppy Laufwerk bauen? > Wozu? Vllt muss er ein paar tausend 8" Floppies auslesen, deren Daten die Bundesmarine in ihre neuen Systeme einspeisen möchte.
Da kannst Du viel Geld machen, die USArmy und die NASA haben auch alte 8" Systeme
Das die Disks nicht mehr lesbar sind, kann auch schlicht am umflippen von magnetischen Domänen liegen. Dann nutzt auch die beste Schaltung nix mehr. Mit der Zeit und vor allem Temperatur verlieren alle magnetischen Datenträger ihre Daten. Ist ein statistischer Prozess ähnlich Radioaktivität. Ich befürchte ein rauschärmerer Vorverstärker bringt es nicht wirklich. Aber nur Mut! Bevor sie weggeschimmelt sind... Der TL592 soll übrigens rauschärmer als seine Vorgänger uA733 und NE592 sein. Aber weit modernere Differenzverstärker gibt es ja mittlerweile zuhauf.
:
Bearbeitet durch User
Du meinst der wird noch aktiv produziert? Vermutlich sind das schlicht getestete Wafer in einem Container. Irgendwo im Help-Forum von TI stellte einer eine Frage zum uA733/NE592 (Weiß nicht mehr welcher es war) und der Supporter antwortete etwas verärgert, in etwa, man wolle sich mit diesem 40J alten Baustein nicht mehr beschäftigen und der Kunde solle sich doch bitteschön was moderneres von TI aussuchen.
Abdul K. schrieb: > Irgendwo im Help-Forum von TI stellte einer eine Frage zum uA733/NE592 > (Weiß nicht mehr welcher es war) und der Supporter antwortete etwas > verärgert, in etwa, man wolle sich mit diesem 40J alten Baustein nicht > mehr beschäftigen und der Kunde solle sich doch bitteschön was > moderneres von TI aussuchen. Der Supporter sollte sich einen neuen Job suchen, bei einer Firma, die nicht schon so steinalt ist.
Abdul K. schrieb: > Das die Disks nicht mehr lesbar sind, kann auch schlicht am umflippen > von magnetischen Domänen liegen. Dann nutzt auch die beste Schaltung nix > mehr. Mit der Zeit und vor allem Temperatur verlieren alle magnetischen > Datenträger ihre Daten. Ist ein statistischer Prozess ähnlich > Radioaktivität. Dann wären ja aber auch Platten davon betroffen. Problem scheint eher zu sein, dass die Chemie bei den Floppies mit der Zeit weggammelt. Was man nach einem Leseversuch bei einer Kopfreinigung leicht feststellen kann. > Der TL592 soll übrigens rauschärmer als seine Vorgänger uA733 und NE592 > sein. Aber weit modernere Differenzverstärker gibt es ja mittlerweile > zuhauf. Man müsste mal nachmessen. Dann wüsste man Genaueres. Bei moderneren Typen muss man auch mit mehr Schwingfreude rechnen, ☺ Es wird schon seinen Grund haben, warum der 733 noch verkauft wird. Schönen Sonntag!
Cartman E. schrieb: > Dann wären ja aber auch Platten davon betroffen. Dher kommt meine Aussage! >> Der TL592 soll übrigens rauschärmer als seine Vorgänger uA733 und NE592 >> sein. Aber weit modernere Differenzverstärker gibt es ja mittlerweile >> zuhauf. > > Man müsste mal nachmessen. Gegoogelt? > Es wird schon seinen Grund haben, warum der 733 noch verkauft wird. Stücklisten ;) Naja, welcher moderne ist pinkompatibel? vermutlich keiner. > Schönen Sonntag! Ebenso!
Abdul K. schrieb: > Cartman E. schrieb: >> Dann wären ja aber auch Platten davon betroffen. > > Dher kommt meine Aussage! In meinen Beständen finden sich noch fünf Platten mit einem Alter von ca. 40 Jahren. MFM und RLL von 20 MB bis ca. 80 MB in 3,5" und 5,25". Und eine neckische ISA-"Hardcard". Die zeigen magnetisch alle keine Degradationserscheinungen. >>> Der TL592 soll übrigens rauschärmer als seine Vorgänger uA733 und NE592 >>> sein. Aber weit modernere Differenzverstärker gibt es ja mittlerweile >>> zuhauf. >> >> Man müsste mal nachmessen. > > Gegoogelt? Man kann nur beherrschen, was man auch Messen kann. Selbst wenn es nur für Relativwerte reicht. Schon die Quellimpedanz hat einen Einfluss von der Google einen Dreck weiss. Es wäre nicht ausgeschlossen, dass ein 733 in dieser Anwendung bessere Ergebnisse als ein TL592 liefert. Weil im Kleingedruckten z.B. eine wesentlich niedrigere Quellimpedanz spezifiziert ist. Das ist jetzt aber nur ein gedankliches Beispiel ohne Evidenzbasis. ☺ Nachlesen und nachmessen soll es der TO mal selbst. >> Es wird schon seinen Grund haben, warum der 733 noch verkauft wird. > > Stücklisten ;) Wohl eher Zertifizierungen für Brot- und Butterprodukte. > Naja, welcher moderne ist pinkompatibel? vermutlich keiner. Das Konzept um den 733 herum sorgt dafür.
Cartman E. schrieb: > Wohl eher Zertifizierungen für Brot- und Butterprodukte. Der 733 wird nur noch für 0..70°C angeboten, da ist das wenig wahrscheinlich.
Wenn Magnetisierungen einfach so "flippen" würden, wären all' die alten Masterbänder aus den 60ern, die immer mal wieder gefunden werden, nicht mehr verwendbar. Sind sie aber, und sie liefern oft überraschend gute Qualität. Was bei Bändern eher ein Problem ist, ist Durchmagnetisierung, aber das scheint selbst bei Disketten (die ja von beiden Seiten beschrieben werden) kein relevantes Problem zu sein. Disketten machen Probleme, wenn die Chemie den Löffel abgibt oder die Disketten sehr "optimiert" produziert wurden - das ist das Schicksal von sehr, sehr vielen 3.5"-HD-Disketten ab etwa Anfang der 90er gewesen. Da wurden die Dinger zur Massenware, und waren schon damals häufig "write-once-read-never"-Ware.
Harald K. schrieb: > Disketten machen Probleme, wenn die Chemie den Löffel abgibt oder die > Disketten sehr "optimiert" produziert wurden - das ist das Schicksal von > sehr, sehr vielen 3.5"-HD-Disketten ab etwa Anfang der 90er gewesen. Da > wurden die Dinger zur Massenware, und waren schon damals häufig > "write-once-read-never"-Ware. Die SSD von Signetics waren da viel zuverlässiger, die mit den 25120.
Harald K. schrieb: > Was bei Bändern eher ein Problem ist, ist Durchmagnetisierung, aber das > scheint selbst bei Disketten (die ja von beiden Seiten beschrieben > werden) kein relevantes Problem zu sein. Interessanter Punkt. Bei doppelseitigen Disketten sind die beiden Köpfe um eine halbe Spurbreite versetzt, damit die gegenüberliegende Spur nicht angelöscht wird. Wir haben damals einseitige Disketten gelocht und umgedreht. Ging trotzdem gut. > Disketten machen Probleme, wenn die Chemie den Löffel abgibt oder die > Disketten sehr "optimiert" produziert wurden - das ist das Schicksal von > sehr, sehr vielen 3.5"-HD-Disketten ab etwa Anfang der 90er gewesen. Da > wurden die Dinger zur Massenware, und waren schon damals häufig > "write-once-read-never"-Ware. Korrekt. Mit den 8" und 5,25" in meiner Sammlung habe ich selten Probleme. Es gibt aber ein paar Serien, wo die Oberfläche schmiert. Die sind dann natürlich unbrauchbar. 1,44 MB aus den späten 90ern sind häufig optisch einwandfrei und liefern trotzdem schlechte Sektoren. Vielleicht sollte ich mir da auch mal die Rohsignale ansehen.
Ich habe die 3,5" 1.44 MB Disketten als äußerst praktisch aber auch fehleranfällig in Erinnerung. Bin froh, dass sie von USB Sticks abgelöst wurden. Ich hatte mich damals in 100 MB ZIP Disketten verliebt. Die waren schnell, robust und zuverlässig. Aber sie wurden zu spät erschwinglich. In meinem Umfeld hatte fast niemand ein passendes Laufwerk. Meins hatte SCSI, es zu anderen mitzunehmen war daher auch keine Option. Denn SCSI war ebenso selten im Jugendzimmer vorhanden.
:
Bearbeitet durch User
H. H. schrieb: > Cartman E. schrieb: >> Wohl eher Zertifizierungen für Brot- und Butterprodukte. > > Der 733 wird nur noch für 0..70°C angeboten, da ist das wenig > wahrscheinlich. Man könnte da ein weiss gedrucktes "NRFD" herauslesen. ☺ Das mir vorliegende Datenblatt, ist aus dem Jahr 1978, und weiss davon noch nichts. Wobei das ganz sicher eine Frage der Stückzahl einer entsprichenden Order ist, und dem Hersteller noch einen satten Aufschlag beschert. Kann man vom selben Hersteller als qualifizierter Kunde, doch auch ICs mit Ahnentafel, quasi aus gesichertem Anbau beziehen. Dann kennt man den Wafer, und die Position des individuellen Chips auf dem Wafer. Solche Kenntnis kostet dann natürlich extra. ☺
Einen Aufbau, um ein massenweises Auslesen von Uraltdisketten zu erlauben, müsste man auch eher wie ein Plattenlaufwerk konstruieren, bei denen der Lesekopf die Oberfläche nicht berührt. Anders als bei Platten, müsste man wohl auch die "Flughöhe" des eigentlichen Lesekopfs zusätzlich regeln, was noch einen zweiten Lesekopf erfordern dürfte. Immerhin könnte man dann auch die eigentliche Lesegeschwindigkeit wesentlich steigern. Den simplen MFM/GCR-Dekoder müsste man dann auch durch einen adaptivem analogen Mustererkenner ersetzen, der bereits die eigentlich fehlerhafte Kodierung bestimmter Datenmuster berücksichtigt. Ob das nun jemand in seiner Hobbywerkstatt zustandbringt?
Abdul K. schrieb: > Das die Disks nicht mehr lesbar sind, kann auch schlicht am umflippen > von magnetischen Domänen liegen. Dann nutzt auch die beste Schaltung nix > mehr. Mit der Zeit und vor allem Temperatur verlieren alle magnetischen > Datenträger ihre Daten. Ist ein statistischer Prozess ähnlich > Radioaktivität. > > Ich befürchte ein rauschärmerer Vorverstärker bringt es nicht wirklich. > > Aber nur Mut! Bevor sie weggeschimmelt sind... > > Der TL592 soll übrigens rauschärmer als seine Vorgänger uA733 und NE592 > sein. Aber weit modernere Differenzverstärker gibt es ja mittlerweile > zuhauf. Dann wären wohl die NASA 2 Zoll AMPEX Bänder aus den 60ern auch nicht mehr lesbar gewesen die derzeit von einigen Enthusiasten (mit Unterstützung der NASA) ausgelesen werden. Die haben einige AMPEX Maschinen wieder flott gemacht und lesen die analogen Daten von den Bändern aus um daraus Bilder der Mondoberfläche zu rekonstruieren. Funktioniert. https://en.wikipedia.org/wiki/Lunar_Orbiter_Image_Recovery_Project
:
Bearbeitet durch User
Nemopuk schrieb: > Ich hatte mich damals in 100 MB ZIP Disketten verliebt. Ich nicht; ich nutzte die erheblich zuverlässigeren* 3.5"-MOs. Die zugehörigen Laufwerke waren natürlich teuer, die Medien auch nicht sehr günstig, aber ... und später gab es dann auch ein USB-Laufwerk. Das hab' ich, zusammen mit einer Kiste Medien, auch aufgehoben, eher aus Sentimentalität, denn aus praktischem Nutzen - was will man mit Medien anfangen, auf die nur etwa 600 MByte passen? *) "click of death", anyone? Eben.
Tobias M. schrieb: > um die tatsächliche waveform der > magnetischen Flussänderungen nachverfolgen zu können. Kurz: Dazu muß auch die Spurlage stimmen, bevor ein volles Signal kommt. Wenn ich mich so erinnere, gab es nach dem Leseverstärker einen Testpunkt wo man das analoge Signal mit dem Oszi problemlos abnehmen konnte. Da solltest Du mit Deinen Experimenten anfangen. Anschließend wäre noch zu klären ob es eine einfache FM Modulation -_- od. schon MFM __-_war (wo überflüssige Flanken eingespart wurden).
Zur Frage: Warum? Ich denke hauptsächlich aus akademischer Neugierde, ob's was bringt. Meine bisherigen Gespräche mit anderen, die Disketten aus der 1980er - 1990er Aera haben, lassen vermuten dass es trotz Kryoflux, etc, noch Bedarf zur privaten Datenrettung gibt. Und rauschärmere Verstärkung war etwas, was auch schon andere angedacht, aber meines Wissens nach noch nicht probiert haben. Sekundär: Es ist ein Projekt das mich als "Digitalmensch" schon viel über die ganze Welt zwischen null und eins gelehrt hat. Ich bin mir bewusst, dass 20Mhz 12 Bit sampling vielleicht etwas über meiner Kragenweite sind, aber wer sich keine neuen Ziele setzt kann nicht wachsen :) Ich habe mir jetzt mal NE592 bestellt, sollten die Tage eintrudeln. Dann werde ich weiter schauen und nochmal berichten. Eine Frage habe ich zum Datenblatt. Ich vermute einen Fehler in der Zeichnung, und habe das mal rot "korrigiert" wie ich glaube dass es sein soll. Wäre nett, wenn jemand das kurz kommentieren könnte.
Tobias M. schrieb: > und habe das mal rot "korrigiert" Sehe ich auch so. Hier gibt's 'ne Appnote dazu: https://www.b-kainka.de/Daten/Analog/ne592.pdf
Tobias M. schrieb: > Ich habe mir jetzt mal NE592 bestellt, sollten die Tage eintrudeln. Dann > werde ich weiter schauen und nochmal berichten. Als Anregung für Verbesserungen: AD8338 und INA849
Bitte melde dich an um einen Beitrag zu schreiben. Anmeldung ist kostenlos und dauert nur eine Minute.
Bestehender Account
Schon ein Account bei Google/GoogleMail? Keine Anmeldung erforderlich!
Mit Google-Account einloggen
Mit Google-Account einloggen
Noch kein Account? Hier anmelden.




