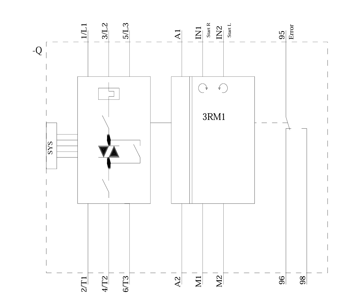
Servus! Hab da hier so ein Siemens 3RM1302-3AA04 vor mir liegen. Leider angeblich kaputt. Wollte mal schauen was es hat. Das Datenblatt schweigt darüber, wie ich es nun mit Strom versorge. Ich wette mal A1 und A2, aber wo muss nun 24V und Gnd hin? Oder wurscht? MfG, Martin
> Siemens 3RM1302-3AA04 Achso, ein Siemens 3RM1302-3AA04 Irgendwas. Na immerhin weckt das Neugier und es ist schließlich Freitag, da kann man sich aus purer Gemeinheit schon mal die unbeschreibliche Mühe sparen, dranzuschreiben was das ist. https://www.damencnc.com/en/motor-starter-sirius-3rm1-reversing-starter-safety-500-v-0-4-2-0a-24vdc-screw-connectors/a5306 https://support.industry.siemens.com/cs/document/109784047/abschalten-eines-failsafe-motorstarters-3rm1-%C3%BCber-sicher-geschaltete-masse?dti=0&lc=de-WW Und Du bist sicher, daß Du in einer Engineering-Firma arbeitest, wenn Du nicht mal sowas bei Google findest? Das macht mir Angst, aber ich wohne auch nicht in Ösiland.
:
Bearbeitet durch User
Ben B. schrieb: > > Und Du bist sicher, daß Du in einer Engineering-Firma arbeitest, wenn Du > nicht mal sowas bei Google findest? Das macht mir Angst, aber ich wohne > auch nicht in Ösiland. Danke für deinen höchst professionellen und erbauenden Beitrag. Vielen Dank, daß dir es nicht zu schade war mir dein Know How zu teilen. Jetzt werde ich das Teil mit einer größeren Wahrscheinlichkeit reparieren können. PS: Ich habe noch nie ein Datenblatt gesehen, wo nirgends angeschrieben war, wo die Versorgungsspannungen hinkommen. Anscheinend muss man da extra Kurse machen bei Siemens...
Martin G. schrieb: > Ich habe noch nie ein Datenblatt gesehen, wo nirgends angeschrieben war, > wo die Versorgungsspannungen hinkommen. Ahja. Also erstens steht das drin und zweitens gibt's im Gerätehandbuch ab S. 170 reichlich Schaltungsbeispiele.
Ist doch sofort aus dem Datenblatt ersichtlich: A1 ist plus, so wie bei allen mir bekannten industriellen Schaltgeräten.
Max I. schrieb: > Also erstens steht das drin In dem oben verlinkten Datenblatt? Ist das irgendeine Geheimsprache oder steganographisch codiert?
Zehn Sekunden Google: https://cache.industry.siemens.com/dl/files/730/66295730/att_891752/v1/manual_motorstarter_SIRIUS_3RM1_de-DE.pdf
:
Bearbeitet durch User
Max I. schrieb: > ab S. 170 Fipptehler, ab Seite 167. Edit: Doch kein Fipptehler, hier hatte ich die S. 170 her: https://media.automation24.com/manual/de/66295730_manual_motorstarter_SIRIUS_3RM1_de-DE.pdf
:
Bearbeitet durch User
> Vielen Dank, daß dir es nicht zu schade > war mir dein Know How zu teilen. Ich bin manchmal etwas direkt, forsch und nicht besonders diplomatisch... aber ich bin auch kein Arschloch. Bei Siemens (bestimmt nicht nur bei Siemens, aber da ist mir das aufgefallen) ist das leider wirklich oft so, daß manche "Datenblätter" eher sowas wie Werbezettel sind, wo lediglich grobe Betriebsgrenzen drinstehen. Also wieviel Volt, wieviel Ampere, wieviel Bumms... Wenn man mehr wissen will, etwa wie das Gerümpel angeschlossen oder bedient werden muss, muss man tiefer buddeln. Bei dem großen WFL Bearbeitungszentrum meiner befreundeten CNC-Bude, an dem ich öfter herumschrauben "durfte", war das auch so. Für die Leistungsmodule der Antriebe, deren Stromversorgung (Simodrive) und die Steuerung (Sinumerik 840C) gab es bestimmt 10 Ordner dazu, wirklich brauchbar war nur der dickste davon und die Schaltpläne der Grundmaschine.
Max I. schrieb: > Nein, weit verbreiteter Standard. Es wurde der Eindruck erweckt, es stünde im DATENBLATT drin. Das ist das, was oben angehängt wurde. Erster Beitrag in diesem Thread: https://www.mikrocontroller.net/attachment/682450/3RM13023AA04_datasheet_en.pdf Daß es im BENUTZERHANDBUCH steht, ist was anderes.
Harald K. schrieb: > Es wurde der Eindruck erweckt, es stünde im DATENBLATT drin. Tut es, aber genau wie der "engyneer" verstehst du es nur nicht.
Max I. schrieb: > Tut es, aber genau wie der "engyneer" verstehst du es nur nicht. Ach? Dann verdammt noch mal ZEIG, wo das in diesem "Datenblatt" drinsteht, und behaupte nicht, andere Leute würden Dinge "nicht verstehen". Ich hab' durchaus ein paar Jahrzehnte Übung darin, Datenblätter zu lesen.
Harald K. schrieb: > und behaupte nicht, andere Leute würden Dinge "nicht > verstehen". Jörg K. schrieb: > Ist doch sofort aus dem Datenblatt ersichtlich: A1 ist plus, so wie bei > allen mir bekannten industriellen Schaltgeräten. Max I. schrieb: > Nein, weit verbreiteter Standard. Harald K. schrieb: > Ich hab' durchaus ein paar Jahrzehnte Übung darin, Datenblätter zu > lesen. Nur mit den üblichen Klemmbezeichnungen klappt es nicht. Für mich ist hier EOD.
Bitte melde dich an um einen Beitrag zu schreiben. Anmeldung ist kostenlos und dauert nur eine Minute.
Bestehender Account
Schon ein Account bei Google/GoogleMail? Keine Anmeldung erforderlich!
Mit Google-Account einloggen
Mit Google-Account einloggen
Noch kein Account? Hier anmelden.
