Hallo zusammen, Ich bin kein Elektroniker, das mal gleich vorab. Für eine freiprogrammierbare Motorsteuerung habe ich die Möglichkeit, einen digitalen Eingang zu nutzen, der aktiviert wird, wenn ich Masse darauf gebe. Nun habe ich aber einen Sensor, der eine Spannung von +12 V ausgibt, wenn er aktiviert ist. Ich möchte aber gerne, dass eine Masseleitung geschalten wird. Klar geht das mit einer einfachen Relaisschaltung, aber hier ist mir die Latenzzeit doch zu groß. Was wäre denn hier eine vernünftige Alternative? Am Bauen scheitert es nicht, leider am Elektronik-Verständnis. Vielen Dank für Eure Hilfe! Thomas
:
Verschoben durch Moderator
Tjomas schrieb: > Was wäre denn hier eine vernünftige Alternative? Das kannst du mit einen einfachen Transistor machen. Oder mit einem Optokoppler, der wäre dank vollständiger Trennung der beiden Stromkreise Deppensicher. https://www.amazon.de/Lord-Tools-Optokoppler-Isolationsmodul-Signalisolierung-Photoelektrischen/dp/B07TWXH5HW/
Tjomas schrieb: > Nun habe ich aber einen Sensor, der eine Spannung von +12 V ausgibt, > wenn er aktiviert ist. Was gibt der Sensor aus, wenn er nicht aktiv ist? Datenblatt? Wieviel Strom und welche Spannung muss an dem Eingang geschaltet werden? Datenblatt?
Deppensicher hört sich gut an. Zu den Fragen: tatsächlich gibt der Sensor nichts aus (wie ein Schalter) wenn er nicht aktiv ist. Datenblatt gibts hier leider keines. Der Ausgang der Schaltung muss eigentlich nur den Durchgang an einem Massekabel herstellen. Großartiger Stromfluss wird da nicht stattfinden. Prinzipiell sollte die Schaltung das können was ich im Anhang skizziert habe.
Tjomas schrieb: > Großartiger Stromfluss wird da nicht stattfinden. Tjomas schrieb: > Ich bin kein Elektroniker, Ein Elektroniker und ein Hochenergietechniker haben manchmal eine ETWAS unterschiedliche Vorstellungen davon, was "kein großartiger Stromfluss" bedeutet. Geht das vielleicht auch in Zahlen mit einer angemessenen Einheit? Der Strom kann nur fließen, wenn auch eine Spannung vorhanden ist. Diese Spannung muss messbar sein, wenn kein Sensor am Eingang hängt und die Schaltmimik muss diese Spannung vertragen. Verwenden Sensor und Motorsteuerung eine gemeinsame Versorgungsspannung oder müssen beide gegeneinander isoliert sein? Von Transistor (BJT oder MOSFET) über Optokoppler, PhotoMOS und Relais gibt es verschiedene Möglichkeiten.
:
Bearbeitet durch User
Tjomas schrieb: > Prinzipiell sollte die Schaltung das können was ich im Anhang skizziert > habe. Falls die beiden GND-Anschlüsse gleiches Potenzial haben, dann kannst du statt des Relais auch einen NPN-Transistor zum Ansteuern des Eingangs benutzen!
Das ist dann aber kein GND mehr.
Hallo, verständlich. Ich versuche noch etwas dazu zu schreiben. Die Eingänge des Steuergerätes vertragen eine maximale Spannung von 5 V. Im Datenblatt des Steuergerätes steht, dass das Anlegen einer Spannung von 12 V auf den digitalen Eingang die Elektronik zerstört. Das Steuergerät stellt +5 V und Masse für diverse Sensoren zur Verfügung. Diese Masse wenn ich nehme und auf den freien digitalen Eingang lege, erkennt das Steuergerät einen Schaltvorgang. Leider kann ich zur fließenden Stromstärke keine Angaben machen. Und jetzt war meine Idee eine Schaltung zu realisieren die wenn mit 12v gefüttert die Masseleitung auf Durchgang schaltet. Genau so wie es ein Relais macht, nur eben mit minimaler Ansprechzeit.
:
Bearbeitet durch User
Sensor und Steuergerät sind natürlich namenlos, oder gar streng geheim...
Tjomas schrieb: > Leider kann ich zur fließenden Stromstärke keine Angaben machen. Hast Du kein Messgerät?
Marcel V. schrieb: > > Falls die beiden GND-Anschlüsse gleiches Potenzial haben, dann kannst du > statt des Relais auch einen NPN-Transistor zum Ansteuern des Eingangs > benutzen! Ich hoffe, ich verstehe das richtig, Das Potenzial müsste bei der Masse gleich sein, denn die Sensormasse ist auch mit der Fahrzeugmasse verbunden, d.h. es gibt eine einzige Masse für die 12 V und 5 V Kreise.
Tjomas schrieb: > es gibt eine einzige Masse für die 12 V und 5 V Kreise. Dann ist das ist doch Ideal!
Leider kann ich als Neumitglied nur 2 Posts alle 30 Minuten machen. Danke Marcel das sieht doch simpel aus. H. H. schrieb: > Sensor und Steuergerät sind natürlich namenlos, oder gar streng > geheim... Wenn’s wichtig ist: Steuergerät: Kdfi 1.4 (Megasquirt2 clone) auf kperformance Universal Motronic Board Sensor: dpe Performance Shift Sensor (Zu dem gibts leider keine Doku was hier innen drin verbaut ist, Spannungsversorgung 12V, Ausgang Analog 0-5v und eben digital +12v)
:
Bearbeitet durch User
Tjomas schrieb: > Danke Marcel das sieht doch simpel aus. Ist aber alles andere als störsicher, und Störquellen gibts im KFZ-Bordnetz genug. Tjomas schrieb: > Sensor: dpe Performance Shift Sensor > (Zu dem gibts leider keine Doku was hier innen drin verbaut ist, Den gibts gar nicht...
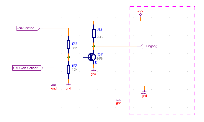
Mein Vorschlag in Schaltplanform.
Thomas S. schrieb: > Mein Vorschlag in Schaltplanform. Nur ist im Auto Masse nicht überall auf dem selben Potential. Ohne das vor Ort beurteilen zu können wäre ein Optokoppler kein Fehler.
:
Bearbeitet durch User
H. H. schrieb: > Den gibts gar nicht... Soso, dann hab ich wohl irgendwas anderes hier am Tisch liegen. Foto anbei. Aber ist ja schön dass es auch hier Leute gibt die meinen alles zu wissen. Den anderen sage ich schon mal Danke für die Tipps und Hilfe.
H. H. schrieb: > Also EOT. EOT = Equivalent Oxide Thickness: Eine Vergleichsgröße für die Dicke von Isolierschichten in Transistoren. Um die Störungen noch ein bisschen zu eliminieren, könntest du zwischen Basis und Emitter noch einen 100nF Kondensator schalten. Und wenn man viel Angst hat, dann nimm einfach einen Optokoppler! Dann sind alle Probleme auf einen Schlag wie weggeblasen.
Marcel V. schrieb: > H. H. schrieb: >> Also EOT. > > EOT = Equivalent Oxide Thickness: Eine Vergleichsgröße für die Dicke von > Isolierschichten in Transistoren. > ;-)) > Um die Störungen noch ein bisschen zu eliminieren, könntest du zwischen > Basis und Emitter noch einen 100nF Kondensator schalten. Und wenn man > viel Angst hat, dann nimm einfach einen Optokoppler! Dann sind alle > Probleme auf einen Schlag wie weggeblasen. Vielen Dank auch noch mal hierfür. Angst hab ich nicht aber Respekt und keine Lust aus Dummheit was durchzubrennen… Die Lösung aus dem großen Onlinehandel wie in einem der ersten Beiträge genannt wäre dann eine anschlussfertige Lösung? Also Eingangsseite wie gehabt mit 12v und Masse, Ausgangsseite +5v, Masse und Signalleitung zum Steuergeräteeingang?
Tjomas schrieb: > Also Eingangsseite wie gehabt mit 12v und Masse, Ausgangsseite +5v, > Masse und Signalleitung zum Steuergeräteeingang? Wenn Du eh fertige Lösung zu kaufen neigst, warum dann hier diesen Aufwand? Tjomas schrieb: > Also Eingangsseite wie gehabt mit 12v und Masse, Ausgangsseite +5v, > Masse und Signalleitung zum Steuergeräteeingang? Zumindest mein Plan sollte selbsterklärend sein. Widerstandswert sind mal grob geschätzt.
Thomas S. schrieb: > > Wenn Du eh fertige Lösung zu kaufen neigst, warum dann hier diesen Aufwand? > > Zumindest mein Plan sollte selbsterklärend sein. Widerstandswert sind > mal grob geschätzt. Tatsächlich möchte ich das eigentlich schon selbst bauen, da ich mir mit dem gleichen Potenzial der Masse eigentlich sicher bin. Die Bauteile dafür und ein paar Bastelplatinen habe ich da, mit den Widerständen muss ich schauen. Ich werde das mal zusammenlöten und ausprobieren. Nochmal herzlichen Dank an alle, die etwas beitragen konnten.
Tjomas schrieb: > Die Lösung aus dem großen Onlinehandel wie in einem der ersten Beiträge > genannt wäre dann eine anschlussfertige Lösung? Ja, natürlich. Allerdings gibts die für 20 Cent (5x Stk für €1) https://www.aliexpress.com/item/1005003242672161.html
Tjomas schrieb: > Tatsächlich möchte ich das eigentlich schon selbst bauen Wenn du das eh selbst bauen willst, dann schalte vor der Basis noch eine grüne LED, damit erhöhst du zum Einen noch die Schwellspannung gegen Störungen und hast zum Anderen gleichzeitig noch eine optische Anzeige geschaffen.
Bitte melde dich an um einen Beitrag zu schreiben. Anmeldung ist kostenlos und dauert nur eine Minute.
Bestehender Account
Schon ein Account bei Google/GoogleMail? Keine Anmeldung erforderlich!
Mit Google-Account einloggen
Mit Google-Account einloggen
Noch kein Account? Hier anmelden.





