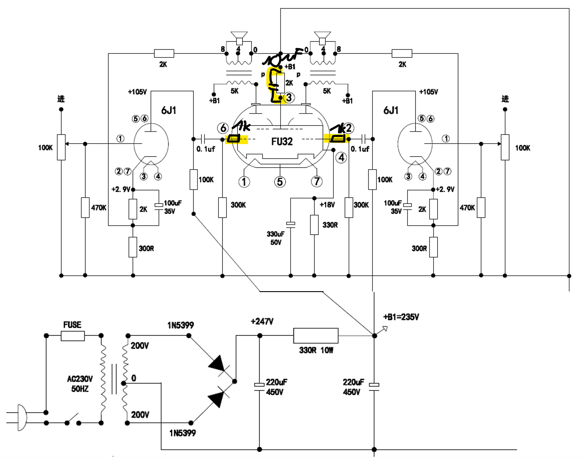
Ich hab mir diese Schaltung gebaut. Nun würde ich sie gerne besser verstehen. Vielleicht gibt es Optimierungen. Wer würde sie mir erklären?
Markus H. schrieb: > Ich hab mir diese Schaltung gebaut. > Vielleicht gibt es Optimierungen. Wer würde sie mir erklären? Ich bin jetzt nicht so der Röhrenexperte. Aber wenn ich das richtig sehe, sind das rote und blaue Kabel die Anschlüsse nach +B1. Das sind 235V, gegen Schaltungsmasse. <ironie on> Das kann man natürlich machen, wenn einem sein Leben nix mehr Wert ist. <ironie off> Außerhalb von Schutzkleinspannung (laut Norm spätestens ab 120V DC) müssen alle Kabel doppelt isoliert sein. - Aderisolierung und Mantel - Einzelader und Kabelkanal - ... Isolationsspannung entsprechend der größten Potentialdifferenz zueinander. Für die anderen Röhren gilt das natürlich auch, und auch wenn die rausgezogen werden und man von oben auf den Sockel fasst. Deine Variante ist schon ziemlich gefährlich. Und die exponierte Einbausituation lädt ja gerade zum Anfassen ein. p.s. Es gibt viele Dinge die man bei der Auslegung von Elektronik gerne mal etwas großzügig sieht. Schutzisolierung gehört da defenitiv nicht dazu.
:
Bearbeitet durch User
> Aber wenn ich das richtig sehe, sind das rote und blaue > Kabel die Anschlüsse nach +B1. Jain. Das sind die Leitungen nach dem Ausgangsübertrager, aber ja, da liegt B+ drauf, evtl. durch die Induktivität auch zeitweise noch etwas mehr. Solche Röhrenverstärker offen zu betreiben sieht ja immer toll aus, aber dann sollte man nur gesockelte Röhren verwenden, so daß oben keine spannungsführenden Kontakte sind. Die Finger kann man sich trotzdem gut dran verbrennen... Edit: Btw. mach mal kleine (entsprechend spannungsfeste) Folienkondensatoren über die Gleichrichterdioden, vielleicht so 5..7nF, dann sind Störungen durch deren harte Kennline weg.
:
Bearbeitet durch User
Danke für die ersten Inputs. Ich werde diese beherzigen und das mit den Folienkondensatoren ausprobieren. In meinem Schema habe ich noch einen Fehler, der 10uF Kondensator geht von 3 auf Masse (nicht B+). Wer denkt, dass er die Schaltung sehr gut kennt und würde mir, z.B. per Zoom/Teams die Schaltung eingehend erklären? Ich würde das dann in einem Post hier verschriftlichen.
Markus H. schrieb: > Wer denkt, dass er die Schaltung sehr gut kennt Macht vielleicht andersherum mehr Sinn. Die Schaltung ist ja recht einfach und straightforward, viel Magie steckt da nicht dahinter. Wo liegen deine Verständnisschwierigkeiten? evtl. bei der Rückkopplung über die 300 Ohm-Widerstände an den LS?
Kannst Du mir mehr sagen zur Funktion des 300 Ohm Widerstand? Ist Anoden-Widerstand die richtige Bezeichnung bei den 6j1? Allgemein wäre ich mal froh mit einer Liste mit den Bezeichnungen der wichtigsten Widerstände. In letzter Zeit habe ich gelegentlich kurze Plop oder kurzes Kratzen. Welche Spannungen müsste ich überprüfen?
:
Bearbeitet durch User
Über den 300 Ohm Widerstand ist eine Gegenkopplung realisiert. Über den 2K Widerstand und die Sekundärwicklung des Ausgangsübertragers fließt etwas Strom durch diesen Widerstand, dieser erzeugt daran eine Spannung, die das Kathodenpotential der Vorstufen-Röhre analog zur Aussteuerung verschiebt.
Und KI schlägt noch diese Änderung vor: 100k bei der Vorstufe nicht direkt auf B+, sondern über einen 10k, plus 10uF auf Masse B+ -> 10k -> Punkt -> 100k -> Anode 6J1 Vom Punkt noch 10uF auf Masse Was ist davon zu halten?
Ich habe KI mal nach Optimierungen gefragt, hier die Antwort. Was ist davon zu halten? ⭐ PRIORITÄT 1 — Beste und wichtigste Verbesserung 1️⃣ Versorgung der 6J1 entkoppeln → (den 10 kΩ + 10–22 µF Mod machen, den du jetzt verstanden hast) Vorteile: Weniger Brumm Weniger Intermodulation (FU32 modulierter Brumm) Sauberere Anodenarbeitsspannung Geringere Verzerrungen Mehr Headroom Das ist die wertvollste Verbesserung für diesen Verstärker. (Jeder klassische SE-Amp macht es so!) ⭐ PRIORITÄT 2 — Optimierung der 6J1-Betriebsbedingungen 2️⃣ Anodenspannung der 6J1 auf 150–180 V bringen Deine Originalschaltung hatte laut Dokument etwa 105 V an der Anode. Das ist viel zu niedrig für die 6J1 im Triodenmodus → sie verzerrt unnötig. Mit der Entkopplung plus korrekt dimensioniertem Anodenwiderstand erreichst du die idealen 150–180 V. Vorteile: Weniger THD Deutlich mehr Aussteuerbarkeit Sauberere Höhen Weniger frühes Clipping ⭐ PRIORITÄT 3 — Gitter-Stabilität der FU32 erhöhen 3️⃣ 1 kΩ Gridstopper an das Gitter der FU32 (steht bereits in deiner Schaltung, aber unbedingt kontrollieren!) Warum? Weil die FU32 gerne zu Hochfrequenzschwingungen neigt. Mit 1–2.2 kΩ direkt am Gitteranschluss: Keine HF-Schwingungen Ruhiger Klang Verhindert Überschwinger & Instabilität Wenn der 1 kΩ nicht direkt am Pin sitzt → versetzen. ⭐ PRIORITÄT 4 — Grounding & Brummreduzierung 4️⃣ Sternmasse für die Vorstufe Die 6J1 sollte ihr eigenes Massezentrum haben, getrennt von: Heizungsmasse FU32-Kathodenmasse Lautsprechermasse Warum? 6J1 ist extrem empfindlich FU32 zieht riesige AC-Ströme → brummt die Masseleitung hoch Sternpunkt reduziert Brummeinspeisung massiv ⭐ PRIORITÄT 5 — Heizfaden der 6J1 5️⃣ Twisted Pair für die Heizleitungen → verdrillte 6,3 V Leitungen weniger Einstreuung leiser Betrieb Ist einfach und bringt viel. ⭐ PRIORITÄT 6 — Bias der FU32 prüfen 6️⃣ Kathodenwiderstand der FU32 messen (R27) Die FU32 hat je nach Exemplar: sehr unterschiedliche Steilheit stark schwankenden Ruhestrom Empfehlenswert: 👉 Ruhestrom messen 👉 Falls zu hoch → Kathodenwiderstand leicht erhöhen Ziel: 35–45 mA Ruhestrom für SE-Betrieb. ⭐ PRIORITÄT 7 — Optimierung des Koppelkondensators 7️⃣ 0.1 µF zwischen 6J1 und FU32 Die Kapazität bestimmt den Bass-Grenzbereich. Bei 300 kΩ Gitterableitwiderstand der FU32: f = 1 / (2π × R × C) f ≈ 5 Hz bei 0.1 µF → perfekt Wenn deine Boxen bassschwach sind: 0.22 µF statt 0.1 µF (aber nur Folie, KEIN Elektrolyt). ⭐ PRIORITÄT 8 — Schutz gegen Anodenüberspannung bei Leerlauf 8️⃣ Anstieg der Anodenspannung im Leerlauf begrenzen Viele günstige FU32-Kits haben: schlechte Lastregulierung stark steigende B+ bei ohne Last Ein 5–10 W Widerstand 220–470 Ω in Serie zum Netzteilausgang glättet die Spitze im Leerlauf. ⭐ PRIORITÄT 9 — Optional / Luxus 9️⃣ Filmkondensator parallel zum Kathodenelkos der FU32 10–22 µF Elko + 0.47 µF MKP parallel → stabiler Bass ⭐ SUPERSUMMARY (in 1 Minute verstanden) ✔ Vorteil Nr. 1: Versorgung der 6J1 entkoppeln (10k + 10µF) ✔ Vorteil Nr. 2: 6J1 mehr Anodenspannung geben ✔ Vorteil Nr. 3: 1 kΩ Gridstopper FU32 ✔ Vorteil Nr. 4: Sternmasse ✔ Vorteil Nr. 5: Heizleitungen verdrillen ✔ Vorteil Nr. 6: Ruhestrom FU32 prüfen ✔ Vorteil Nr. 7: ggf. 0.1 µF → 0.22 µF ✔ Vorteil Nr. 8: B+-Schwankungen dämpfen ✔ Vorteil Nr. 9: kleines MKP parallel zum Kathodenelko
Markus H. schrieb: > Ich habe KI mal nach Optimierungen gefragt, hier die Antwort. Was ist > davon zu halten? Du hast der KI die falschen Vorgaben gegeben, sie versucht den Sound zu "verbessern". Da kann man auch gleich auf Transistoren oder ICs gehen. Erklär der KI, dass die Verzerrungen, Oberwellen, Clipping usw. gewollt sind. Ziel ist ein durchaus "schlechter" Sound (gemessen an Unterschied zwischen Aufnahme und Wiedergabe), aber gleichzeitig möglichst "guter" Sound, bewertet durch das menschlichen Gehör und deine Hörgewohnheiten. d.H. die KI soll das Teil eher als Effektgerät sehen und nicht als Verstärker. Denn rein als Verstärker wird diese Schaltung keiner 25Cent Aliexpress-Platine das Wasser reichen können.
Markus H. schrieb: > Ich habe KI mal nach Optimierungen gefragt, hier die Antwort. Was ist > davon zu halten? Nichts! Frage Menschen, die sich damit auskennen...
:
Bearbeitet durch User
Ich bin offen für fachkundige menschliche Bewertungen. Das mit den Gridstopperwiderständen habe ich umgesetzt. Hat mir ein 80jähriger Amerikaner empfohlen. Und auch den Kondensator von Anode auf Masse. Was ist den Bedingungen für die 6J1?
:
Bearbeitet durch User
KI-Antworten in Sachen Elektronik sollte man nicht glauben, da wird etwas zusammengewurschtelt was mit der Realität meist nichts zu tun hat... Daher am Besten hier fragen...
Bitte melde dich an um einen Beitrag zu schreiben. Anmeldung ist kostenlos und dauert nur eine Minute.
Bestehender Account
Schon ein Account bei Google/GoogleMail? Keine Anmeldung erforderlich!
Mit Google-Account einloggen
Mit Google-Account einloggen
Noch kein Account? Hier anmelden.


