Hallo liebe Forumsmitglieder, ich habe ein Bandelin Sonorex RK 1028 BH bekommen. Die Sicherung auf der Platine war defekt. Eine neue brennt direkt beim Einschalten durch. Nach einigen Messungen war schnell klar die Transistoren sind defekt, also neue bestellt und eingebaut. Leider gleiches Szenario und die Transistoren waren wieder defekt. Also hab ich nochmal neue Transistoren eingebaut und eine kleine Sicherung (in der Hoffnung die Transistoren überleben es) und habe den Stromkreis vor dem Trafo aufgetrennt. Siehe da man hört leise den Schwingkreis. Also Trafo wieder ran und Sekundärseitig aufgetrennt, wieder alles funktionsfähig. Sobald man den Stromkreis auf der Sekundärseite schließt, fliegt die Sicherung und sobald man eine größere Sicherung als 160mA einbaut fliegt die Sicherung und die Transistoren sind mit defekt. Wenn jemand Unterlagen oder Schaltplan für das Gerät hat, wäre mir auch schon geholfen. Hat jemand eine Idee was noch defekt sein könnte? Ich gehe davon aus das der defekt erst unter Spannung auftritt, da ich schon viele Kondensatoren, etc. ausgelötet und durchgemessen habe. Wie viel Ohm muss der Leistungswiderstand haben (im Bild nicht eingelötet)? Danke im voraus und einen schönen 2. Advent Simon
:
Verschoben durch Moderator
Was für Transistoren waren drin und woher stammt dein Ersatz? Hast du die blauen Folienkondensatoren auf Kapazitätsverlust geprüft? Ansonsten zeigt deine Bastelei, dass du nicht weißt wie so eine selbstschwingende Halbbrücke funktioniert.
H. H. schrieb: > Was für Transistoren waren drin und woher stammt dein Ersatz? > > Hast du die blauen Folienkondensatoren auf Kapazitätsverlust geprüft? > > > Ansonsten zeigt deine Bastelei, dass du nicht weißt wie so eine > selbstschwingende Halbbrücke funktioniert. Es waren BUX98A Transistoren verbaut und diese habe ich auch wieder verbaut. Ersatz stammt von reichelt. Die Transistoren habe ich gemessen und auch mittlerweile alle blauen ersetzt, jedoch keine Veränderung. Die alten Kondensatoren hatten aber auch noch den angegebenen Wert. Ich bin zwar Elektroniker aber habe mit Platinen noch nicht viel zu tun gehabt. Daher offen für jeden Tipp/Vorgehensweise um das ding wieder ans laufen zu bekommen. Wenn du erklären kannst wie die selbstschwingende Halbbrücke funktioniert, höre ich gerne zu. Danke schonmal
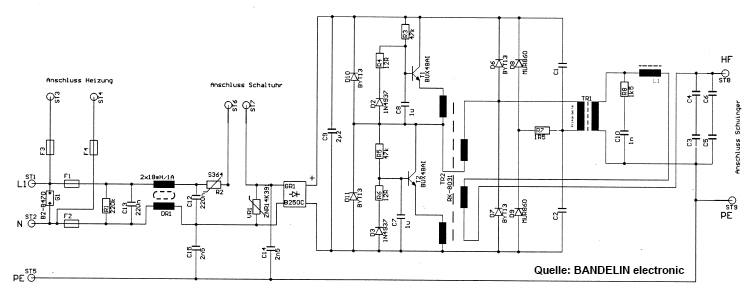
Simon H. schrieb: > Es waren BUX98A Transistoren verbaut und diese habe ich auch wieder > verbaut. > Ersatz stammt von reichelt. Bei Reichelt bekommst du leider nur Atrappen von ISC. > alle blauen ersetzt, jedoch keine Veränderung. Die alten > Kondensatoren hatten aber auch noch den angegebenen Wert. Du hast aber schon PP-Kondensatoren vergleichbarer Qualität eingebaut? Aber wenn die alten noch ihre Nennkapazität hatten, dann lag es wohl nicht an denen. Die Schaltung funktioniert so wie die "elektronischen" Halogentrafos, dazu gibts eine AppNote von ST, mit Erklärung. Einen Link darauf müsste ich wieder mal suchen.
Auf der Platine fallen mir zwei Positionen auf, die ich mal im Bild markiert habe. Einmal eine Stelle, die aussieht, als wäre dort ein schonmal überhitztes Bauteil eingelötet gewesen, das jetzt fehlt. Die Platine ist dort verfärbt, wie von größerer Hitze. Und der rote Folienkondensator in der zweiten Markierung sieht aus, als würde ihm ein Stück fehlen.
Thorsten S. schrieb: > Und der rote Folienkondensator in der zweiten Markierung sieht aus, als > würde ihm ein Stück fehlen. ACK!
H. H. schrieb: > Bei Reichelt bekommst du leider nur Atrappen von ISC. Darisus hat wohl noch Originale: https://shop.darisusgmbh.de/Aktive-Bauteile/Diskrete-Halbleiter/Transistoren/Alphabetisch/BUX/BUX98A-Transistor-NPN-1000V-30A-250WTO3::1405.html
Thorsten S. schrieb: > Auf der Platine fallen mir zwei Positionen auf, die ich mal im Bild > markiert habe. > Einmal eine Stelle, die aussieht, als wäre dort ein schonmal überhitztes > Bauteil eingelötet gewesen, das jetzt fehlt. Die Platine ist dort > verfärbt, wie von größerer Hitze. > > Und der rote Folienkondensator in der zweiten Markierung sieht aus, als > würde ihm ein Stück fehlen. Richtig erkannt. Der Kondensator wurde mit getauscht zu beginn und wo die Verfärbung ist, gehört der Lastwiderstand eingebaut (Zum Zeitpunkt des Bildes ausgelötet).
H. H. schrieb: > Simon H. schrieb: >> Es waren BUX98A Transistoren verbaut und diese habe ich auch wieder >> verbaut. >> Ersatz stammt von reichelt. > > Bei Reichelt bekommst du leider nur Atrappen von ISC. > > >> alle blauen ersetzt, jedoch keine Veränderung. Die alten >> Kondensatoren hatten aber auch noch den angegebenen Wert. > > Du hast aber schon PP-Kondensatoren vergleichbarer Qualität eingebaut? > Aber wenn die alten noch ihre Nennkapazität hatten, dann lag es wohl > nicht an denen. > > Die Schaltung funktioniert so wie die "elektronischen" Halogentrafos, > dazu gibts eine AppNote von ST, mit Erklärung. Einen Link darauf müsste > ich wieder mal suchen. Ja ich habe vergleichbare oder höher belastbare Kondensatoren verwendet und wie gesagt die alten hatten noch den gewünschten Wert. Habe sie nur gewechselt da in vielen Beiträgen so das Problem gelöst werden konnte. Wieso sind Transistoren von ISC Atrappen? Und woran merkt man das?
Als ich gerade meine Bestellungen durchgegangen bin, ist mir aufgefallen, dass der kleine Kondensator der auf dem Bild noch zerplatzt ist, ein PET Kondensator war den ich bestellt habe. Ist das relevant? Könnte das schon mein Problem sein? Danke für den Schaltplan, dieser scheint mir sehr ähnlich zu meinem. Ist es relevant ob beim Testlauf schwinger angeschlossen sind? Wenn ja müssen alle ran oder reicht eine?
H. H. schrieb: > Die Schaltung funktioniert so wie die "elektronischen" Halogentrafos, > dazu gibts eine AppNote von ST, mit Erklärung. Einen Link darauf müsste > ich wieder mal suchen. Voilà: https://www.st.com/resource/en/application_note/an528-electronic-transformer-for-a-12v-halogen-lamp-stmicroelectronics.pdf
H. H. schrieb: > H. H. schrieb: >> Die Schaltung funktioniert so wie die "elektronischen" Halogentrafos, >> dazu gibts eine AppNote von ST, mit Erklärung. Einen Link darauf müsste >> ich wieder mal suchen. > > Voilà: > > https://www.st.com/resource/en/application_note/an528-electronic-transformer-for-a-12v-halogen-lamp-stmicroelectronics.pdf Danke ich werde mich mal damit auseinandersetzen. Trotzdem Ideen woran es bei mir liegen könnte? Habe gestern auch nochmal geschaut die ersten Transistoren waren von ISC die die uch jetzt eingebaut habe, haben das ST Logo drauf (ich weiß aber nicht mehr wo ich sie bestellt habe)
Simon H. schrieb: > die die uch jetzt eingebaut habe, haben das ST Logo drauf Zeig mal. > (ich weiß aber > nicht mehr wo ich sie bestellt habe) Es sind praktisch nur noch Fälschungen am Markt.
H. H. schrieb: > Simon H. schrieb: >> die die uch jetzt eingebaut habe, haben das ST Logo drauf > > Zeig mal. > > >> (ich weiß aber >> nicht mehr wo ich sie bestellt habe) > > Es sind praktisch nur noch Fälschungen am Markt. Im Bild links das Orginal rechts der jetzt verbaute Transistor. Wenn es eine Fälschung ist fliegt die Sicherung auch direkt? Muss zum Test ein schwinger angeschlossen werden?
:
Bearbeitet durch User
Thorsten S. schrieb: > Und der rote Folienkondensator in der zweiten Markierung sieht aus, als > würde ihm ein Stück fehlen. Allein dss schwarze Kabel ist total verbrannt
Frank O. schrieb: > Thorsten S. schrieb: >> Und der rote Folienkondensator in der zweiten Markierung sieht aus, als >> würde ihm ein Stück fehlen. > > Allein dss schwarze Kabel ist total verbrannt Nein die Kabel sind alle in Ordnung, sind nur auf dem Bild verdreckt.
Simon H. schrieb: > rechts der jetzt verbaute Transistor. Plumpe Fälschung. > Wenn es eine Fälschung ist fliegt die Sicherung auch direkt? Kommt drauf an was drin steckt. > Muss zum Test ein schwinger angeschlossen werden? Ohne Last keine Schwingung.
H. H. schrieb: > Simon H. schrieb: >> rechts der jetzt verbaute Transistor. > > Plumpe Fälschung. > > >> Wenn es eine Fälschung ist fliegt die Sicherung auch direkt? > > Kommt drauf an was drin steckt. > > >> Muss zum Test ein schwinger angeschlossen werden? > > Ohne Last keine Schwingung. Ok also du meinst der Transistor geht unter last nicht und hätte ich orginale würde es gehen? Oder wie würdest du vorgehen? Ich meine ohne die sekundärseite schwingt es ja. Danke schonmal für deine Hilfe bis hierher
Ach, es ist doch schon oft gesagt worden, hat sich aber noch immer nicht herumgesprochen: Nach einem (ersten) Reparaturversuch das Gerät immer mit einem Schutzwiderstand einschalten, den man anstatt der Sicherung anschließt. (z.B. eine Glühlampe mit wenigen Watt oder einen passenden Widerstand.) Wenn dann der eigentliche Defekt, Kondensator oder der Kurzschluss, noch vorhanden ist, bleibt der Strom begrenzt und hier z.B. werden die BUX... nicht gleich wieder zerschossen.
Simon H. schrieb: > Ok also du meinst der Transistor geht unter last nicht und hätte ich > orginale würde es gehen? Nein, das meine ich nicht. > Oder wie würdest du vorgehen? Messen! Das sind doch nur ein paar wenige Teile. > Ich meine ohne die sekundärseite schwingt es ja. Das hast du wie festgestellt?
H. H. schrieb: > Simon H. schrieb: >> Ok also du meinst der Transistor geht unter last nicht und hätte ich >> orginale würde es gehen? > > Nein, das meine ich nicht. > > >> Oder wie würdest du vorgehen? > > Messen! Das sind doch nur ein paar wenige Teile. > >> Ich meine ohne die sekundärseite schwingt es ja. > > Das hast du wie festgestellt? was soll ich noch messen? Habe fast alle Teile ausgelötet gehabt und gemessen? Habe sekundärseite den Stromkreis nicht geschlossen und eingeschaltet und man hört das schwingen von der Platine
Peter R. schrieb: > Ach, es ist doch schon oft gesagt worden, hat sich aber noch immer nicht > herumgesprochen: > > Nach einem (ersten) Reparaturversuch das Gerät immer mit einem > Schutzwiderstand einschalten, den man anstatt der Sicherung anschließt. > (z.B. eine Glühlampe mit wenigen Watt oder einen passenden Widerstand.) > > Wenn dann der eigentliche Defekt, Kondensator oder der Kurzschluss, > noch vorhanden ist, bleibt der Strom begrenzt und hier z.B. werden die > BUX... nicht gleich wieder zerschossen. Danke werde ich probieren. Glühlampe mit 250v und 2W oder W sowas?
Beitrag #7977326 wurde vom Autor gelöscht.
Geschätzt irgendwas 230V/50W Birne würde ich probieren. Welches Baujahr ist dieses Gerät? Ich kenne ferromagnetische Schwinger nur historisch, interessant!
Den Schwinger mal durchmessen. Ich denke das auf dem Bild zu sehende ferritbündel ist nur die induktivität des schwingkreises. Blau und rot gehen unters becken zum Transducer.
:
Bearbeitet durch User
Abdul K. schrieb: > Geschätzt irgendwas 230V/50W Birne würde ich probieren. > > > Welches Baujahr ist dieses Gerät? Ich kenne ferromagnetische Schwinger > nur historisch, interessant! ok probiere ich beim nächsten mal. Baujahr weiß ich leider nicht. Habe nur das Schild was ich an die erste Nachricht gehängt hatte. Ich würde mich echt freuen wenn wir gemeinsam das Problem finden könnten. Hat keiner Erfahrungswerte was gerne mal den Geist aufgibt?
Flip B. schrieb: > Den Schwinger mal durchmessen. Ich denke das auf dem Bild zu sehende > ferritbündel ist nur die induktivität des schwingkreises. Blau und rot > gehen unters becken zum Transducer. Genau blau und rot geht auf die 8 Transducer. Habe sie einzeln gemessen. Einer hat leichte Abweichungen. Zum Test verwende ich aber nur einen?
Simon H. schrieb: > Genau blau und rot geht auf die 8 Transducer. Habe sie einzeln gemessen. > Einer hat leichte Abweichungen. Zum Test verwende ich aber nur einen? Murks, wegen mangelnder Ahnung. Das System ist auf die Gesamtkapazität ausgelegt.
Simon H. schrieb: > Glühlampe mit 250v und 2W Glühlampe ja. Aber eine richtige altmodische mit echtem Glühfaden und ca 60 - 100W. Bei einem Gerät wie dem Bandelin dürfen es auch gerne noch mehr sein.
:
Bearbeitet durch User
H. H. schrieb: > Simon H. schrieb: >> Genau blau und rot geht auf die 8 Transducer. Habe sie einzeln gemessen. >> Einer hat leichte Abweichungen. Zum Test verwende ich aber nur einen? > > Murks, wegen mangelnder Ahnung. > > Das System ist auf die Gesamtkapazität ausgelegt. Tut mir leid aber genau deshalb bin ich ja ihr. Ab wann kann man davon sprechen das ein Transducer defekt ist? Fliegt die Sicherung wenn man keine Transducer anschließt? wo würdest du als nächstes messen? und was?
Armin X. schrieb: > Simon H. schrieb: >> Glühlampe mit 250v und 2W > > Glühlampe ja. Aber eine richtige altmodische mit echtem Glühfaden und ca > 60 - 100W. > Bei einem Gerät wie dem Bandelin dürfen es auch gerne noch mehr sein. Ok danke probiere ich aus. Alte Glühlampen finde ich bestimmt irgendwo im Schrank noch. Die Frage ist nur was passiert wenn dann zwar der Transistor nicht stirbt aber was passiert anstatt dessen? keine Funktion aber Glühlampe leuchtet?
:
Bearbeitet durch User
Wollte gerade noch ergänzen, dass es bei den 1000W des Bandelin auch gerne ein Halogenstab sein darf...
Simon H. schrieb: > keine Funktion aber Glühlampe > leuchtet? Immerhin hättest du dann wenigstens Licht. SCNR
Frank O. schrieb: > Simon H. schrieb: >> keine Funktion aber Glühlampe >> leuchtet? > > Immerhin hättest du dann wenigstens Licht. > SCNR Ja gut aber wo soll ich dann weiter suchen?
Simon H. schrieb: > wo würdest du als nächstes messen? und was? An den Wandlern, aber du wirst wohl keine Messgeräte dafür haben. Man misst Kapazität, ESR und Isolationswiderstand (bei mindestens 500VDC!).
H. H. schrieb: > Simon H. schrieb: >> wo würdest du als nächstes messen? und was? > > An den Wandlern, aber du wirst wohl keine Messgeräte dafür haben. Man > misst Kapazität, ESR und Isolationswiderstand (bei mindestens 500VDC!). Mit Wandlern sind die Tansducer gemeint? Kapazität kann ich messen. Isolationswiderstand könnte ich auch ein Messgerät leihen. Was ist mit ESR gemeint? Das heißt aber ohne alle 8 Transducer fliegt die Sicherung sowieso?
:
Bearbeitet durch User
Simon H. schrieb: > Was ist mit ESR gemeint? Der Wirkwiderstand bei Resonanzfrequenz. E_quivalent S_eries R_esistance > Das heißt aber ohne alle 8 Transducer fliegt die Sicherung sowieso? Was wird wohl mit der Schaltfrequenz sein, wenn keine Wandler dran hängen? Entweder schwingt nichts, oder die Frequenz ist voel höher als normal, so hoch, dass die Transistoren nicht mehr mitkommen.
:
Bearbeitet durch User
H. H. schrieb: > Simon H. schrieb: >> Was ist mit ESR gemeint? > > Der Wirkwiderstand bei Resonanzfrequenz. > > E_quivalent S_eries R_esistance > > > >> Das heißt aber ohne alle 8 Transducer fliegt die Sicherung sowieso? > > Was wird wohl mit der Schaltfrequenz sein, wenn keine Wandler dran > hängen? > Entweder schwingt nichts, oder die Frequenz ist voel höher als normal, > so hoch, dass die Transistoren nicht mehr mitkommen. Ok danke dann werde ich mal die transducer alle messen und dann alle wieder anschließen und probieren. Wie misst man den ESR dann? Wenn jetzt einer defekt wäre, könnte ich die Schaltung dann so umbauen das es auch mit 7 gehen würde? Danke schonmal wieder
:
Bearbeitet durch User
Du kannst die 8 gegeneinander vergleichen, vielleicht fällt einer auf. ESR ist nicht so einfach, aber bei Bruch ändert sich ja auch die Kapazität deutlich. Wenn es denn Piezowandler sind! Wenn die vorgeschaltete Glühbirne zu hochohmig ist, verringert sich einfach nur die Schwingungsamplitude und der Spielraum (= SOA) für die Transen wird entspannter. Man kann es allerdings nicht beliebig hochohmig machen, irgendwann startet der Oszillator nicht mehr.
Einzelne Wandler kann man durch deren spannungsfeste (Nenn)kapazität ersetzen.
Abdul K. schrieb: > Einzelne Wandler kann man durch deren spannungsfeste > (Nenn)kapazität > ersetzen. Unbedingt impulsfeste PP-Typen nehmen! Man kann sich dabei an den eh schon vorhanden Kondensatoren auf der Sekundärseite orientieren, meist sind das schon Reihenschaltungen, wegen der Spannungsfestigkeit bei der Resonanzfrequenz der Wandler.
Guten Abend, Ich habe heute mal die Transducer auf Kapazität gemessen. Alle haben zwischen 3,28nF und 3,43nF. Das Isolationsmessgerät bekomme ich erst aufs Wochenende. Wäre dieser Kondensator als Ersatz für einen Transducer denkbar? (Zum Vergleich ein Bild eines Kondensators auf der Sekundärseite) https://www.reichelt.de/de/de/shop/produkt/impulskondensator_3_3nf_1000v_rm15-173114 Danke und einen schönen Abend
:
Bearbeitet durch User
Julian L. schrieb: > naja, 47 ist schon "etwas" mehr als 3,3. Ja die mit 47nF sind sekundärseitig auf der Platine. Ich brauche ja wenn dann einen zum Ersetzen eines Transducer und diese haben um die 3.3nF. Ein Transducer hat auch leichte Brüche am Portzelan deshalb denke ich bei der Riso werd ich da vielleicht einen defekt feststellen.
Simon H. schrieb: > Ja die mit 47nF sind sekundärseitig auf der Platine. Wohl je zwei in Reihe geschaltet?
H. H. schrieb: > Simon H. schrieb: >> Ja die mit 47nF sind sekundärseitig auf der Platine. > > Wohl je zwei in Reihe geschaltet? 3 parallel und nochmal 3 parallel dahinter in Reihe.
H. H. schrieb: > Die Reihenschaltung ist wegen der nötigen Spannungsfestigkeit. Ok Denkst du ich könnte den im link für einen Transducer einsetzen? Oder meinst du ich brauche dann für 2000V?
Hallo miteinander, Heute konnte ich endlich alle Messungen durchführen (Ergebnisse im Anhang). Transducer 3 ist defekt wenn ich das richtig sehe. Deshalb brauche ich jetzt einen Ersatz. Ihr meintet ja ein Kondensator wäre möglich. Geht der den ich als link in einem meiner letzten Beiträge gesendet hatte? Viel Dank und einen schönen 3.Advent
Simon H. schrieb: > Transducer 3 ist defekt wenn ich das richtig sehe. Ganz offensichtlich. > Deshalb brauche ich jetzt einen Ersatz. Ihr meintet ja ein Kondensator > wäre möglich. Geht der den ich als link in einem meiner letzten Beiträge > gesendet hatte? Nein! Besorg dir zwei impulsfeste 6,8nF/1000V PP Kondensatoren und schalte die in Reihe.
H. H. schrieb: > Simon H. schrieb: >> Transducer 3 ist defekt wenn ich das richtig sehe. > > Ganz offensichtlich. > > >> Deshalb brauche ich jetzt einen Ersatz. Ihr meintet ja ein Kondensator >> wäre möglich. Geht der den ich als link in einem meiner letzten Beiträge >> gesendet hatte? > > Nein! Besorg dir zwei impulsfeste 6,8nF/1000V PP Kondensatoren und > schalte die in Reihe. Ok verstehe wie auf der Platine quasi. Und diese beiden dann da in Reihe ran wo der defekte Transducer sitzt. Kann das schon mein ganzes Problem sein? Wäre dieser Kondensator dann geeignet? https://www.reichelt.de/de/de/shop/produkt/fkp1_pp-puls-kondensator_6_8_nf_10_1000_vdc_rm_15-173116
Simon H. schrieb: > Wäre dieser Kondensator dann geeignet? > https://www.reichelt.de/de/de/shop/produkt/fkp1_pp-puls-kondensator_6_8_nf_10_1000_vdc_rm_15-173116 Ja.
H. H. schrieb: > Simon H. schrieb: >> Wäre dieser Kondensator dann geeignet? >> > https://www.reichelt.de/de/de/shop/produkt/fkp1_pp-puls-kondensator_6_8_nf_10_1000_vdc_rm_15-173116 > > Ja. Danke ich besorg mal was und teste dann Melde mich wieder
Guten Morgen miteinander, habe jetzt eine 60W Glühlampe anstatt der Sicherung drin und den kaputten Transducer mit Kondensatoren ersetzt. Jetzt schallt es (glaube aber nicht so stark wie es sollte) und die Glühlampe brennt auch. Glühlampe aber nicht ganz so hell wie normal. Solle alles normal sein oder? Glühlampe jetzt wieder gegen eine Sicherung tauschen? Vielen Dank und einen schönen 4.Advent
Guten Morgen, klingt doch erst einmal recht gut. Ja, jetzt Lampe rausnehmen und eine Sicherung rein. Oder falls Du noch sicherer gehen willst, stärkere Lampe rein (Also mit höherer Wattzahl 100W (oder 2x 60W parallel) und damit mit kleineren Widerstand) als Zwischenschritt rein.
Simon H. schrieb: > Transducer 3 ist defekt Interessant, Isolationsmessung. Wogegen hast du denn gemessen, Gehäuse ? Denn diese Ferritstabspule wäre ja erst mal freifliegend mit gar nichts in Kontakt.
Michael B. schrieb: > Simon H. schrieb: >> Transducer 3 ist defekt > > Interessant, Isolationsmessung. Wogegen hast du denn gemessen, Gehäuse ? > > Denn diese Ferritstabspule wäre ja erst mal freifliegend mit gar nichts > in Kontakt. Habe zwischen den beiden Anschlüssen des Transducer gemessen.
Michael B. schrieb: > diese Ferritstabspule Ist kein Transducer. Es gibt in der Kiste 8 ganz normale Keramikschwinger.
Also Sicherung ist drin. Es schwingt ich denke nur etwas zu wenig. Es ist sehr leise und die Vorbesitzerin hat mal gehört und meinte es war deutlich lauter vorher.
Simon H. schrieb: > Also Sicherung ist drin. > Es schwingt ich denke nur etwas zu wenig. Es ist sehr leise und die > Vorbesitzerin hat mal gehört und meinte es war deutlich lauter vorher. Kein Wasser in der Wanne?
BTW: WhatsApp_Image_2025-12-07_at_15.57.42.jpeg Warum braucht man Whatsapp um ein Photo zu machen?
:
Bearbeitet durch User
H. H. schrieb: > Simon H. schrieb: >> Also Sicherung ist drin. >> Es schwingt ich denke nur etwas zu wenig. Es ist sehr leise und die >> Vorbesitzerin hat mal gehört und meinte es war deutlich lauter vorher. > > Kein Wasser in der Wanne? Bisher nicht ja aber immer nur kurzzeitig an.
Stephan S. schrieb: > BTW: > WhatsApp_Image_2025-12-07_at_15.57.42.jpeg > Warum braucht man Whatsapp um ein Photo zu machen? Einfachste Methode das bild schnell auf den PC zu senden
Simon H. schrieb: > Bisher nicht Die einfachste Methode die Elektronik wieder schnell kaputt zu kriegen. Hast du etwa nicht mal die Bedienungsanleitung gelesen ? Simon H. schrieb: > und den kaputten Transducer mit Kondensatoren ersetzt Man könnte ihn entfernen und den Schwingkreis (durch Entfernen/Anbringen von Kondensatoren) neu abstimmen. Dann hat das Ultraschallbad zwar 1/8 weniger Leistung, aber man hat kein Beschaffungsproblem einen passenden Transducer zu gekommen UND ANZUBRINGEN (geschweisst, geklebt, auf stumpfgeschweissten Bolzen geschraubt).
ich habe ihn bereits durch Kondensatoren ersetzt. Ich werde das Gerät einfach mit 7 Schwingern weiter betreiben.
Michael B. schrieb: > Man könnte ihn entfernen und den Schwingkreis (durch Entfernen/Anbringen > von Kondensatoren) neu abstimmen. Genau das hat er gemacht.
Hallo miteinander, kleines Feedback von mir. Ich habe jetzt alles wieder schön zusammengebaut und siehe da das Gerät funktioniert einwandfrei. Nochmals Danke für die Hilfe und einen guten Rutsch ins neue Jahr
Bitte melde dich an um einen Beitrag zu schreiben. Anmeldung ist kostenlos und dauert nur eine Minute.
Bestehender Account
Schon ein Account bei Google/GoogleMail? Keine Anmeldung erforderlich!
Mit Google-Account einloggen
Mit Google-Account einloggen
Noch kein Account? Hier anmelden.


