Tach die Damen und Herren, kennt jemand noch das genaue Apple ][ (nicht //e) Timing um einen oder mehrere (Burst) Speicherzugriffe per /DMA durchzuführen? Tristate Treiber (HCT245 o.ä.) sind wohl Voraussetzung. Welche Signale werden wie gebraucht. Ist zwar schon über 40 Jahre her, aber vielleicht weiß es ja noch jemand... Übrigens würde ich immer noch gerne einen Elektor Junior Computer kaufen. Grüße aus Siegen Udo
Udo J. schrieb: > das genaue Apple ][ (nicht //e) Timing Die Spec für den Apple IIe hast du? Die ist nach meiner Erfahrung identisch mit der des Apple IIGS. Für den Apple II (ohne e) sollte es eigentlich auch funktionieren, evtl. mit geringen Änderungen der Timing-Spec. Ich hatte damals kein DMA-Timing für den II (ohne e) gefunden, meine auch dass das nicht ausdrücklich von Apple herausgegeben wurde.
:
Bearbeitet durch User
Danke für die Antwort Wastl, soviel ich weiß hatten //e, //c und aufwärts bereits DMA-Contoller. Daher wird das beim Apple II, II+ schon anders funktionieren. Lange her, aber irgendwas gab es mit einem Signal in der Video Austastlücke. Wie bereits erwähnt - sehr lange her... Udo
Winston D. Gayler, The Apple II Circuit Description, 1983 Verfuegbar bei Deinem lokalen Archive.org unter https://archive.org/details/apple-ii-circuit-description/ insbesondere p.74ff
Udo J. schrieb: > soviel ich weiß hatten //e, //c und aufwärts bereits DMA-Contoller. Nein. Es gibt keinen DMA COntroller. Oder hast du Belege dafür? Der Apple Bus ist für DMA vorbereitet, aber den Bus musst du schon selbst bedienen. Udo J. schrieb: > Daher wird das beim Apple II, II+ schon anders funktionieren. Nein. Worauf begründet sich deine Annahme?
Leider nur dürftige Erinnerungsfetzen. Der //e hatte ja schon einige Customized Chips drin - eventuell war da ein DMA-Controller drin. Kann aber auch eine falsche Annahmen sein...
Udo J. schrieb: > eventuell war da ein DMA-Controller drin Nein. Udo J. schrieb: > Kann aber auch eine falsche Annahmen sein... Ja. Wastl schrieb: > Worauf begründet sich deine Annahme? "Soviel ich gehört habe" reicht da nicht aus.
Gut Wastl, Du scheinst Dich ja gut auszukennen - kannst Du mir denn beim DMA Timing weiterhelfen?
Udo J. schrieb: > Der //e Er will es aber für den ][ wissen, rein mit TTL Chips aufgebaute Platine. Die Pausen, in denen die 6502 CPU nicht auf das RAM zugreift, werden für die Videoausgabe benutzt. Du hast entweder die Möglichkeit, die CPU anzuhalten um DMA Zyklen zwischen den Videozugriffen einzustreuen, oder die Videozugriffe zu versauen, in dem du nur in deren Austastlücken die Buskontrolle übernimmst damit das niemand sieht. Wie es genau geht, siehe verlinktes Handbuch.
Hier ist die Spec. Ist übrigens sehr leich per g***** zu finden. Genauer bekommst du es nicht. Dort ist der Apple II+ auch erwähnt. Allso alles gleich ....
Noch ein Buch zur Apple II Hardware: Understanding the Apple II by Jim Sather ISBN 0912985011 Im Webarchiv verfügbar https://archive.org/details/understanding_the_apple_ii Das Zitat ist von PDF-Seite 28
:
Bearbeitet durch User
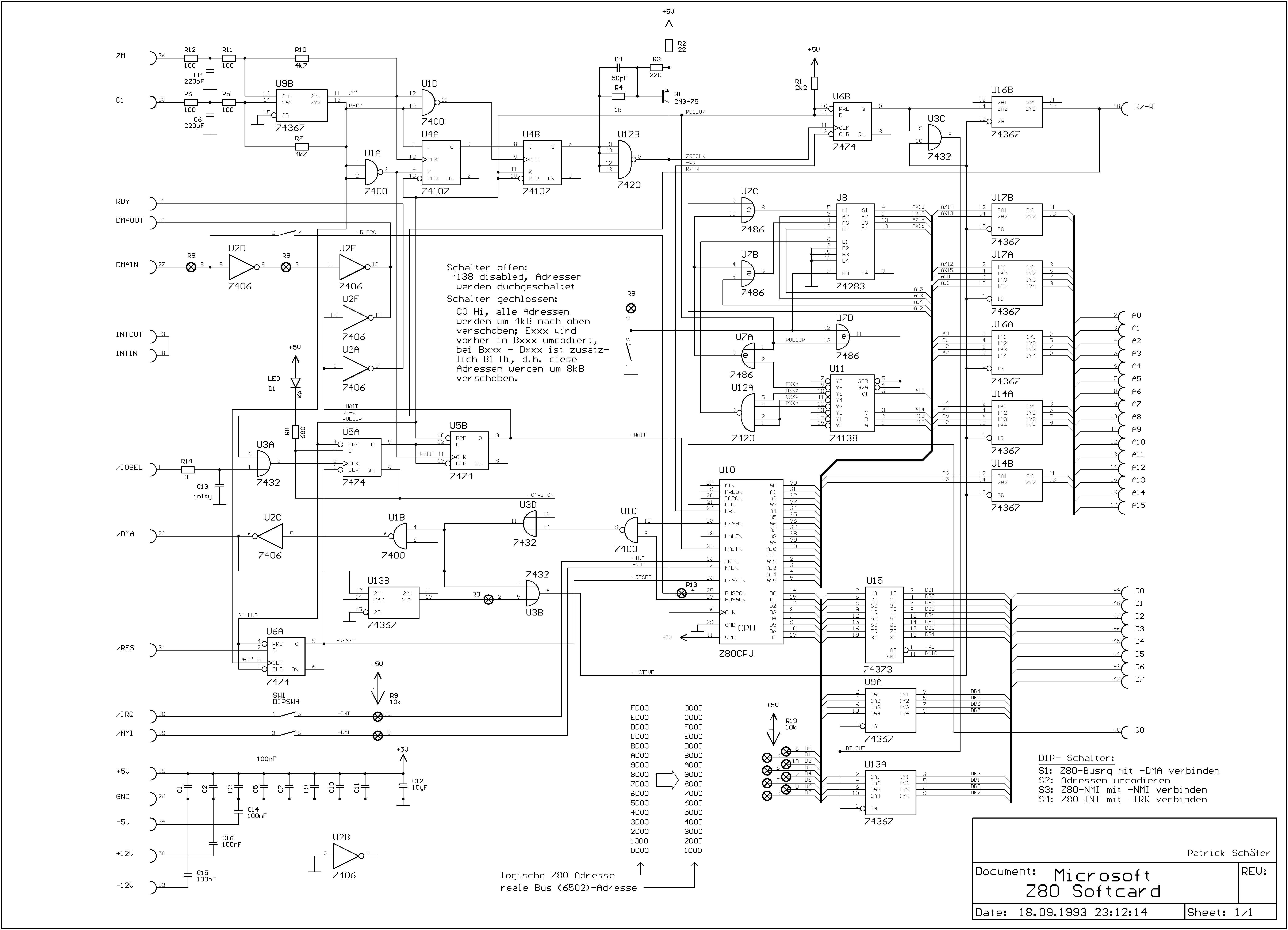
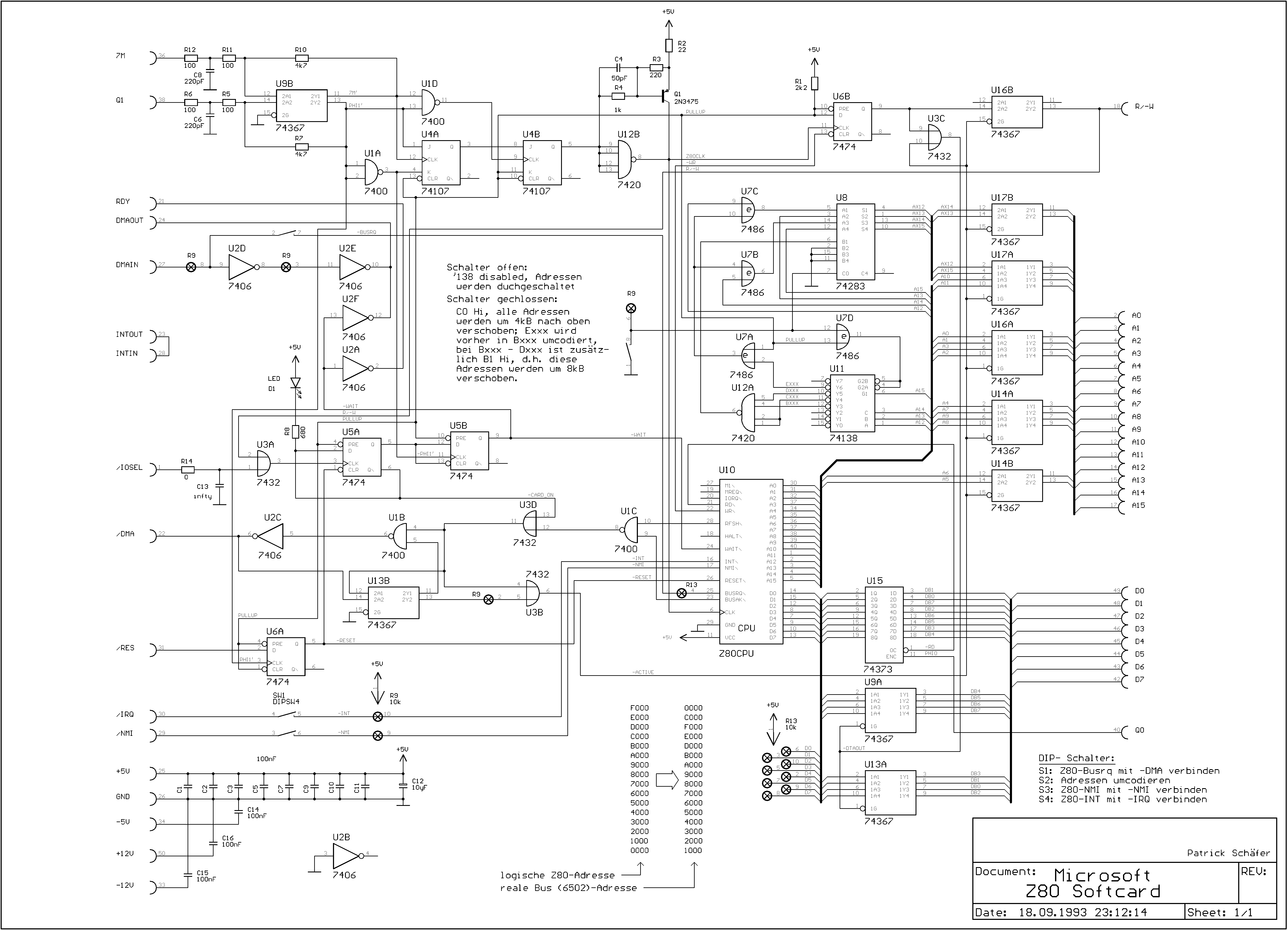
Die alte Z80 Softcard benutzt natürlich DMA. Hier der Schaltplan. Übrigens die erste Hardware von Microsoft.
Bitte melde dich an um einen Beitrag zu schreiben. Anmeldung ist kostenlos und dauert nur eine Minute.
Bestehender Account
Schon ein Account bei Google/GoogleMail? Keine Anmeldung erforderlich!
Mit Google-Account einloggen
Mit Google-Account einloggen
Noch kein Account? Hier anmelden.

