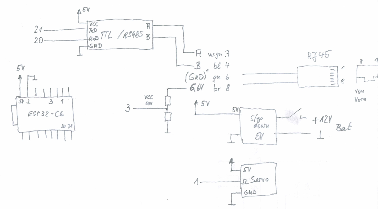
Hallo zusammen, mit o.g. Akku wollen wir unsere automatischen Funkstationen mit Solar- und Notstrom versorgen. Zum Akku gibt es ein Bluetooth-Modul, über eine Handy-App lassen sich einige Kenngrößen wie Spannung, Strom, Ladezustand auslesen. Da der Akku aber an unbemannten Stellen stehen wird und Bluetooth auch nicht wirklich unser Plan ist, haben wir die Kommunikation zwischen BT-Modul und Akku untersucht. Signale sind RS485 und das Datenformat größtenteils Modbus RTU. Lediglich am Anfang sendet das Modul Daten, die nicht als Modbus erkennbar sind (zumindest nicht für uns). Inzwischen läuft das Ganze recht gut, es gibt aber noch Datenfelder, deren Bedeutung sich uns nicht erschließt. Vermutlich geht es um Störungszustände - oder die wären natürlich besonders interessant. Im Netz findet sich wenig dazu, andere Eco-Worthy-Modbus-Übertragungen sind zumindest nicht gleich. Soweit zur Vorrede, nun zwei Fragen: - Gibt es jemanden, der an dieser Stelle auch schon tätig war, seine Erkenntnisse aber noch nicht veröffentlicht hat? Und das jetzt vielleicht ändern möchte? - Gibt es konkretes Interesse an unseren Ergebnissen? Es entsteht gerade eine ESP32-Lösung, die die Daten abholt und per MQTT versendet. Die Auswertung geschieht dann im NodeRed. Anbei eine erste Skizze der Schaltung (ohne Gewähr) und ein Screenshot aus NodeRed. 73 de Jens DL4AAS OV P56 (DB0WTH, DB0WIT) P.S. Kleines Schmankerl am Rande: die Schnittstelle des Akkus schaltet sich aus, wenn weder ge- noch entladen wird - und auch nicht wieder ein. Der ESP32 wird wohl noch einen Servo zur Betätigung des Einschalttasters bekommen...
Jens M. schrieb: > und auch nicht wieder ein Auch nicht bei Anforderung? Einhell Akkus z.B. erzählen wie sie sich fühlen, jedoch nur wenn das Ladegerät sie dazu auffordert. Einfach Strom drauf reicht dehnen auch nicht.
Achim H. schrieb: > Auch nicht bei Anforderung? Guten Frage, im Moment warte ich auf das Einschalten der Spannung. Ich probiere es und berichte...
Kennst du den BMS Hersteller? Hier ist was zum Protokoll von JK BMS http://www.jk-bms.com/Upload/2022-05-19/1621104621.pdf Eventuell gibt es Übereinstimmungen
Jens M. schrieb: > im Moment warte ich auf das Einschalten der Spannung. Ich probiere es > und berichte... Das geht leider nicht, die Batterie wird nicht 'wach'. Aber bei den Tests habe ich festgestellt, dass die einleitenden Übertragungen, die ich beim BT-Modul abgeschaut habe, nicht notwendig sind und eigentlich weg können:
1 | int delay_prestart = 200; |
2 | byte prestart[] = { 0xf9, 0x45, 0xF9, 0x53, 0x23 }; |
3 | int delay_start1 = 1000; |
4 | byte start1[] = { 0xF8, 0x45, 0x00, 0x01, 0x01, 0xF8, 0x89, 0xBE }; |
5 | int delay_start2 = 80; |
6 | byte start2[] = { 0xF8, 0x35, 0x00, 0x02, 0x02, 0x00, 0x39, 0x07 }; |
7 | int delay_start3 = 80; |
8 | byte start3[] = { 0xF8, 0x35, 0x00, 0x02, 0x02, 0x00, 0x39, 0x07 }; |
9 | int delay_start4 = 80; |
Die Modbus-Abfragen funktionieren auch so:
1 | byte request1[] = { 0x01, 0x03, 0x15, 0x00, 0x00, 0x22, 0xC1, 0xDF }; |
2 | byte request2[] = { 0x01, 0x03, 0x16, 0x00, 0x00, 0x2B, 0x01, 0x9D }; |
Also doch der Servo, der auf die Taste drückt ... Gruß Jens
Michael P. schrieb: > Kennst du den BMS Hersteller? Hier ist was zum Protokoll von JK BMS > http://www.jk-bms.com/Upload/2022-05-19/1621104621.pdf > > Eventuell gibt es Übereinstimmungen Es ist wohl ein JBD - da gibt es auch reichlich Datenblätter, aber so richtig passt da nichts. Aber Sinn macht das Studium der Dinger schon, besonders wenn es um einzelne Werte geht, die Fehlercodes enthalten (könnten). Wenn man sich die Werte anschaut, scheint da auch gar nicht so viel versteckt zu sein, zumindest nichts, was Messwerte liefert. Die erste 24 wäre noch interessant, aber sonst? Ich will mal versuchen, mit einem Modbus-Client auf andere Adressen zu gehen, vielleicht ergibt sich noch was... Gruß Jens
Moin, viel hat sich nicht mehr getan in Sachen Datenauswertung - die Akkus müssen wohl erst einmal im Echteinsatz sein, um mehr zu verraten. Deswegen füge ich mal den aktuellen Stand bei: - Modbus/RTU mit 115200Bd (hier beim ESP32 mit Arduino)
1 | RS485.begin(115200, SERIAL_8N1, 20, 21); // RX2=20, TX2=21 |
- Pins RJ45 wie oben beschrieben: 3 A, 4 B, 6 GND - Abfrage von 34 Registern an Adresse 0x1500 liefert (soweit bekannt)
1 | let chargingState; |
2 | switch (msg.payload.data[14]) {
|
3 | case 0: chargingState = "idle"; break; |
4 | case 1: chargingState = "charging"; break; |
5 | case 2: chargingState = "discharging"; break; |
6 | default: chargingState = msg.payload.data[14] + " unknown"; |
7 | } |
8 | |
9 | let outmsg = { "payload": {
|
10 | availableCapacityAh : msg.payload.data[1], |
11 | totalCapacityAh : msg.payload.data[2], |
12 | voltageV : msg.payload.data[3]/100, |
13 | chargingCurrentA : msg.payload.data[4]/100, |
14 | maxCurrentA : msg.payload.data[6]/100, |
15 | underVoltageProtection : (msg.payload.data[7] == 0), |
16 | overVoltageProtection : (msg.payload.data[8] == 0), |
17 | charging: (msg.payload.data[12] == 1), |
18 | discharging: (msg.payload.data[13] == 1), |
19 | chargingState: chargingState, |
20 | data: msg.payload.data |
21 | } }; |
Und Abfrage von 43 Register an Adresse0x1600 liefert
1 | let outmsg = { "payload": {
|
2 | noCells: msg.payload.data[0], |
3 | cell1VoltageV: msg.payload.data[1] / 1000, |
4 | cell2VoltageV: msg.payload.data[2] / 1000, |
5 | cell3VoltageV: msg.payload.data[3] / 1000, |
6 | cell4VoltageV: msg.payload.data[4] / 1000, |
7 | noTemp: msg.payload.data[33], |
8 | temp1C: msg.payload.data[34] / 10, |
9 | temp2C: msg.payload.data[35] / 10, |
10 | temp3C: msg.payload.data[36] / 10, |
11 | data: msg.payload.data |
12 | } }; |
Programmiert mit den freeRTOS-Funktionen, die der ESP32 sowieso mitbringt, um WLAN-Verbindung, MQTT-Verbindung usw. schön getrennt abwickeln zu können. Mein erster Versuch in der Richtung, macht sich aber recht gut. Sketch gern auf Anfrage, muss noch etwas aufgeräumt werden... Und tatsächlich mit einem Servo, der den Einschaltknopf betätigt. Die Auswertung der Spannung an Pin 8 der RJ45-Buchse ist entfallen. Platine wird über die Spannung an den Batteriepolen versorgt. Alles in einem kleinen 3D-Druck-Gehäuse, das mit einem Spanngurt auf dem Akku befestigt wird. Auswertung der Rohdaten dann in NodeRed, deswegen oben der JS-Code. Mehr Infos bei konkretem Bedarf, bislang ja eher nicht vorhanden ;-) 73 de Jens DL4AAS
Bitte melde dich an um einen Beitrag zu schreiben. Anmeldung ist kostenlos und dauert nur eine Minute.
Bestehender Account
Schon ein Account bei Google/GoogleMail? Keine Anmeldung erforderlich!
Mit Google-Account einloggen
Mit Google-Account einloggen
Noch kein Account? Hier anmelden.

