Hallo zusammen, ich möchte gerne Kontaktgleise einer Modellbahnanlage mit einem ESP auswerten. Wenn ein Zug über ein Kontaktgleis rollt, dann wird ein Wechselstromkreis mit knapp 20 Volt AC geschlossen. Diese Impulse möchte ich gerne mit einem ESP erkennen. Wie würde man dies am einfachsten lösen? Reicht dazu ein einfacher AC Optokoppler? Auf der einen Seite 18V AC und auf der anderen Seite 3,3V DC? VG Martin
Martin B. schrieb: > ich möchte gerne Kontaktgleise einer Modellbahnanlage mit einem ESP > auswerten. Wer benutzt denn sowas heute noch? > Wenn ein Zug über ein Kontaktgleis rollt, dann wird ein > Wechselstromkreis mit knapp 20 Volt AC geschlossen. Diese Impulse möchte > ich gerne mit einem ESP erkennen. Schaltgleise werden bei DC-Bahnen doch schon lange per Reed-Kontakt realisiert. > Wie würde man dies am einfachsten lösen? Reicht dazu ein einfacher AC > Optokoppler? Auf der einen Seite 18V AC und auf der anderen Seite 3,3V > DC? Oder Gleichrichter-Diode und "normalen" Optokoppler mit Vowiderstand auf der LED-Seite. Man könnte auch einen Graetz-Gleichrichter und einen Vowiderstand verwenden.
Martin B. schrieb: > Reicht dazu ein einfacher AC > Optokoppler? Auf der einen Seite 18V AC und auf der anderen Seite 3,3V > DC? Ja, LTV814 für 20ct bei Reichelt und einen Vorwiderstand 4k7. Oder einen beliebigen anderen Optokoppler plus Diode bzw. Brückengleichrichter. Störungen muß Deine Software abfangen. Rahul D. schrieb: > Wer benutzt denn sowas heute noch? Sehr hilfreich. > Schaltgleise werden bei DC-Bahnen doch schon lange per Reed-Kontakt > realisiert. Nochmal hilfreich. Rahul D. schrieb: > Man könnte auch einen Graetz-Gleichrichter und einen Vowiderstand > verwenden. Ein Brückengleichrichter hätte den Vorteil, dass man noch einen (kleinen) Ladekondensator einsetzen kann.
Manfred P. schrieb: > Rahul D. schrieb: >> Wer benutzt denn sowas heute noch? > > Sehr hilfreich. Neu bekommt man die wohl nur noch von/für Märklin. Alle anderen (mir bekannten) Hersteller sind auf Reed-Kontakte umgestiegen. Wohl auch vor dem Hintergrund, dass die Überlagerung der Fahrspannung mit einer Wechselspannung bei Digitalbetrieb obsolete ist. Deswegen hatte ich ja auch das hier noch geschrieben: > Rahul D. schrieb: >> Man könnte auch einen Graetz-Gleichrichter und einen Vowiderstand >> verwenden. > > Ein Brückengleichrichter hätte den Vorteil, dass man noch einen > (kleinen) Ladekondensator einsetzen kann. Es wurde ja nicht geschrieben, ob es sich um einen Neubau (auf Basis alter Unterlagen) oder einen Umbau handelt.
Rahul D. schrieb: > Neu bekommt man die wohl nur noch von/für Märklin. Falls es sich um eine Märklin-Bestandsanlage handeln sollte, wäre das doch kein Problem. > Alle anderen (mir bekannten) Hersteller sind auf Reed-Kontakte > umgestiegen. Na und? Ich würde natürlich auch vorzugsweise Reedkontakte oder Hallsensoren verwenden, aber wenn die mechanischen Schaltkontakte schon vorhanden oder gar fertig aufgebaut wären, kann man diese durchaus verwenden. Allerdings erinnere ich mich noch daran, in meine frühen Jugend auch solch einen Märklin-Schaltkontakt verwendet zu haben. Dieser klemmte gerne mal fest und führte zu einer Dauerbestromung einer Signalspule, was diese nur eingeschränkt lustig fand.
Andreas S. schrieb: > Ich würde natürlich auch vorzugsweise Reedkontakte oder Hallsensoren > verwenden, aber wenn die mechanischen Schaltkontakte schon vorhanden > oder gar fertig aufgebaut wären, kann man diese durchaus verwenden. Dem habe und würde ich nicht widersprechen; wurde bloß nicht mitgeteilt. Man könnte natürlich auch Lichtschranken verwenden. Bei heutigen Bauteilgrößen wären die (im Gegensatz zu denen von Busch) ziemlich unsichtbar.
Martin B. schrieb: > Diese Impulse möchte ich gerne mit einem ESP erkennen. Wenn du die einzelnen Impulse der AC-Halbwellen einzeln zählen möchtest, dann bietet sich ein Doppeloptokoppler an, bei dem die beiden LEDs antiparallel geschaltet werden. Die Transistoren am Ausgang werden dann einfach mit dem Emitteranschluss an je einen ESP-Eingang angeschlossen und die Eingänge mit einem Pulldown Widerstand abgeschlossen, so lassen sich alle positiven und negativen Impulse exakt einzeln zählen.
:
Bearbeitet durch User
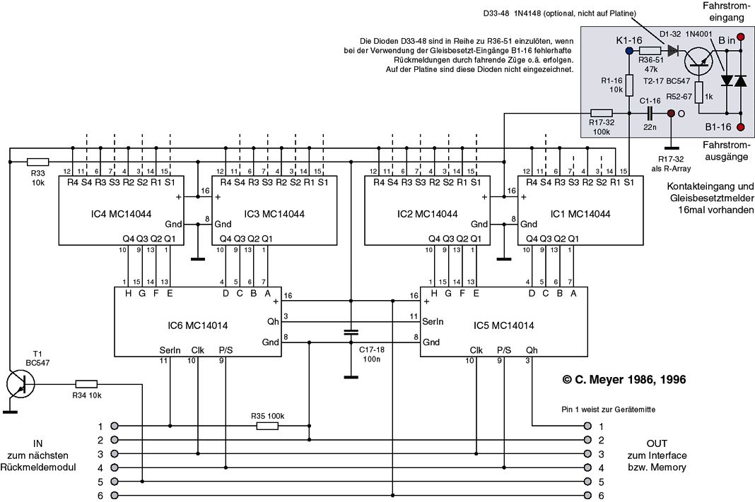
Carsten Meyer von der c't hat mal dies (Anhang) auf seiner Modellbahn-Seite veröffentlicht. Leider finde ich die nicht mehr. Hat bei unserer Bahn lange seinen Dienst getan. Gruß Jobst
Also vorweg mal noch zwei Sätze zu den Kontaktgleisen und Alternativen. Hätte ich Alternativvorschläge haben wollen, hätte ich danach gefragt. Das war aber nicht meine Frage. Ich wollte lediglich wissen, wie man ein Wechslstromsignal an einem GPIO detektieren kann. So stehts auch im Betreff. Die Erklärung mit der Modellbahn war nur zur Klarstellung, um was es geht. Und noch was: Es scheint so, als wenn hier Schaltgleis und Kontaktgleis vermischt wurde. Ein Schaltgleis bei Märklin erkennt Stromabnehmer am Mittelleiter. Ein Kontaktgleis erkennt jede stromführende Achse. In meinem Fall könnte man die Aufgabe nicht mit einem Schaltgleis lösen. Und so viele Magneten möchte ich auch nicht an den Wagons anbringen um das alles mit Reedkontakten zu lösen.
Manfred P. schrieb: > Ja, LTV814 für 20ct bei Reichelt und einen Vorwiderstand 4k7. Oder einen > beliebigen anderen Optokoppler plus Diode bzw. Brückengleichrichter. > Störungen muß Deine Software abfangen. OK, dann lag ich ja nicht so falsch. Otto K. schrieb: > Wenn du die einzelnen Impulse der AC-Halbwellen einzeln zählen möchtest, > dann bietet sich ein Doppeloptokoppler an, bei dem die beiden LEDs > antiparallel geschaltet werden. Danke für die Erklärung. Da habe ich nicht genau genug beschrieben, um was es mir ging. Die einzelnen Wellen interessieren mich tatsächlich nicht. Ich möchte nur erkennen, wenn eine Achse über das Kontaktgleis rollt und dadurch den Wechselstromkreis schließt. Es ist also ein deutlich anspruchsloseres Timing nötig. Jobst M. schrieb: > Carsten Meyer von der c't hat mal dies (Anhang) auf seiner > Modellbahn-Seite veröffentlicht. Ich danke dir für die Schaltung. Das sehe ich mir mal genauer an.
Martin B. schrieb: > Ich möchte nur erkennen, wenn eine Achse über das Kontaktgleis > rollt und dadurch den Wechselstromkreis schließt. Es ist also ein > deutlich anspruchsloseres Timing nötig. Dann verrate das Timing doch einmal. Wie lange dauert so ein zu erkennender Kontakt mindestens? Wie lange dauert die Pause bis zum nächsten mindestens?
:
Bearbeitet durch User
Martin B. schrieb: > Manfred P. schrieb: >> Ja, LTV814 für 20ct bei Reichelt und einen Vorwiderstand 4k7. Oder einen >> beliebigen anderen Optokoppler plus Diode bzw. Brückengleichrichter. >> Störungen muß Deine Software abfangen. > OK, dann lag ich ja nicht so falsch. Martin B. schrieb: > Otto K. schrieb: >> Wenn du die einzelnen Impulse der AC-Halbwellen einzeln zählen möchtest, >> dann bietet sich ein Doppeloptokoppler an, bei dem die beiden LEDs >> antiparallel geschaltet werden. > Die einzelnen Wellen interessieren mich tatsächlich > nicht. Ich möchte nur erkennen, wenn eine Achse über das Kontaktgleis > rollt und dadurch den Wechselstromkreis schließt. Wie lange dauert das? Wilst Du auch Achsen zählen? > Es ist also ein deutlich anspruchsloseres Timing nötig. Dir ist aber klar, dass Du am Ausgang des Optokopplers keine saubere Gleichspannung bekommst? Wenn die Achse dauerhaft auf dem Schalter steht, ergibt sich alle 10ms eine Unterbrechung des Signals - damit muß Deine Software umgehen. Martin B. schrieb: > Jobst M. schrieb: >> Carsten Meyer von der c't hat mal dies (Anhang) auf seiner >> Modellbahn-Seite veröffentlicht. > Ich danke dir für die Schaltung. Das sehe ich mir mal genauer an. Mir gefällt die Idee Optokoppler, weil aus Sicht des hochohmigen 3V3-µC die Eisenbahnumgebung erheblich störverseucht ist.
Rainer W. schrieb: > Dann verrate das Timing doch einmal. > Wie lange dauert so ein zu erkennender Kontakt? > Wie lange ist die Pause zum nächsten? Das kann man so pauschal nicht sagen: 1. Die Kontaktgleise können unterschiedlich lang sein. Entsprechend lang ist eine Achse auf dem Kontaktgleis und schließt den Stromkreis. 2. Die Länge des Impulses hängt dann auch von der Geschwindigkeit des Zuges ab 3. Und natürlich auch vom Abstand der Achsen. Es wäre theoretisch denkbar, dass die Achsen so dicht beieinander sind, dass immer zwei Achsen auf dem Kontaktgleis sind. Dann wäre der Stromkreis für die Zeit der überfahrt eines Zuges dauerhaft geschlossen. Bei dem konkreten - eher kurzen - Kontaktgleis, bei dem ich das ausprobieren möchte, gehe ich von etwa 0,5 - 1 Sekunde(n) aus. Wobei ich trotzdem ein "prellen" erwarte. So sauber wird der Stromkreis vermutlich nicht geschlossen.
Manfred P. schrieb: > Dir ist aber klar, dass Du am Ausgang des Optokopplers keine saubere > Gleichspannung bekommst? Wenn die Achse dauerhaft auf dem Schalter > steht, ergibt sich alle 10ms eine Unterbrechung des Signals - damit muß > Deine Software umgehen. Jupp, da muss die Software einiges bereinigen. Mir würde es erstmal reichen, wenn ich wüsste, wie ich die geschaltete 24 Volt Wechselspannung an einem 3,3V GPIO Eingang detektieren kann. Das dort mit "prellen" zu rechnen ist, ist mir klar. Das in Software für meinen Anwendungsfall zu "bereinigen" ist aber für mich kein Problem.
Gerhard O. schrieb: > Wie wäre es damit? > > https://www.vishay.com/docs/83608/h11aa1.pdf Genau so was meinte ich. Ich weiß halt nur nicht, ob ich da die 24 Volt einfach so an die Eingänge klemmen kann. Vermutlich muss da noch ein Vorwiederstand vor die LEDs.
Martin B. schrieb: > Das kann man so pauschal nicht sagen: Du kannst eine Elektronik nicht auf "pauschal nicht sagen" auslegen. Du wirst nicht umhin kommen, Grenzwerte festzulegen und anhand derer dann die Elektronik inklusive Software zu konzipieren. Dazu musst du dir auch klar machen, was genau du erfassen möchtest (Gleisbelegung, Wagenanzahl, Achsenanzahl)? Dazu kommt, dass du durch die Wechselspannung immer die 50 oder 100Hz im Spiel hast. Mit einer synchronen Abtastung könntest du die ausblenden. Martin B. schrieb: > ... Vorwiederstand ... Was machst du, wenn der liegend montiert ist? Dann steht da nichts und folglich auch nicht wieder. scnr
:
Bearbeitet durch User
Martin B. schrieb: > Manfred P. schrieb: >> Dir ist aber klar, dass Du am Ausgang des Optokopplers keine saubere >> Gleichspannung bekommst? Wenn die Achse dauerhaft auf dem Schalter >> steht, ergibt sich alle 10ms eine Unterbrechung des Signals - damit muß >> Deine Software umgehen. > > Jupp, da muss die Software einiges bereinigen. Mir würde es erstmal > reichen, wenn ich wüsste, wie ich die geschaltete 24 Volt > Wechselspannung an einem 3,3V GPIO Eingang detektieren kann. Das dort > mit "prellen" zu rechnen ist, ist mir klar. Das in Software für meinen > Anwendungsfall zu "bereinigen" ist aber für mich kein Problem. Es geht ziemlich einfach. Der O.I. hat einen Open Collector Eingang. Im einfachsten Fall, mach einen Pullup von 100K zwischen Input Pin und Vcc. Dann ein 0u1 C nach Masse. Das gibt Dir eine schnelle Ansprechzeit wenn der O.I. Aktiv ist und eine langsamere Anstiegszeit nach dem Abschalten. Da Schmitt-Trigger Verhalten bei digitalen uC Eingängen üblich ist, dürfte diese Anordnung sauber funktionieren. das C kann auch parallel mit dem 100K verbunden werden, um beim Einschalten nicht erst aufladen zu müssen. Die RC Zeitkonstante verhindert Wechselspannungs-Perioden Einbrüche.
1 | O.I. ---------- -------------------------------- |
2 | \__________/ |
3 | |
4 | GPIO ----------- RC Anstiegszeit ************ ----------- |
5 | \_______________________________/ |
Gerhard O. schrieb: > Wie wäre es damit? > https://www.vishay.com/docs/83608/h11aa1.pdf was kann der besser als: Manfred P. schrieb: > Ja, LTV814 für 20ct bei Reichelt Martin B. schrieb: > Ich weiß halt nur nicht, ob ich da die 24 Volt > einfach so an die Eingänge klemmen kann. Vermutlich muss da noch ein > Vorwiederstand vor die LEDs. Widerstand ! Was an meinem Text war unverständlich: Manfred P. schrieb: > .. und einen Vorwiderstand 4k7. Rainer W. schrieb: > Martin B. schrieb: >> Das kann man so pauschal nicht sagen: > Du kannst eine Elektronik nicht auf "pauschal nicht sagen" auslegen. Du > wirst nicht umhin kommen, Grenzwerte festzulegen und anhand derer dann > die Elektronik inklusive Software zu konzipieren. So ist das. Es muß wohl erstmal ein Optokoppler her, der überhaupt gelesen werden kann und danach kommt dann die instabile Auwertung. Wenn die Zeit lang ist, er sagte "gehe ich von etwa 0,5 - 1 Sekunde(n)", würde ich mit der Idee OK hinter Brückengleichrichter und Ladeelko liebäugeln. Aber ich habe mal wieder das Gefühl, das Grundlagen der Elektronik fehlen.
Gerhard O. schrieb: >> mit "prellen" zu rechnen ist, ist mir klar. Das in Software für meinen >> Anwendungsfall zu "bereinigen" ist aber für mich kein Problem. > > Es geht ziemlich einfach. Der O.I. hat einen Open Collector Eingang. Im > einfachsten Fall, mach einen Pullup von 100K zwischen Input Pin und Vcc. > Dann ein 0u1 C nach Masse. Ich kann Deinem Text nicht folgen, "O.I." ist keine bekannte Abkürzung. Einen "Open Collector Eingang " kenne ich nicht. Ich kann mir natürlich ungefähr denken, wie Du das meinst. Ob ich Signalglättung am Ausgang eines Optokopplers toll finde, wäre ein Streitthema, zumal in diesem Fall eine niederohmige Signalquelle gegeben ist.
Manfred P. schrieb: > Gerhard O. schrieb: >>> mit "prellen" zu rechnen ist, ist mir klar. Das in Software für meinen >>> Anwendungsfall zu "bereinigen" ist aber für mich kein Problem. >> >> Es geht ziemlich einfach. Der O.I. hat einen Open Collector Eingang. Im >> einfachsten Fall, mach einen Pullup von 100K zwischen Input Pin und Vcc. >> Dann ein 0u1 C nach Masse. > > Ich kann Deinem Text nicht folgen, "O.I." ist keine bekannte Abkürzung. > Einen "Open Collector Eingang " kenne ich nicht. O.I. = Opto Isolator Open Collector Eingang relativ zum GPIO Pin - Ich weiß, war unglücklich gewählt > > Ich kann mir natürlich ungefähr denken, wie Du das meinst. Ob ich > Signalglättung am Ausgang eines Optokopplers toll finde, wäre ein > Streitthema, zumal in diesem Fall eine niederohmige Signalquelle gegeben > ist. Für mich wäre es meine Wahl, weil der Eingang sehr schnell (paar hundert us) anspricht, aber wegen der RC Zeitkonstante den 100Hz Ripple unterdrückt. Ausschalten hat dann nur eine nominale Verzögerung bis die Schmitt-Trigger Umschaltschwelle erreicht wird. Ich beanspruche keine "Super-Lösung" - ist einfach minimal ausreichend für viele Zwecke.
Wenn ich die Diskussion wg. 100Hz und Prellen, etc. hier so verfolge, finde ich die von mir hochgeladene Schaltung wieder als Lösung. Jeder einzelne Impuls wird in jeweils einem RS-FF (4044) gespeichert und erst gelöscht, wenn die FFs abgefragt wurden. Frage ich die FFs z.B. mit 1kHz ab, kann man auch die 50Hz oder 100Hz erkennen, warte ich länger zwischen den Abfragen, kann ich auch nur entsprechend langsame Vorgänge erkennen. Auf jeden Fall bekommt man mit, das dort ein Zug ist oder war. Da die Informationen sowieso mit einem ESP32 verarbeitet werden sollen, bietet sich auch das serielle Interface an. (Weil die ESP32 nicht mit sonderlich vielen Pins ausgestattet sind.) Das Interface wird in Modellbahnkreisen übrigens s88 genannt: https://de.wikipedia.org/wiki/S88-R%C3%BCckmeldebussystem Mit RJ45-Steckern dann s88-N. Dazu gibt es sogar eine "Spezifikation": http://s88-n.eu/ Gruß Jobst
Gerhard O. schrieb: > Für mich wäre es meine Wahl, weil der Eingang sehr schnell (paar hundert > us) ... Falls sich die Wechselspannung gerade in der Nähe des Nulldurchgangs befindet, relativiert sich das "sehr schnell", falls du die IR-LED einfach über einen Widerstand fütterst. Mit einer KSQ ließe sich da etwas mehr heraus holen, falls erforderlich. Wie kommst du eigentlich auf die Martin B. schrieb: > knapp 20 Volt AC > ... > Auf der einen Seite 18V AC ? Hängt die Spannung nicht von der Fahrgeschwindigkeit ab?
[Offtopic] Martin B. schrieb: > Ein Schaltgleis bei Märklin erkennt Stromabnehmer am > Mittelleiter. Ein Kontaktgleis erkennt jede stromführende Achse. In > meinem Fall könnte man die Aufgabe nicht mit einem Schaltgleis lösen. > Und so viele Magneten möchte ich auch nicht an den Wagons anbringen um > das alles mit Reedkontakten zu lösen. Den Widerspruch siehst du selber, oder? Martin B. schrieb: > bei Märklin Es geht also um die Wechselstrombahn von Märklin. Danaben gibt es natürlich noch all die Gleichstrom- und Digitalbahnen. Ich kannte die Version mit der aufmodulierten Wechselspannung von meiner Minitrix-Bahn (DC), die Kontaktgleise zum Ansteuern eines Relais verwendete. Dabei darf man dann auch auf die richtige Polung der Kontaktgleise achten. [/Offtopic]
Rainer W. schrieb: > Was machst du, wenn der liegend montiert ist? Dann steht da nichts und > folglich auch nicht wieder. > scnr Manfred P. schrieb: > Widerstand ! Es tut mir leid, dass ich mit einer Rechtschreibschwäche in diesem Forum poste. Sorry Leute. Denkt mal darüber nach, wie sich jemand fühlt, der nach besten Wissen seine Texte schreibt, sich darüber klar ist, das er Fehler macht, und dann solche Witzchen vorgelegt bekommt. Ich verstehe ja, dass dies ggf jemanden triggert, aber lest doch einfach drüber weg. Oder schreibt freundlich so was wie: "Ich glaube du hast dich da verschrieben: Wiederstand-> Widerstand" Manfred P. schrieb: > was kann der besser als: > ... > Was an meinem Text war unverständlich: Nix, sorry. Ich hab die Wiederholung etwas unglücklich formuliert. Manfred P. schrieb: > Aber ich habe mal wieder das Gefühl, das Grundlagen der > Elektronik fehlen. Durchaus möglich. Deshalb frage ich ja. Rainer W. schrieb: > Du kannst eine Elektronik nicht auf "pauschal nicht sagen" auslegen. Du > wirst nicht umhin kommen, Grenzwerte festzulegen und anhand derer dann > die Elektronik inklusive Software zu konzipieren. Die Idee war ursprünglich dass ich die anliegende Wechselspannung an den ESP melde. Und im ESP entscheide ich dann, wie das Signal zu interpretieren ist. Ich habe nicht daran gedacht, dass die Halbwellen auch am GPIO ankommen und ich die dort messen kann. Aber auch das ließe sich ja in Software lösen. Rainer W. schrieb: > Hängt die Spannung nicht von der Fahrgeschwindigkeit ab? Nein, die Schalt- und Kontaktgleise schalten normalerweise eine konstante Spannung. Das ist nicht die Spannung, die für die Züge genutzt wird. Aber du hast mich auf einen weiteren Irrtum aufmerksam gemacht. Bei Märklin sind es 16V AC. Rahul D. schrieb: > Es geht also um die Wechselstrombahn von Märklin. Sorry, ich war der Meinung, das Wechselstrom in Verbindung mit Modellbahn klar auf Märklin deutet. Meine Modellbahnzeit liegt über 40 Jahre zurück. Da war das vermutlich auch wirklich so. Ich bin von einem Modellbahner gebeten worden, über eine ESP Lösung nachzudenken. Den Rest schau ich mir jetzt in Ruhe an, Danke bis hier.
:
Bearbeitet durch User
Für meine Anwendungen an 230V hat sich diese Schaltung bewährt: http://www.stefanfrings.de/optokoppler_230v/ Für die Modelleisenbahn würde ich C1 weg lassen.
Martin B. schrieb: > Und im ESP entscheide ich dann, wie das Signal zu interpretieren ist. Das kannst du gerne tun, aber wenn das Signal bereits durch Hardware vorverarbeitet wird (z.B. Gleichrichter und Kondensator für Tiefpasswirkung), muss diese Hardware so ausgelegt sein, dass sie die Signale noch ausreichend getrennt beim GPIO ankommen lässt. Und dafür muss man den Zeitverlauf kennen. > Ich habe nicht daran gedacht, dass die Halbwellen > auch am GPIO ankommen und ich die dort messen kann. Wie gesagt, wenn du synchron zur Netzfrequenz abtastest, bekommt die Software gar nichts von den Halbwellen mit und du musst dich dort nicht weiter darum kümmern.
Nemopuk schrieb: > Für meine Anwendungen an 230V hat sich diese Schaltung bewährt: Wie groß mag der Stromstoß durch den OK-Transistor beim einschalten sein, wenn da 4µ7 ungebremst reintreten? 100n an 5V machen Taster kaputt, das weiß ich aus Erfahrung, da gehört ein Reihenwiderstand dazu. Und es braucht einen Schmitttrigger-Eingang am µC oder einen Zwischen-Chip. Aber die Idee mit dem kapazitiven Vorwiderstand ist gut.
Jens M. schrieb: > Wie groß mag der Stromstoß durch den OK-Transistor beim einschalten > sein, wenn da 4µ7 ungebremst reintreten? Wie wird sich der Strom wohl verhalten, wenn ein Kondensator "ungebremst" über eine Stromquelle entladen wird? > 100n an 5V machen Taster kaputt, das weiß ich aus Erfahrung Ein Taster verhält sich NICHT wie eine Stromquelle. Das hätte dir bei der Gelegenheit auffallen können ;-)
:
Bearbeitet durch User
Jens M. schrieb: > Aber die Idee mit dem kapazitiven Vorwiderstand ist gut. Wenn man den von Gerhard vorgeschlagenen Optokoppler H11AA1 einsetzt, dann sollte man vor dem 4,7 uF Kondensator noch einen 1k Strombegrenzungswiderstand in Reihe schalten. Dieses RC-Glied sollte aber eine Grenzfrequenz von knapp unterhalb 50 Hz haben (34 Hz). Ein bipolarer 4,7 uF Kondensator ist von der Baugröße her evtl. zu groß. Wenn man stattdessen 1 uF einsetzt, dann muss der Vorwiderstand 4k7 groß sein, dann lohnt sich aber der Kondensator schon fast gar nicht mehr.
Otto K. schrieb: > Wenn man den von Gerhard vorgeschlagenen Optokoppler H11AA1 einsetzt, > dann sollte man vor dem 4,7 uF Kondensator noch einen 1k > Strombegrenzungswiderstand in Reihe schalten. Warum willst du den Strom zweimal begrenzen? Aber kann man natürlich machen ...
:
Bearbeitet durch User
Otto K. schrieb: > Wenn man den von Gerhard vorgeschlagenen Optokoppler H11AA1 einsetzt, > dann sollte man vor dem 4,7 uF Kondensator noch einen 1k > Strombegrenzungswiderstand in Reihe schalten. Dieses RC-Glied sollte > aber eine Grenzfrequenz von knapp unterhalb 50 Hz haben (34 Hz). Wozu? Egal wie das da herumzappelt, die SW regelt das schon. Er will ja keinen PinChange-Int verwenden... ;D
Rainer W. schrieb: > Wie wird sich der Strom wohl verhalten, wenn ein Kondensator > "ungebremst" über eine Stromquelle entladen wird? Der Kondensator wird vom Transistor kurzgeschlossen, das gibt einen hohen Stromstoß. Kommt der über das wsas der Transistor verträgt knallts. Wie gesagt, bei Tastern reichen 100n und der Taster ist weit vor Ende der mechanischen Lebensdauer defekt. Rainer W. schrieb: > Ein Taster verhält sich NICHT wie eine Stromquelle. Ein Transistor auch nicht. Rainer W. schrieb: > Warum willst du den Strom zweimal begrenzen? Damit's den Transistor nicht zerreißt. Der zweite Widerstand muss in Reihe zum Transistor, nicht in Reihe zum Elko.
Jens M. schrieb: > Der Kondensator wird vom Transistor kurzgeschlossen, das gibt einen > hohen Stromstoß. Wieviel Strom willst du denn durch die LED schicken, damit das passiert? > Ein Transistor auch nicht. Das kommt darauf an, wie er angesteuert wird.
:
Bearbeitet durch User
Das ist ja genau die Frage... Wie viel Strom geht da, und platzt der Transistor dann nicht?
Jens M. schrieb: > Das ist ja genau die Frage... Der Strom durch die LED sollte schon irgendwie bekannt sein.
Ich bin froh, dass ich auf die Rückfrage nicht eingegangen bin. Ich helfe gerne, wenn ich kann. Aber auf rethorische Fragen von Besserwissern einzugehen hilft niemandem. Wenn jemand meint es besser zu wissen, kann er gerne einen Aufsatz mit Begründung schreiben. Nicht Krutik hintenrum durch die Brust als Frage verstecken, un damit schon wieder eine endlose Neben-Diskussion einzuleiten, die dem TO nicht hilft und oft in einer Endlosschleife von Beschimpfungen endet. Nich sind wir nicht so weit, aber bald ist Freitag.
Jens M. schrieb: > Wie viel Strom geht da, und platzt der Transistor dann nicht? Kommt auf die verwendeten Bauteile an. Angenommen ein Becher-Elko. Der hat bei so kleine 4,7F und ~16-50V gut 1-Ohm ESR... Die 555er machen das so seit Jahrzehnten so! ... Ha, hab noch nie ausprobiert, ob die auch hoch kapazitive Kerkos vertragen?!
Teo D. schrieb: > Kommt auf die verwendeten Bauteile an. Angenommen ein Becher-Elko. Der > hat bei so kleine 4,7F und ~16-50V gut 1-Ohm ESR... Auf den ESR des Kondensators kommt es überhaupt nicht an. Also insbesondere auch für Stefan etwas ausführlicher: Beim H11AA1 ist der Strom durch den BJT automatisch begrenzt, weil er durch den LED-Strom multipliziert mit dem CTR limitiert ist. Das nennt man wohl eine Stromquelle, die durch den LED-Strom gesteuert wird. Und solange diese Grenze niedriger liegt, als die Begrenzung durch den ESR, kann dir letzterer egal sein. Bei einem typischen 4,7µF MLCC für 10V im 0603 Package liegt der ESR unter 10Ω, d.h. der Strombegrenzungseffekt kommt viel später zum Tragen als die Begrenzung durch den LED-Strom (abs. Maximum Rating I_F<40mA). Und wenn jemand unbedingt einen Becher-Elko mit 4,7µF verwenden möchte (so er irgendwo noch einen bekommt), sieht das mit dem ESR nicht viel anders aus.
:
Bearbeitet durch User
@ Nemopuk: Deine Reaktion ist völlig unpassend und überflüssig. Ich hatte mir die gleiche Frage gestellt wie Jens. Auch die Begründung von Teo mit 1 Ohm wäre mir noch unklar gewesen. Würde in der Theorie mit 5V schon 1A Peak bedeuten. Also muss eine andere Erklärung her warum das funktioniert. Du hättest deine Schaltung, wie Rainer es getan hat, einfach nur ganz normal erklären können. Worin das Geheimnis liegt. Man muss nachfragen auch zulassen. Danke Rainer.
Otto K. schrieb: > Dieses RC-Glied sollte aber eine Grenzfrequenz von knapp > unterhalb 50 Hz haben (34 Hz). Bei Grenzfrequenz von 34Hz würde ein 50Hz-Signal noch recht kräftig durchkommen. Die Übertragungsfunktion eines TP 1.Ordnung ist weit weg von einem Rechteck. Wie kommst du außerdem auf 50Hz? Ein AC-Optokoppler steuert den Ausgang mit 100Hz. > Ein bipolarer 4,7 uF Kondensator ist von der Baugröße her evtl. zu groß. Andere Leute beschweren sich bei einem 0603 Package, dass es ihnen schon zu fummelig ist, den zu löten ;-) https://www.reichelt.de/de/de/shop/produkt/mlcc_0603_4_7uf_10_v_x7s_-10_-410128
:
Bearbeitet durch User
Martin B. schrieb: > Wie würde man dies am einfachsten lösen? Mit einem Vorwiderstand. Martin B. schrieb: > Nein, die Schalt- und Kontaktgleise schalten normalerweise eine > konstante Spannung. Na ja, sie schliessen einen freien Kontakt hin zum Gleiskörper (wenn es denn ein M-Gleis ist, worüber du NATÜRLICH nicht informiert hast, bei C gibt es ein Schaltgleis wie M Kontaktgleis und ein Kontaktgleis bei dem aber auch der Kontakt über den Radsatz mit dem Gleis verbunden wird). Wenn man ESP Masse mit dem Gleis verbindet, kann man die freien Kontakte uber einen pull up an die Betriebsspannung des ESP legen und direkt auswerten. Bei Radsatzkontakten geht das auch, wird aber durch Wackelkontakte teilweise mit der Fahrspannung beaufschlagt, also nur mit Vorwiderstand. Darf man ESP Masse nicht mit dem Gleis verbinden (weil sie schon mit einem anderen Anlagenpotential verbunden ist), wird es aufwändiger. Das jedenfalls, was am wenigsten stört, ist die Wechselspannung, ein ESP ist schnell genug.
Rainer W. schrieb: > Teo D. schrieb: >> Kommt auf die verwendeten Bauteile an. Angenommen ein Becher-Elko. Der >> hat bei so kleine 4,7F und ~16-50V gut 1-Ohm ESR... > > Auf den ESR des Kondensators kommt es überhaupt nicht an. Ja, das war ne gelungene Vorlage... Ein kleines extra Goody, zum Jahresabschluss für dich. ;P
Nuja, vielleicht bin ich zwischen den Jahren noch zu durcheinander das Dabla zu lesen, aber.... - Beim H11AA1 ist kein maximaler Laststrom für den Transistor gegeben - Das CTR ist min. 20% - Die LED verträgt 40mA D.h. der Kollektorstrom erreicht minimal 8mA, vielleicht auch mehr. Das dürfte auch der popeligste Germaniumtransistor von 1957 aushalten. Benutzt man den LTV814, der hier auch empfohlen wurde, schaut das schon anders aus. Hier ist das CTR mit bis zu 300% spezifiziert, IFmax mit 50mA, ICmach ebenso. D.h. schon bei 17mA If läuft man Gefahr trotz der so realisierten Strombegrenzung den Transistor zu überlasten. Ja, 17mA If ist viel und der Transistor platzt nicht bei 50001µA, aber ich bin mir sicher das es auch 814er gibt die mehr als 300% erreichen. Und viele Leute haben immer noch "Eine LED braucht 20mA" im Kopf, gerade bei Optokopplern könnte ich mir vorstellen das es sogar noch schlimmer ist. Ich bleibe dabei: ich finde das so wie geschaltet unsauber und füge einen Widerstand in Reihe zum Kollektor hinzu. Dieser liegt deutlich unter 1/10 des Pullups und begrenzt den Strom definitiv auf weniger als ICmax. Ich für meinen Teil hatte schon genug Reparaturen auf dem Tisch, bei denen ein Tausch des Tasters (in eben dieser Schaltung, statt des Optokopplers) einen noch gar nicht so alten aber mittlerweile unzuverlässigen Kontakt wieder beseitigt hat, normalerweise zuerst an der Taste die am häufigsten betätigt wird. Nachfolgegeräte mit anderer Tastenschaltung aber identischem Taster haben das nicht. Eigenartig. Und auch Optokoppler, die technisch gesehen noch tun aber irgendwie unsauber, langsam oder unzuverlässig werden kenne ich zur Genüge. Auch hier: löte einen neuen ein und du hast wieder Ruhe. Musst nicht selektieren, einfach nur ein gleicher Typ mit weniger/Null Betriebsstunden und es geht wieder ein paar Jahre. Was ist da denn auf Kante genäht das so etwas passiert? Das kann doch nur das CTR sein, das bei Alterung der LED aus dem Funktionsbereich des Kollektorstroms rutscht. Weil zuwenig If oder zuviel Ic angenommen wird. Oder?
Jens M. schrieb: > IFmax mit 50mA, ICmach ebenso. > D.h. schon bei 17mA If läuft man Gefahr trotz der so realisierten > Strombegrenzung den Transistor zu überlasten. > Ja, 17mA If ist viel und der Transistor platzt nicht bei 50001µA Genau das habe ich auch festgestellt. Der Transistor vom LTV817C (CTR=400-600%) hat im voll durchgesteuerten Zustand immerhin noch einen Innenwiderstand von ca. 200 Ohm. Bei einer Versorgungsspannung von 3,3V und einem Emitterwiderstand von 10k fallen 60 mV an ihm ab. Wenn sich also die 3,3V aus dem 10 uF Elko über den 200 Ohm Transistor entladen, fließt also kurzzeitig fast ein Strom von 17 mA. Die 17 mA fließen aber nicht ständig, sondern nur im allerersten Moment, wenn der Kontakt vom Gleis betätigt wird. Man kann das also ruhig Nachmachen und auch Nachbauen! Da explodiert nichts und da knallt auch nichts. Der 10uF Elko wird ja schließlich nicht mit Null Ohm kurzgeschlossen.
Bei einem Optokoppler mit nur einer einzigen LED ist sogar eine Elkokapazität von 10 uF bei 50 Hz noch zu wenig. Ich habe mal das Signal mit dem Oszilloskop aufgezeichnet, da ist bei nur 10uF immer noch eine gehörige Portion Restwelligkeit vorhanden. Man müsste also dem ESP am GPIO-Eingang eine Schmitt-Trigger-Schwelle einprogrammieren. Erst bei einem Elko von 100 uF ist das Signal glatt wie ein Kinderpopo. Eine so hohe Elkokapazität bedeutet aber auch dass beim Beenden des Gleissignals eine starke Verzögerung Auftritt, denn der 100 uF Elko muss sich über den 10k Widerstand erst mal wieder langsam aufladen.
Rainer W. schrieb: > Wie kommst du außerdem auf 50Hz? > Ein AC-Optokoppler steuert den Ausgang mit 100Hz. Am Ausgang ja, aber am Eingang kommen erstmal die 18 Volt AC mit 50 Hz rein. Aber Jens seine Idee mit dem kapazitiven Vorwiderstand für die LED, habe ich sowieso wieder verworfen.
Otto K. schrieb: > Am Ausgang ja, aber am Eingang kommen erstmal die 18 Volt AC mit 50 Hz > rein. Der Kondensator sitzt am Ausgang. Welche der beiden LEDs das Licht zur Ansteuerung des Transistors erzeugt, interessiert den nicht.
Jens M. schrieb: > D.h. schon bei 17mA If läuft man Gefahr trotz der so realisierten > Strombegrenzung den Transistor zu überlasten. Dann lass es doch bleiben und schicke einfach weniger als 17mA durch die LED. > ... aber ich bin mir sicher das es auch 814er gibt die mehr als 300% > erreichen. Das sagt der Hersteller auch. Der von dir zitierte Maximalwert gilt nur bei einem I_F von 1mA. Deine Rechnung mit 17mA und 50001uA ist daher eine Milchmädchenrechnung. Die Abbildung mit dem typischen Verlauf zeigt, dass das CTR mit höherem Strom noch deutlich ansteigt (z.B. DS Liteon Fig.5 Current Transfer Ratio vs. Forward Current). Diese ganze Bastelei mit dem Kondensator ist eine Krücke. Der ESP wird es doch wohl schaffen, im Maximum der Halbwelle abzutasten und fertig. Bisher hat auch noch keiner einen Grund genannt, warum das Kontaktgleis nicht mit DC betrieben werden kann.
:
Bearbeitet durch User
Rainer W. schrieb: > Bisher hat auch noch keiner einen Grund genannt, warum das Kontaktgleis > nicht mit DC betrieben werden kann. Du ist auch einer der bei einer defekten Lampe aus Energiespargründen sagt das künstliches Licht eh schlecht für die Haut ist. Die Bahn fährt mit AC, und der Signalausgang des Gleises ist nunmal "Fahrspannung da" oder "Fahrspannung nicht da". Und ja, ein WLAN-fähiger Prozessor dürfte mehrfach schnell genug sein und könnte in Software tatsächlich die Signale sogar der Digitalbahn auslesen und diagnostizieren, aber der OP möchte nunmal ein digitales Signal an den Mikrocontroller geben "Zug ist drauf" oder "Zug ist nicht drauf". mit reichlicher Sicherheit auch weil er die Software für den ESP zumindest einfach halten will, wenn er sie überhaupt selbst geschrieben hat. Und ein Kondensator parallel an einem beliebigen digitalen Eingang ist gängige Praxis und sinnvoll, egal ob mit oder ohne Optokoppler. Rainer W. schrieb: > Dann lass es doch bleiben und schicke einfach weniger als 17mA durch die > LED. Das sollte zeigen das die Schaltung schlecht designt ist, denn es wäre möglich innerhalb des Datenblatts zu bleiben bei der Ansteuerung und dennoch den OK zu überlasten. Sich auf das CTR zu verlassen um innerhalb des sicheren Betriebs zu bleiben ist schlechte Praxis. Rainer W. schrieb: > Die Abbildung mit dem typischen Verlauf zeigt, dass das CTR mit höherem > Strom noch deutlich ansteigt Umso mehr ein Grund, die Schaltung so zu bauen, das sie mit geringem und hohem CTR sicher funktioniert und langlebig und störsicher wird.
Jens M. schrieb: > Die Bahn fährt mit AC, und der Signalausgang des Gleises ist nunmal > "Fahrspannung da" oder "Fahrspannung nicht da". Nö, es wird eine Schieneseite von der Masse getrennt. Dir Räder stellen diesen Kontakt wieder her. Die erwähnten 20V AC, können auch sonst wo her stammen. Jens M. schrieb: > der OP möchte nunmal ein digitales > Signal an den Mikrocontroller geben "Zug ist drauf" oder "Zug ist nicht > drauf". mit reichlicher Sicherheit auch weil er die Software für den ESP > zumindest einfach halten will, wenn er sie überhaupt selbst geschrieben > hat. Ich glaube, das wird einfach nur eine Erweiterung, kein Ersatz/Erneuerung... Programmieren kann Er wahrscheinlich besser, als wir Spacken zusammen. ;D Jens M. schrieb: > Und ein Kondensator parallel an einem beliebigen digitalen Eingang ist > gängige Praxis und sinnvoll, egal ob mit oder ohne Optokoppler. Das wäre mir neu... Macht mal so gar keinen Sinn! Ach ja da war doch noch was... Frohes Neues Ihr Spacken :D
Rainer W. schrieb: > Bisher hat auch noch keiner einen Grund genannt, warum das Kontaktgleis > nicht mit DC betrieben werden kann. Im Gegensatz zu den Schaltgleisen haben die Kontaktgleise einfach nur eine kleine Unterbrechung in einer der beiden Schienen. Durch die leitenden Achsen einer Lok oder eines Waggons werden die mit Strom versorgt, was detektiert werden soll. Daher ist es sinnfrei, die Kontaktgleise mit DC zu betreiben. Das Prinzip der Unterbrochenen Schiene wird bei DC-Bahnen genauso (für die Blocksteuerung) verwendet. Schaltgleise haben potentialfreie Kontakte (à la Reedrelais) und werden entsprechend per Magnet ausgelöst. Für die Achszählung könnte man natürlich auch eine (modulierte) (IR-) Lichtschranke verwenden. Da bekäme man dann auch fehlende unbeleuchtete Waggons mit.
Jens M. schrieb: > Die Bahn fährt mit AC, und der Signalausgang des Gleises ist nunmal > "Fahrspannung da" oder "Fahrspannung nicht da". Bei der zu detektierenden Spannung geht es NICHT um die Fahrspannung. Martin B. schrieb: > Nein, die Schalt- und Kontaktgleise schalten normalerweise eine > konstante Spannung. Das ist nicht die Spannung, die für die Züge genutzt > wird. ...
Rainer W. schrieb: > Bei der zu detektierenden Spannung geht es NICHT um die Fahrspannung. Bei Kontaktgleisen schon. Martin B. schrieb: > Es scheint so, als wenn hier Schaltgleis und Kontaktgleis > vermischt wurde. Ein Schaltgleis bei Märklin erkennt Stromabnehmer am > Mittelleiter. Ein Kontaktgleis erkennt jede stromführende Achse. > In meinem Fall könnte man die Aufgabe nicht mit einem Schaltgleis lösen. > Und so viele Magneten möchte ich auch nicht an den Wagons anbringen um > das alles mit Reedkontakten zu lösen.
Rahul D. schrieb: > Rainer W. schrieb: >> Bei der zu detektierenden Spannung geht es NICHT um die Fahrspannung. > > Bei Kontaktgleisen schon. Nö... https://www.stayathome.ch/kontaktgleise.htm (Es gäb noch ein Video vom Hersteller. Da wird aber nur geredet, keine Bilder gezeigt) > Martin B. schrieb: >> Ein Kontaktgleis erkennt jede stromführende Achse. Nö, Räder die eine Leitende Verbindung, zwischen den Schienen herstellen. Schaltgleise scheint es in jeglicher Colour zu geben.
Teo D. schrieb: > Nö... > > https://www.stayathome.ch/kontaktgleise.htm > (Es gäb noch ein Video vom Hersteller. Da wird aber nur geredet, keine > Bilder gezeigt) Teo D. schrieb: > Nö, Räder die eine Leitende Verbindung, zwischen den Schienen > herstellen. Wieder dieses Dreileiter-"Problem"... Deswegen sind auch Märklin-Waggons ohne Umbau der Achsen nicht unbedingt für DC-Bahnen geeignet. Das Bild zeigt doch die Lösung: https://www.stayathome.ch/images/Small/Kontaktgleis1_small.gif Wenn man statt der Lampe einen (Graetz-) Gleichrichter einsetzt, und die Optokoppler-LED mit einem für die Ausgangsspannung des Gleichrichters passenden Vorwiderstand betreibt, muss man nur noch die 100Hz rausfiltern - Pippifax für die Software...
Rahul D. schrieb: > Das Bild zeigt doch die Lösung: > https://www.stayathome.ch/images/Small/Kontaktgleis1_small.gif > Wenn man statt der Lampe einen (Graetz-) Gleichrichter einsetzt, und die > Optokoppler-LED mit einem für die Ausgangsspannung des Gleichrichters > passenden Vorwiderstand betreibt, muss man nur noch die 100Hz > rausfiltern - Pippifax für die Software... Das schrieb ich schon im letzten Jahr... Das klingt lam. Vor ZWEI Tagen! Teo D. schrieb: > Otto K. schrieb: >> Wenn man den von Gerhard vorgeschlagenen Optokoppler H11AA1 einsetzt, >> dann sollte man vor dem 4,7 uF Kondensator noch einen 1k >> Strombegrenzungswiderstand in Reihe schalten. Dieses RC-Glied sollte >> aber eine Grenzfrequenz von knapp unterhalb 50 Hz haben (34 Hz). > > Wozu? Egal wie das da herumzappelt, die SW regelt das schon. Er will ja > keinen PinChange-Int verwenden... ;D
Teo D. schrieb: > Das schrieb ich schon im letzten Jahr... Das klingt lam. Vor ZWEI Tagen! Das ist doch ewig her.
Teo D. schrieb: > Die erwähnten 20V AC, können auch sonst wo her stammen. Der Radsatz verbindet das offene Ende mit der Fahrspannung. Willst du jetzt auch noch irgendwelche anderen Potentiale mit auf den Fahrbetrieb geben? Woher nehmen? Welches? Wo anschließen? Warum? Teo D. schrieb: > Das wäre mir neu... Macht mal so gar keinen Sinn! Hm, dann machen das Milliarden von Entwicklern wohl falsch. Teo D. schrieb: > Ihr Spacken :D Du musst wohl erst ausnüchtern.
Jens M. schrieb: > Der Radsatz verbindet das offene Ende mit der Fahrspannung. Willst du > jetzt auch noch irgendwelche anderen Potentiale mit auf den Fahrbetrieb > geben? > Woher nehmen? Welches? Wo anschließen? Warum? Siehe den von Teo verlinkte Artikel (von dem ich dann noch das Bild verlinkt habe).
Jens M. schrieb: > Teo D. schrieb: >> Das wäre mir neu... Macht mal so gar keinen Sinn! > > Hm, dann machen das Milliarden von Entwicklern wohl falsch. Das da?! Jens M. schrieb: > Und ein Kondensator parallel an einem beliebigen digitalen Eingang ist > gängige Praxis und sinnvoll, egal ob mit oder ohne Optokoppler. Du schlau, ich dumm. Kläre mich auf! Hast du Beispiele?! Jens M. schrieb: > Teo D. schrieb: >> Die erwähnten 20V AC, können auch sonst wo her stammen. > > Der Radsatz verbindet das offene Ende mit der Fahrspannung. Willst du > jetzt auch noch irgendwelche anderen Potentiale mit auf den Fahrbetrieb > geben? > Woher nehmen? Welches? Wo anschließen? Warum? Halllooho! Noch Blau? ICH bin nicht der TO!!! Ich nicht wirklich besitzen Kristallkugel!
Ja passt schon. Du hast offensichtlich noch einen Kater. Schönes neues Jahr!
Rahul D. schrieb: > ... > https://www.stayathome.ch/images/Small/Kontaktgleis1_small.gif Exakt so ist das Kontaktgleis angeschlossen und in dem gelben Stromkreis möchte ich auf Wunsch des Bahnbesitzer einen ESP einsetzen um zu erkennen ob der Stromkreis durch das Kontaktgleis geschlossen wurde.
Martin B. schrieb: > in dem gelben Stromkreis möchte ich auf Wunsch des Bahnbesitzer einen > ESP einsetzen um zu erkennen ob der Stromkreis durch das Kontaktgleis > geschlossen wurde. Wo kommt denn der Strom für die Lampe her? Kommt der von Masse und fließt über die komplette Metallachse rüber auf die andere Seite, oder kommt der Strom von dem metallischen Radumfang, der über die Trennstelle fährt her? Denn dann müsste man die nadelförmigen Impulse mit einem Spitzenwertgleichrichter auffangen und in einem Kondensator abspeichern und solange warten, bis der Kondensator so vollgelaufen ist, dass die Spannung groß genug ist, damit der ESP die Spannung am GPIO-Eingang auch noch gut "fühlen" kann.
Die Achse ist durchgängig und verbindet beide Gleise.
Der Strom kommt aus einem Transformator von Märklin. Dessen Lichtausgang hat konstante 16 Volt Wechselspannung
:
Bearbeitet durch User
Martin B. schrieb: > Der Strom kommt aus einem Transformator von Märklin. Dessen Lichtausgang > hat konstante 16 Volt Wechselspannung Muss er das zwingend? Oder könnte der Strom auch von den 3.3V des ESP abgezweigt werden?
:
Bearbeitet durch User
Rainer W. schrieb: > Oder könnte der Strom auch von den 3.3V des ESP abgezweigt werden? Neee, las das mal lieber mit nem OK trennen. Die Gleisanlage ist ne große Antenne, an der auch noch einige Elektromagnete hängen etc.... Vorwiderstand antiparallele Diode, OK. Transistor beschalten... @TO Wie genau müsste das ausgearbeitet werden?
Otto K. schrieb: > Denn dann müsste man die nadelförmigen Impulse mit einem > Spitzenwertgleichrichter auffangen und in einem Kondensator abspeichern > und solange warten, bis der Kondensator so vollgelaufen ist, dass die > Spannung groß genug ist, damit der ESP die Spannung am GPIO-Eingang auch > noch gut "fühlen" kann. Welche "nadelförmigen Impulse"? Die Eisenbahn fährt ja nicht mit Überschall- oder Lichtgeschwindigkeit. Schalt- oder Kontakgleise werden schon seit zig Jahren verwendet. Teo D. schrieb: > Das schrieb ich schon im letzten Jahr... Das klingt lam. Vor ZWEI Tagen! Rahul D. schrieb: > Man könnte auch einen Graetz-Gleichrichter und einen Vowiderstand > verwenden. Und ich übrigens im ersten Antwortkommentar überhaupt; wenn auch nicht besonders detailliert.
Rahul D. schrieb: > Welche "nadelförmigen Impulse"? Er dachte da wohl noch, die Räder würden die kleinen Lücken zur isolation, überbrücken und so das Signal erzeugen. Rahul D. schrieb: > Und ich übrigens im ersten Antwortkommentar überhaupt; wenn auch nicht > besonders detailliert. Ja wars Erster... Aber erst nach dem du den TO ordentlich abgewatscht hast! Da hats halt keiner wirklich bemerkt... Kleiner Tip: Erst Zucker, dan die Peitsche! ;D
Teo D. schrieb: > Vorwiderstand antiparallele Diode, OK. Transistor beschalten... @TO Wie > genau müsste das ausgearbeitet werden? Ich würde das jetzt eigentlich so aufbauen, wie es hier schon mit Schaltplan beschrieben ist: Beitrag "Re: Wechselspannung als Trigger für einen GPIO nutzen" Ich würde gerne einen AC Optokoppler nutzen, der gleich mehrere Kanäle hat, damit der Schaltungsaufbau gering gehalten wird. Ich müsste dann nur noch wissen, wie ich zu den zum OK passenden Werten für den Vorwiderstand und den Kondensator komme.
Martin B. schrieb: > Ich würde gerne einen AC Optokoppler nutzen Martin B. schrieb: > Ich würde das jetzt eigentlich so aufbauen, wie es hier schon mit > Schaltplan beschrieben ist: > Beitrag "Re: Wechselspannung als Trigger für einen GPIO nutzen" Der dort verwendete LTV817C ist kein AC Optokoppler. > Ich müsste dann nur noch wissen, wie ich zu den zum OK passenden Werten > für den Vorwiderstand und den Kondensator komme. Die Randbedingungen mit CTR, maximalem Kollektorstrom und Diodenstrom wurde doch ausführlich diskutiert. CTR und der maximal durch die LED fließende Strom müssen halbwegs eng toleriert sein, damit das ohne zusätzlichen Widerstand ok ist, auch wenn das Jens sicher nicht schmeckt. Für den LTV817C streut das CTR bei I_F=5mA U_CE=5V um einen Faktor 2 und der Kollektorstrom darf 50mA nicht überschreiten. Da heißt es jetzt rechnen. Bedenke, dass 16V AC der Effektivwert bei Nennbelastung ist, die LED des Optokopplers mit Vorwiderstand aber den Spitzenwert abbekommt.
:
Bearbeitet durch User
Martin B. schrieb: > Ich würde das jetzt eigentlich so aufbauen, wie es hier schon mit > Schaltplan beschrieben ist: > Beitrag "Re: Wechselspannung als Trigger für einen GPIO nutzen" Entweder ist das ein Witz oder... ?-{ Wo willst du bestellen?
Teo D. schrieb: > Wo willst du bestellen? Auch wenn es keine kommerzielle preisgünstige Bezugsquelle für den H11AA1 gibt, aber einen 4-fach AC-Optokoppler LTV844 gibt es bei Reichelt für 71 Cent. Der Nachteil ist allerdings, dass der CTR-Wert leider zwischen 20% und 300% schwanken kann. Man könnte dem Problem dadurch entgegenwirken, indem man den Vorwiderstand für die beiden LEDs von 2k2 auf 1k5 reduziert. Auf der 3,3V-Seite darf der 10k Pulldown-Widerstand natürlich nicht reduziert werden. Und wer jetzt noch Schiss hat, dass der Optokoppler-Transistor beim Kurzschließen des 10 uF Elkos kaputt gehen könnte, der kann ja noch einen 100 Ohm Angstwiderstand in Reihe zum 10 uF Elko schalten.
Otto K. schrieb: > Und wer jetzt noch Schiss hat, dass der Optokoppler-Transistor beim > Kurzschließen des 10 uF Elkos kaputt gehen könnte Das ist nicht das Problem! Schau dir das doch bitte noch mal an.
Teo D. schrieb: > Das ist nicht das Problem! > Schau dir das doch bitte noch mal an. Genau das gleiche Problem mit der Restwelligkeit habe ich bei meinem praktischen Versuch am 31.12.2025 um 18:23 Uhr auch festgestellt: https://www.mikrocontroller.net/attachment/686510/20251231_171454.jpg
:
Bearbeitet durch User
Ich stelle mir die Frage ob dieser ganze Aufwand wirklich notwendig ist. Ein normaler (Standard) Optokopper mit antiparallel geschalteter 1N4148 und einem Vorwiderstand. Da bekommt man alle 20ms einen 10ms breiten Halbsinus durchgereicht. Mit 5ms Periode kontinuierlich abgetastet sieht die Software pro Periode und geschlossenem Schaltkreis ein (max 100%) bis zwei (min 100%/sqrt(2)) Signale. Bei jedem aktiven Signal wird ein Zähler auf einen gewünschten Wert (zB. 10 für 50ms) gesetzt, bei jedem inaktiven Signal wird der Zähler um eins dekrementiert (bis maximal 0). Zähler == 0 -> kein Kontakt Zähler > 0 -> Kontakt Also (retriggerbares) Monoflop in Software. Fertig.
:
Bearbeitet durch User
Norbert schrieb: > Ich stelle mir die Frage ob dieser ganze Aufwand wirklich notwendig ist. > Ein normaler (Standard) Optokopper mit antiparallel geschalteter 1N4148 > und einem Vorwiderstand. Siehe oben. Teo D. schrieb: Scheiß Beitrag, da ging wohl der Anhang unter... :{
OT: Wenn man für sich selber was in LTSpice hackt, weiss der Ersteller ja, was er angeklickt hat. Wenn ich das bei mir versuche nachzuvollziehen, wird mein n003 wahrscheinlich nicht mit deinem übereinstimmen. Bei den paar Bauteilen geht es ja noch, aber diese Nichtbenennung der Knoten ist auch bei größeren Simulationen üblich. Du bist da nicht der Einzige. An alle: Ist das labeln der Knoten für eine Veröffentlichung wirklich so arbeitsintensiv? Arno
:
Bearbeitet durch User
Arno H. schrieb: > Wenn man für sich selber was in LTSpice hackt, .. sollte man es für sich behalten. Das hier genannte "Problem" hätte man schon längst zusammengelötet und in Funktion, als man mangels Internet und Spice noch selbst denken durfte.
Teo D. schrieb: > Siehe oben. Ganz genau so! Wobei der T des OK ja selbst bei geringem Strom durch die IRLED prima in die Sättigung geht und somit die Flankensteilheit noch verbessert. Der Rest ist dann wie gesagt, Software. Mit dem Vorteil diese dynamisch konfigurieren zu können.
Bitte melde dich an um einen Beitrag zu schreiben. Anmeldung ist kostenlos und dauert nur eine Minute.
Bestehender Account
Schon ein Account bei Google/GoogleMail? Keine Anmeldung erforderlich!
Mit Google-Account einloggen
Mit Google-Account einloggen
Noch kein Account? Hier anmelden.








