Hallo, ich habe zwei Doppelnetzteile vom Typ PS-2403 auf meinem Tisch die nach Instantsetzung rufen. Das sind noch die guten alten längsgeregelten Dinos mit 2x bis +40VDC regelbarer Ausgansspannung bei 2x 3A Laststrom maximal. Schön schwer durch den massigen Trafo im Inneren der Geräte. Solide Arbeitstiere die aber noch keinen Schmutz ins Netz absondern. Ich glaube mich zu erinnern, CONRAD hatte die mal für teures Geld im Angebot, kann mich aber auch täuschen oder falsch erinnern. Beide Geräte sollten ihren Gang zum Verwerter antreten, weil mit unterschiedlichen Fehlern behaftet und die mit teils fehlenden Bedienknöpfen nicht mehr für verwendungsfähig/sicher im Umgang galten (Vorweg, die Bedienknöpfe habe ich per 3D-Druck nachfertigen lassen und die haben dann die fehlenden ersetzt.). Ich war nicht der Meinung also raus aus der Gitterbox damit und erst einmal schauen, was sich machen ließe, damit diese beiden Geräte ein zweites Leben bekommen (könnten). Erstaunlicherweise waren beide äußerlich in einem sehr guten Zustand, keine Kratzer, kein verbeultes Gehäuse nur etwas an Fingerspuren. Eines der beiden Geräte hat wohl bereits den Versuch einer Reparatur über sich ergehen lassen müssen, mehrere Gehäuseschrauben fehlten, mehrere Gewinde im Chassis des Gerätes waren überdreht. Doppelnetzteil Nummer "eins" lies sich sehr schnell wieder instand setzen. Dort war an einem Kanal keine Funktion mehr gegeben weil ein Doppel-OPV vom Typ LM1458 defekt war. Materialeinsatz zwei Euro plus Porto für vier LM1458 und etwas Zeit für Fehlersuche und Bauteileaustausch. Anschließend mittels elektronischer Last einen kleinen Dauertest initiiert und an den Panel-Metern Korrekturen der Anzeigewerte für Spannung und Strom vorgenommen. Gereinigt und als repariert vorerst abgestellt. Bei Doppelnetzteil Nummer "zwei" liegt die Sachlage etwas anders. Hier lagen, nach Sichtung, bei beiden Kanälen Funktionsstörungen vor. Allerdings hat ich mich meine erste Analyse etwas falsch abbiegen lassen, ich habe es aber sehr schnell bemerkt. Ein Kanal des Doppelnetzteiles, den habe ich momentan totgelegt, gibt auf seine Ausgangsbuchsen die reine Sieb-Elko-Spannung nach Gleichrichter von über +50VDC. Das hatte zur Folge, das ein im inneren parallel zu den Ausgangsbuchsen eingelöteter Elko dies nicht verkraftet hat und dadurch sein Lebensende eingeläutet wurde. Die Spannung lässt sich zwar noch grob regeln, aber das passt alles nicht von den Parametern her. Außerdem flackert die Überstrom-LED in bestimmten Spannungsbereichen. Da ist also noch was im Argen. Der zweite Kanal, der mit der am Anfang falschen Analyse funktioniert eigentlich richtig. Dort wird im Panel-Meter jedoch eine völlig falsche Spannung angezeigt. Bei einer max. Ausgangsspannung von +40VDC zeigt das Panel-Meter nur ca. +18VDC an. Verbaut sind im Gerät die Panel-Meter vom Typ KAIFU FR-4 E162023(S), siehe Bilder im Anhang. Diese benötigen +9VDC als Versorgungsspannung und haben für die zu messende Größe die Eingänge VIN und natürlich GND. Ich habe das betreffende Panel-Meter ausgebaut und über ein Labornetzteil betrieben. Erwähnt sei noch, im eingebauten Zustand liegt die korrekte Spannung der Ausgangsbuchsen auch an VIN und GND an, ebenfalls die +9VDC der Versorgungsspannung. Auf der Platine des Panel-Meters befinden sich grad mal 15 passive und zwei aktive (der IC unter dem CE-Label und ein Transistor) Bauteile, die ich alle samt (bis auf den IC) auf ihre Werte hin überprüft und als in Ordnung befunden habe. Trotz falscher Anzeige lässt sich über den Einstellregler der Anzeigewert in einem bestimmten Range korrigieren, das funktioniert also noch. Die beiden Widerstände des Spannungsteilers am oberen Rand der Platine entsprechen auch den im Schaltbild angegebene Werten. Was ich ebenfalls noch überprüft habe ist, ob evtl. vielleicht Segmentausfälle im Display vorliegen, was nach Kontrolle sicher ausgeschlossen werden konnte. Ich gehe jetzt davon aus, das das Panel-Meter definitiv defekt ist. Trotzdem frage ich hier aber mal nach, ob ich evtl. was übersehen habe oder es hier jemanden gibt, welcher sich bereits ebenfalls mit ähnlichem Problem befassen musste und seine Erkenntnisse teilen würde. Alternativ habe ich bereits nach einem Ersatz, dann für alle vier Panel-Meter, geschaut. Selbst diese kleinen Unkosten dafür incl. der Anpassungen im Gerät rechtfertigen den Einsatz und das Doppelnetzteil würde weiterleben. Falls jedoch jemand ein baugleiches Panel-Meter bei sich liegen hätte, keine Verwendung dahinter bei ihm ist, ich wäre ein dankbarer Abnehmer. logiker_61
Da die Platine auch dafür vorgesehen ist, mit einem IC im DIP-40 bestückt zu werden, könntest Du mal prüfen, ob das Pinout zufälligerweise mit dem des "Klassikers" ICL7106 übereinstimmt. Wenn dem so ist, könntest Du versuchen, den Klecks unter dem Aufkleber unschädlich zu machen und durch das IC zu ersetzen. Geben tut's den beispielsweise bei Reichelt. https://www.reichelt.de/de/de/shop/produkt/displaytreiber_3_1_2_stellen_a_d-wandler_dip-40-8716
Harald K. schrieb: > Wenn dem so ist, könntest Du versuchen, den Klecks unter dem Aufkleber > unschädlich zu machen und durch das IC zu ersetzen. Geben tut's den > beispielsweise bei Reichelt. > > https://www.reichelt.de/de/de/shop/produkt/displaytreiber_3_1_2_stellen_a_d-wandler_dip-40-8716 Pin 31 ist Pin "IN HI" - so wie ich das sehe geht die Leiterbahn auf den Spannungsteiler, d.h. dass könnte passen. Den 7106 gibt es bei Ali & Co. auch günstiger :-)
Andreas S. schrieb: > Den 7106 gibt es bei Ali & Co. auch günstiger Nicht, daß ich alles, was man via Aliexpress bekommt, in Bausch und Bogen als Schund bezeichnen wollte -- ich kaufe da auch gerne ein, aber Halbleiter, insbesondere Halbleiter von nicht-chinesischen Herstellern würde ich dort nicht kaufen. Hier im Forum wird häufiger von eher "durchwachsenen" Erfahrungen damit berichtet; das IC ist schön und richtig beschriftet, nur funktioniert es nicht ... Wenn Du eine funktionierende Schaltung mit Sockel hast, kannst Du da den gekauften Kandidaten zum Testen reinstecken, aber genau das scheinst Du ja nicht zu haben. Wie auch immer: Viel Erfolg!
:
Bearbeitet durch User
Siegmar H. schrieb: > Da ist also noch was im Argen. Es schwingt weil der Ausgangselko nicht passt. Siegmar H. schrieb: > Bei einer max. Ausgangsspannung von +40VDC zeigt das > Panel-Meter nur ca. +18VDC an Eigentlich verlieren die chinesischen Trimmpotis Kontakt, manchmal fliegt die weisse Schleiferkappe ab. Aber du sagst es hat einen angemessenen Einstellbereich. Besteht aus Versehen Kontakt von -Eingang zu -9V Versorgung ?
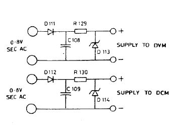
Michael B. schrieb: > Besteht aus Versehen Kontakt von -Eingang zu -9V Versorgung ? Gute Frage. Bei meinem ähnlich ausgestatteten alten LNT Monster hat der Trafo extra 2 Wicklungen, die nur zur Speisung der Panelmeter benutzt werden, da Signalmasse und GND der Speisung nicht identisch sein dürfen.
Hallo Siegmar, den Schaltplan hast Du vermutlich schon gefunden. Falls nicht geht es hier lang... Beitrag "Re: [V] Labornetzteil PS 2403D" Mit freundlichen Grüßen Guido
Matthias S. schrieb: > Michael B. schrieb: >> Besteht aus Versehen Kontakt von -Eingang zu -9V Versorgung ? > > Gute Frage. Bei meinem ähnlich ausgestatteten alten LNT Monster hat der > Trafo extra 2 Wicklungen, die nur zur Speisung der Panelmeter benutzt > werden, da Signalmasse und GND der Speisung nicht identisch sein dürfen. Hallo, genau so ist es auch. Laut originalem Schaltungsauszug (siehe Abb.) und realer Umsetzung wird jedes Panel-Meter (I/U pro Kanal) jeweils aus einer eigenen AC-Wicklung des Trafos versorgt, was ich auch überprüft habe. Eine elektrische Verbindung zu GND der zu messenden Größe besteht nicht. Ich definiere jetzt zu 100% einen Defekt des auf der Leiterplatte unter der Vergussmasse liegenden IC's, weil ich mir die Mühe gemacht habe alle passiven Bauteile teils einseitig, teils komplett auszulöten und ohne die Gesamtschaltung zu prüfen. Die Werte entsprechen den Aufdrucken bzw. Farbringen in den angegebenen Toleranzen. Der Transistor hat ebenfalls keine Auffälligkeiten. Ich habe äquivalenten aktuellen gängigen Ersatz bestellt, könnte sogar sein das der dann sogar in die originalen Rahmen der KAIFU-Panel-Meter passt, mit etwas Anpassung. Jetzt widme ich mich erst einmal dem zweiten Kanal. Ach ja, was ich noch zu berichten habe, die beiden Leiterplatten sind echt grottig gelötet. Das war wohl damals noch echte "Handarbeit" und eine Qualitätssicherung hat da wohl nicht existiert. Es wurde auch kein Millimeter flexible Leitung verschwendet. Die Idee die Platine(n) von ihren Halterungen zu lösen um besser messen o.ä. zu können ... absolutes Gewürge. Ich aktualisiere den Thread wieder, wenn's aktuelles zu berichten gibt. Und Danke an alle die auf den Thread Reaktion gezeigt haben. logiker_61
Bitte melde dich an um einen Beitrag zu schreiben. Anmeldung ist kostenlos und dauert nur eine Minute.
Bestehender Account
Schon ein Account bei Google/GoogleMail? Keine Anmeldung erforderlich!
Mit Google-Account einloggen
Mit Google-Account einloggen
Noch kein Account? Hier anmelden.


