Hallo, ich bastle aktuell an einer DT 175 MX von 81 rum. Problem ist, dass der Kabelbaum zerschnitten wurde und Leitungen nicht zum Schaltplan passen. Versuche also backengineering. Die DT hat eine CDI und kontaktlose Zündung. Auf der Zündgrundplatte (Stator) sind drei Spulen: - Spule 1, größte Spule, Leitungsfarben gelb, blau und schwarz (Masse/Statorgehäuse), Widerstand immer gegen 0 Ohm, Erregerspule? - Spule 2, mittelgroße Spule, Leitungsfarben braun und schwarz (Masse/Statorplatte), 314 Ohm - Spule 3 ist für das Zündsignal, Weiß-rot und schwarz (Masse/Statorplatte), 17 Ohm Mein Problem ist Spule 1. Ich weiß nicht, ob die in Ordnung ist und was davon der Mittelabgriff ist. Spule 2 ist ja vermutlich für das Bordnetz. Kann mir jemand helfen, wie ich vorgehen sollte? Grüße!
Moin, Wird wohl so sein: Die Lima hat Permanentmagneten im Schwungrad, braucht keine separate Erregerspule. Spule 1: Licht (Masse-Anzapfung) und Batterieladung (Masse-Ende) Spule 2: Versorgung fuer die CDI Einheit - obacht, da kommen schon schmerzhafte Spannungen raus. Spule 3: Wenn die etwas verschiebbar eingebaut ist, wirds wohl das Signal fuer die Zuendung sein. Bei der Spule 1 musste halt den Widerstand etwas genauer messen, da kannste ja gerne auch mal 1..3A durchfliessen lassen und gucken welche Spannungsabfaelle sich dann so einstellen. Die Anzapfung wird stark unsymmetrisch sein. Gruss WK
:
Bearbeitet durch User
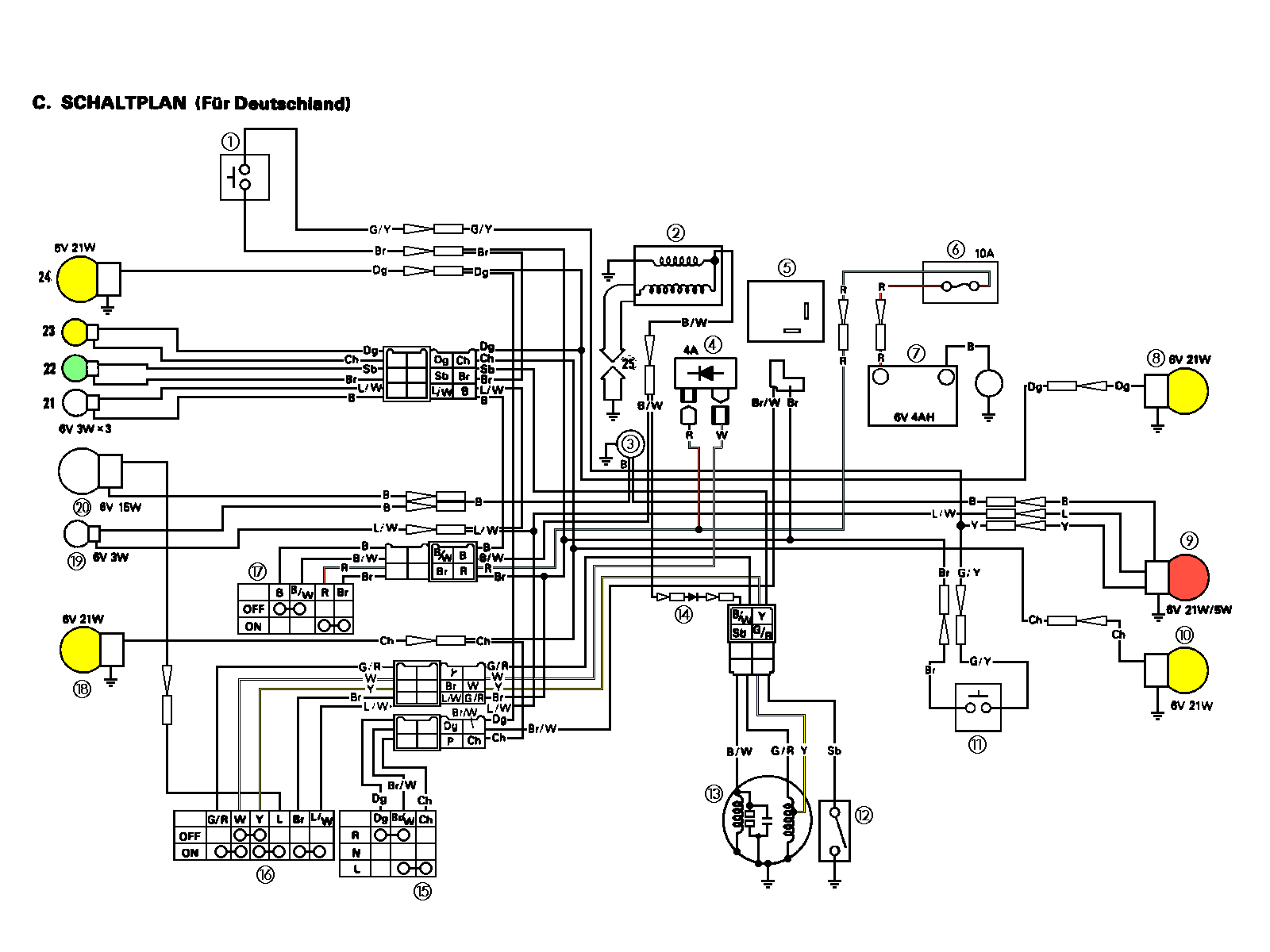
Ich denke die Spule 1 ist die kombinierte Licht- und Ladespule. Eine Seite auf Masse, das sollte leicht zu ermitteln sein. Der Anzapf, vielleicht gelb, liefert die Wechselspannung für das Licht. Die andere Seite geht zum Gleichrichter / Laderegler für die Batterie. Anbei ein Plan einer DT80MX aus der Zeit. Könnte so ähnlich sein, aber ohne Garantie!
Okay, danke Euch! Ich hätte erwartet, dass die mit dem Mittelabgriff zur CDI muss. Eventuell wegen Drehzahlbereichen oder so. Okay, dann ist Spule 1 (die größte) Licht und Batterie. Die Masse konnte ich sehen. Bleiben noch zwei über: Gelb und blau. Kann ich irgendwie herausfinden, welches wohin muss? Der niedrige/identische Widerstand irritiert mich etwas. Vermutlich muss die mit mehr Leistung an das Licht. Die Batterie ist ja eher ein Puffer. Die hat ja einen Kickstarter, keine wirklichen Verbraucher und 6V System. Grüße!
:
Bearbeitet durch User
Ladespule also 0,3 Ohm (das würde passen) und auf dem anderen Dokument 42 bzw 13,6 Ohm?
Maurice H. schrieb: > 420 bzw 13,6 Ohm? Die AC-CDI kann eine ZZP-Verstellung über die Drehzahl machen, im Bild leider ohne Skalierung.
Okay, demnach ist die Spule mit den drei Anschlüssen nicht für Licht und Batterieladung zuständig, sondern für die Zündung, wie eingangs vermutet? Und dann ist sie iO? Stellt sich nur die Frage, wie ich diese anschließen muss, da die Kabelfarben nicht passen.
Maurice H. schrieb: > Stellt sich nur die Frage, wie ich diese anschließen muss, da die > Kabelfarben nicht passen. Der Fzg-Stromlauf aus dem 2A6manual.pdf (bitte selber runterladen) ist leider fehlerhaft. Im Bild die AC-CDI, evtl kommst mit ausprobieren weiter.
:
Bearbeitet durch User
Maurice H. schrieb: > Okay, demnach ist die Spule mit den drei Anschlüssen nicht für Licht und > Batterieladung zuständig, sondern für die Zündung, wie eingangs > vermutet? Wie kommst du plötzlich darauf? Hat doch hier keiner irgend welche Argumente in der Richtung genannt. Klar ist die große Spule für Licht & Batterieladung. Da kommt die meiste Leistung raus. Grundsätzlich besteht so ein alter CDI-Magnetzünder aus drei- bis vier Spulen: - Einer dicken, sehr niederohmigen Lichtspule. Da ist richtig dicker Draht drauf, Widerstand < 1Ohm. Die Spule treibt bei älteren, leichteren Mopeds und Motorrädern direkt Scheinwerfer und Rücklicht mit Wechselspannung. Die Spule hat auch mit der Zündung an sich rein gar nichts zu tun. - Manchmal einer separaten Ladespule für die Batterieladung. Damit wegen der unvermeidlichen Spannungsverluste bei Gleichrichtung und Regelung das funktioniert, braucht es hier ein paar Windungen mehr. - Die CDI-Ladespule. Die läd den "C" in der CDI auf, und zwar auf mehr als 100V. Da sind viel mehr Windungen dünneren Drahts drauf, die hat mehrere Ohm. - Der sogenannte Pickup, eine deutlich kleinere Spule mit recht dünnen Draht, den man aber wegen der Kapselung nicht sieht. Das Teil wird auch Induktivgeber genannt und stellt die Zündspannung für den Thyristor in der CDI bereit. Hat auch mehrere Ohm. Du kannst die Anschlüsse der Licht-Ladespule so rausmessen wie das bereits "derguteweka" empfahl. Mit dem Multimeter in Stellung "Ohm" wird das nichts, das kann ein paar Milliohm nicht rausmessen. Aber mit ein paar Ampere Gleichstrom und Stellung "Millivolt" klappt das. Ersatzweise geht ein richtiges Milliohmmeter, aber wer hat das schon. Wenn du mit Elektronik vertraut bist, hast du vielleicht ein Induktivitäts-Messgerät bzw ein RLC-Messgerät, auch damit geht es. Die Induktivität Ladeanschluss - Masse ist viel größer als Lichtanschluss - Masse. Wenn die Spule nicht verbrannt aussieht, ist die wahrscheinlich in Ordnung. Ansonsten erstmal die gelbe Leitung ans Licht anschließen, wenn alle oben genannten Optionen nicht anwendbar sind. Wenn der Motor läuft, ohne Last nachmessen: die Ladespannung ist etwas höher als die Lichtspannung. Multimeter auf ACV!
:
Bearbeitet durch User
Anleitung ist für die DT 250 MX, die Elektrik sollte aber ähnlich sein: Y - Yellow - ist das Abblendlicht. B/W - schwarz-weiß - ist der Zündimpuls W - weiß - geht zum Gleichrichter und lädt die Batterie. L - blau - im Kabelbaum müsste Bremslicht und/oder Blinker sein.
:
Bearbeitet durch User
Herzlichen Dank @Holler ! Das werde ich genau so machen und berichte :)
:
Bearbeitet durch User
Moin, ich habe nur die CDI angeklemmt und hatte dann auch einen Zündfunken. Als sie nicht angesprungen ist, habe ich das Polrad abgeblitzt. Dabei ist mir aufgefallen, dass die Zündung etwa 90 grad zu früh kommt. Zumindest optisch sieht die Zündgrundplatte aber gut aus. Kann das auch an der CDI liegen, oder schaltet die das PickUp-Signal 1:1 an die Zündspule (also ohne Zeitverzögerung) weiter? Die Zündgrundplatte kann ich 1-2 grad verdrehen. Mehr aber nicht. Grüße!
Moin, Kanns sein, dass du eine oder beide Spulen fuer die Zuendung verkehrt gepolt angeschlossen hast? Ueblicherweise hat das Schwungrad ja 4 magn. Pole, also 2 Polpaare, da wuerden die 90° dazu passen. Gruss WK
Habe den Fehler so eben gefunden - die Spule mit dem Pick-Up-Signal wurde wohl mal 180grad verdreht eingebaut… Jetzt kommt der Funken auch zeitlich passend. Super !!!
Maurice H. schrieb: > … schaltet die das PickUp-Signal 1:1 > an die Zündspule (also ohne Zeitverzögerung) weiter? Ja, in der CDI ist nichts was das Signal nennenswert verzögert. Der Spulenkern des Pickup sowie der Polschuh eines der Magneten im Polrad sind bei älteren CDI speziell ausgeformt, so dass nur ein einziger Polschuh von den mindestens vier vorhandenen ein größeres Signal im Pickup erzeugt. Die anderen drei kleineren Signale werden durch eine Klemmschaltung in der CDI unterdrückt. Wenn du etwas verdrehst funktioniert das nicht mehr, deshalb der völlig daneben liegende Zündimpuls. Der Arbeitspunkt ist etwas heikel und bedarf exakter Toleranzen bei der Herstellung. Bei neueren CDI gibt es deshalb einen aussenliegenden Pickup mit separaten, kleinen Magneten, ist billiger und robuster. Die von „overdrive“ ins Spiel gebrachte drehzahlabhängige Zündverstellung halte ich für eine Wunschvorstellung. Da sind max wenige Grad drin. Nicht umsonst fehlt in der Skizze leidliche Achsenbeschriftung. Eigentlich braucht so ein relativ elastisch ausgelegter Zweitakter auch keine Zündverstellung. Erst als man begann mit extremen Steuerzeiten maximale Leistung rauszuquetschen, wurde im unteren Drehzahlbereich viel Vorzündung (um 30 Grad) spendiert, für etwas mehr Drehmoment. Bei Resonanzfrequenz des Auspuff wären 30 Grad vOT viel zu viel, da sind es nur noch um 5 Grad. Das ging aber nur elektronisch, eine primitive CDI reicht da nicht. Das wurde z.B. bei der RD350 YPVS zwei Jahre später eingebaut.
Wulf D. schrieb: > Eigentlich braucht so ein relativ elastisch ausgelegter Zweitakter auch > keine Zündverstellung. Erst als man begann mit extremen Steuerzeiten > maximale Leistung rauszuquetschen, wurde im unteren Drehzahlbereich viel > Vorzündung (um 30 Grad) spendiert, für etwas mehr Drehmoment. Richtig. Ich meine, hier ging es um ein schienbein&knöchelschonendes Ankicken. Ein paar 2T-Kawa-Triples aus den 1970ern hatten auch sowas (Bild). Ein Leistungs-2T hat im DZ-Bereich der VorReso viel Vorzündung (Bild), weil das unreine Frischgas nur langsam durchbrennt. Danach geht der ZZP rasch zurück (sonst Loch im Kolben!).
:
Bearbeitet durch User
B. schrieb: > Ich meine, hier ging es um ein schienbein&knöchelschonendes Ankicken. > > Ein paar 2T-Kawa-Triples aus den 1970ern hatten auch sowas (Bild). Kann gut sein, dass die H1 und H2 eine stetig steigende Vorzündung hatte. Die hatten viel Hubraum und da möchte man beim ungeschickten Ankicken kein verstauchtes Gelenk riskieren. Aber auch auf dem Bild fehlen konkrete Zahlen. Interessant ist die Berg- und Talbahn der Zündkurve von der DT125R von 1997. Das geht nur mit "richtiger" Elektronik. Die 125er hat sicher auch Auslasssteuerung etc. Die DT175 von 1980 hat das nicht. Viel zu teuer damals. Ein Freund hatte damals dieses Moped neu günstig gekauft. Macht trotzdem Spaß, wenn man es etwas rustikal mag.
Bitte melde dich an um einen Beitrag zu schreiben. Anmeldung ist kostenlos und dauert nur eine Minute.
Bestehender Account
Schon ein Account bei Google/GoogleMail? Keine Anmeldung erforderlich!
Mit Google-Account einloggen
Mit Google-Account einloggen
Noch kein Account? Hier anmelden.






