Nur um sicher zu gehen: ich messe zwischen T2 und G 6.3 Ohm in beide Richtungen. Liegt nicht an der Außenbeschaltung. Zwischen T2 und T1 hochohmig. (https://www.farnell.com/datasheets/1815181.pdf) Anwendung: Billiger Schnur-Zwischendimmer einer bekannten: Lampe hat sich mit knall verabschiedet, Sicherung auf der Platine ist durch. Ich würde sagen bei 6.3 Ohm ist das Ding Durch. Allerdings bin ich mir nicht 100% sicher. Ich habe mit Triacs bisher kaum gearbeitet. Hätte eher short zwischen T1 und T2 erwartet. Oder könnte das Gate durch das dI/dt im Moment des Fehlers gestorben sein? Grüße + Danke
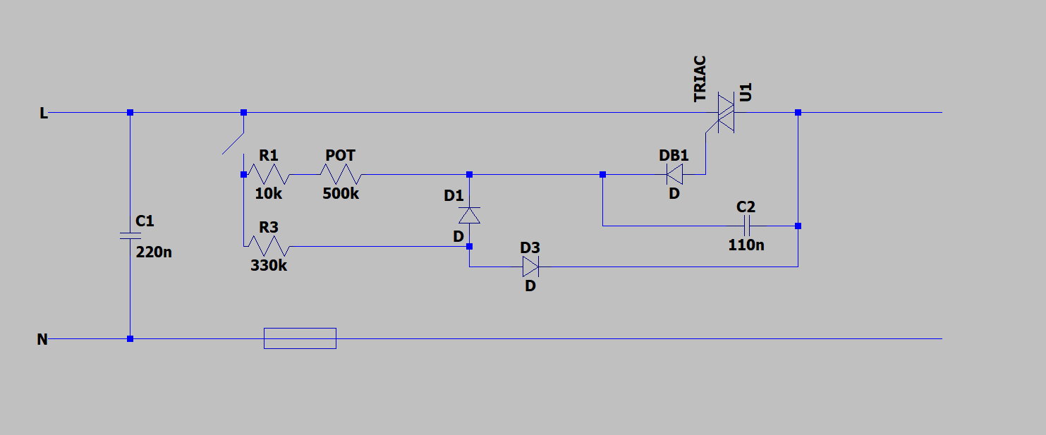
DB1 sieht aus wie ne Glasdiode hat aber in keiner Richtung weder im Diodentest noch im Widerstandsmodus messbaren Durchgang.
Christoph K. schrieb: > DB1 ist naturlich ein DIAC, der leitet erst ab 32V. Christoph K. schrieb: > Ich würde sagen bei 6.3 Ohm ist das Ding Durch Miss einen heilen TRIAC mit demselben Multimeter im selben Messbereich. 6.3 Ohm kommt mir zwar zu wenig vor, aber es sind 2 antiparallele Dioden und wenn dein Multimeter bei einer Diode ca. 10 Ohm anzeigt, ist er in Ordnung.
:
Bearbeitet durch User
Moin, Das wird dann wohl ein Diac sein, wenn du das Geraffel nicht rumliegen hast, bestell besser welche mit. Gruss WK
Danke für die Infos, habe ich mir fast gedacht. Wofür den diac? Theoretisch kann der Triac das ja allein. Und kann mir jemand noch mit R3 und den beiden Dioden helfen @funktion? Ps: habe keine Reparatur vor. Das Ding ist selbst in funktionierendem Zustand Kernschrott
Schau dir mal die Grundlagen zu einem Phasenanschnittsteller an. Da wirst du die Notwendigkeit eines Diac erklärt bekommen.
Christoph K. schrieb: > Und kann mir jemand noch mit > R3 und den beiden Dioden helfen @funktion? ciao gustav
Christoph K. schrieb: > Ich ging davon aus das die VT vom Gate eine ähnliche Funktion erfüllen > könnte. Vergiss nicht den min. Haltestrom des Triac! Was müsste der Verbraucher für einen Widerstand haben, damit das sicher bei ca. 4V zündet?!
Christoph K. schrieb: > Wofür den diac? Damit die Ladung von C2 sicher ausreicht, um die TRIAC für den Rest der Halbwelle zu zünden. Die Zündung darf erst erfolgen, wenn die Spannung hoch genug ist, um den Haltestrom fließen zu lassen. Außerdem erzeugt die Schwellspannung der DIAC zusammen mit dem RC-Glied die Verzögerung für den Phasenanschnitt. p.s. Es heißt DIE Diode bzw DIE Triode
:
Bearbeitet durch User
Christoph K. schrieb: > mit knall verabschiedet, Sicherung auf der Platine ist durch Silizium schmilzt meist schneller als Deine Schmelzsicherung. Man achte allgemein beim Austausch auf ausreichende? Spannung, Haltestrom und Kennbuchstaben.
Michael B. schrieb: >> Ich würde sagen bei 6.3 Ohm ist das Ding Durch > > Miss einen heilen TRIAC mit demselben Multimeter im selben Messbereich. > 6.3 Ohm kommt mir zwar zu wenig vor, aber es sind 2 antiparallele Dioden > und wenn dein Multimeter bei einer Diode ca. 10 Ohm anzeigt, ist er in > Ordnung. Ob er ein Bauteil zum Vergleich hat? Ich klemme Triac / Thyristor ans Labornetzgerät und dippe Anode-Gate. Wenn dann die Strombegrenzung greift, hat das Ding gezündet. Dann A1-A2 bzw. A-K kurz brücken, geht er wieder aus.
So ähnlich hab ich einen 2,5 kA Hockeypuk Thyristor im Feld geprüft. Ich hatte nen frischen 9V Block genommen.
Lu schrieb: > Silizium schmilzt meist schneller als Deine Schmelzsicherung Warum stellt man dann Sicherungen nicht aus Silizium her?
Peter N. schrieb: > Warum stellt man dann Sicherungen nicht aus Silizium her? Weil geschmolzenes Silizium manchmal eine Unterbrechung und manchmal ein Kurzschluss erzeugt.
Udo S. schrieb: > Weil geschmolzenes Silizium manchmal eine Unterbrechung und manchmal ein > Kurzschluss erzeugt. Nach Functional Safety Berechnungen zu überwiegendem Maße Kurzschluss wegen Durchlegierens. Unterbrechung nur, wenn der Bonddraht zuerst wegberennt - das kommt auf den jeweiligen Havariefall an.
Wolfgang R. schrieb: > Unterbrechung nur, wenn der Bonddraht zuerst wegberennt Oder die Energie groß genug ist, dass nur die Beinchen stehen bleiben.
Udo S. schrieb: > Oder die Energie groß genug ist, dass nur die Beinchen stehen bleiben. So etwas hatte ich unlängst in einem LiFePO4 BMS... da wird die Plasmawolke zum Problem. Zum Schluss war ein Walnuss-großes Loch in der Aluplatte des Kühlkörpers. Beinchen waren keine mehr da. Die Sicherung kam erst danach und war heile... Die Zellen waren unbeeindruckt - 4p80s, bei jeweils 4,2Ah - da geht was...
:
Bearbeitet durch User
Peter N. schrieb: > Lu schrieb: >> Silizium schmilzt meist schneller als Deine Schmelzsicherung > > Warum stellt man dann Sicherungen nicht aus Silizium her? Bei einem gesteuerten Drehstromgleichrichter aus 6 Thyristoren ist es vorteilhaft, wenn einer der Thyristoren "Kernschmelze" hat, dann mit einer Sicherung zu unterbrechen. Sonst sind nicht nur 2 oder 3 Thyristoren hin, sondern alle 6 Der Witz war, das die 2 kA Sicherung teurer war, als der Thyristor :-) Das waren spezielle Sicherungen, die einen Prömpel hatten, der beim Auslösen raus kam und einen Mikrotaster betätigte. Die hingen mit in der EMO Kette. Das war keine Elektronik mehr, sondern eher "Grobschlosserei"
Gerald B. schrieb: > Peter N. schrieb: >> Lu schrieb: >>> Silizium schmilzt meist schneller als Deine Schmelzsicherung >> >> Warum stellt man dann Sicherungen nicht aus Silizium her? > > Bei einem gesteuerten Drehstromgleichrichter aus 6 Thyristoren ist es > vorteilhaft, wenn einer der Thyristoren "Kernschmelze" hat, dann mit > einer Sicherung zu unterbrechen. Sonst sind nicht nur 2 oder 3 > Thyristoren hin, sondern alle 6 > Der Witz war, das die 2 kA Sicherung teurer war, als der Thyristor :-) > Das waren spezielle Sicherungen, die einen Prömpel hatten, der beim > Auslösen raus kam und einen Mikrotaster betätigte. Die hingen mit in der > EMO Kette. > Das war keine Elektronik mehr, sondern eher "Grobschlosserei" Männerelektronik!
Bitte melde dich an um einen Beitrag zu schreiben. Anmeldung ist kostenlos und dauert nur eine Minute.
Bestehender Account
Schon ein Account bei Google/GoogleMail? Keine Anmeldung erforderlich!
Mit Google-Account einloggen
Mit Google-Account einloggen
Noch kein Account? Hier anmelden.


