Habe festgestellt das einige Bastler Schwierigkeiten mit Darlington Transistoren haben. Das Problem dabei sind die internen Widerstände. Widerstandsmeßgeräte zeigen bei diesen sehr niedige hfe-Werte an, obwohl sie in die Tausende gehen. Als kleiner Hinweis dient der Ube-Wert von ca. 1,2V. Das eigentliche Problem ist: Beim Messen muß der Basisstrom über die integrierten Widerstände die 1,2V erreichen damit überhaupt ein Basisstrom fließen kann. Das bedeutet bei einem integrierten 15KOhm Widerstand sind ca. 100µA erforderlich um den Transistor durchzusteuern. Einige µA weniger passiert nichts, einige µA mehr steuern schnell 300 mA oder mehr Kollektorstrom, der den Transistor schnell aufheizt, was die B-E Spannung wiederum senkt und damit den C-Strom weiter erhöht. Ein kleiner Transistor ist bei 10-15V Meßspannung schnell zerstört, wenn der maximale Strom nicht begrenzt wird. Täuschend ist dabei die anfängliche Annahme das überhaupt kein Stromfluß zustande kommt. Erst das geringe Überschreiten des minimalen Stromflusses steuert den Transistor durch, der jetzt schnell durch die Eigenerwärmung lawinenartig zunehmende Strom läßt dabei an einfacher Logik zweifeln...
:
Bearbeitet durch User
Roland H. schrieb: > Habe festgestellt das Einige Bastler Schwierigkeiten mit Darlington > Transistoren haben. Das Problem dabei sind die internen Widerstände. Deswegen sollte man sich das Datenblatt ansehen. Und dann müßte die Sache eigentlich klar sein. mfg KLaus
Roland H. schrieb: > Habe festgestellt das einige Bastler Schwierigkeiten mit Darlington > Transistoren haben. Das liegt am Arbeitswiderstand von 75k KILOOHM! https://youtu.be/nBtcoTIyiWY?si=l-8tvP2CzdEWPKSo ;-)
Ein Darlington-Transistor ist ein komplexes Bauelement, wie ein Operationsverstärker, und kann nicht sinnvoll mit einem gewöhnlichen Transistortester gemessen werden.
Roland H. schrieb: > Ein kleiner Transistor ist bei 10-15V Meßspannung schnell zerstört, wenn > der maximale Strom nicht begrenzt wird. Jeder Transistor ist schnell zerstört, wenn der maximale Strom nicht begrenzt wird. Das ist nichts neues oder erstaunliches. Und wenn man schon mit BC879 o.ä. arbeitet, weiss man auch, wie man mit sowas umgeht.
Maximilian schrieb: > Ein Darlington-Transistor ist ein komplexes Bauelement, wie ein > Operationsverstärker, und kann nicht sinnvoll mit einem gewöhnlichen > Transistortester gemessen werden. Ein Darlington-Transistor und ein Operationsverstärker sind in ihrer Komplexität überhaupt nicht miteinander vergleichbar.
Jörg R. schrieb: > Maximilian schrieb: >> Ein Darlington-Transistor ist ein komplexes Bauelement, wie ein >> Operationsverstärker, und kann nicht sinnvoll mit einem gewöhnlichen >> Transistortester gemessen werden. > > Ein Darlington-Transistor und ein Operationsverstärker sind in ihrer > Komplexität überhaupt nicht miteinander vergleichbar. "Komplex" bedeutet Technisch/Mathematisch, das es aus mehr als nur einer Komponente besteht.
Beitrag #8021947 wurde von einem Moderator gelöscht.
Beitrag #8021952 wurde von einem Moderator gelöscht.
Dieser Beitrag war nicht für die superschlauen Nörgler gedacht. Schließlich gibt es auch Anfänger oder Bastler die sich ab und an mal in diesem Bereich versuchen wollen und - wie ich in einigen Beiträgen feststellte - dabei auch auf Probleme stoßen mit denen sie nicht gerechnet haben. Da zählt auch das immer beliebtere Transistormeßgerät dazu, das in diesem Fall einen Hfe von 45 statt 3000...10000 und eine interne Schutzdiode anzeigt, die auch nicht real ist. Grund dafür sind die internen Widerstände, die einen größeren Meßstrom erfordern als es diese Geräte ermöglichen. Bei dem diskreten Aufbau einer Meßschaltung ist ein Ausmessen aus den genannten Gründen schwierig und ein Hfe-Wert auch nur schätzbar - zumal die Leistungsgrenze des Transistors schnell erreicht ist - auch weil der hohe Schwellstrom durch die hohe Stromverstärkung nur minimal überschritten werden muß um den Maximalstrom des Transistors zu erreichen. So fließt z.B.bei einem kleinen 40Watt-TO126 Transistor unter 100µA Basisstrom noch kein Kollektorstrom, bei 200µA jedoch bereits 1A, was ihn ohne Kühlung bereits zum Eier braten erhitzt. Diese Wärme setzt wiederum die 1,2V Schwellspannung herab was den Stromanstieg weiter steigert und so ist der Maximalstrom oder die Max.Temperatur schnell erreicht. Dieser Lawineneffekt erschwert auch die Hfe Ermittlung, zumal auch der durch die Widerstände fließende "Startstrom" abgezogen werden muß. Da hier also 100µA mehr Basisstrom für 1A Kollektorstrom sorgen, wäre dies ein Hfe von 10000 (meistens sind es 3...8 Tausend). Ich nutze einen alten großen 1MOhm Potischleifring aus einem alten Zeilentrafo vom Röhren-TV + 10KOhm Schutzwiderstand + 200µA(1mA) Meßgerät um den Basisstrom einzustellen sowie eine 10(20)W Halogen-Lampe + 1(3)A Meßgerät um den Kollektorstrom zu begrenzen / messen + 12V Netzteil.
Beitrag #8027749 wurde vom Autor gelöscht.
Roland H. schrieb: > Das Problem dabei sind die internen Widerstände. > Widerstandsmeßgeräte zeigen bei diesen sehr niedige hfe-Werte an, obwohl > sie in die Tausende gehen. Du kannst nicht erwarten, durch unbedarfte externe Messung an einer integrierten Schaltung, die Parameter darin enthalten Einzelbauelemente zu erfassen.
Mani W. schrieb: > Von Absätzen hältst Du nichts! Im Scriftfenster waren die Absätze vorhanden - jetzt sind sie weg... kein Mensch ist perfekt...
Rainer W. schrieb: > Roland H. schrieb: >> Das Problem dabei sind die internen Widerstände. >> Widerstandsmeßgeräte zeigen bei diesen sehr niedige hfe-Werte an, obwohl >> sie in die Tausende gehen. > > Du kannst nicht erwarten, durch unbedarfte externe Messung an einer > integrierten Schaltung, die Parameter darin enthalten Einzelbauelemente > zu erfassen. Das ist ein 3 beiniger Transistor und keine integrierte Schaltung im eigentlichen Sinne. Da diese Transistoren heutzutage einfach in ein gängiges und erschwinglichen Meßgerät gesteckt und ausgemessen werden können, und dort auch Werte ausgegeben werden, sollte ein - auch Anfänger - Nutzer die Eigenarten erfahren und weshalb es so ist.
Roland H. schrieb: > Das ist ein 3 beiniger Transistor und keine integrierte Schaltung im > eigentlichen Sinne. Ein Darlington besteht aus 2-3 Transistoren und ggf 1-2 Widerständen. Die sind monolithisch auf einen Die integriert. Hier kannst Du sehen wie sowas in der Praxis ausschaut: https://www.richis-lab.de/BipolarA49.htm Das ist eindeutig eine integrierte Schaltung. Kein Hybridaufbau aus diskreten Transistoren.
Die gibts aber auch schon mal mit vier Chips, separaten Dioden über der BE Strecke usw. Sind dann aber sicher die Ausnahmen aus eben jender Zeit. Ich hatte mal mit SU508-SU250 aus Stahnsdorf zu tun ( in der Entwicklung und Produktion). Daher weis ich das. Aber beim normalen Darlington ist das alles auf einem Chip.
Mani W. schrieb: > Von Absätzen hältst Du nichts! Evtl fängt er an, Absätze zu nutzen, wenn du mal anfängst hilfreiche Sätze zu schreiben.
Axel R. schrieb: > Die gibts aber auch schon mal mit vier Chips, separaten Dioden über der > BE Strecke usw. Sind dann aber sicher die Ausnahmen aus eben jender > Zeit. Hybrid-Lösungen hat Richard auch dokumentiert. Hier eins aus Stahnsdorf: https://www.richis-lab.de/Bipolar24.htm Edit: die Darlingtons sind da trotzdem monolithisch. Nur die Freilaufdioden wurden auf getrennten Dies realisiert.
:
Bearbeitet durch User
Nach meiner Kenntnis ergeben sich die Freilaufdioden automatisch bei der "Integration". (Die sind auch relativ langsam.)
Evtl verwechselst du das mit FETs? Bei denen ensteht durch den Aufbau eine Diode, die man auch nicht immer als Freilaufdiode nutzen kann.
Uwe schrieb: > Nach meiner Kenntnis ergeben sich die Freilaufdioden automatisch > bei der "Integration". > (Die sind auch relativ langsam.) Das ist richtig. Und weil die relativ langsam ist, schaltet man hin und wieder eine "richtige" Diode parallel. Beim ersten Beispiel ist die Diode nur implizit vorhanden: https://www.richis-lab.de/BipolarA49.htm beim zweiten ist sie als separates Bauteil "D2" vorhanden: https://www.richis-lab.de/Bipolar24.htm
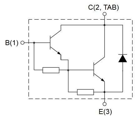
Roland H. schrieb: > Das ist ein 3 beiniger Transistor und keine integrierte Schaltung im > eigentlichen Sinne. Offensichtlich enthält die Schaltung jeweils zwei Transistoren, zwei Widerstände und eine Diode. Schon ein einfacher "Darlington-Transistor" ist eine Zusammenschaltung mehrerer Bauelemente, bei dem du extern einen Summenparameter misst, der nichts mehr mit den Einzelbauteilen zu tun hat. Ob das auf einem Chip integriert ist oder nach Art einer Hybridschaltung aufgebaut ist, ändert nichts daran, dass man über die externen Anschlüsse etwas anderes als die Eigenschaften der Einzelbauteile misst.
:
Bearbeitet durch User
Danke an rolandh für den Beitrag und etwas mehr Klarheit. Als ich neulich versuchte, npn-pnp- und pnp-pnp Darlingtons paarweise festzulegen, haben meine Transistortester irritierende Sachen gezeigt. Warm wurde aber nichts. Ich kriegte nur Werte, die sich im Sekundentakt unterschieden und auch von einem Gerät zum anderen und wieder zurück nicht plausibel waren. Zum Schluss habe ich auf die Maßnahme insgesamt verzichtet. Was vorgefertigte Darlingtons in der Praxis besser machen, ist wohl mehr nice-to-have.
Götz R. schrieb: > Was vorgefertigte Darlingtons in der Praxis besser machen, ist wohl mehr > nice-to-have. Weniger Platz, billiger, höhere Ausfallsicherheit, da ein einziges Bauelement. Dem steht eine Position mehr in der Lagerhaltung gegenüber. Letzters relativiert sich aber in der Serienfertigung, da du dann mehr Einzelbauelemente brauchst, was im Amateurbereich keine Rolle spielt.
Roland H. schrieb: > Da zählt auch das immer beliebtere Transistormeßgerät > dazu, das in diesem Fall einen Hfe von 45 statt 3000...10000 und eine > interne Schutzdiode anzeigt, die auch nicht real ist. Grund dafür sind > die internen Widerstände, die einen größeren Meßstrom erfordern als es > diese Geräte ermöglichen. Das ist in der Dokumentation zum Transistortester https://raw.githubusercontent.com/Mikrocontroller-net/transistortester/master/Doku/trunk/pdftex/german/ttester.pdf unter 3.5 Problemfälle bereits beschrieben: "Probleme bei der Erkennung machen auch Halbleiter mit integrierten Widerständen. So wird die Basis-Emitter-Diode eines BU508D-Transistors wegen eines parallel geschalteten internen 42Ω Widerstandes nicht erkannt. Folglich kann auch die Transistorfunktion nicht geprüft werden. Probleme bei der Erkennung machen oft auch Darlington-Transistoren höherer Leistung. Hier sind auch oft Basis-Emitter-Widerstände verbaut, welche die Erkennung wegen der hier verwendeten kleinen Messströme erschweren."
Alexander S. schrieb: > " .. welche die Erkennung wegen der hier verwendeten > kleinen Messströme erschweren." Sind diese auch irgendwo definiert? Ich sehe nur, dass dieser Tester irgendwelche Werte aus unbekannten Testbedingungen anzeigt, zweifelhaftes Spielzeug.
Manfred P. schrieb: > Sind diese auch irgendwo definiert? Das Messverfahren ist unter "Kapitel 5 Beschreibung des Messverfahrens" beschrieben und der Quelltext ist offen. ... und es ist ein Tester und kein Messgerät. Weiterhin gibt es den Tester nicht, sondern zig Kopien aus Fernost.
Roland H. schrieb: > Habe festgestellt das einige Bastler Schwierigkeiten mit Darlington > Transistoren haben. Na ja, ein Transistortester könnte ermitteln, wie hoch die Widerstandswerte sind, in dem er die B-E-Strecke vorwärts und rückwärts misst. Dann kann er auch berechnen wie viel Strom durch die internen Widerstände abgeleitet wird und nichts zur Stromverstärkung beiträgt.
Michael B. schrieb: > Na ja, ein Transistortester könnte ermitteln, wie hoch die > Widerstandswerte sind, in dem er die B-E-Strecke vorwärts und rückwärts > misst. Dann kann er auch berechnen wie viel Strom durch die internen > Widerstände abgeleitet wird und nichts zur Stromverstärkung beiträgt. Da der Knotenpunkt der Widerstände nicht von außen zugänglich ist, scheint mir das auch sehr unzuverlässig zu sein. Arno
Michael B. schrieb: > Na ja, ein Transistortester könnte ermitteln, wie hoch die > Widerstandswerte sind, in dem er die B-E-Strecke vorwärts und rückwärts > misst. Dann kann er auch berechnen wie viel Strom durch die internen > Widerstände abgeleitet wird und nichts zur Stromverstärkung beiträgt. Artikel Transistortester https://www.mikrocontroller.net/articles/AVR_Transistortester Dokumentation zum Transistortester https://raw.githubusercontent.com/Mikrocontroller-net/transistortester/master/Doku/trunk/pdftex/german/ttester.pdf Quellcode https://github.com/Mikrocontroller-net/transistortester/tree/master/Software/trunk Magst Du Deine Idee implementieren, damit wir sehen was genau Du Dir vorstellst und ob es funktioniert?
Michael B. schrieb: > Na ja, ein Transistortester könnte ermitteln, wie hoch die > Widerstandswerte sind, in dem er die B-E-Strecke vorwärts und rückwärts > misst. Das könnte etwas mühselig werden. Die Vorwärtsrichtung nützt IMHO wenig, weil die BE-Strecke parallel liegen. Außerdem kommt man von außen nicht an den Knotenpunkt mit der Basis des zweiten Transistors ran. Wie hast du dir die Bestimmung der beiden Widerstandswerte konkret vorgestellt?
Rainer W. schrieb: > Wie hast du dir die Bestimmung der beiden Widerstandswerte konkret > vorgestellt? Es ist irrelevant, ob man die Einzelwerte kennt, der Widerstand am ersten Transistors ist sowieso viel höher. Man bekommt durch Rückwärtsmessung den Widerstandssummenwert, wenn man genug Strom fliessen lassen kann dass Leckströme egal werden. z.B. 5V und 8.12k macht 615uA, da fallen 3uA IBEreverse nicht auf. Dann misst man vorwärts und unter 100uA macht 0.81V fliessen die ganzen 100uA durch die Widerstände ab, dann beginnen die BE-Strecken Strom zu übernehmen, 200uA macht nicht 1.62V sondern vielleicht 1.2V weil 148uA durch die Widerstände abfliessen und nur 52uA stromverstärkend durch den Transistor gehen. Was bei beta 1000 zu 52mA IC führen würde. Schon ist man realistisch genauer als die 260 die sich ohne Betrachtung der Widerstände ergeben würde.
Alexander S. schrieb: > Dokumentation zum Transistortester Die meisten haben doch nur für 12...15€ eine chin.Leiterplatte mit Zif-Sockel und einer LCD-Anzeige als Transistortester und kein luxeriöses Gerät mit einer Dokumentation dazu... Hier auch mal ein Beispiel eines Transistormodules aus einem 20KW Frequenzumrichters um zum verdeutlichen das auch die Dioden als seperate Chips auf dem beschichteten Keramikträger aufgelötet sind. Rechts sind die 6 Dioden zur Gleichrichtung des Drehstromes aufgebracht und links die 6 N-Channal Mosfets zur Generierung des neuen Drehstromes mit je einer Leistungsdiode im Anhang. Mittig ist der verbrannte Mosfet zur Abbremsung des Motors und unten links ein 1KOhm Thermistor zur Temperaturmessung. Da die Transistoren im ca.1kHz Takt vollständig ein und ausgeschaltet werden und nur durch verschiedene ein/aus Zeiten den neuen Drehstrom lastmäßig nachbilden, ist die Verlustleistung auf die reine Schaltzeit begrenzt und so gering, das dieses kleine Modul für diese Leistung ausreichend ist. Im eingeschalteten Zustand sind es nur Milliohm, also sogut wie keinen Widerstand und damit auch kaum Verlustleistung die sich in Wärme auswirkt. Original wird das Modul von oben mit Bronzefedern die in einer beigen Plastikhaube sitzen kontaktiert (zum Teil verbrannte Spuren -die Lötpunkte hab ich zum Basteln aufgebracht) Jetzt brauch ich nur noch jemand der mir verrät wie ich das original-Riesenbild löschen kann - die 2 verkleinerten Bilder sind hier bestimmt ausreichend, das große hat leider keine höhere Auflösung...
:
Bearbeitet durch User
Roland H. schrieb: > Jetzt brauch ich nur noch jemand der mir verrät wie ich das > original-Riesenbild löschen kann Durch Meldung an einen Moderator.
Ich bin neu in dieses Forum eingestiegen und ging nicht davon aus, schon einen Beitrag senden zu müssen. Aber nun habe ich diesen Thread "Darlington Transistoren mit internen Widerständen" gefunden und mir eure Kommentare zu diesem Thread angesehen. Also, da möchte ich doch noch meine eigenen Erfahrungen mit Darlington Transistoren, ob nun als einzelnes Bauelement oder in diskretem Aufbau, darlegen wollen. Ich hatte mir mal einen einfachen Transistortester zugelegt, weil ich auf einen Blick alle wichtigen Kenndaten eines Bauelements sofort angezeigt bekomme. Bei einem Darlington-Transistor hingegen werden in der Tat recht irreführende Kenndaten herausgegeben. Auch ein Datenblatt hilft mir da beim Kleinsignalverhalten eines Darlington nicht wirklich weiter. Das größte Problem bei einem Darlington-Transistor ist bei mir tatsächlich der Kollektorstrom des Endleistungstransistors, der schon bei geringen Basisströmen am Eingang eine Erwärmung der K-E-Strecke des Endleistungstransistors verursacht, die diesen Kollektorstrom unkontrolliert immer mehr anwachsen lässt. Darum kam ich bei mir nicht umhin, das Verhalten eines Darlington-Transistors in einer real aufgebauten Schaltung zu beobachten. Erst bei dieser realen Schaltung kann ich Maßnahmen zur Stabilisierung des Kollektorstroms ergreifen.
Michael H. schrieb: > Das größte Problem bei einem Darlington-Transistor ist bei mir > tatsächlich der Kollektorstrom des Endleistungstransistors, der schon > bei geringen Basisströmen am Eingang eine Erwärmung der K-E-Strecke des > Endleistungstransistors verursacht, die diesen Kollektorstrom > unkontrolliert immer mehr anwachsen lässt. Um dieses Problem zu umgehen, muss der Transistortester dafür sorgen, dass die Verlustleistung nur über kurze Zeit ansteht. Die Messdauer für so eine Messung kann unterhalb einer Millisekunde liegen. Durch eine langsame Messfolge lässt sich die mittlere thermische Belastung dann ganz kräftig reduzieren.
Also, mein Multifunktionstester von Joy-It kann die wirklichen Kenndaten eines Darlington-Transistors nicht wiedegeben. Er zeigt mir irgendwas an, nur nicht den tatsächlichen Befund eines Darlington-Transistors. Auch im Datenblatt des Beispieltransistors, hier ein NTE2349 npn, finde ich nur rudimentäre Angaben zu den tatsächlich vorhandenen Daten dieses Beispiel-Transistors wieder. Ich habe mal einen von mir fertig entwickelten Schaltungsauszug von meinem Tongenerator, der hier nur mit einer Signalfrequenz von 440 Hz ( entspricht dem Kammerton a) arbeitet, in diesen Thread hochgeladen. Hier sind die Endleistungstransistoren BD239C und BD240C zwar keine Darlington-Transistoren, aber das Prinzip des unkontrollierten Ic-Zuwachses konnte ich auch bei dieser Gegentaktschaltung im B-Betrieb nur auf der Eingangsseite des Transistors lösen. Hier bediente ich mich einem Heißleiter, dessen anfänglicher Widerstandswert dem Widerstandswert des parallelgeschalteten Festwiderstands etwa gleichgroß sein sollte. Das wäre eine von vielen Maßnahmen zur Stabilisierung des Kollektorstroms. Es gibt auch andere. Aber letztendlich komme hier um den Aufbau einer reellen Schaltung nicht herum.
Michael H. schrieb: > Auch im Datenblatt des Beispieltransistors, hier ein NTE2349 npn, finde > ich nur rudimentäre Angaben zu den tatsächlich vorhandenen Daten dieses > Beispiel-Transistors wieder. Siehe MJ11032G.
H. H. schrieb:
> Siehe MJ11032G.
Recht herzlichen Dank H. H. für das ausführliche Datenblatt des
Vergleichstyps MJ11032 von ON Semiconductor. Hier sind wirklich all die
relevanten Daten dieses Transistortyps zumindest einsehbar.
Jetzt muß nur noch Roland H. einen praktikablen Transistortester für ein
Darlington-Transistor, der auch aus einem FET oder MOSFET bestehen kann,
konstruieren, dann kann auch ein Darlington praxisgerecht schnell mal
getestet werden, wenn man ihn braucht.
:
Bearbeitet durch User
Michael H. schrieb: > Recht herzlichen Dank H. H. für das ausführliche Datenblatt des > Vergleichstyps MJ11032 von ON Semiconductor. Andersrum!
Michael H. schrieb: > Also, mein Multifunktionstester von Joy-It kann die wirklichen Kenndaten > eines Darlington-Transistors nicht wiedegeben. Der Transistortester https://www.mikrocontroller.net/articles/AVR_Transistortester basiert auf einem ATmega-Mikrocontroller der mit 5 V betrieben wird und typischerweise Ströme im Bereich von mA steuert. Auch wenn während der Entwicklung die Grenzen, von dem was er messen kann, immer weiter verschoben wurden, ist er nicht für Leistungstransistoren mit V_CE0 = 120 V und I_C = 50 A gedacht. In der Basisvariante kann er nur Spannungen bis 5 V an die Pins anlegen und Spannungen an den externen Widerständen bis 5 V messen und daraus den Strom ableiten.
Danke Alexander S. für deinen Einwand auf diesen Multifunktionstester von Joy-It. Da ich die Elektronik ja nur im Hobby-Bereich betreibe, habe ich mich für eine kostengünstige Testgerätsvariante der wichtigsten Komponenten im Bereiche der herkömmlichen Bauelemente entschieden. Die Firma Joy-It sagt ja selber zu sich, dass das LCR-T7 kein professionelles Messgerät sei und aufgrund der Vielzahl von verschiedenen Bauteilen auf dem Markt, nicht garantiert werden kann, dass alle Bauteile korrekt erkannt werden. Doch für meine amateurhaften, hausgebräuchlichen Anwendungen war es bisher allemal völlig ausreichend. Für Kapazitäten und Induktivitäten nutze ich eh das LCR Meter LCR 200 von der Firma Extech. Es lag vor einigen Jahren mit 250€ zwischen den recht billigen 20€-Geräten und den LCR-Metern im Werte von 5000€ so dazwischen. Vor allem legte ich Wert darauf, dass die Messfrequenz variabel an das Meßobjekt mehr oder weniger angepasst werden kann und dieses Meßgerät kann es, zumindest bis 100kHz.
Hier noch ein paar Antworten für die nicht so versierten Bastler. Da günstige "Transistormeßgeräte" für normale Klein-Transistoren völlig ausreichende Ergebnisse liefern jedoch bei Leistungs- und Darlington-Transistoren mit integrierten Widerständen rätselhafte Werte ausgeben, ist eine kleine Meßschaltung sinnvoll. Wenn das "Gerät" bereits die wichtigsten Werte anzeigt, wie 1=E 2=C 3=B ist schon viel gewonnen. Wichtig ist auch Ube=1,28V was auf 2 Basis-Emitter Strecken hinweist und den Darlington-Transistor entlarvt. Ein Hfe Wert unter 200 ist bei einem Darlington unrealistisch und verrät die integrierten Widerstände. Der integrierte Gesamtwiderstand ist leicht mit einen DVM zu ermitteln, da die Meßspannungen weit unter der Flußspannung liegt (Sicherheitshalber die Polarität wechseln). Bei diesen Meß-(Prüf-) Schaltungen sind analoge Meßwerke vorteilhaft, da die Wertänderungen viel einfacher wahrgenommen werden können. Günstige 10€ Meßgeräte aus Fernost sind für diese Zwecke auch völlig ausreichend. Der einfache Aufbau besteht nur aus den 2 Meßwerken, einem Schutzwiderstend (hier Glühbirne 12V, 10W), den Potentiometer (ca.200kOhm) + 10kOhm Widerstand um das Poti und die Basis zu schützen (die Widerstandswerte bei Leistungstransistoren verringern bis die nötigen Ströme erreicht werden). Bei einem Mosfet das Poti als Spannungsteiler zwischen + und - schalten um den Schwellwert des Transistors zu ermitteln + die Spannung am Gate messen. Da die meisten Mosfets am Gate +,- 20V verkraften ist bei 12V kein Schaden zu erwarten. Nach dem einsetzen des Transistors und dem anbringen eines Kühlkörpers!!! dreht man am Poti langsam und beobachtet die steigenden Ströme. Hier ist bei etwa 120µA eine Schwelle wo der Kollektorstrom schlagartig zunimmt und bereits bei 150µA leuchtet die 10W Glühlampe mit voller Helligkeit. Also sind aufgrund der internen Widerstände 120µA notwendig um die 1,28V Flußspannung der 2 Basis-Emitter-Strecken zu erreichen. Bei PNP-Transistoren einfach die Speisespannung und die Meßwerke umpolen. Wer dieses System genauer untersuchen möchte kann dazu auch eine Schaltung aus einzelnen Transistoren mit und ohne Widerstände aufbauen.
:
Bearbeitet durch User
Apropos Kühlkörper! Ich habe mir für meine experimentellen Aufbauten mit Leistungshalbleiter dafür extra Kühlkörper mit einem Wärmewiderstand von 2 bis 3 K/W auf 2mm starke Aluminiumplatten angefertigt. So kann ich wahlweise ein TO-220- oder TO-3-Gehäuse provisorisch daran befestigen. Diese Experimentier-Kühlkörper habe ich mir paarweise angefertigt. Einmal für einen NPN, bzw. N-Kanal und auch für einen PNP, bzw. P-Kanal-Leistungshalbleiter. Nur so als Tipp...
Da dieser Beitrag offensichtlich auch Einsteiger anspricht hier ein paar Tips. Wie bereits erwähnt habe ich einem Zeilentrafo aus einen alten DDR-Röhren-TV diesen 30mm großen 1MOhm Widerstand enttnommen und nutze ihn gern für Meßzwecke. Diese ZIF-Sockel sind ideal für viele Testverdrahtungen. Dazu ist eine kleine Leiterplatte mit Lötösen vorteilhaft. Die Leiterzüge sind nur mittels eines Hartmetallsplitters vom Dreher (an einen alten Schraubenzieher mit Messinglot befestigt) eingekratzt. Die 2,2mm Ösen werden mit 2x3mm Hohlnieten und einem Dorn festgekloppt und verlötet. So wiederstehen sie jahrzehnte jeglicher Belastung. Als Universalkühlkörper großer Leistung eignet sich dieser hier sehr gut. Durch die 4mm Schraube und M6 Flügelmutter kann er viele Teile schnell einklemmen - auch Leiterplatten zum entlöten...
:
Bearbeitet durch User
Da der gezeigte Kühlkörper aus einer deff. Kransteuerung kaum verfügbar ist, hier ein bezahlbarer Halbleiterrelais-Kühlkörper ähnlicher Größe.
Roland H. Schrieb:
> Als Universalkühlkörper großer Leistung eignet sich dieser hier sehr
gut.
Das ist für mich alles sehr interessant und wirklich einige Anregungen
wert. Allerdings fand ich leider nirgendswo eine Angabe des
Wärmewiderstandes zu deinem dargestellten Strangkühlkörper. Lediglich
die Firma Fischer elektronik zeigt in ihrem Datenblatt seiner ähnlichen,
aber teureren, Strangkühlkörper einen Rth von 1,3 K/W beginnend bis 0,6
K/W.
Ich werde mir auf jeden Fall deinen dargestellten Kühlkörper für dieses
kleine Geld zulegen. Doch muss ich dir ganz ehrlich gestehen, ein
Einsteiger sollte nicht am Anfang seiner Basteleien mit so großen
Strömen einfach mal so rumhantieren. Selbst ein Praktiker sollte schon
wissen, was er da tut. Die herkömmlichen Steckbretter sind ja eh nur bis
max. 2A belastbar und schon ab 3A oder 4A kann es bei falscher Polung
schon mal ordentlich rumsen und sogar einen Brand verursachen. Also, man
muss schon wissen, was man da tut.
Früher hat zum Messen ein Multimeter gereicht. Einfach die positive Strippe an den Emmiter und die negative an Basis legen und schazen, wieviel Kiloohm angezeigt werden. Die nächst kleineren oder besser den halben Wert nimmst du als Basiswiderstand und fertig. Manchmal muss es heute immer alles komplizierter sein als einfach.
Alex schrieb: > Früher hat zum Messen ein Multimeter gereicht. Einfach die positive > Strippe an den Emmiter und die negative an Basis legen und schazen, > wieviel Kiloohm angezeigt werden. Die nächst kleineren oder besser den > halben Wert nimmst du als Basiswiderstand und fertig. Was für ein Schwachsinn. > Manchmal muss es > heute immer alles komplizierter sein als einfach. Nimm einen Faustkeil.
Alex schrieb: > schazen, > wieviel Kiloohm angezeigt werden. Die nächst kleineren oder besse Wozu denn überhaupt noch messen, wenn ich am Ende eh schätzen soll, was das Messgerät anzeigt?
Michael H. schrieb: > ein > Einsteiger sollte nicht am Anfang seiner Basteleien mit so großen > Strömen einfach mal so rumhantieren Ich freue mich rießig hier so ein reges Interesse vorzufinden. Jedoch irritiert es mich immer wieder was man alles nicht machen sollte. Als ich Ende der 60ger in unseren Schuppen die ersten Lichtleitungen verlegte um den Schraubstock in einer dunklen Niesche zu beleuchten war ich gerade mal 10 und hab die Energie des Netzes einige male zu spüren bekommen. Da ich immer noch lebe hat es mir nicht geschadet und ich wurde Elektromonteur. Als Lehrling wickelte ich diesen Leuchtreklametrafo in einen Basteltrafo um. Damit ich alle gewünschten Spannungen nutzen kann hab ich getrennte Wicklungen mit 0,5V + 1V + 2V + 4V + 8V + 16V + 32V + 64V + 128V + 256V, die an Bananenbuchsen endeten, aufgebracht. Diese konnte ich mit kurzen Verbindungen nach Bedarf zusammenstöpseln und hatte so alle Spannungen bis 512V verfügbar. Später mußte ich jedoch schmerzlich feststellen das man sorgsam mit seinen Spielzeug umgehen sollte. So ärgerte mich ein Einstellwiderstand wegen seines Wackelkontaktes derart, das ich ihn mit 512V killte und vergaß danach das zurückstöpseln auf 12V. Aufgrund der damals üblichen Selengleichrichter schob ich also den ersten Bananenstecker auf seinen Wechselstromanschluß und beim 2.Stecker packte mich jemand im Genick und riß mich zu Boden. Als mir bewußt wurde das ich am Strom hing versuchte ich mit den Füßen die Stecker aus der Buchsenleiste herauszutreten. Der 2.Tritt gelang und ich war ein paar Sekunden Ohnmächtig. Minuten später schlich ich zu meinen Eltern in die Küche - Mutti hatte zuvor zum Kaffeetrinken gerufen. "Junge, was hast du gemacht" war ihr erster Kommentar "du bist ja ganz weiß im Gesicht". Am nächsten Tag fuhr ich 30km mit dem Moped zur SPM-Prüfung und ging anschließend zum Doc, der mich 1 Woche beurlaubte. Danach war ich vorsichtiger und hab seitdem nur noch 1 Schlag bekommen - Der Mensch lernt nicht durch Verbote sondern durch Erlebnisse... Später machte ich den Meister für Elektronik und hab noch viele Jahre Turmdrehkrane repariert.
:
Bearbeitet durch User
Roland H. schrieb: > ich gerade mal 10 und hab die Energie des Netzes einige male zu spüren > bekommen. Da ich immer noch lebe hat es mir nicht geschadet und ich > wurde Elektromonteur. Ja, so hatte wohl jeder früher oder später seine Erfahrungen mit dem elektrischen Strom machen müssen. Ich habe auch in meiner frühen Jugendzeit und im späteren Berufsleben meine Erfahrungen mit elektrischen Spannungen und Strömen machen müssen. Das fing mit einem 9V-Block an, den man mit seiner Zunge auf genügend Spannung hin überprüfte, bis hin zu einem langen Schraubendreherschaft, der sich mit einem lauten Knall irgendwo im Nirwana verflüchtigte, weil ich im früheren Wählersaal, wo ich als Fernmeldetechniker für die Telefonwähler (noch alte Relaistechnik) tätig war, mit einem großen Schraubendreher einen Kurzschluß, genau zwischen den beiden großen, rechteckigen Spannungsanschlüssen zum Wählersaal hin, bildete. Und gerade in diesem Bereich gibt es aber noch keine Sicherung. In der großen 60V-Bleibatterie im Keller des Hauses sind wohl nur lediglich einige Schwefelsäureblasen nach oben gestiegen, denn aus dieser Batterie hätte eine unzählig grosse Strommenge nachgeliefert werden können, ohne dass die Batterie davon hätte Schaden nehem können. Naja, usw. Aber wie erfahre ich nun den Wärmewiderstand deines preiswerten Kühlkörpers?
Michael H. schrieb: > Aber wie erfahre ich nun den Wärmewiderstand deines preiswerten > Kühlkörpers? Einen vergleichbaren Kühlkörper findet man mit Daten in Google Bilder: https://de.asenergi.com/products/heatsink-stud/o231.html
> Einfach die positive Strippe an den Emmiter und die negative > an Basis legen und schazen, wieviel Kiloohm angezeigt werden. > Die nächst kleineren oder besser den > halben Wert nimmst du als Basiswiderstand und fertig. > Manchmal muss es heute immer alles komplizierter sein als einfach. Damit ist wieder einmal belegt : "Wir" brauchen jede Menge Fachkräfte/Innen etc.! Egal woher, und ziemlich egal, wofür. SCNR (Geschrieben von jemandem, der vor x-Jahren Transistorendstufen für 1000 A baute...)
:
Bearbeitet durch User
Danke Roland H., perfekt. Ein wirklich sehr interessantes Teil...
J. T. schrieb: > Wozu denn überhaupt noch messen, wenn ich am Ende eh schätzen soll, was > das Messgerät anzeigt? Aus Sicht eines Statistikers ist jede Messung eine Schätzung des wahren Wertes. Alex schrieb: > Früher hat zum Messen ein Multimeter gereicht. Einfach die positive > Strippe an den Emmiter und die negative an Basis legen und schazen, > wieviel Kiloohm angezeigt werden. Früher (tm) hat man auch noch gelernt, so einen doch eher übersichtlichen Satz halbwegs unfallfrei zu verewigen ;-)
Rainer W. schrieb: > Aus Sicht eines Statistikers ist jede Messung eine Schätzung des wahren > Wertes. Aber der nimmt ja die Schätzung des Meßgerätes statt einer eigenen, gerade damit er jegliche Schuld von sich weisen, ER hätte falsch geschätzt
Roland H. schrieb: > Damit ich alle gewünschten Spannungen nutzen kann hab ich getrennte > Wicklungen mit 0,5V + 1V + 2V + 4V + 8V + 16V + 32V + 64V + 128V + 256V, > die an Bananenbuchsen endeten, aufgebracht. > [...] und hatte so alle Spannungen > bis 512V verfügbar Michael H. schrieb: > mit einem großen Schraubendreher einen Kurzschluß,[...] > In der großen 60V-Bleibatterie [...] sind wohl nur > lediglich einige Schwefelsäureblasen nach oben gestiegen, denn aus > dieser Batterie hätte eine unzählig grosse Strommenge nachgeliefert > werden können Bei "Alaskian Bush People" machten die so ähnliche Sachen.
:
Bearbeitet durch User
Martin L. schrieb: > Bei "Alaskian Bush People" machten die so ähnliche Sachen. Das gabs damals noch nicht, zudem versteh ich kein Wort - gibts das auch in deutsch?
H. H. schrieb: > Alex schrieb: >> Früher hat zum Messen ein Multimeter gereicht. Einfach die positive >> Strippe an den Emmiter und die negative an Basis legen und schauen, >> wieviel Kiloohm angezeigt werden. Die nächst kleineren oder besser den >> halben Wert nimmst du als Basiswiderstand und fertig. > > Was für ein Schwachsinn. > >> Manchmal muss es >> heute immer alles komplizierter sein als einfach. > > Nimm einen Faustkeil. Uwe schrieb: > Damit ist wieder einmal belegt : > "Wir" brauchen jede Menge Fachkräfte/Innen etc.! > Egal woher, und ziemlich egal, wofür. SCNR > > (Geschrieben von jemandem, der vor x-Jahren Transistorendstufen > für 1000 A baute...) Ein jeder ULN2803 ist seit Jahrzehnten so aufgebaut. Also kein Schwachsinn. Vielleicht können manche nicht mehr mit Multimetern umgehen? Geschrieben von jemanden, der nicht nur Einfache Sachen nachbaut sondern auch langlebige und Hochwertige Geräte erstellt und konstruiert.
Alex schrieb: > Ein jeder ULN2803 ist so aufgebaut. Leider treiben seine 8 Transistoren je nur 0.5A, alle zusammen max. 2,5A, was ihn zwar für vieles nutzbar macht (die 50V sind schon mächtig gewaltig) doch oft sind 3A und mehr erforderlich, was ihn dann doch überfordert. Zudem ist es meist einfacher einen 3-Beiner unterzubringen als diese ganzen Löcher...
Alex schrieb: > Ein jeder ULN2803 ist seit Jahrzehnten so aufgebaut. Also kein > Schwachsinn. Na ja. Man kann das zwar noch schlechter aufbauen. Aber nicht viel schlechter. Diese ULNxxx mit Darlington-Stufen sind ein Kompromiß. In der Realität würde man auf die Darlingtons eher verzichten wollen, weil die zu viel Sättigungsspannung haben. Das erhöht die Verlustleistung unnötig und geht auch von der Spannung für die Last ab. Dazu braucht man allerdings eine separate Versorgungsspannung. Und dafür haben zumindest die ULNxxx mit npn-Ausgang keinen Pin.
Alex schrieb: > Ein jeder ULN2803 ist seit Jahrzehnten so aufgebaut. Genau das ist das Problem, das "seit Jahrzehnten". Inzwischen sind MOSFETs weit verbreitet, mit denen es überhaupt kein Problem ist, auch Ströme von 3A leistungslos zu schalten. Axel S. schrieb: > Und dafür haben zumindest die ULNxxx mit npn-Ausgang keinen Pin. Insbesondere wird sich so ein Standard DIL-Gehäuse bedanken, wenn da eine Verlustleistung von etwa 8W drin frei wird, ganz abgesehen von einer Strombelastung von 24A (=8*3A) auf dem gemeinsamen Pin.
:
Bearbeitet durch User
Rainer W. schrieb: > Verlustleistung von etwa 8W drin frei wird, ganz abgesehen von einer > Strombelastung von 24A (=8*3A) auf dem gemeinsamen Pin. Was sind das für Werte? Der Maximalstrom ist 0,5A je Ausgang, jedoch nur max. 2,5A je Chip, das macht bei der verbleibenden UCE Spannung von 1,5V bei max. Strom = 3,75 Watt. Fraglich ist noch wie lange diese Leistung abgeführt werden kann und wie effektiv Leiterflächen zur Kühlung beitragen können...
Rainer W. schrieb: > Alex schrieb: >> Ein jeder ULN2803 ist seit Jahrzehnten so aufgebaut. > > Genau das ist das Problem, das "seit Jahrzehnten". Inzwischen sind > MOSFETs weit verbreitet, mit denen es überhaupt kein Problem ist, auch > Ströme von 3A leistungslos zu schalten. Richtig. Und weil der R_ds_on nur ein paar mΩ beträgt, ist auch die Verlustleistung sehr gering. Bei 20mΩ z.B. nur 180mW bei 3A. Das wären knapp 1.5W für 8 Stufen. Kein Problem für ein DIP-18. Allerdings sind die 3A oder gar 24A ein bißchen viel für einen einzelnen Pin. Aber in der Tat gibt es eine MOSFET-Variante des ULN2003, den ULN2003LV. Der braucht bloß 0.4V wenn er durchschaltet und kann 140mA pro Kanal bei 5V Ansteuerung (oder 100mA bei 3.3V). > Axel S. schrieb: >> Und dafür haben zumindest die ULNxxx mit npn-Ausgang keinen Pin. > > Insbesondere wird sich so ein Standard DIL-Gehäuse bedanken, wenn da > eine Verlustleistung von etwa 8W drin frei wird, ganz abgesehen von > einer Strombelastung von 24A (=8*3A) auf dem gemeinsamen Pin. Klar. Aber in der Praxis braucht man nicht unbedingt alle 7 (oder 8) Kanäle zur gleichen Zeit. Die bis zu 1.5V U_ce_sat ist da ein größeres Hindernis. Wenn die Last gegen +5V geschaltet wird, sind das immerhin 30% die am Treiber abfallen und der Last fehlen.
Roland H. schrieb: > Was sind das für Werte? Der Maximalstrom ist 0,5A je Ausgang ... Die Zahlen stammten von dir. Was dabei "oft" bedeutet, liegt natürlich im Auge des Betrachters. Roland H. schrieb: > ... doch oft sind 3A und mehr erforderlich, was ihn dann doch > überfordert.
:
Bearbeitet durch User
Bitte melde dich an um einen Beitrag zu schreiben. Anmeldung ist kostenlos und dauert nur eine Minute.
Bestehender Account
Schon ein Account bei Google/GoogleMail? Keine Anmeldung erforderlich!
Mit Google-Account einloggen
Mit Google-Account einloggen
Noch kein Account? Hier anmelden.
























