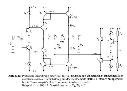
Hey Leute, habe eine Rail-to-Rail Enstufe aus dem Tietze/Schenk (Seite 540) simuliert. Dabei habe ich den rechten Teil der Schaltung, da er nur ein Nullpotential beisteuert, vernachlässigt und R2 geerdet. Mir ist bewusst, dass dies zu einer Abweichung/Fehler des Ausgangsverhaltens führt…dies soll in diesen Fall jedoch ausnahmsweise mal nicht berücksichtigt werden. Für Uc/-Uc habe ich 2V/-2V gewählt. Bei der Simulation konnte ich erkennen das sich die Ausgangsspannung gut dem Rail der Betriebsspannung von +5V nähert. Jedoch ist auch bei größeren (auch negativen) Schrittweiten/Parametergrenzen der Eingangspannung Ue nicht zu erkennen, dass sich die Ausgangsspannung dem unteren Rail von -5V nähert? Eigentlich müsste die Ausgangspannung doch auf -5V gezogen werden, wenn im oberen Strompfad (Q5 &Q6) Basisstrom fließt und der untere stromlos (Q7 & Q8) ist?. Vielen Dank!
Peter schrieb: > unteren Rail von -5V nähert? Eigentlich müsste die Ausgangspannung doch > auf -5V gezogen werden, wenn im oberen Strompfad (Q5 &Q6) Basisstrom > fließt und der untere stromlos (Q7 & Q8) ist?. Vielen Dank! Der untere Rail hat aber keine -5V, sondern +5V ... (oder steht da ein Minus davor?)
:
Bearbeitet durch User
Jens G. schrieb: > oder steht da ein Minus davor? Man kann es zwar kaum erkennen, aber es steht ein relativ unleserliches Minuszeichen davor.
Jens G. schrieb: > Der untere Rail hat aber keine -5V, sondern +5V ... > (oder steht da ein Minus davor?) SYMBOL voltage 128 816 R0 SYMATTR InstName V4 SYMATTR Value -5 SYMBOL voltage 416 816 R0 SYMATTR InstName V5 SYMATTR Value -5 SYMBOL voltage 768 816 R0 SYMATTR InstName V6 SYMATTR Value -5
Bernhard schrieb: > Mit Q5 = BC547B kann's nicht funktionieren. Da hat er sich ja ein dolles Ei ins Nest gelegt.
Bernhard schrieb: > Mit Q5 = BC547B kann's nicht funktionieren. > Bernhard Doch es kann funktionieren, der TE hat nur die Polaritäten von V4, V5 und V6 vertauscht! Wenn der Schaltplan nicht so klein gezeichnet worden wäre, dann könnte man das sogar erkennen!
Marcel V. schrieb: > Bernhard schrieb: >> Mit Q5 = BC547B kann's nicht funktionieren. > > Doch es kann funktionieren, der TE hat nur die Polaritäten von V4, V5 > und V6 vertauscht! Nein.
Hat schon jemand "Bitte das JPG-Format nur für Fotos und Scans verwenden! Zeichnungen und Screenshots im PNG- oder GIF-Format hochladen" angemerkt? LG, Sebastian
Auszug aus der Netzliste (.net):
1 | V4 N007 0 -5 |
2 | V5 N008 0 -5 |
3 | V6 N009 0 -5 |
Das hatte H. H. auch schon aus der .asc-Datei gepostet, ist also keine neue Erkenntnis. Bernhard
Hans W. schrieb: > Marcel V. schrieb: >>> Nein. >> >> Doch! > > Oh https://youtu.be/e-iD-u9uhgU?si=f54VyQOyLqOIXPAy Dann schau dir doch mal den Originalschaltplam an, da wird Q5 als T8 bezeichnet und ist ebenfalls ein NPN-Transistor! Im Plan vom TE muss Q8 Q5 heißen und Q5 Q3 und die Bezeichnung BC547 (NPN) bei Q5 (Q3) vor der Änderung von Q8 in Q5 BC557 (PNP) geändert werden. Das klingt erstmal verwirrend, aber am besten ist es, wenn man den gesamten Schaltplan noch mal in Anlehnung an den Originalschaltplan richtig neu zeichnet, damit keine Mischverständnisse mehr auftreten!
Hier ist der Originalplan aus dem ersten Post von Peter (david_h88) in bessere Auflösung (und etwas anderen Farben)
Marcel V. schrieb: > Das klingt erstmal verwirrend, Weil es von dir verzapfter Unsinn ist. Halt einfach die Finger still.
H. H. schrieb: > Halt einfach die Finger still. Du kannst dir vorm Zug schon mal eins grundsätzlich merken, ich halte die Finger genau dann still, wenn ICH das will und außerdem meine ich mit "Originalschaltplan" den Schaltplan aus dem Tietze Schenk im zweiten Beitrag!
:
Bearbeitet durch User
Marcel V. schrieb: > Dann schau dir doch mal den Originalschaltplam an, da wird Q5 als T8 > bezeichnet und ist ebenfalls ein NPN-Transistor! In meinem T&S (12. Auflage) wird Q5 als T13 bezeichnet und ist – so, wie es auch sein soll – ein PNP-Transistor. Was Bernhard geschrieben hat, ist richtig. Der TE hat für Q5 zwar das richtige Symbol gewählt, aber versehentlich den falschen Typ eingetragen. Wird das korrigiert, liefert die Simulation das erwartete Ergebnis. Edit: Den Schaltplan im zweiten Beitrag habe ich mir erst jetzt angeschaut. Er entspricht doch (bis auch die Nummerierung der Bauteile) genau dem Schaltplan in der Simulation. Q5 in der Simulation entspricht dabei T5 im T&S. Wie kommst du auf T8?
:
Bearbeitet durch Moderator
Beitrag #8028905 wurde vom Autor gelöscht.
So sieht bei mir die SPICE netlist aus, die dem eigentlichen Simulator übergeben wird:
1 | * ...\RailtoRailEndstufe.asc |
2 | Q2 Uc N005 InQ3I4 0 BC547B |
3 | Q4 N003 InQ1Q4 InQ3R1 0 BC547B |
4 | I1 N004 InQ1Q4 100µ |
5 | R1 Ua InQ3R1 1Meg |
6 | R2 0 InQ3R1 1k |
7 | Q7 N006 N006 N008 0 BC547B |
8 | Q8 Ua N006 N009 0 BC547B |
9 | V1 N004 0 5 |
10 | V2 N001 0 5 |
11 | V3 N002 0 5 |
12 | I4 InQ3I4 N007 100µ |
13 | V4 N007 0 -5 |
14 | V5 N008 0 -5 |
15 | V6 N009 0 -5 |
16 | V§Ue N005 0 {Ueval}
|
17 | V7 Uc 0 2 |
18 | V8 -Uc 0 -2 |
19 | Q3 N006 InQ3I4 InQ3R1 0 BC557B |
20 | Q1 -Uc N005 InQ1Q4 0 BC557B |
21 | Q6 Ua N003 N002 0 BC557B |
22 | Q5 N003 N003 N001 0 BC547B |
23 | .model NPN NPN |
24 | .model PNP PNP |
25 | .lib C:\Users\...\AppData\Local\LTspice\lib\cmp\standard.bjt |
26 | .tran 3 |
27 | .step param Ueval -2 2 0.4 |
28 | .backanno |
29 | .end |
Die Netzwerk-Knoten "N001" usw. sind nicht benannte Knoten, deren Namen werden beim Start erzeugt, die können sich ändern. "..." habe ich geändert. Bernhard
Bernhard schrieb: > So sieht bei mir die SPICE netlist aus, die dem eigentlichen > Simulator > übergeben wird: Schon klar, aber es hätte ja die eine Zeile gereicht: > Q5 N003 N003 N001 0 BC547B
H. H. schrieb: > ... hätte ja die eine Zeile gereicht: Auch klar. Es gab auch Fragen zu anderen Bauteilen. 29 Zeilen sind noch kein Roman, das kann ich der hiesigen Leserschaft hoffentlich noch zumuten. ;-) Bernhard
Bitte melde dich an um einen Beitrag zu schreiben. Anmeldung ist kostenlos und dauert nur eine Minute.
Bestehender Account
Schon ein Account bei Google/GoogleMail? Keine Anmeldung erforderlich!
Mit Google-Account einloggen
Mit Google-Account einloggen
Noch kein Account? Hier anmelden.





