Hallo! Ich habe in den letzten Tagen endlich mal ein Projekt fertiggestellt. Bei (unserem) "Bauhaus" gibt es momentan für EUR 9,95 ein Funkschalterset mit 3 Funksteckdosen und einer Fernbedienung. Ich habe diese Fernbedienung analysiert, auseinander gelötet, die nötigen Teile auf eine Lochrasterplatine gebaut und das Ganze mit einem ATMega16 angesteuert. Falls jemand Lust hat das Ganze nachzubauen, dann gibt es hier meine Projektbeschreibung inklusive Schaltplänen und Source Code: http://www.thomaskropf.at/funkset.php Ich hoffe es ist für jemanden von Nutzen. MfG, Thomas
Sehr nettes Projekt. Bin mir sicher der Mikrocontroller könnte auch die Funktionen des LP801B übernehmen.
Ja, die Idee hatte ich auch schon. Allerdings sind für mich die Daten die der LP801B ausgibt etwas "undurchsichtig" mit dem analogen Oszilloskop :(
kannst du deinen AVR nicht so einstellen, dass er kontinuierlich den LP801B etwas senden lässt und dann das scope so einstellen, dass du das ganze Telegramm auf den Schirm hast?
Mehr oder weniger. Ich hab das schon so versucht aber ich glaube ich sehe nicht die ganze Nachricht. Noch dazu "flimmert" es öfters und ich kann nicht sagen was da passiert.
Hallo Thomas, auch Dein Beamer ist sehr interessant... Gruß Otto
Hehe. Leider nicht mehr in dieser Form existent. Der TFT ist wieder zurückgebaut worden (ich könnte jetzt nie mehr ohne 2. Bildschirm arbeiten) in die ursprüngliche Form und der Overheadprojektor ist jetzt ein Staubfänger.
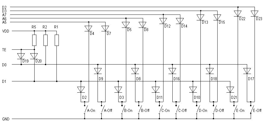
Hallo Thomas, ich habe mich mit den Steckdosen vor einiger Zeit auch beschäftigt. Die Schaltung des Senders habe ich allerdings nicht aufgenommen. Die von Dir benutzte Technik dazu gefällt mir. Im Schaltplan hast Du die Teile ähnlich der Lage im Layout gezeichnet. Ich habe die Diodenmatrix in der anliegenden Datei einmal entflochten. Dabei sieht man sehr schön, wie die verschiedenen Signale codiert werden. Ich bin bei der Optimierung noch einen Schritt weiter gegangen und habe auch das Ansteuer-IC in den Atmel übernommen. Dadurch brauche ich nur noch eine Leitung zur Senderansteuerung. Details findest Du hier: http://avr.xn--brke-5qa.de/Funksteckdosen.htm Gruß Joachim
Ich hab auch noch was anzumerken. Erst mal super Projekte! Aber zu den Funksteckdosen. Ich hab mir auch die Teile (Sender hat 3x2 Taster) wie hier zu sehn http://mitglied.lycos.de/madmax3333/ gekauft, aber ich bin nicht besonders von der Qualität überzeugt. 1. kann man bei denen nur 12 Kanäle einstellen, 2. sobald ein Stroboskop funk gesteuert wird, kriegst den Schalter nimmer aus und 3. hab ich schon öfter Störungen gehabt (also ging richtig weder an noch aus, auch bei anderem Kanal; nur bei 5m Entfernung) Und bevor diese 3 Tücken nicht überwunden sind, bringt mir die Funksteuerung über den PC wenig. (Man kann sich ja nie sicher sein, ob jetzt die Lampe sicher an oder aus ist.) Wie seht ihr die Sachlage?
@Joachim Börke: Sehr interessant! Vielleicht hätte ich hier im Forum fragen sollen bevor ich selbst Arbeit reinstecke :) Lustig finde ich deine blauen Balken auf den Bildern die "Unitec" verdecken obwohl der Link auf deiner Seite "Funksteckdosen Unitec" heißt. Hehe. Welche "anliegende Datei" meinst du eigentlich? Ich habe echt lange versucht das Ganze zu entwirren. Leider ohne Erfolg :( MfG, Thomas
Diese Datei sollte es sein... Mit den Balken verdecke ich die Bildmarke Unitec. ... damit niemand auf dumme Gedanken kommt. Die Kanäle kann man so ändern, dass andere Fernsteuerungen nicht mehr darauf einstellbar sind. (Statt "0" und "F" eine "1" einbauen; das gibt es sonst nur beim Türgong) Das mit dem Stroboskop kann ich mir gut vorstellen. Der Empfänger wird dabei sicher von den Störungen zugestopft. Die Qualität könnte besser sein, ist m.E. aber dem Preis angemessen. Gruß Joachim
Ah danke, so ist der Schaltplan wirklich wunderschön und übersichtlich!
liebe Leute, Hat jemand die Schaltung der EMPFÄNGER-Steckdosen aufgenommen? Ich steuere damit meine Warmwasser-Umwälzpumpe an und möchte vor das Relais noch ein Timer IC reinbauen, damit die Pumpe nach ein paar Minuten wieder ausgeht von alleine. Da wäre die Schaltung hilfreich. viele Grüße und danke schonmal, Schwipp PS: das Set kostet bei Bahr 16 Euro kostet
Hallo Schwipp, die Schaltung für die Funksteckdose hab ich noch nicht gesehen. Deine Aufgabenstellung sollte sich aber auch mit dem IC-Datenblatt http://www.princeton.com.tw/webSite/downloadprocess/downloadfile.asp?mydownload=PT2272_1.pdf und einigen Messungen einfach lösen lassen. Gruß Joachim
Hallo, das ist ja toll... Ich habe div. Signale mit dem Oszi aufgezeichnet und hier steht schon alles drin ;-) Hat zufällig schon mal jemand das Signal vom Empfänger mit einem µC "zerlegt"? Ich möchte meinen Dimmer damit ansteuern und jetzt muss ich immer einmal mit der Fernbedienung "EIN" und einmal wieder "AUS" schalten. Also genau genommen möchte ich eine Relais was solange angezogen ist, wie ich die Taste drücke(weil der Dimmer auch solage dimmt). Hat jemand eine Idee, oder das schonmal versucht?! Tobias
Meinst du einen eigenen Empfänger gebaut ? Das habe ich gemacht, da die orginalen beim Einschalten von nicht ohmschen Verbrauchern nicht richtig funktionieren.
ja, so zu sagen. also ich habe einen 433MHz Empfänger und möchte die Signale mit einem µC auswerten. Auf dem Oszi kann man die Signale schon sehr schön sehen(wie in der Beschreibung weiter oben). Ich hatte so an einen Atmel 2313 oder so gedacht schön wäre es in Basic :-) Kann man das eigendlich mit der Seriellen Schnittstelle eines Atmels verarbeiten oder bringt das keinen vorteil zum normalen binär/digitaleingang? Tobias
Ich habe bei einem Empfänger das orginale IC rausgeschmissen und einen tiny2313 stattessen eingebaut. Das ganze läuft mit internem Takt und über den INT Pin. Es wird jedweils die Dauer eines Pegels gemessen und daraus dann eine übetragene 1 oder 0 bestimmt. Aus diesen Daten wird der entsprechende Kanal (A-E) herausgesucht und die Aktion (an/aus). Wenn 5x derselbe Befehl empfangen wurde, wird geschaltet. Die Software ist weder ordentlich geschrieben, noch sauber dokumentiert. Sie läuft aber bei mir, und zwar besser als der orginale Empfänger.
Atmel - sehr schön! und in welcher Sprache? Basic? :-) Hast du den Ausgang speichernd oder tastend gemacht(warscheinlich speichernd)? Wenn du so nett wärest und mir das Prog. zukommen lassen würdest (würde mich sehr, sehr freuen) würde ich das auf tastend ändern, um meinen Dimmer damit anzusteuern.
Er hat das Programm doch eh angehängt. Die Endung .c lässt dabei auf die Programmiersprache C schließen ;)
uups, das hab ich irgendwie übersehen - sorry... Dan versuche ich mal das ganze in basic umzusetzen - leider habe ich von C überhaupt keine Ahnung... @Benedikt wie lang ist denn ein kurzes / langes Signal? Tobias
Gemessen habe ich 0,35ms für die kurzen Impulse und 1,1s für das lange (3x so lang wie das kurze). Laut Datenblatt sollten es 0,4ms und 1,2ms sein.
ah ha. Also messe ich sobald ein Impuls kommt. Wenn der Impuls da ist messe ich für wie lange. Danach messe ich die Pause. Dann muss der µC ja irgendwo speichern wie lang das Signal gewesen ist, bevor er das nächste misst oder? und das mit allen Signalen bis 32 voll sind - und dann wird ausgewertet - oder wie hast du das gemacht? Tobias
Hallo, ich hoffe hier ließt noch einer mit und kann mir weiterhelfen. Ich habe auch ein solches Funkschalterset (OCSM GmbH) und würde gern sowohl an den Empfänger als auch an den Sender einen µC anschließen (ich benötige eigentlich nur den Funkteil. In meinem Empfänger befindet sich ein LP802B-L2 als Decoderbaustein. Leider finde ich nirgends eine Beschreibung zu diesem IC. Hat eventuell jemand einen Tipp für mich wo ich ein Datasheet von diesem IC her bekomme bzw. zu welchem IC dieser kompatibel ist? Danke. Sven
Natürlich liest das hier noch jemand. Man kann ja Themen abonnieren :) Ich weiß nicht ob ich dir damit weiterhelfen kann aber auf der Projektseite auf meiner Homepage (Link ganz oben) gibt es dann ganz unten das chinesische Datenblatt. Vielleicht nützt dir das ja was. MfG, Thomas
Hm, z. Teil kann man es ja sogar lesen ;-) Schade das die meisten Schaltungen so unscharf sind. Ich würde gern die 4 Ausgänge D0-D3 noch irgendwie nutzen. Falls du da noch einen Tipp hättest, wie man das anstellen kann, vorallem was gesendet werden muß, damit diese Ausgänge ein oder ausgeschaltet werden können. In den Funksteckdosen sind diese Ausgänge allerdings mit den DIP-Schaltern verbunden. Das verstehe ich nicht. Wie kann ich denn D0-D3 als Ausgänge und nicht als Eingänge nutzen? Wie schaltet man das um? Wäre schon toll, wenn man mit einem Empfänger mehrere Verbraucher schalten könnte. Gruß Sven PS: Hat eigentlich jemand inzwischen die Schaltung für die Steckdosen gefunden / gezeichnet? Stutzig macht mich, das 24V Relais. Ich dachte die Schaltung läuft auf 12V...
Herrlich, ich hab den Tread aufmerksam gelesen und bin doch begeistert das es scheinbar nochmehr verrückte wie mich gibt :) Ich hab das Set auch durch Zufall in die Finger bekommen und von den 3 Empfängern funzen nur 2.... des weiteren hat ja die Fernbedienung 5 Kanäle(5*2Taster) und nicht wie einmal bemerkt nur 3*2Taster was ja die Nutzung der Kanäle 4 und 5 ausschließt bei nur 3 mitgelieferten Empfängern nun ist meine Frage(entschuldigt wenn es sich wiederholt:) ): hat sich schon jemand die Mühe gemacht den Empfänger aufzunehmen.....? würde mir sehr dabei helfen erstmal den 3. wieder in Gang zu kriegen bevor ich mir überhaupt Gedanken mache den Kanal D & E anderweitig zu nutzen grüße Eddy
Hallo Eddy, erst mal vorweg: - 230V ist lebensgefährlich - soweit ich weiß ist das Set vom Markt, weil die Relais abbrennen können -und dein Haus auch!!! soweit so gut... Mein Set (Steckdose) war auch defekt und der Fehler war eine fehlerhafte Lötung am IC Es gibt genügend infos wenn du bei google den IC Namen ( 2262 oder 2272) eingibst ;-) bisher habe ich nur asiatische Datenblätter gefunden :-( Einen Schaltplan, Bilder, Info´s gibt es hier (bis ja nicht der erste) http://iow.wagner-ibw.de/rfctrl.html gruß, Tobi
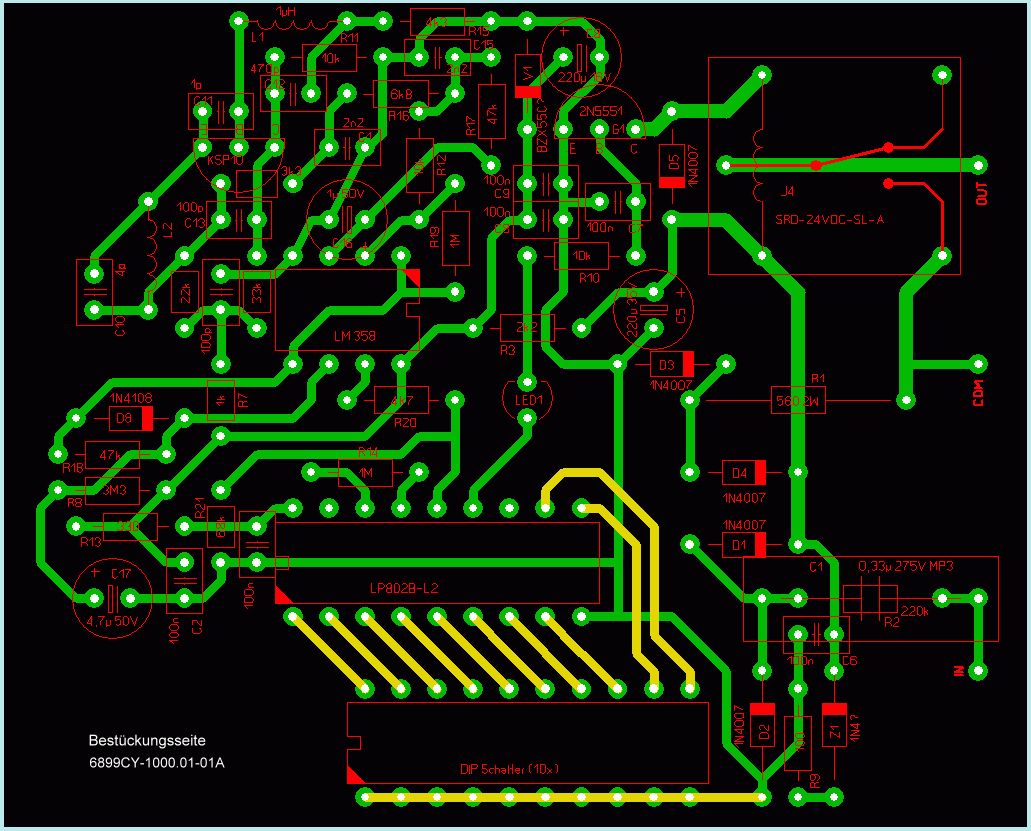
Hallo, zu den Problemen mit diesem Funkschalterset gibt es auch bei Reichelt eine Produktwarnung. Allerdings steht dort auch, dass bei Maximallast Verfärbungen am Relais aufgetreten sind und in einem Fall unter Laborbedingungen der Schalter anfing zu brennen. Man könnte das Relais ja auch durch ein haltbareres ersetzten. Eigentlich hatte ich auch nur vor, den Funkteil zu benutzen. Schaltungen zum Schalter hab ich bis jetzt noch keine gefunden. Deshalb habe ich mich mal hingesetzt und mit Sprint-Layout die Platine abgezeichnet (allerdings ohne Beschriftung). Eventuell hat ja jemand Lust einen Schaltplan daraus zu machen. Gruß Sven
Es gibt ja noch das Funksystem FS20 von ELV. Das ist immerhin teurer, aber dafür genauso billig zusammengeschustert und gehört meiner Meinung nach auch verboten. Bei zwei von drei Schaltern mußte ich nachlöten weil die Lötstellen gebrochen waren. Auf der Platine ist eine Drossel die mit einem Tropfen Heisskleber 'gesichert' sein soll, hält aber nicht und die Drossel wackelt. Ein Kühlkörper ist nur 1-2 mm von anderen Drähten entfernt. Ich habe jetzt aber ein ähnliches Projekt angefangen, ich möchte eine Medion-FB zum PC einschalten nutzen. Als Funkempfänger nehme ich ein RFM12 Modul. Das ist dafür eigentlich überdimensioniert, aber billig zu bekommen (billiger als die 433Mhz Empfängermodule von C oder anderen). Ein paar Codesquenzen habe ich schon aufgenommen, aber noch nicht vollständig dekodiert. Die Codes von der Medion X10 sehen nicht so aus wie die in Dokumenten die ich bisher über X10 RF finden konnten. Die 21 Bits werden 'falschrum' mit LSB zuerst übertragen wie es aussieht, am Ende finde ich einen 4-Bit Device oder Hauscode. Die Prüfsumme ist offensichtlich auch nicht einfach ein Paritybit. Falls hier jemand sowas schonmal dekodiert hat darf er gerne Tipps geben.
ja - da muss ich zustimmen, die RFM01/02/12 sollen sehr gut sein! Bei Pollin.de zb. für 4,95/4,95/7,95Euro und das ist mitABSTAND das günstigste an Funkmodulen die ich gesehen habe! (Hab mich aber noch nicht mit beschäftigt, weil mir das Projekt und die Zeit fehlt...) Tobi
bei Pollin gibt es ein Datenblatt als PDF und noch einen Programmcode in "C" zum testen - wers kann...
Also erstmal noch einen Dank @Tobiasblome Nett das du dich um mich sorgst aber ich hab zwei Berufsausbildungen. Elektronik und Elektrotechnik und arbeite so ziemlich jeden Tag mit Drehstrom also sei dir versichert das ich weis das der Strom zurückbeißt. Des weiteren weiß ich auch wo ich benötigte Datasheetes herzauber was nicht das eigendliche Problem war. Ich dachte lediglich das eventuell schon irgendjemand hier den Schaltplan des Layouts aufgenommen hat und ich mir damit ein paar Minuten spare aber ds Layout an sich ist ja auch schonmal ein Vortschritt. Jepp-mittlerweise Tipp ich auch auf die Verbindungen des IC_'s wobei es scheinbar die Brücken sind die den DIP Schalter anbinden die vom Layout her scheiße geätzt sind den der dritte Empfänger hat dort schon von Werk her Drahtbrücken. Zu den Relais....auch nochmal ein Dank aber zu diesem Zwecke ist ja bei den immernoch verkauften Empfängern die Sicherung von 2 KW Last auf 1KW Last dezimiert worden. Und da ich auch lediglich vorhatte mit dem Relais einen Triac zu zündeln dürfte mich die Leistungsgrenze des Relais auch nicht wirklich stören.... Des weiteren ist es ja auch eine Sache der Selbstverständlichkeit das selbst umgebaute Schaltungen erstmal ne ganze Weile getestet werden sollten bevor man ihnen die Chance gibt die Hütte zu entfachen :) Okay...den ans Werk und wenn ich aus dem Teil etwas schlauer bin geb ich mal nochmal n Statement....:) greetzzzz
@Sven Stefan Danke fürs Layout...... ABER kuck mal den Elko links unten im Layout ;) VERPOLT ! sonst hab ich erstmal nix dran auszusetzten :)
Nix verpolt. Der Elko ist genau so bei mir auf die Platine gelötet. Minus des Elkos zeigt Richtung dem Kondensator rechts neben ihm und ist mit diesem Kondensator verbunden (siehe Foto). Wäre natürlich toll wenn noch jemand die Werte ermitteln könnte und einen Stromlaufplan zeichnet. Gruß Sven
Hab mich nun heute doch noch hingesetzt und versucht die Werte der Bauelemente zu ermitteln. Hoffe es soweit richtig erkannt zu haben. Die Dioden kann ich nur zum Teil lesen. Eventuell schaut ja noch mal einer drüber und vergleicht mit seinem Schalter. Wenn soweit alles richtig ist, sollte sich daraus eine Schaltung zeichnen lassen. Bis die Tage Sven
Kuckst du nochmal aufs erste Layout http://www.mikrocontroller.net/attachment/30608/Funkschalter.GIF siehst du das das - links ist auf deinem 2. Layout ist es rechts also wa er verpolt aber da er nu richtigrum sitzt wolln wir mal net so spitzfindig sein :) greetz und weiteres frohet schaffen
Also wenn es darum geht, dass man mir Fehler vorwirft, welche ich
definitiv nicht gemacht habe, dann bin ich schon sehr spitzfindig...
Der Elko zeigt auf beiden Bildern zur selben Seite!!! Das ist daran zu
erkennen, dass der Minuspool des Elkos (das ist die schwarze
durchgehende Linie im Symbol) auf beiden Bildern nach rechts zeigt und
der Pluspool (das ist das Rechteck im Symbol) nach Links. Außerdem kann
es gar keinen Unterschied geben, da ich den Elko nicht verändert habe.
Es könnte allerdings sein, das dein Bildschirm das Plussymbol ("+") als
Minussymbol ("-") anzeigt. Genau diesen Effekt hatte ich heut auf Arbeit
auch, als ich dort das Bild mir noch einmal anschaute.
Aber nichts für ungut. Wir wollen ja nicht spitzfindig sein ;-)
Gruß
Sven
Sven Stefan wrote: > Es könnte allerdings sein, das dein Bildschirm das Plussymbol ("+") als > Minussymbol ("-") anzeigt. Genau diesen Effekt hatte ich heut auf Arbeit > auch, als ich dort das Bild mir noch einmal anschaute. Ich vermute jetzt mal ihr (oder derjenige bei dem ein "-" zu sehen ist) verwendet den IE, dieser skaliert das Bild (schlecht) runter weil es zu groß ist fürs Fenster und ihr seht ein "-" statt einem "+" :) Wenn ich im Opera die Darstellung verkleinere (Text und Bild wird verkleinert), dann schaut das "+" auch fast wie ein "-" aus. MfG, Thomas
Also Thomas hats aufgeklärt! Ich benutze den IE7 und es liegt wirklchan der Skalierung weil wenn ich vergrößer mit der Lupe wird's ein Plus dann ist der Elko C12 richtig! aber wenn du den Pluspol kennzeichnest was glaube von der Norm abweicht da sonst überall Minus gekennzeichnet ist den sind dummerweise alle anderen Elkos verpolt. Will hier keinem zu nahe rücken aber ich hab doch die Platine vor mir uffm Tisch:) na unseren jetzigen Erkenntissen ist dann C12 korrekt gepolt ABER C10 hat -links c11 hat Minus links und C4 hat - oben ......bei mir(von oben nach unten im Layout/Orginal Printbezeichnung) wie seht ihr das ? grüße v eddy
Stop C11 ist auch richtig weil du + rechts angibst und minus links.... verpolt sind also laut bestückter platine nurnoch der oberste und der mittelste (C10+C4)
Also irgendwie scheinen wir unterschiedliche Platinen zu haben. C11 und C10 sind beides Scheibenkondensatoren und haben logischerweise keine Polarität. Ein C4 kann ich bei mir nicht finden. Allerdings kann ich bei einigen Bauteilen die Beschriftung nicht erkennen, da dort Heißkleber aufgetragen ist. Die Elkos heißen: C8, C16, C5 und C17 (von oben nach unten, wenn rechts oben das Relais liegt) und sind ALLE richtig gepolt! So wie ich es im Layout gezeichnet habe, so sind die Elkos auch auf der Platine. Beweis siehe Foto. Das bei den Elko-Symbolen fälschlicherweise der Pluspol und nicht der Minuspol gezeichnet ist, ist eine Eigenheit von Sprintlayout 4.0. In der Bibliothek sind bei den Elkos die Pluspole gekennzeichnet und nicht die Minuspole. Dies allerdings auf der richtigen Seite (also die Seite mit dem hohlen Rechteck im Symbol). Aber ich denke, wir können die Diskussion über die Richtigkeit meiner Zeichnung an dieser Stelle beenden. Ich habe die Platine vor mir liegen, ca. 15 Fotos davon gemacht und sie bestimmt schon 10 mal mit meinem Layout verglichen. Das Layout stimmt und hat keine Fehler! Schade nur, dass zwar viel Energie in den Beweis gesetzt wird, mir meine angeblichen Fehler nachzuweisen, aber niemand sich die Mühe macht aus dem Layout mal einen Schaltplan zu zeichnen. Aber naja, wenn ich mal Lust und Zeit habe, werde ich wohl auch noch den Schaltplan zeichnen. Im Moment ist mir der Funkempfänger aber nicht ganz so wichtig. Schönen Tag noch Sven
=== ACHTUNG === Der verwendete Funkempfänger ist möglicherweise gefährlich. Beachtet in diesem Zusammenhang die Produktwarnung (auf z.B. Reichelt): http://www.reichelt.de/?;ACTION=70;LA=0;PAGE=80#name2 === ACHTUNG ===
Vielleicht ist es mir möglich, einen älteren Thread wieder zum Leben zu erwecken. Da bei mir mehrere Funksteckdosen defekt sind, habe ich die Beiträge aufmerksam gelesen. Insbesondere hat mich das Platinen-Layout interessiert, aus dem ich das Schaltbild erstellt habe. Dabei sind mir ein paar Fehler im Layout aufgefallen: - Es fehlt die Masseverbindung zum Anschluss 4 des LM358 - Beim Transistor 2N5551 sind Collektor und Emitter vertauscht. - Der Widerstand R20 hat nicht 47 kOhm, sondern 4,7 kOhm. Das geänderte Layout hänge ich an.
Hallo Ich habe bei mir noch ein paar steckdosen bei mir herumliegen und wollte fragen ob jemand weiß wie man das umlöten kann um eine 12V batterie oder dgl anzuschließen MFG Christoph
also wenn ich dich richtig verstanden habe, möchtest du die Steckdose nicht 230V sondern 12V betreiben und dann nur den Relaisausgang verwenden?! Dann musst du ein bisschen Ahnung haben und nachsehen, welche Spannung benötigt wird. z.b. was da für ein Trafo drin ist.... IC-Spannung? Tobias
Guten Abend, vielleicht liest das ja noch jmd. hier. Also wie ich den Sender in der Fernbedienung auch ohne den Encoder (also nur via Atmel & ULN-Treiberstufe) benutze ist mir mittlerweile klar. Mein Plan ist es aber nicht die Funksteckdosen als Aktoren zu benutzen, sondern ein Temperatursignal via Funk zu einer "Basisstation" zu übertragen. Soweit so gut. Ich werde also das Temp-Signal A/D wandeln und möchte das Ganze nun senden, was ja mit dem Sendemodul aus der FB möglich sein sollte. Nun will ich aber nicht das FB-Protokoll benutzen, sondern Daten übertragen. Also muss ein anderer Empfänger her, oder? Benedikt hat geschrieben, dass er sich einen eigenen Empfänger gebastelt hat, ohne den LP802B, in dem er die Pulse so ausgewertet hat. Aber wie kommen die Signale in den Atmel? Brauche ich da noch ein Empfängermodul oder eine Antenne oder wie läuft das? Vielen Dank schonmal im Voraus für Eure Hilfe! Gruß Raimund
naja so wie du den Encoder aus der FB nimmst und durch einen µC ersetzt, musst du natürlich den Decoder aus der Steckdose entfernen und auch durch einen µC ersetzen :-) oder hab ich etwas missverstanden? Tobias
@Tobias: So hätte ich das auch verstanden. @Raimund: Die Frage ist, ob sich so ein Aufwand noch lohnt, wenn man bei Pollin schon um 5 Euro Funk-Transceiver-Module bekommt!? http://www.pollin.de/shop/dt/MDU5OTgxOTk-/Bausaetze/Diverse/Funkmodul_RFM12_433_Sende_Empfangsmodul.html
Da haben wir wohl aneinander vorbeigeredet. In der FB ist das Sendemodul, was ich durch den Atmel speisen wollte (ohne Encoder). In der Steckdose ist der Decoder, aber wo ist die Antenne bzw. das Empfangsmodul? Meine Theorie ist ja, das die Spule und einer oder mehrere der C´s einen Schwingkreis bilden und das Ganze dann durch den LM358 verstärkt auf den Antennen-Eingang des LP802b gelangt. Ich bin grade dabei die Schaltung aufzudröseln, aber wenn jmd. aus dem Layout (ein paar Beiträge vorher) schon einen Schaltplan gemacht hätte würde das die Ganze Sache natürlich beschleunigen. @ Thomas: Natürlich gibt es auch fertige Module, aber 1. Basteln macht Spaß! 2. Hab ich die Funkteile hier noch so ungenutzt rumzufliegen. 3. Reicht das Ganze auch für meine Zwecke, ich brauche keine schnelle Datenübertragung, mir reicht es wenn jede Minute mal ein Messwert kommt. Prinzipiell hab ich mir das so geadcht, dass auf der Sendeseite ein über den A/D-Wandler eingelesener Messwert in 12 bit (Pulse) transferriert wird und diese dann übertagen werden. Die Empfängerseite wertet das dann aus und ich weiß ob ich morgen früh doch lieber eine Jacke anziehen sollt ;-)
Hallo! Bei mir ist auch eine der Funksteckdosen kaputt gegangen. Hab die dann auseinander gebaut und vermute, dass das Relais hinüber ist. Bevor ich jetzt ein neues kaufe, wollte ich erstmal ins Datenblatt gucken, damit ich auch die richtige Größe kaufe etc.. Finde nur kein Datenblatt des Relais. Hat jemand eine Idee, wo es das geben könnte?
Anbei die Schaltung zu dem oben wiedergegebenen Layout. Die im Layout fehlenden Bezugszeichen wurden mit 100-er Nummern ersetzt. Das Fußbild des KSP10 ist im Layout falsch wiedergegeben. (Soll: von links nach rechts: CEB) Gruß Joachim
@JoachimB! Super, nun kann ich endlich daran gehen und versuchen, daraus einen Timer zu bauen für meine Umwälzpumpe...DANKE für den Schaltplan. Schwipp
Nachteil dieser Steckdosen ist auch, dass immer nur ein Zustand pro Empfänger übertragen wird, d.h. wenn ich in einem Empfangsgerät mehrere Zustände schalten will, dann brauche ich auch mehrere Dekoder-ICs. Ich habe nach einer Möglichkeit gesucht, zwei oder mehrere Antennenumschalter anzusteuern, und das ganze mit einer Fernbedienung und EINEM HT12D. Die ganzen Mehrkanalschaltungen die man so findet, sind alle 1 aus n Schaltungen, wo mit jedem neuen Zustand alle anderen zurückgesetzt werden, man kann also z.B. nur einen Antennenschalter bedienen. Eine Fernbedienung laut Matrix.gif (siehe weiter oben) läßt sich so umbauen, dass man 4 Relais unabhängig ein/ausschalten kann, mit einem weiteren Umschalter kann man mit den selben Tasten weitere 4 Relais schalten. Jeder Tastendruck erzeugt eine 2 Bit Adresse (der Umschalter gibt ein 3.Bit dazu) und den Zustand 0 oder 1 an der LSB Datenleitung. Als Dekoder braucht man dann einen HT12D mit 4 Bit Datenausgang und einen 3 to 8 Dekoder mit Latches und man hat 8 Kanäle.
Korrektur: der Zusatzwiderstand gehört nach D2 und der Schalter nach D3
Bitte melde dich an um einen Beitrag zu schreiben. Anmeldung ist kostenlos und dauert nur eine Minute.
Bestehender Account
Schon ein Account bei Google/GoogleMail? Keine Anmeldung erforderlich!
Mit Google-Account einloggen
Mit Google-Account einloggen
Noch kein Account? Hier anmelden.





