Hallo, ich wollte eine Phasenanschnittsteuerung bauen und bin dabei auf folgendes Problem gestoßen: Wenn ich einen Triac direkt über den MC ansteuern will, so habe ich ja kein gemeinsames GND auf das sich die Gatespannung beziehen kann. Die Schaltung im Anhang sollte das Problem veranschaulichen. Natürlich ist sie noch nicht vollständig verschalten, wie z.B die Controllerversorgung und die Verstärkerstufe vor dem Gate...
Achtung! Hier ist der Kontroller über das Gate mit der Starkstromseite verbunden. Auf jeden Fall muss ein Optokoppler zwischen Starkstromseite (Triac) und Kleinspannungsseite (Kontroller) geschaltet werden.
Ich kenne IGBTs, jedoch sind diese soweit ich weis nicht optisch entkoppelt und nicht geeignet um Wechselstrom zu schalten.
Ich will ja damit sowohl die positive, als auch die negative Halbwelle anschneiden. Außerdem löst ein IGBT das Proiblem auch nicht, dass das Steuersignal vom MC eine anderes GND wie die Lastseite des Triacs hat.
Joachim wrote: > Gib es solche Opto Triacs auch für höhere Ströme ? ?? der MOC3022 dient nur zur Ansteuerung des Lastttriacs, wie gesagt siehe Datenblatt (Anwendungsbeispiele) Jürgen
Joachim wrote: > Gib es solche Opto Triacs auch für höhere Ströme ? Dirk Hofmann wrote: > Ja man nennt sie IGBTs, Schau mal unter IGBT bei Wikipedia Was soll denn der Schwachsinn ? Ein IGBT ist nichts anderes als ein Darlingtontransistor mit Mosfet als erster Transistor. Der ist nicht galvanisch getrennt und hat komplett andere Eigenschaften als ein Triac !
Zunächst mal, darf der Laststrom auf keinen Fall über den PE geführt werden!!! Verbindung mit dem Starkstromnetz darf nur innerhalb schutzisolierter Geräte bestehen, so ist die Schaltung grob fahrlässig. Bei Triacs muss man für einen Schaltungsvorschlag schon wissen, ob die Last induktiv oder Ohm'sch ist und um welchen Leistungsbereich es sich handelt. Sonst erzählt man sowieso nur Nebel.
Aber sicher gibts sowas für höhere Ströme z.B. von Sharp S202S11F kann 8A hat optokoppler eingebaut und kein ZeroCrossDetection ist also für Phasenanschnitt geeignet und im SIP4 Gehäuse
> Bei Triacs muss man für einen Schaltungsvorschlag schon wissen, ob die Last induktiv oder Ohm'sch ist und um welchen Leistungsbereich es sich handelt. Ich will damit ein Schaltnetzteil mit 12V Halogenlampen dimmen. Ich weis zwar nicht, wie groß die Induktivität in solchen Lampen ist, ich denke aber, man kann dabei von einer fast rein ohmschen Last ausgehen. Da der Zündimpuls sowieso maximal 100° verspätet gegeben wird und ich auch relativ lange Impulse nutze, werde ich hier wohl keine Probleme begekommen. Der MOC3023 ( http://www.ortodoxism.ro/datasheets/QT/MOC3021.pdf ) schafft 3A. Diesen könnte man doch direkt an der Lastseite betreiben ? Bei meinem Schaltnetzteil mit 110W würden eh nur effektiv ca. 0,5 A fließen.
Schaltnetzteil dimmen? Wenn ich nicht falsch informiert bin, takten Schaltnetzteile eigene Leistungsschalter, um die Eingangsspannung zu reduzieren/erhöhen und schieben dann den Strom durch kleine Drosseln (Stichwort: Buck- und Boostkonverter). Wenn du dem Netzteil jetzt ne phasenangeschnittene Spannung lieferst, dürfte das Teil nicht mehr richtig funktionieren. Sicher, dass es kein Trafo ist? Die meisten 12V Halogenlampensysteme haben nen kleinen Trafo. Allerdings haben die heutzutage auch schon meist eine Art Softstartfunktion, sodass das mit der Leistungsregelung auf der Primärseite auch nicht so doll ist. Bau dir deine Anschnittssteuerung lieber auf die sekundäre Seite - ist sowieso sicherer, als mit 230V rumzuspielen :)
Schaltnetzteile sind in dieser Hinsicht "unberechenbar". Angenommen dein Schaltnetzteil hat primär einen Brückengleichrichter und ein Siebelko, dann könntest du die Phase mikrokontollergesteuert am Schluss anschneiden und bis zum Nulldurchgang nutzen. Damit könnte man die zugeführte Eingangsspannung regeln. Ich nehme an dein Schaltnetzteil spielt ab einer gewissen Spannung nicht mehr mit oder fängt an zu flattern, auf jeden Fall ist das "Stress". Für Halogenlampen gibt es Schaltnetzteile, die dimmbar sind. Entweder haben sie die Elektronik zum Dimmen mit drauf oder sie sind schaltungstechnisch für externes Dimmen geeignet. Bei den Schaltnetzteilen für Halogenlampen hat es sich meiner Erfahrung nach immer gelohnt einen Fachhandel aufzusuchen. Die Geräte bieten oft wesentlich mehr fürs Geld. Beispielsweise bekommt man Extras wie Dimmbarkeit ohne Aufpreis. Die Module sind wesentlich kleiner und robuster. Der Gegensatz sind Baumärkte, obwohl es da sicher auch Ausnahmen gibt. Aus meiner Sicht ist ein dimmbares Schaltnetzteil für deinen Fall die zuverlässigste Lösung.
Die Halogenlampen sollen in Abhängigkeit von einem Sensorwert gedimmt werden. Habe mich leider vertan. Ich rede natürlich von einem el. Trafo, der für Phasenanschnittsteuerung geeignet ist. Ich habe zurzeit eine Dimmung auf der 12 V Seite aufgebaut, allerdings funktioniert das nur mit einem konventionellen Trafo und nicht mit einem el. geregelten. Dummerweise habe ich es hier mit hohen Strömen zu tun, die mit meine Bauteile sehr warm werden lassen. Was ich eben abschließend noch fragen wollte, ob ich mit dem MOC3023 ( http://www.ortodoxism.ro/datasheets/QT/MOC3021.pdf ) direkt die Netzspannung anschneiden kann. Der schafft eben 3A und bei einem 100W Trafo fließen maximal 0,5 A.
moc3023 kann nur einen Dauerstrom von ca 100..200mA Die 3A sind nur nicht wiederholend zulässig, also entweder optotriac zb Sharp S202T01F oder externen Triac und moc.
Ich sehe gerade mit Grauen das Schaltbild und das sagt mir, das du von Starkstrom keine Ahnung hast. Lass besser die Finger davon. PE ist die Schutzerde und hat IN einer Schaltung überhaupt nichts verloren. Das Gate kann man induktiv oder optisch ansteuern, wie hier auch schon Vorschläge gemacht wurden.
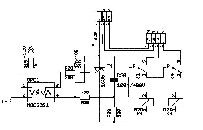
Triac-Ansteueurung!!!! Ich habe das Problem, dass R39 regelmäßig kaputt geht???? Es ist äußerlich nichts zu erkennen (nicht schwarz z.B.). Er hat dann statt 100 Ohm unendlich Ohm, scheint also innerlich zu reißen. Angesteuert wird ein Motor in Steinmetzschaltung. Das Richtungsrelais zieht ca. 300ms vorher, bevor über den Optokoppler der Triac einschaltet. Am R39 habe ich im Moment des Einschaltens für ca. 200 NANO-Sekunden Impulse von teilweise bis zu 2500V. Könnte das die Ursache sein? Habe schon extra einen Widerstand lt. Datenblatt mit 750V Betriebsspannung benutzt. Offenbar noch zu wenig, oder anderer (Denk-) Fehler? Gibt es denn Widertsände mit hoher Spannungsfestigkeit und trotzdem halbwegs kleiner Bauform? In allen möglichen Beiträgen, Applikationen etc. wird NIE auf eine zu beachtende Spannungsfestigkeit des Widerstands hingewiesen. Kann jemand helfen? Danke, Bernd
Danke für den Tipp mir R40. Wo ist denn mein Schaltungsdetail (hier ist R39 eingezeichnet)?
Hallo wie hast du die Impulse gemessen. 200ns kann ich mir an der Stelle nicht erklären, schon garnicht bei 2,5 KV. Die Spannungsfestigkeit eines Widerstandes ist für den Entwickler ganz sicher ein Kriterium. Er sollte wissen welche Spannung wo anliegt und entsprechend dimensionieren. Was bedeutet bei dir regelmäßig. Alle paar Wochen, jeder 2te Schaltvorgang? Ist die Last groß genug für den Haltestrom des Triacs?
Bernd Ickert schrieb: > Angesteuert wird > ein Motor in Steinmetzschaltung. Welche Leistung? Bernd Ickert schrieb: > Am R39 habe > ich im Moment des Einschaltens für ca. 200 NANO-Sekunden Impulse von > teilweise bis zu 2500V. Könnte das die Ursache sein? Ironie an Ne, bestimmt nicht... das wäre völlig abwägig! Ironie aus - gerd
Bernd Ickert schrieb: > Gibt es denn Widertsände mit hoher Spannungsfestigkeit und trotzdem > halbwegs kleiner Bauform? Gibts: http://de.farnell.com/jsp/search/browse.jsp?N=1000106+5403621+5403218+6352259+5403221+5403399+6352279+5403323+6352296+6012517+5403462+5403405+5403472+5403509+5403554+5403094+6352204+5403169+5403234+5403243+5403342+5403442+5403481+5403524+5403575+5403316&No=0&getResults=true&appliedparametrics=true&locale=de_DE&catalogId=&prevNValues=1000106&filtersHidden=false&appliedHidden=false&originalQueryURL=%2Fjsp%2Fsearch%2Fbrowse.jsp%3FN%3D1000106%26No%3D0%26getResults%3Dtrue%26appliedparametrics%3Dtrue%26locale%3Dde_DE%26catalogId%3D%26prevNValues%3D1000106 - gerd
Danke für die vielen Hinweise. Hatte vergessen bei meiner Frage, ob es Hochspannungswiderstände gibt, hinzuzufügen: Bezahlbar. War schon bei farnell, na Danke. Gehe aber gleich noch mal dem Link von Gerd nach - Danke! Habe die 200ns natürlich mit dem Osszi gemessen. Es ist ein 750W Drehstrommotor, also eigentlich lächerlich. Bei mir auf dem Labortisch fällt "natürlich" gar nichts aus, aber von den ca. 200 Geräten "draußen" gehen alle ca. 5-20 Tage mal einer kaputt, eben dieser Widerstand. Bin echt ratlos! Messung mit Ossi: Betrieb des Gerätes mit Trenntrafo, GND Osszi an unteres Ende von R39 (siehe Schaltbild).
Könnte mir vorstellen, dass dir eine Induktionsspannung im Ausschaltmoment den Widerstand durchhaut. - gerd
Könnte mir vorstellen, dass dir eine Induktionsspannung im Ausschaltmoment den Widerstand durchhaut. So was könnte es sein, allerdings treten diese Impulse NUR im Einschaltmoment auf. Ich habe mal jetzt ganz mutig eine Überspannungsschutzdiode parallel zu R39 geschaltet (P6KE 6,8A). Das scheint der Funktion nicht zu stören. Anbei mal 2 Osszillogramme, einmal vorher, einmal nachher (Ohne_, Mit_Diode). Deutliche Unterschiede. Die Impulse sind mal negativ, mal positiv. Hier z.B. bei "Ohne_Diode" negativ und knapp 2000V groß (Messkopf 1:10). Schade, dass niemand den absoluten "AHA-Effekt" hat. Das Problem ist nämlich, ich kann nicht ewig probieren, bis die nächsten Geräte ausfallen, dann wieder was neues probieren...
Hallo was da schwingt weiß ich auch nicht. Könnte es sein, das dein Scope den Teiler erkennt und richtig anzeigt? 200V gibt mit 100R 2A, könnte der Zündstrom sein.
Ist mir eigentlich auch alles klar, kenne auch das ohmsche Gesetz, hilft mir aber alles nicht wirklich weiter. An Fehler beim Messen habe ich auch schon gedacht, bleibt aber trotzdem die Frage, warum geht der Widerstand kaputt??? Die hohen Impulse (wenn der Osszi nicht lügt) wären wenigstens eine Erklärung. Muss es wohl nun mit den Dioden probieren. Vielen Dank allen Anteilnehmern!
C20 mal kleiner versucht? Bei dessen Auf- und Entladung bei Zündung fließt ja auch einiges über den Widerstand.
Egal schrieb: > C20 mal kleiner versucht? Bei dessen Auf- und Entladung bei Zündung > fließt ja auch einiges über den Widerstand. Sorry,sorry, sorry... Es sind keine 2500V sondern nur 250V. Zu meiner verteidigung: ich arbeite zwar schon länger als 10 jahre mit einem digitalen Speicherosszi, aber soooooo selten, dass ich mal hohe Spannungen messe. meistens interessieren mich nur 5V-Impulse und dann nur dessen zeiten (bin "Digitalelektroniker"). Der Osszi berücksichtigt bereits den teiler 1:10, d.h. wenn dort der Spannungsbereich 50V eingestellt ist, dann sind es auch 50V ( und nicht 500V, wie ich eben noch dachte). Aber um so mehr ist immer noch die Frage: Widerstand kaputt??? Guter Tipp mit C20, probiere gleich mal...
Habe jetzt C20 von 100n auf 10n "verjüngt" und für R39 2 parallel genommen (also nur noch 50 Ohm). Funktioniert ebenso wunderbar und die Impulse sind WESENTLICH kleiner (20-50V max). Ich kann nur hoffen... FRAGE an die, die sich damit auskennen: Bei den bisherigen Steuerungen habe ich den Optokoppler MOC3021 benutzt. Der hat KEINE Zero-Cross-Schaltung. Für die nächste Serie habe ich schon den MOC3061 MIT Zero-Cross im Haus. Ist das besser? Könnte sich das vielleicht auch noch positiv auf die Lebensdauer des R39 auswirken? Ist schon fast feierabend, sitzt noch jemand am Rechner? Aber morgen ist auch noch ein tag. Einen schönen Abend noch allen!
Hallo ZeroCross schaltet bei kleiner Spannung und sollte damit dein Problem lösen. Was mich aber noch interessieren würde: Warum überhaupt der Triac? K1 schalten "Zu". K4 schalten "Auf"
karadur schrieb: > Hallo > > ZeroCross schaltet bei kleiner Spannung und sollte damit dein Problem > lösen. Was mich aber noch interessieren würde: Warum überhaupt der > Triac? K1 schalten "Zu". K4 schalten "Auf" Danke! Der Triac schaltet leicht verzögert (ca. 300ms) nach den Relais bzw. beim Abschalten vor den Relais. Damit wollen wir Funkenbildung/Funken-Störungen/Kontaktbrand verhindern (funktioniert auch sehr gut).
Bitte melde dich an um einen Beitrag zu schreiben. Anmeldung ist kostenlos und dauert nur eine Minute.
Bestehender Account
Schon ein Account bei Google/GoogleMail? Keine Anmeldung erforderlich!
Mit Google-Account einloggen
Mit Google-Account einloggen
Noch kein Account? Hier anmelden.



