Hi, Folgendes Problem: Display ( 2x 16 Zeichen Dotmatrix) ist an Port C des ATMega 16 angeschloßen. Spannung wollen wir vom AVR beziehen. Ein Pin liefert 40 mA. Das Display benötigt für die Logik etwa 2 mA. Hintergrundbeleuchtung ist nicht angeschloßen. Kann ich nun die VCC Leitung an einen Port-Pin anschließen, oder MUSS ich einen Transistor vorschalten? Ich weiß nämlich nicht, wie viel Strom für den Aufbau des Kontrast benötigt wird (steht nicht im Datenblatt). Dispay ist von Reichelt. Denn I_maxController = 40 mA - I_LogikDisplay ... da bleiben ja immernoch ca. 38 mA. Reicht das für den Kontrast?
38mA für den Kontrast? Wenn du nicht grad irgendwas beheizen willst... Wobei ich sagor nur max ca 5mA schätzen würde. Wieso misst dus nicht einfach mal nach? Dann weisst du danach, wieviel du brauchst, und ob dein µC das schafft.
Je nach LCD sind Spannungsteiler mit einigen 100Ohm, oder einigen kOhm verbaut. Ich würde bei neueren LCDs etwa 1mA oder weniger schätzen. Es sollte also funktionieren.
Hmmm komisch. Habe ich eben gemacht. Dass denn wohl doch nicht mein Problem bei der Schaltung. Messe mittlerweile ganze 10V, bis das Display richtig initialisiert. Komisch. Ob dass am Festspannungsregler liegt. Benutze ein 7805. Als Eingangsspannung 16 V DC. Irgendwie sind die Werte sehr komisch. Kann ja mal den Schaltplan anhängen.
Schau da mal nach. http://de.wikipedia.org/wiki/Spannungsregler Bau deinen Regler mal richtig auf. 90% der Fehler sind Betriebsspg.Fehler.
was sind denn die restlichen 10% der fehler? Den Spannungsregler habe ich doch so wie bei wiki aufgebaut. Input 16 V rein (Im datenblatt steht, dass ich bis zu 38 V kann) und 5 V raus. Kondensator zur dämpfung fertig. Was denn der Fehler?
100n + min. 100µ Elko am Eingang fehlen. 1µ am Ausgang fehlt. Evtl. schwingt dein Regler.
Das denke ich NICHT. Ich gebe zu Testzwecken 16 V Gleichspannung aus einem sehr guten Labornetzteil rein. (Also Input). Das muss ich doch nicht glätten.
Tja dann lerne erst einmal Elektrotechnik bevor du sowas machst. Lies dir mal ein Datenblatt zu einem Festspgregler durch was dort über den Gebrauch von Eingangselkos steht, und dann melde dich wieder.
Hallo, du schreibst: Messe mittlerweile ganze 10V, bis das Display richtig initialisiert. Wo misst Du 10V? Wo ist auf der Schaltung eigentlich das Display? Außerdem erfordert es eine ziemliche umgewöhnung, daß bei Dir GND oben und Ub unten im Schaltpaln ist. Das ist zumindest sehr ungebräuchlich. Zum Regler wurde schon was geschrieben, zusätzlich noch: 16V in - 5V out sind 11V Spannungsdifferenz am Regler. Da ist schon bei 100mA (1,1W Verlustleistung am 7805) ein Kühlblech fällig. Gruß aus Berlin Michael
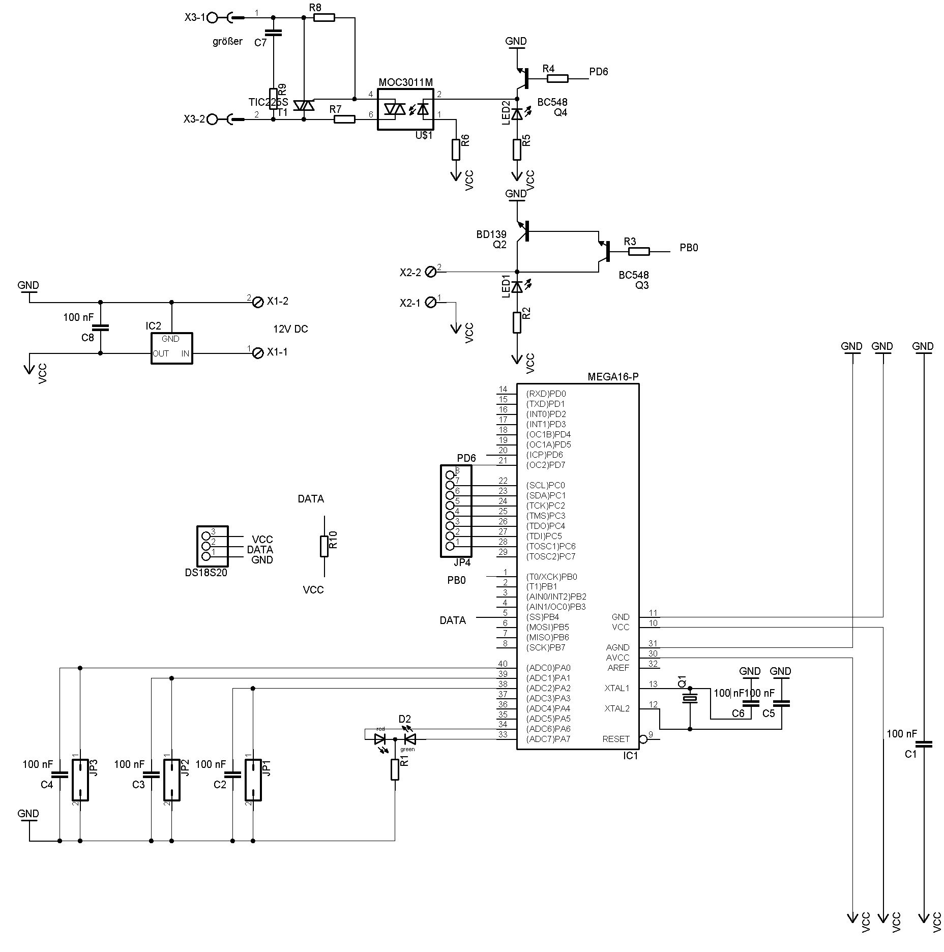
100nF am Quartz ? Wow. Und der Triac wird mit einem Triac gesteuert ... Sehr interessant. Das kann noch dauern bis das laeuft.
Ja, stimmt. Sorry, I haette nicht vorgreifen sollen. Diese Themen waeren auf Juni und Juli geplant gewesen. Zuerst brauchen wir den richtigen Schaltplan, mit dem Display drauf.
PortC sollte zwar gehen, aber einen GND ist sollte man auch nehmen fuer's Display.
Der Schaltplan ist einfach nur um 180° verdreht. Dreht man Ihn, so liegt VCC oben und GND unten ;). Und die Schaltung mit dem Optokoppler ist korrekt. Der Triac wird durchgeschaltet. Das doch richtig. Die 100 nF sind ein Tipfehler. Sind 22 pF. Das Display hängt an Port C. Folgende Belegung: PC0 - PC3: DATA 0 - DATA 3 (4-Bit-Mode) PC4 : E(nable) PC5 : RS PC6 : VCC (also "High") PD7 : GND R/W ist fest auf einen Pegel gesetzt, da nur geschrieben werden soll. Das mit dem Display sollte klappen. Der Port-Pin PC6 sollte genügend "Strom zur Verfügung stellen". ;) Okay mit dem Spannungregler, dass sehe ich ein , dass ist "Bockmisst". Ich dachte jedoch immer, dass die Kondensatoren nur zur Glättung des Eingangs bzw. AUsgangssingnales da wären. Fehler kann jeder machen. Also liegt der Hauptfehler wohl echt bei der Spannungsversorgung. Werde den Regler einmal auslöten und dass ganze mit 5 V Gleichspannung von Netzteil bezogen versorgen. Was habt ihr denn an der Schaltung rund um den Optokoppler auszusetzen? Schalte damit 230 V AC. Auf Abstände und dimensinierung ist geachtet. Gruß Timo
ich hätte da nix auszusetzen. Die Schaltung müßte so stimmen. @ Null. Klar ist das interessant. der moc macht nur 100mA und wenn es mehr sein soll schlte man einen triac nach. Ich vermute dein Regler ist futsch. Die c s sind zur schwingneigungsdämpfung. viel Erfolg.
Danke. Schaue es mir morgen ma auf dem Oska alles an. Also mit dem Regler ;) Cu
Bitte melde dich an um einen Beitrag zu schreiben. Anmeldung ist kostenlos und dauert nur eine Minute.
Bestehender Account
Schon ein Account bei Google/GoogleMail? Keine Anmeldung erforderlich!
Mit Google-Account einloggen
Mit Google-Account einloggen
Noch kein Account? Hier anmelden.
