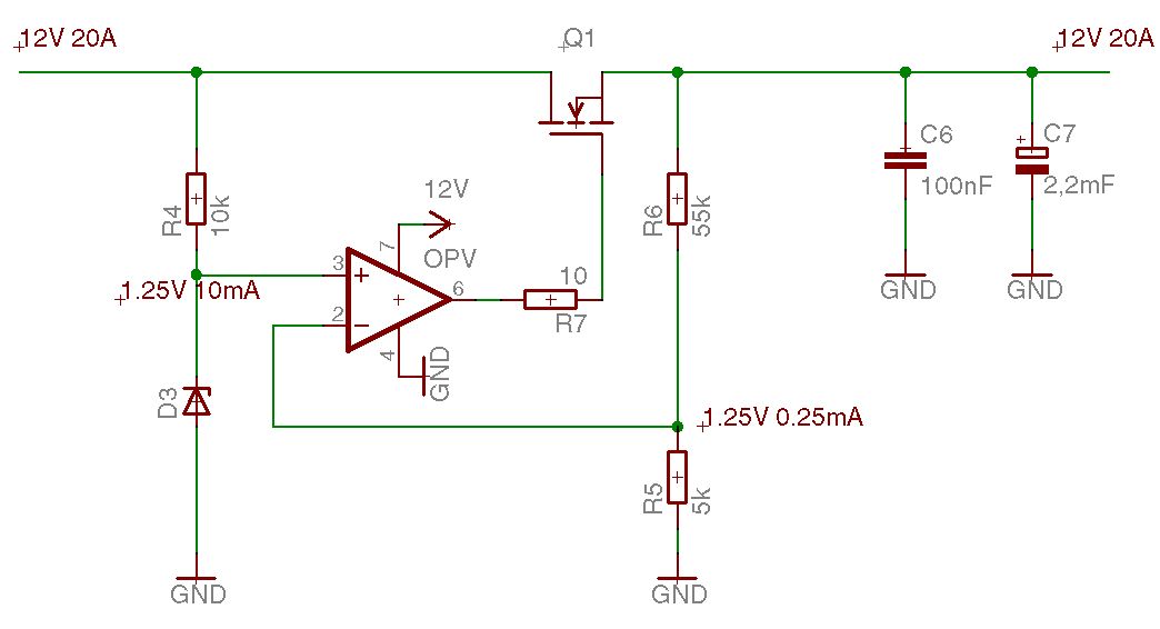
Hallo, wie schon vorher berichtete baue ich eine Schutzschlatung, die Impulse hoher Spannungen ableitet. Damit während dieser Zeit - wenn also so ein Impuls auftritt - weiterhin Versorgung vorliegt, dachte ich an einen Spannungsregeler, siehe Angang. Frage: 1. Macht er Sinn? 2. Welche andere Möglichkeiten gibt es, um einen "'Spannungsbegrenzer" zu realisieren?
@ +- (Gast) >1. Macht er Sinn? AFAIK nein. Du erfindest das Rad neu, nur eckig. >2. Welche andere Möglichkeiten gibt es, um einen "'Spannungsbegrenzer" >zu realisieren? Z-Dioden, Varistoren, etc. MFG Falk
@ Falk,
vielleicht habe ich mich ungünstig ausgedrückt...
>Z-Dioden, Varistoren, etc.
Das mache ich schon. Diese sind vor dem Regler geschaltet! Problem bei
Varistor ist, dass er die Versorgungsspannung mit dem Störimpuls
zusammen in die Wärme umsetzt -> Anhang.
Ich will aber, dass auch während Störimpulsen eine Versorgung von max.
15V vorliegt. D.h. ich brauch eine Schaltung, die mir die Versorung
begrenzt und zwar so dass:
- wenn Vin>15V dann Vout=10..15V
- wenn Vin<15V dann Vout=Vin
Deine Schaltung wird so nicht funktionieren. Die Gate-Source-Spannung kann nur Werte kleiner gleich Null annehmen, was den Transistor nicht durchsteuern lassen wird. Abhilfe: -OP mit höherer Spannung versorgen (12V +max Gate_Source) -P-Kanal MOSFET verwenden
>Die Gate-Source-Spannung kann nur Werte kleiner gleich Null annehmen
hast recht..
das ist nur ein entwurf um das prinzip zu zeigen, hab es schnell
zusammen geworfen und übersehen dass ich ein N-MOSFET genommen hab.
@ +- (Gast) >vielleicht habe ich mich ungünstig ausgedrückt... Scheint so. >>Z-Dioden, Varistoren, etc. >Das mache ich schon. Diese sind vor dem Regler geschaltet! Problem bei >Varistor ist, dass er die Versorgungsspannung mit dem Störimpuls >zusammen in die Wärme umsetzt -> Anhang. Zusammen? Bei richtiger Dimensionierung fliesst durch den Varistor nur Strom während eines Störpulses. >Ich will aber, dass auch während Störimpulsen eine Versorgung von max. >15V vorliegt. D.h. ich brauch eine Schaltung, die mir die Versorung >begrenzt und zwar so dass: > - wenn Vin>15V dann Vout=10..15V > - wenn Vin<15V dann Vout=Vin Eine 15V Z-Diode bzw. Varistor tun genau das. MfG Falk
>Eine 15V Z-Diode bzw. Varistor tun genau das.
So weit ich weiß, wird ein Varistor bei bestimmter Spannung niederohmig.
Angenommen diese Spannung sei 20Volt. Eine Vierpolschaltung mit dem
Varistor, ähnlich wie oben im Anhang dargestellt, hat demnach folgende
Eigenschaften:
- Vin=10V ==> Vout=10V
- Vin=25V ==> Vout=0V !!
aber ich will, dass Vout mind. 15V bleibt trotz überspannung!
deshalb auch ein Spannungsstabilisator.
An dem Prinzip ist was dran. Wir haben vor Jahren für ein Gerät, das unter beengten Einbauverhältnissen unter hoher Belastung durch störungsbehaftete Stromversorgung arbeiten sollte, etwas Ähnliches entwickelt. Das reine "Herunterknüppeln" von Störungen wäre nicht gegangen, weil dies zu viel thermische Belastung erzeugt hätte. Eine rein passive Lösung (LC-Glieder) wäre nicht gegangen, da der Einbauraum dafür nicht reichte. Wir haben dann letzlich eine Kombination aus allem genommen: LC-Filter, Begrenzung kurzer Impulse durch Varistoren o. ä. und eine aktive Nachregelung zur Begrenzung längerer Störimpulse. Auf Schaltungsunterlagen habe ich aber leider keinen Zugriff, ich kann das nur aus der Erinnerung schildern. Vermutlich wird es am Besten sein, die Schaltung mit den (nach den anzuwendenden Normen) zu erwartenden Störimpulsen in Spice zu simulieren (z. B. LTSpice, kostenlos und sehr gut unterstützt).
@ Dieter ok. danke für die Tipps. Leider kann ich einen LC-Filter schlecht einsetzen. Die Last kann über 20A ziehen. Auch eine Spule mit 0,025Ohm Wirkwiderstand in Serie bewirkt schon einen Spannungsabfall von bis zu 20Ax0,025Ohm=0,5V. Bei 2 SPulen sind ist schon 1V dazu kommt eine Diode und der MOSFET...bei insgesamt 12V ist eine Reduzierung der Spannung um ca.2V nicht vertretbar.
@ +- (Gast) >>Eine 15V Z-Diode bzw. Varistor tun genau das. Z-Diode Ein Varistor ist sehr ähnlich. >So weit ich weiß, wird ein Varistor bei bestimmter Spannung niederohmig. Nöö, der DIFFERENTIELLE Widerstand nimmt ab. Sprich, der Strom steigt sehr schnell an, die Spannung aber nur sehr wenig. >Angenommen diese Spannung sei 20Volt. Eine Vierpolschaltung mit dem >Varistor, ähnlich wie oben im Anhang dargestellt, hat demnach folgende >Eigenschaften: >- Vin=10V ==> Vout=10V >- Vin=25V ==> Vout=0V !! Wo hast du den irrige Gedanken her? >aber ich will, dass Vout mind. 15V bleibt trotz überspannung! Das macht eine Z-Diode oder Varistor. Probiers aus. MfG Falk
>Wo hast du den irrige Gedanken her?
Ohmsche-Gesetz, die Antwort auf alle Fragen.
Ich schalte doch die Versorgung kurz, indem ich einen Widerstand
(Varistor) mit R sehr klein zw. 80V und GND schalte..
Wo soll der Strom für die Last herkommen, wenn sehr großer Strom über
Varistor im Übersapannungsfall zur Masse fließt und dabei vom Varistror
in die Wärme umgesetzt wird?
Hallo, Du übesiehst eine entscheidende Kleinigkeit: wenn die Spannung über die Z-Spannung oder die Spannung des Varistors steigt, beginnt mehr Strom zu fließen. Wieviel Strom fließt, hängt vom Vorwiderstand (hier Leitungswiderstand und Innenwiderstand der Quelle ab). Mit steigender Spannung erhöht sich der Strom soweit, bis die Spannung über Z-Diode/Varistor der angegebenen entspricht. Der Varistor hat nur einen merklich runderen Übergang, die Kennlinie der Z-Diode hat einen recht ausgeprägten Knick. Schau Dir die Kennlinien der Bauteile an, unterhalb der Nennspannung fließt (fast) kein Strom durch Varistor/Z-Diode, die Spannung darüber kann also garnicht durch Varistor/Z-Diode unter diesen Wert absinken. Gruß aus Berlin Michael
@ +- (Gast) >>Wo hast du den irrige Gedanken her? >Ohmsche-Gesetz, die Antwort auf alle Fragen. Falsch, das ist 42 ;-) Und das Ohmsche Gesetz bei nichtlinearen Bauteilen??? uiuiuiuiui. >Ich schalte doch die Versorgung kurz, indem ich einen Widerstand >(Varistor) mit R sehr klein zw. 80V und GND schalte.. Nö, umgekehrt wird ein Schuh draus. WENN ein Spannungsquelle die Schwellspannung überschreiten will, muss sie sehr viel Sztrom liefern. Bleigt die Spannung geringer, fliestt nur ein sehr geringer Leckstrom. >Wo soll der Strom für die Last herkommen, wenn sehr großer Strom über >Varistor im Übersapannungsfall zur Masse fließt und dabei vom Varistror >in die Wärme umgesetzt wird? Von der Spannungsquelle. MFG Falk
>Falsch, das ist 42 ;-) achso >Und das Ohmsche Gesetz bei nichtlinearen Bauteilen??? uiuiuiuiui. >>der DIFFERENTIELLE Widerstand nimmt ab. Sprich, der Strom steigt >>sehr schnell an, die Spannung aber nur sehr wenig. Du sagst es... DIFFERENTIELLE Widerstand - legt eine Tangente und liniarisiere und uiuiuiui hast du annähernde Liniarität. Geht nicht überall. nur in liniaren Bereichen. Mein Gedankenexperiment für Varistor mit Vschwell=20V war: 1. t=0: Vin=10V -> Rvaristor= 10M Ohm ==> Ivaristor = 1µA 2. t=10µs Vin=25V -> Rvaristor= 1 Ohm ==> Ivaristor = 25A 3. t=20µs Vin=10V -> Rvaristor= 10M Ohm ==> Ivaristor = 1µA Folgerung: a. Varistor bildet für sehr kurze Zeit, in der Transiente auftritt, einen sehr kleinen Widerstand. b. In dieser Zeit wird "höhere" Strom durch Varistor fließen, Varistor "macht auf" Folgerung laut deiner Aussage: Strom durch Varistor ist nicht unendlich hoch, wird entsprechend der Kennlinie begrenzt. Das heißt nur die transiente Energie wird durch den Varistor abgeleitet.... ok. Danke an alle. Ich überlege es mir noch und werde es mal simulieren/ausprobieren.
>Falsch, das ist 42 ;-)
Übrigens in meisten Fällen ist es sogar Pi oder das Vielfache von Pi
-:)
Gruß
+-
wird es was nutzen wenn ich zwei Varistoren parallel schalte? So könnte sie höhere Leistung "ableiten"...
@ +- (Gast) >wird es was nutzen wenn ich zwei Varistoren parallel schalte? >So könnte sie höhere Leistung "ableiten"... Jain. Je nach Toleranz der Schwellspannung werden die Varistoren unterschiedlich belastet. MfG Falk
>Je nach Toleranz der Schwellspannung werden die Varistoren >unterschiedlich belastet. OK. Also braucht man für die Schaltung nur einen einzigen Varistor, eine Suppressordiode, ein CR GLied zu Masse, ein LC-Glied in Reihe und dann noch paar Kondensatoren zum Glätten und Puffern? ob das ausreichen wird.
@ +- (Gast)
>ob das ausreichen wird.
Probieren. Solche Sachen kann man letztedlich nie 100%ig auf dem Papier
klären.
MFg
Falk
Bitte melde dich an um einen Beitrag zu schreiben. Anmeldung ist kostenlos und dauert nur eine Minute.
Bestehender Account
Schon ein Account bei Google/GoogleMail? Keine Anmeldung erforderlich!
Mit Google-Account einloggen
Mit Google-Account einloggen
Noch kein Account? Hier anmelden.

