Hallo, ich möchte gerne ein Audiosignal eines Mikrofons aufnehmen und benötige als Eingangsbeschaltung einen OPV zum entkoppeln, der mir mein Signal möglichst wenig verfälscht (Phasenverschiebung, etc.) Es sollten Signale bis ca. 17 kHz übertragen werden. Dahinter möchte ich dann einige Filter hängen und anschließend über einen Summierer (geht das so?!?) das Signal wieder zusammenführen, verstärken und auf einem Lautsprecher ausgeben. also Quasi ale Frequenzen rein -> Filtern mit 3-4 unterschiedlichen Bandpässen -> Zusammenführen (Addierer) zu einem Audiosignal -> Verstärkung -> Lautsprecher. So das ich dann am ende nur noch das Signal der Bandpässe in Summe auf dem Lautsprecher habe und die anderen Frequenzteile rausgefiltert habe. Gibt es einen OPV (am besten als Quad Package da ich 4 Kanäle habe) der hierfür besonders gut geeignet ist? In dem ganzen Wust von OPVs die es gibt, blick ich da nicht so wirklich durch ;-) PS: Kann ich einen ICL7660 als negativ Spannungsversorgung für die OPVs verwenden? Da ich ja ein Audiosignal habe, benötige ich ja schon eine negative Versorgungsspannung, das mit der künslichen Masseanhebung gefällt mir nicht so gut und ein ICL7660 wäre recht günstig. Danke und Gruß Malte.
TS924, hohe Bandbreite, akzeptables Rauschverhalten, unipolare Versorgungsspannung und bringt ordentlich Dampf bei niederohmige Belastung. http://www.st.com/stonline/products/literature/ds/5065.pdf
Danke für die schnelle Antwort. Unipolare Versorgungsspannung ist natürlich gut, aber wie funktioniert das dann mit den negativen Halbwellen eines Audiosignals? Oder ist es prinzipiell möglich den OPV nur mit positiver Versorgungsspannung zu betreiben, benötige aber für sowohl pos als auch neg ausschlag am Ausgang die entsprechende Versorgungsspannung? Hättest du evtl. auch noch nen Supplier für dieses IC. Gruß Malte.
Den Baustein gibt es bei Farnell und Segor. Das mit den negativen Halbwellen bei unipolarer Versorgung ist relativ einfach, du hebst dir einfach das Potential an einem der beiden Eingänge auf die halbe Versorgungsspannung. http://www.national.com/ds.cgi/LM/LM124.pdf Auf Seite 14 sind zwei Schaltungen, invertierender und nichtinvertierender Verstärker. So kannst du das machen, dass funktioniert sehr gut.
Für Dein Vorhaben wäre der TL074 absolut geeignet und den gibt´s fast an jeder Ecke. Als Eingangsverstärker für die Mikrofone könnte ich den INA217 empfehlen, wenn Du symmetrische (XLR) Mikrofone hat. Ansonsten tut´s auch der oben genannte OV.
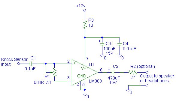
Hallo, sorry das ich den Thread nochmal hoch holen muss, aber mit der blöden Analogtechnik steh ich echt total auf Kriegsfuß. Irgendwie funktionierte bisher keine meiner Analogschaltungen. Hoffentlich kann mir mal jemand helfen. Bin da echt am verzweifeln. Aufgebaut habe ich nun folgende Schaltungen: Zunächst dies angehängte. Dies ist mein Verstärker mit dem ich auf meinen Lautsprecher / Kopfhörer gehe. Die funktionert alleine auch super. Nun soll noch ein Bandpassfilter davorgeschaltet werden. Hierzu habe ich zunächst etwas passives probiert, was aber den nachteil der geringen eingangsimpedanz hat und mir mein Signal daher sehr abgeschwächt hat (auch in den Frequenzbereichen in denen nicht gefiltert werden sollte) Dann habe die folgende Schaltung als Bandpass (sowohl mit vorgeschaltetem Impedanzwandler als auch ohne) versucht: https://ces.karlsruhe.de/culm/praktikum/ct2/bandpass.htm Leider funktioniert die auch nicht. Stattdessen pfeift, piepst und knackst alles wie blöd. Ich meinte zwar ein signal dahiner raushören zu können, aber das geht im ganzen Übersteuerungskrempel total unter. Alles in allem absolut unbefriedigend. Als Bauteile habe ich folgendes für den Filter verwendet: ICL7660 um -5v für den OPV zu erzeugen TL074 als OPV C = 25nF R1 = 3k R2 = 7,5k R3 = 110 Ohm Den Filter habe ich so wie er abgebildet ist direkt auf den Eingang der Amp Schaltung gegeben. Hoffe mir kann jemand helfen oder meinetwegen auch ein anderes Beispiel nennen... ich mein kann ja nicht so schwer sein ein Mikrofonsignal zu filtern und dann zu verstärken oder?!? Aber irgendwie bin ich schienbar zu doof dafür.. Gruß
Pfeifen, piepsen und knacken sind eher auf Aufbaufehler zurückzuführen. Von hier aus sehr schlecht zu beurteilen. Prinzipiell ist diese Anordnung ok. Verstehe ich richtig, dass das Filter direkt nach dem Mikro sitzen soll. Ich würde zuerst mal verstärken. Hast du berücksichtigt, dass ein Bandpass einen ausgeprägten Durchlassfrequenzpunkt hat und daneben deutlich abfällt. Normalerweise würde man ein Mikrosignal eher mit einem HP bei 80Hz (z.B.) und mit einem TP bei z.B. 10kHz betreiben. So hast du zwischen den beiden Frequenzen einen weitgehend linearen Frequenzgang. Wozu musst du überhaupt filtern? Irgendwo im Verstärker einen Koppel-C so dimensionieren dass er wie ein HP 1.Ordnung wirkt und bei einem OPA innerhalb der Schaltung dem Gegenkopplungswiderstand einen geeigneten C parallelschalten, so dass es einen TP gibt, würde doch auch schon reichen! Schau mal nach dem freien FilterPro von Texas Instruments, eine SW, die dir bei der Dimensionierung von aktiven TP, HP, BP u. BS unter die Arme greift.
Danke, ich möchte filtern weil mir in meinem Audiosignal eine ganz bestimmte Frequenz interessiert... ich will also keine Musik oder so übertragen, sondern nur wissen ob in einem bestimmen "groben" Frequenzband ein Signal vorhanden ist. Wenn die Schaltung vom Prinzip her schonmal so ok ist ist das ja schon beruhigend... was könnten denn Aufbaufehler sein? - Kalte lötstelle? - Kabel die als "antenne" wirken? Es macht auf mich so den Eindruck, als ob der OPV von irgendwas übersteuert wird... so macht es den Anschein... sehr hochfrequentes piepsen selbst wenn ich den Mic eingang komplett auf Masse ziehe.
Hab gerade gesehen das meine Verstärkterschaltung irgendwie nicht mit angehängt wurde... hier nochmal ein Versuch... Ich hab jetzt auch rausgefunden, das es auch piepst wenn ich vor den Verstärker (Amp.gif) nur einen ganz stink normalen RC Hochpass schalte. Hat also mit dem OPV und dem Bandpassfilter nichts zu tun. Schließe ich das Mic direkt an den Verstärker (Amp.gif) an, habe ich ein super sauberes Signal nur halt ohne Filter. Vielleicht hilft das ja...
>Hab gerade gesehen das meine Verstärkterschaltung irgendwie nicht mit >angehängt wurde... hier nochmal ein Versuch... Wenn du einen Anhang auswählst und dann nochmals vor dem Absenden die Vorschau drückst, dann wird der Anhang nicht mit übertragen. >was könnten denn Aufbaufehler sein? >- Kalte lötstelle? >- Kabel die als "antenne" wirken? Beides. Wie schon bemerkt, das ist von hier aus sehr schwer zu beurteilen, vielleicht hilft mir ein kleines (!, Bildformate) Foto vom Aufbau weiter. Auch: - mangelhafte Entkopplung, ev. mit 10 Ohm/10µF die VCC des VV vom Endverstärker abtrennen (wie oben beim LM380). Generell sind Spannungs- und Masseführung heikel. Beide von der Leistungsseite her zuführen. - sehr viel Verstärkung im VV und unbrauchbare Leiterführung - führt zur Rückkopplung - hast du ev. ein C direkt am Ausgang des VV - verursacht Schwingen! - was für ein Mikro verwendest du? Beschaltung? - VV single/double VCC? - Schaltbild wäre hilfreich. - Dimensionierung des BP? Welche Mittenfrequenz und Güte hättest du den gerne? Ich mach dir dann mal einen Plot vom FilterPro. - welche Meßmöglichkeiten hast du? Skope wäre hilfreich!
Hi, ein Bild wird dir vermutlich nicht viel nützen... sieht momentan recht chaotisch aus... ich könnte aber zumindest mal morgen nen sauberen Schaltplan posten damit man mal Bauteilewahl und die komplette Beschaltung begutachten kann. Wenn das dann ok ist, würde ich das ganze glaub ich nochmal sauber aufbauen und ggf. auch mal ne saubere Platine ätzen damit ich das Leitungsproblem beseitigt habe... Wäre cool wenn du/ihr da morgen mal drüber schauen könntet... Gruß Malte.
Skope habe ich leider keins, bzw. nur ein ganz altes 1 Kanal aus Russland... :-)
>nur ein ganz altes 1 Kanal aus Russland... :-)
Na, das muß aber schon uralt sein (von vor 1922) dämlich grins
Nein, Spaß beiseite: Besser so einen Oszilllographen als keinen. Du bist
ja im Tonfrequenzbereich, dafür müßte der wohl gehen. Der Effekt, den Du
oben beschreibst, läßt darauf schließen, daß der (hoch)-Pass an Deinem
Eingang irgenwie einen Teil des Ausgangssignals "liest" und daraufhin
das ganze Ding zu einem Generator wird.
MfG Paul
> sieht momentan recht chaotisch aus...
Das ist genau das, was ich vermutet habe.
Bei kleinen Signalen und großen Verstärkungen ist ein sauberer Aufbau
auch wichtig. Eine Platine muss es nicht sein, aber eine saubere
Anordnung von vorne nach hinten (Signalfluss) kann Wunder wirken.
Übrigens - ein Kraut- und Rübenaufbau geht manchmal besser als eine
Platine, das ist zumindest die Erfahrung bei HF.
Wenn du einen Schaltplan hast (mit allen Details) ist das auf jeden Fall
hilfreich.
Auch mit dem 'alten, russischen' Skope kann man die Art der Störung
besser beurteilen.
Hallo, anbei mal mein aktueller Schaltplan. Ist sicher nicht der Weisheit letzter Schluß, also bin ich für jede Kritik offen die mir hilft... Bin wie gesagt eher in der Digitaltechnik zuhause... Danke schonmal für alle die sich den Schaltplan ansehen... Gruß Malte
Ein Schaltplan ist erst mal gut! >Bin wie gesagt eher in der Digitaltechnik zuhause... Ich eigentlich auch ... Mit dem ICL7660 habe ich keine Erfahrung - könnte mir aber vorstellen, dass das Ding nicht ganz ruhig ist. Aber: - nahe an Pin 8 gehört ein 100nF Kerko! - an Pin 5 sollte ein LOW-ESR sitzen, wenn keiner zur Hand, dann nimm einen 100n Kerko parallel zu den 10µ. - der interne Oszillator schwingt relativ undefiniert um bzw. unter 10kHz. Wenn das zufällig die Mittenfrequenz des Filter sein sollte, dann könnte das schon das Problem sein. Alternativ einen CMOS-Schwinger (74C14, R, C) auf 20 ... 30 KHz extern an Pin 7 anschließen. Deshalb, wichtig: beide Spannungsversorgungen des OPA wie beim LM380 gegen GND abblocken! Versorge testhalber den OPA mal mit zwei 9V-Blöcken - ganz ohne 7660. Der Schalter S1 hat in der gezeichneten Stellung 1 keinen Sinn. Damit ist das Mike ja an den IC4A-Ausgang gelegt! In Stellung 2 müsste es aber gehen. Das Mikro ist sicher ein dynamisches, sonst hätte es direkt am LM360 nicht gehen können. R6 hat doch nicht 110 Ohm sondern 110 kOhm - oder? Wie gut das Filter arbeitet, kann ich aus der Dimensionierung jetzt nicht ablesen. Vielleicht nennst du uns mal die Eckdaten (Mittenfrequenz fm, Verstärkung bei fm - ist vielleicht zu groß?) oder holst dir mal das schon genannte Texas Instruments FilterPro. Oder hast du die Dimensionierung mal simuliert? Nicht dass das Ding bei der Mittenfrequenz bereits schwingt. Ich hätte jetzt dem IC4A schon ca. 10 ... 20fache Spannungsverstärkung gegeben. Ich hab's mal angehängt. So macht er zwar Impedanzwandlung, produziert aber auch jede Menge Rauschen. Ansonsten: in S1-Stellung 3 muss die Schaltung funktionieren.
Ich sehe gerade, dass du in deinem Schaltplan die Werte von R5 und R6 vertauscht hast - gegenüber der ganz oben genannten Dimensionierung. Daher kam auch meine Frage, ob die 110 Ohm richtig sind ...
Hi, so, erstmal danke hatte wirklich R5 und R6 vertauscht, allerdings nur im Schaltplan, in der Schaltung ist es korrekt. R5 ist im übrigen wirklich 110 Ohm nicht kOhm. Mittelfrequenz vom Filter sollte erstmal für den Anfang ca. 6,8-7kHz betragen und eine Bandbreite von ca. 1,5-2kHz haben. Verstärkung sollte der Filter eigentlich um die 1, ggf. 1,1-1,2 haben, da ich den Eingangspegel eigentlich auch ohne Filter für den LM380 recht passen finde. Eine zusätzliche Verstärkung im Filter um den Faktor 10-20 könnte dann doch zu Übersteuerung führen oder?! An eine Störung durch den interne osszillator vom IC7660 denke ich nicht, da das problem ja auch komplett ohne aktiven Filter und somit OPVs bzw. deren negative Versorgungsspannung auftritt. Daher lasse ich das erstmal so. Was ist ein LOW-ESR?!? Zur Spannungsverstärkung von IC4A, bekäme ich da nicht das Problem mit der Übersteuerung des LM380? Oder müsste man den Filter dann so auslegen das er die Verstärkung von 20 wieder umkehrt? Rauschen möchte ich natürlich auch so gut es geht vermeiden. Wäre es ggf. zu überlegen den BP Filter an den Ausgang des LM380 anstatt an dessen Eingang zu setzen? Anbei nochmal der derzeit aktualisierte Schaltplan. Wenn jemand einen besseren Dimensionierungsvorschlag für den Filter hat, bin ich jederzeit gerne offen dafür. Vielen Dank schonmal... Gruß Malte.
>Eine zusätzliche Verstärkung im Filter um den Faktor 10-20 könnte >dann doch zu Übersteuerung führen oder?! Wenn da vorne ein ganz normales Mikrofon dran hängt (ohne MikrofonVV), dann liefert das ja nur ein paar wenige mV. Damit kann man den Endverstärker eigentlich nicht voll aussteuern. Von dem ging ich aus. Wenn dein Mikro bereits einen Verstärker integriert hat, dann ist es natürlich nicht notwendig, nochmals 10 oder 20dB zu verstärken. Ich wunderte mich schon, dass der LM380 mit dem Mikrosignal (ohne Filter) was brauchbares abgibt. Der hat 'ne feste Verstärkung von 50, das ist nicht sehr viel für ein Mikrofonsignal. Das reicht kaum für einen normalen Line-Eingang eines Mischpultes. >Rauschen möchte ich natürlich auch so gut es geht vermeiden. Klar, das trifft aber nur zu, wenn das Mikrosignal wirklich so ist, wie ich es kenne - direkt weg von der Kapsel, mit ein paar mV Spannung. Die erste Stufe, die kommt, muss verstärken, um bei den gegebenen Verhältnissen minimales Rauschen zu erzielen. >Was ist ein LOW-ESR?!? Es sind Elkos, meist Tantals mit extrem niedrigen Innenwiderstand. http://www.elektronik-kompendium.de/sites/bau/0810091.htm >Wäre es ggf. zu überlegen den BP Filter an den Ausgang des LM380 anstatt >an dessen Eingang zu setzen? Eignentlich nicht, denn der LM380 ist ja zum Treiben von kleinen Lautsprecher und Kopfhörer vorgesehen, dass kann der normale OPA nicht. >Anbei nochmal der derzeit aktualisierte Schaltplan. R1 an der Stromversorgung ist nicht sooo wichtig - aber wenn schon, dann auch in den beiden Stromversorgungen der OPAs. >Wenn jemand einen besseren Dimensionierungsvorschlag für den Filter hat, >bin ich jederzeit gerne offen dafür. Ob besser, weiß ich nicht. Das schon genannte FilterPro liefert das Ergebnis, das ich angehängt habe.
Bitte melde dich an um einen Beitrag zu schreiben. Anmeldung ist kostenlos und dauert nur eine Minute.
Bestehender Account
Schon ein Account bei Google/GoogleMail? Keine Anmeldung erforderlich!
Mit Google-Account einloggen
Mit Google-Account einloggen
Noch kein Account? Hier anmelden.


