Hallo ! Ich habe hier ein Elektromotor (Motor aus einer kaputten Air Soft) rumstehen, welche mit 6*1.2V jeweils 1100mA Akku Batterien angetrieben wird. Der Motor ist noch heile. Den Motor möchte ich gerne mit einem Transistor ansteuern. (Später den Motor mit PC oder AVR steuern) Ich habe mir folgendes gedacht: Ich habe eine Batterie aus dem Batteriefach der Air Soft rausgenommen. Dann habe ich den Pluspol der Batterie die jetzt "allein" ist, weil ich die andere ja rausgenommen habe, an Minus der herausgenommen Batterie angeschlossen und dessen Pluspol wiederum an den Emitter angeschlossen. Den Kollektor habe ich direkt wieder an den Pluspol des Batteriefaches angeschlossen (wo ja der Pluspol der anderen Batterie war). Als Basis Widerstand habe ich ein 1k genommen. Basis betreibe ich mit 5V. GND des Basisstroms habe ich mit dem Emitter zusamm geschlossen. Resultat: Es passiert nix. Der Motor sollte ja funktionieren, wenn an die Basis Strom kommt. Der Transi wird nur heiß mehr nicht. Wo ist mein Fehler ? Ich hoffe ihr versteht was ich da oben geschrieben habe.. es ist nicht leicht gewesen. grüße Hans
Ein gewöhnlicher Transistor verträgt nur einige 100 mA Strom. Für mehr benötigt man Leistungstransistoren, evtl. mit Kühlkörper. 4mA Basisstrom ist vermutlich auch zu wenig, um den Transistor voll durchzusteuern. Aber ich weiß eh nicht was "Air Soft" ist, daher habe ich nicht versucht deinen Text vollständig zu verstehen.
Hallo Stefan Danke für deine Antwort. AirSoft sind "Spielzeug" Modellwaffen die kleine Plastikkugeln mit c.a. 0.5J oder mehr schiessen. Es ist total harmlos. Hab das Teil aus der Kindheit ^^ und wollte aus Spaß mal bischen herumbasteln und so eine kleine Fernsteuerung bauen. Ich tu damit keinen Menschen weh !!
Also, du willst einen Motor anbsteuern. Es handelt sich um einen Gleichstrommotor? Möchtest du PWM oder linear ansteuern? Welchen Transistor verwendest du? Wieviel Strom nimmt der Motor im Laufen und unter Last? Dann wird man dir villeicht einige Hinweise geben können. Gruss Robert
@Stefan Ich hab hier noch ein ULN2003A rumstehen, könnte ich damit irgendwie mein Problem lösen ? Danke
>Ich tu damit keinen Menschen weh !! Gut! Aber ich kann aus Deiner obigen Beschreibung nicht wirklich schlau werden -- andere wohl auch nicht, sonst hätte wohl schon jemand geantwortet. Du weißt schon, dass es NPN und PNP Transistoren gibt, die unterschiedlich beschaltet werden? Grundsätzlich ist Deine Idee schon richtig, aber wenn man nicht weiß was für einen Transistor Du verwendest kann man Dir auch keine Schaltung empfehlen. Und wenn das mit 1,1 A stimmt, brauchst Du eher einen Leistungstransistor. Evtl hilft: http://www.mikrocontroller.net/articles/Transistor http://de.wikipedia.org/wiki/Transistorgrundschaltungen
@Robert: Ich möchte den Motor ganz normal ansteuern. Der Transistor soll als ein "elektronischer" Schalter dienen. Wie viel Strom der Motor im Laufen oder unter Last nimmt, kann ich micht sagen. Es stehen da keine Daten drauf.... kann man das mit einem Voltmeter irgendwie messen ? Ich bin in diesem Gebiet noch nicht so sehr drin... Danke für eure Hilfe !
Auf jeden Fall zu klein, der hat Icmax 150 mA, wenn ich mit recht erinnere. Ausserdem muesste man dann erst einmal die Stromaufnahme des Motors messen (unter Last), damit man dann den richtigen Transistor aussuchen und anschliessend die Schaltung berechnen kann. matth
aha ich hab in meiner Kiste einen BC140 gefunden und dieser hat laut Datenblatt Icmax = 1A. Ist doch schon besser oder ?? Wie sollte ich das denn alles schalten ?
Moin, am besten den Widerstand des Motors mit einem Ohmmeter messen. An der Welle drehen, bis der kleinste Widerstandswert erreicht ist und damit den maximalen Strom ausrechnen. Der Transistor muss den Anfahrstrom vertragen, wenn der Motor einmal läuft ist die Stromausnahme immer kleiner als im Anfahrmoment. Bastler
Das sind aber beides NPN-Transistoren. So wie du das aufgebaut hast, bräuchtest du einen PNP-Typ. Dann hast du aber später warscheinlich Probleme mit der "Fernsteuerung". Nimm also besser einen NPN-Transistor ausreichender Größe (für's erste den BC140), und setze den auf die negative Seite. Emitter an den Minuspol des Batteriepacks und Kollektor an den Minuspol des Motors. Zum Einschalten die Basis über einen Widerstand an den Pluspol des Batteriepacks.
Schalte antiparallel zum Motor noch eine Diode, wenn die Induktivität des Motors zu groß ist, kann der dir sonst den Transistor zerstören (das muss nicht beim ersten mal passieren).
Ich hatte mir das so überlegt, wie es im Angang zu sehen ist. Hoffe man versteht es ! Danke
Vertausche mal den Collektor mit dem Emitter. Emitter immer an Minus, in den Collektor fliesst der Strom hinein. Damit kannst du den Motor linear steuern, dh. bei halber last geht die andere Hälfte der Energie im Transistor verloren. Falls du da nicht willst, suche im netz mal nach PWM. Gruss Robert
Ja nur die Frage an welchen Minus meinst du ?? Ich hab ja praktisch kein Minus... sondern immer nur ein Pluspol der Batterie
Wo ist bei dir der Motor hin?????
So würde ich es versuchen:
__________________ Motor (+)
| _____________________ Motor(-)
| \ Collector
__|__ \| ___
_ |____________________| |_____ (Steuerung (+))
| | Basis |_____|
| /<| Widerstand
| _/ Emitter
| |
| |
|_____|___________________________________ Steuerung (-)
vertausche erst einmal Collektor und Emmitter. Dann mach eine neue zeichnung. Gruss Robert
Jede Batterie hat auf der anderen Seite des Pluspols den Minuspol. Ich hab dir mal ein kleines Bildchen angehängt. Wähle für R z.B. 470 Ohm. Wenn dein Motor klein ist, kannst den BC140 nehmen, andernfalls auf einen BDxxx wechseln.
Also ! Das Problem ist.. ich komm an den Motor nicht dran.. da er noch eingebaut ist und ich nicht alles auseinander bauen will... Ich dachte ich kann den Transistor einfach in die Reihenschaltung einbauen. Irgendwie ist es blöd zu erklären....
Wie sollen wir dir richtig helfen, wenn du uns nicht alles erzählst? Mach mal eine saubere, 10kByte klein Skizze der tatsächlichen Verhältnisse.
So ich habe mal eine kleine Skizze gemacht wie ich es eben versucht habe. Als R1 habe ich 1k genommen. Der Transistor wurde wieder nur etwas warm mehr nicht... Ist die Skizze denn soweit richtig ??
Ich hab mit einem Voltmeter mal die Spannung am C und E gecheckt und die Beträgt c.a. 6.4V.. aber der Motor macht nichts. Ist der Transitor doch zu schwach oder macch ich was falsches ?.
Ja der Motor ist im Gehäuse.... ich habe nur Zugriff auf den Batteriefach... :(.
Hast du vielleicht vergessen, das GND von der 5V-Quelle mit dem Emitter zu verbinden?
1. Jetzt ist dein Bild doppelt so groß - ohne neuen Inhalt. Meines hatte 10k und das von Jochen nur ein paar Byte! Bildformate 2. Wo ist der Motor? 3. Ich fürchte, du musst an beide Batteriepole herankommen, ausser du nimmst noch eine extra zum Ansteuern der Basis. 4. Gegen welchen Punkt sind die 5V Ansteuerung? (Minuspol der 5V?) 5. Was soll die extra Batterie ausserhalb des Batteriefachs bzw. was ist in dem Batteriefach? Auch eine Batterie? Nur der Motor? Der Motor und eine Batterie? 6. Welchen Transistor stellst du dar? Es gibt allgemein verständliche Zeichen für Transistoren an Hand derer jeder sofort sieht, was gemeint ist: Transistor 7. Läuft der Transistor wenigstens, wenn du C und E mit einem Draht überbrückst? Ob die Skizze richtig ist, kann ich noch immer nicht sagen, wegen der oben offenen Fragen - ausser: der Basiswiderstand ist ein guter Fortschritt. Allgemein kann man sagen: Mit NPN-Transistor muss der C an den positiveren, der E an den negativeren Pol der Reihenschaltung aus Batterie und Motor. Und die Basis muss gegenüber E positiv angesteuert werden. Mit NPN-Transistoren sind in obigem Satz positiv gegen negativ zu tauschen und umgekehrt. Und dann muss der Motor noch immer nicht laufen, wenn er nämlich viel mehr Strom haben will, wie dein Transistor zu liefern gewillt ist. In dem Fall geht er schnell kaputt. Es hängt vom Trasnsitortyp ab, aber auch von der Größe des Basisistromes. PS - Gute Nacht!
Hallo ! Ich hab das Gehäuse doch von unten etwas öffnen können und sehe jetzt welche zwei Drähnte (Rot(+), Schwarz(-) zum Motor gehen. Diese Drähte gehen direkt zum Motor. Es sind die unteren Batterien im Batteriefach. Hilft das jetzt weiter ? Den Transistor den ich benutze ist der BC140 !
Was ist mit GND? Hast du es mit dem Emitter verbunden? Noch was: Das Teil muss doch auch ein Schalter/Taster/Abzug/... haben. Den musst du natürlich auch betätigen. ;-) PS: Was habt ihr eigentlich alle mit dem Motor? Dessen genaue Position ist doch bei dieser Beschaltung völlig irrelevant. Vorher haben Batterien und Motor einen Stromkreis gebildet. Er hat eine Batterie rausgenommen, um einen Transistor in diesen Stromkreis einschleifen zu können. Und da ihm zum Schalten eine weitere Spannungsquelle zur Verfügung steht, ist die Position des Transistors im Stromkreis egal.
Ich habe einfach mal die eine Batterie raus gelassen. Sprich: Vom Hauptminus in den Emitter und dann vom Collector an den Pluspol des Batteriefaches wobei dieses Pluspol wieder mit einem Minuspol der anderen Batterie verbunden ist...
@ Stefan Ernst: Ich liebe dich ^^, endlich einer der meine Sprache spricht. Den Abzug betätige ich natürlich und GND des Steuerstromkreises ist mit dem Emitter verbunden. Was mir Kopfschmerzen bereitet ist die Reihenschaltung. Reihe ist ja: + - + - + - + - usw... ich habe jetzt dem Hauptminus gefunden. Ich habe das jetzt versucht: + - + - +=Collector -=Emitter. Wenn ich den Abzug betätige wird der Transistor nur warm... ich weiß eben nicht ob der Warm wird weil es falsch angeschlossen ist, oder weil er nicht stark genug ist....
Vom Aufbau her sollte es jetzt so passen. Ich würde die eine Batterie allerdings nicht ganz weglassen, sonst ist die Spannung vielleicht nicht hoch genug (der Transistor "klaut" dir auch nochmal mindestens 0,6V). Ansonsten: - Batterien noch voll genug? - Transistor auch wirklich richtig angeschlossen? (das Beinchen bei der kleinen Metallnase ist der Emitter, und die Basis ist das mittlere Beinchen) Ich kenne das Spielzeug aber nicht, vielleicht ist 1A auch einfach zu wenig, damit sich da was rührt.
funktioniert das teil (motor) eigentlich wenn du es ganz normal betreibst? (ohne transistorschaltung). wenn nicht wird es mit transistor auch nicht funktionieren.
Ja der Motor läuft ohne Transistor einwandfrei ! Meine Frage: Wenn die Batterien in Reihe geschaltet sind, addiert sich doch die Spannung aber die Stromstärke bleibt. Also ich habe 6*1.2V und 1100mA sprich 1.1A. Dementsprechend nimmt der Motor sich doch diese 1.1A oder nicht ? Wenn der Transistor aber nur max. 1A abkann und mein Collectorstrom (Batterien) 1100mA (1.1A) hat, verträgt der Transistor das nicht. Oder kommt das nicht auf diese 0.1A an ??? Was für Bauteile gibt es noch um mein Problem zu lösen ? Vielleicht ein Relais ?? Danke !
Hans wrote: > Meine Frage: Wenn die Batterien in Reihe geschaltet sind, addiert sich > doch die Spannung aber die Stromstärke bleibt. Also ich habe 6*1.2V und > 1100mA sprich 1.1A. Dementsprechend nimmt der Motor sich doch diese > 1.1A oder nicht? Das vergiss ganz schnell wieder. Der Motor könnte auch 10A ziehen. Da steht sicherlich auch nicht mA, sondern mAH. Das bedeutet (grob gesagt), dass wenn die Last (Motor) 1.1A zieht, die Akkus nach ca 1 Std leer sind. > Was für Bauteile gibt es noch um mein Problem zu lösen ? Vielleicht ein > Relais ?? Ja, wenn du nur Ein/Aus-Schalten willst, geht auch ein Relais, oder auch ein MOSFET.
Hallo Stefan ! Ich habe hier noch einen L298 rumstehen... geht das damit auch ? Das ist ja ein DUAL FULL-BRIDGE DRIVER für Motoren.
>Da steht sicherlich auch nicht mA, sondern mAH.
Wenn, dann mAh (milli Ampere hour)
> Ich habe hier noch einen L298 rumstehen... geht das damit auch ? Das ist > ja ein DUAL FULL-BRIDGE DRIVER für Motoren. Ähm, jein. Es wäre ein ziemlicher Overkill, würde aber gehen. Ist aber komplizierter, du könntest es nicht einfach in das Vorhandene einschleifen, sondern müsstest beide Verbindungen zwischen Batteriefach und Motor auftrennen.
Hi Stefan, ich habe mal ein altes Gerät auseinander zerlegt und hab da ein Transistor ähnliches Baustein gesehen. Es ist ein BUK45 PowerMOS Transistor: http://www.ortodoxism.ro/datasheets/philips/BUK453-100B.pdf Damit müsste es doch gehen oder ? Es verträgt bis zu 14A.
Ja, mit geringfügig geänderter Beschaltung: Drain ist die "positivere" Seite (entsprechend dem Kollektor). Mit dem Widerstand verbindest du Gate und Source (kann ruhig größer sein als die 1k). Source auch an GND von der Steuerspannung. Zum Einschalten das Gate direkt an die 5V (Achtung, wenn du das später mit PC oder µC machen willst, sollte da noch ein kleiner Widerstand zwischen).
Hab das so gemacht wie du es beschrieben hast. Also Source habe ich an Hauptminus des Motors und Drain wiederum an den Minus der nächsten Batterie.
Der Motor quickt nur so leise rum aber es passiert nix... (Motor ist noch in takt hab es nochmal getestet)
Die 5V Gatespannung sind warscheinlich zu wenig. Source hängt also an "Hauptminus"? Dann verbinde das Gate mal versuchsweise mit dem Pluspol des "obersten" Akkus (also quasi "Hauptplus"). Natürlich anstatt der 5V, nicht an beides. ;-)
Ehmm.... also da kam nur rauch und funken !. Transistor ist aber nicht heiß geworden und Motor geht noch (wieder ein Test gemacht)
Wie viel kann ich an Gate anlegen? Ich habe noch ein anderes NEtzteil bis zu 14V.
> Ehmm.... also da kam nur rauch und funken !. Dann ist der Aufbau nicht so, wie ich es mir vorstelle. Ok, nochmal lesen, .... Mein Fehler, sorry (peinlich), du musst natürlich Drain und Source tauschen. > Wie viel kann ich an Gate anlegen? Ich habe noch ein anderes NEtzteil > bis zu 14V. Probier es erst nochmal mit den 5V, 14V gehen aber auch.
Ehmm kannst du das mal irgendwie komplett alles beschreiben ? Irgendwie bin ich durcheinander gekommen...
Dein Schaltelement besteht aus: BUK, einem Widerstand zwischen Gate und Source, und der Steuerspannung (+ ans Gate, - an Source). Jetzt gibt es Hausaufgaben: :-) Dieses Schaltelement musst du nun in den Stromkreis integrieren, so dass der Strom von Drain nach Source durch das Schaltelement fließt.
Ich meine mit beschreiben ob du mir mal nen kleinen schriftlichen Schaltplan schreiben könntest :). Die Bauteile kenn ich soweit. Tut mir leid.. hab mich falsch ausgedrückt. :(
> Ich meine mit beschreiben ob du mir mal nen kleinen schriftlichen > Schaltplan schreiben könntest :). Die Bauteile kenn ich soweit. ??? Steht doch alles da. ... Widerstand zwischen Gate und Source ... Steuerspannung (+ ans Gate, - an Source) ... Strom von Drain nach Source durch das Schaltelement ...
Also Stefan: Ich hab den Minus des Motors an Source angeschlossen. Drain ist an den Minus der anderen Batterie verbunden (damit ja der Kreislauf realisiert ist). Gate mit einem 1k Widerstand an Source angeschlossen. Jetzt habe ich noch den Pluspol der Steuerspannung an Gate und den Minus der Steuerspannung auch an Source. Wenn ich abdrücke läuft der Motor, aber der Motor läuft auch wenn ich die Steuerspannung 5V vom Gate entferne.. also als würde es überbrückt sein. Das ist ja nicht der Sinn der Sache....
> Ich hab den Minus des Motors an Source angeschlossen. Drain ist an den > Minus der anderen Batterie verbunden (damit ja der Kreislauf realisiert > ist). Nein! Überlege mal, wie der Strom fließt. Er fließt vom Minus des Motors zurück zum Batteriefach. Dazu mein Text: > Dieses Schaltelement musst du nun in den Stromkreis integrieren, so dass > der Strom von Drain nach Source durch das Schaltelement fließt. Und nun überlege noch mal.
Sach mal... langsam werd ich aber suicid gefärdet.... das kann doch net so schwer sein.... ich habe mir tausend mal den Schaltplan aufgezeichnet, aber ich komm nicht drauf.
>aber der Motor läuft auch wenn ich >die Steuerspannung 5V vom Gate entferne Nur mal so als Anmerkung: Ein MOSFET sperrt nicht unbedingt, wenn man die Gate-Elektrode umbeschaltet läßt. Man sollte Gate schon auf definiertes Potential legen.
Dreh das Schaltelement einfach um. Der Strom fließt vom Pluspol des Batteriefachs zum Plus des Motors, durch den Motor durch, von Minus des Motors zum Minuspol des Batteriefachs (dein "Hauptminus", wenn ich das richtig verstanden hab), durch das Schaltelement (von Drain nach Source), dann weiter durch die Akkus (in den Akkus von - nach +) zum Pluspol des Batteriefachs, ....
Stefan Salewski wrote: > Ein MOSFET sperrt nicht unbedingt, wenn man die Gate-Elektrode > umbeschaltet läßt. Wo steht denn, dass das Gate unbeschaltet ist?
Langsam verliere ich auch die Geduld, und das will schon was heißen. Der Schaltplan ist prinzipiell richtig, aber was hat der mit deiner Situation zu tun? Ich denke, du hast das Schaltelement INNERHALB des Batteriefachs!
" Ich denke, du hast das Schaltelement INNERHALB des Batteriefachs!" Ja weil ich die Lötstellen des Batteriefaches nicht abmachen will.. muss ich das in den Batteriefach rein machen. Es tut mir leid, wenn ich das nicht so verstehe und ich deine Geduld/Zeit in Anspruch nehme. Ich weiß aber nicht wie ich das in den Batteriefach rein bauen soll.
Stefan Ernst (sternst) schrieb am 21.03.2008 um 19:54 Uhr:
>Wo steht denn, dass das Gate unbeschaltet ist?
Naja, er hatte irgendwas geschrieben wie "aber der Motor läuft auch wenn
ich die Steuerspannung 5V vom Gate entferne.."
Ich möchte mal wissen wie er Gate, Source und Drain unterscheiden will,
wenn er nicht weiß, wie man einen Strom misst. Nein, ich will es doch
lieber nicht wissen...
Stefan Salewski Bitte erlöse mich mit deinen Kommentaren. Ich kann Gate Source Drain unterscheiden. Mach von mir alles andere was du willst, aber poste einfach nicht solche Kommentare.
Stefan Salewski wrote: > Naja, er hatte irgendwas geschrieben wie "aber der Motor läuft auch wenn > ich die Steuerspannung 5V vom Gate entferne.." Er hatte (oder hat) den MOSFET verkehrt herum drin, der Strom ging über die Body-Diode.
so nun reicht es mir... ich sorg dafür das es so wird wie in meinen Schaltplan ! Ich versteh das nicht wie ich das in den Batterfie reinschalten soll. Ich habe viele sachen versucht aber es geht nicht. Hab Drain und Source vertauscht und geht auch nicht.
Hans wrote:
> Hab Drain und Source vertauscht und geht auch nicht.
Nur Drain und Source, oder das komplette Schaltelement?
Ich befürchte fast, dass du nicht ganz verstanden hast, dass das, was
ich weiter oben als "Schaltelement" beschrieben habe, so erhalten
bleiben muss. Du musst das ganze Teil umdrehen.
Nur Drain und Source... Ich hab doch nur wie gesagt eine Batterie aus dem Fach genommen und an dessen Anschlusstellen möchte mein MOSFET rein ballern, damit ich einen Schalter habe.
Hans wrote: > Nur Drain und Source... > > Ich hab doch nur wie gesagt eine Batterie aus dem Fach genommen und an > dessen Anschlusstellen möchte mein MOSFET rein ballern, damit ich einen > Schalter habe. Ja, aber der MOSFET, der Widerstand und der Anschluss der Steuerspannung bilden quasi eine Einheit, das ist das "Schaltelement". Ich weiß nicht, ob dir klar ist, dass z.B. der Widerstand IMMER zwischen Gate und Source muss, auch wenn du den MOSFET umdrehst. PS: Irgendwie habe ich das Gefühl, das artet hier in Realsatire aus.
Hallo ! Also ich habe jetzt die Anschlussstellen des Motors vom Batteriefach abgemacht, so dass ich nicht in den Batteriefach eingreifen muss, sondern den Batteriefach als ein Ganzes betrachen kann. Jetzt habe ich alles aufgebaut wie in meinem Schaltplan und es geht immer noch nicht ! Vielleicht ist ja der MOS beschädigt ?
Das ist ein N-Kanal Mosfet, also funktioniert deine Schaltung. Wenn du ihn vor dir liegen hast, also wie im Datenblatt, dann ist links das Gate, die Mitte ist Drain und rechts Source. Alles richtig angeschlossen? Liegen wirklich 5V am Gate an?
Ja wie gesagt: Gate ist angeschlossen an 5V. Gate ist mit 1k an Source angeschlossen. Source ist angeschlossen an Minus des Batteriefaches. Source ist anegschlossen mit GND der Steuerspannung (5V GND) Drain ist angeschlossen mit dem Motor. Plus des Batteriefaches geht zum Rotenkabel des Motors und Schwarzeskabel des Motors geht in Drain. Stimmt das soweit ?
>PS: Irgendwie habe ich das Gefühl, das artet hier in Realsatire aus.
LOL
Ich hatte gestern schon aufgegeben ...
Vielleicht ist der MOSFET einfach kaputt.. gehe ich mir morgen welche kaufen. Welchen könnt ihr mir empfehlen ??
@Hans kleine Hilfstellung gefällig?: 1)klemm anstelle des Motors eine Glühlampe mit gleichen Spannungs/Leistungsdaten an.Wenn`s geht ist der Motor evtl.hin. Motor kann auch durch Direktbeschaltung an der Batterie auf Funktion geprüft werden. 2)Motor kurzzeitig umpolen (Anschlußdrähte vertauschen) Da dürfte sich nur die Drehrichtung ändern.Vielleicht ist im Motor eine Schaltung die Ärger macht. 3)Du kannst aber auch testweise mit einem Schraubendreher Source und Dräin kurzschließen (Motor müßte laufen,eine ersatzweise Lampe leuchten). 4)Datenblatt wegen der Pinbelegung nochmal genau prüfen ob Darstellung der Pin`s von der Lötseite oder Bestückungsseite (manchmal etwas verwirrend) Da könnte der Fet spiegelverkehrt beschaltet sein. Für eine Empfehlung müßte man die Motordaten kennen oder ermitteln. (z.B.einen niederohmigen Widerstand ca.1 OhM/10Watt in Reihe mit der batterie und dem Motor schalten,in Betrieb nehmen und mit dem Voltmeter die Spannung am Widerstand messen. I=Ur/R :Ur ist die Messspannung am Widerstand Die Motorleistung beträgt dann P=(Ubatt.-Ur) x I (Ubatt=Batteriespannung im Betrieb) In der Reihenschaltung ist der Strom durch dem Motor gleich dem Strom durch den Widerstand. Den Anlaufstrom kann man hilfsweise durch kurzzeitiges blockieren des Motors mit der gleichen Messung ermitteln. DAnn läßt sich auch ein Transistor vorschlagen. Lötkünstler <Mit der Lizenz zum Löten>
>>Den Anlaufstrom kann man hilfsweise durch kurzzeitiges blockieren des >>Motors mit der gleichen Messung ermitteln. Da sollte man lieber ein Ohmmeter nehmen und rechnen. Ein sehr billiger Motor wird das vieleicht nicht verzeihen.
@ Bastler (Gast) >Da sollte man lieber ein Ohmmeter nehmen und rechnen. Ein sehr billiger >Motor wird das vieleicht nicht verzeihen. Daher ja auch kurzzeitig(ca.5sek.)bis der Wert in der Geräteanzeige gelesen werden konnte.Poste lieber etwas nützliches für Hans. Wenn Hans über geignetes Wissen in Elektrotechnik und Gerät verfügt kann er es auch berechnen.(Ich habe nur was von einem Voltmeter gelesen) Man kann nur nehmen was man hat wenn man weiß was man tut. Lötkünstler <Mit der Lizenz zum löten>
@Hans: Wie baust du deine Schlaltung den auf? Lötest du sie auf
Lochraster zusammen, oder nimmst du ein Steckbrett?
Oft liegen Fehler im Aufbau vor, z.B. durch schlechte Kontakte
(besonders Steckbrett), die Strippen mit den Krokodilklemmen haben bei
mir oft Probleme gemacht.
>>Poste lieber etwas nützliches für Hans.
Hans ist hier mit Informationen überschüttet worden, was er braucht ist
etwas Zeit sich in die Materie reinzudenken.
Im übrigen ist mein Hinweis insoweit "nützlich", dass er sich durch
solche Tips seinen Motor nicht zerstören soll, den sonst hat er nichts
von dem Ganzen hier nichts gehabt.
>Hans ist hier mit Informationen überschüttet worden, was er braucht ist >etwas Zeit sich in die Materie reinzudenken. Sehe ich zwar genauso,aber das hängt auch ein wenig von uns ab. Allerdings sind nur wenige Posts hier nützlich.Das müßte Hans erst mal ausfiltern. >Im übrigen ist mein Hinweis insoweit "nützlich", dass er sich durch >solche Tips seinen Motor nicht zerstören soll, den sonst hat er nichts >von dem Ganzen hier nichts gehabt. Doch Erkenntniss,das es so nicht geht. So schnell geht das nicht,du kannst Ihm aber gern eine Methode nennen wie er für die Transistorauswahl an die benötigten Motordaten kommt. Natürlich sollte das nachvollziehbar sein. Ein Risiko ist immer beim Basteln.Wenn man dann auch nicht über das Kow-how und die Mittel (z.B.Lötkolben,Multimeter)verfügt wirds schwierig. Wenn`s nicht klappt haben wir genauso versagt,weil unsere Tips dann wirkungslos waren(z.B. weil wir nicht verstanden wurden). >>Da sollte man lieber ein Ohmmeter nehmen und rechnen. Ein sehr billiger >>Motor wird das vieleicht nicht verzeihen. Nah dann rechne mal vor. Lötkünstler <Mit der Lizenz zum löten>
>>Doch Erkenntniss,das es so nicht geht. Warum gibst du "Tips" mit denen er sich sein Gerät kaputt machen kann? >> ...Transistorauswahl an die benötigten Motordaten kommt Wollen wir hier eine hochdynamische Steuerung entwerfen, oder einen Motor Ein- und Ausschalten? >>Nah dann rechne mal vor. Wir reden hier von einem Minimotor in einer Softair-Pistole. Der wird keine paar Watt haben. Also kann er jeden Transitor nehmen, der 2A schalten kann und einen niedrigen Rdson hat. Ich empfehle ihm einen BUZ11. Wir tun ihm keinen Gefallen damit, wenn wir einen Transistor rauspicken, der gerade noch so die Anforderung erfüllt und bei einer Fehlbehandlung direkt kaputt ist. @Hans: Den gennanten BUZ11 wirst du in jeden Elektronikgeschäft kaufen können, er hat ein TO220-Gehäuse (ca. 1cm * 1.5cm). Für Versuche halte ich ihn für geeignet, weil er ein robustes Gehäude hat und er sehr viel mehr schalten kann, als dein Motor braucht. Der Preis dürft um die 50cent sein. Die Anschlussbelegung findest du im Datenblatt hier: http://www.csd-electronics.de/data/pdf/BUZ11.pdf
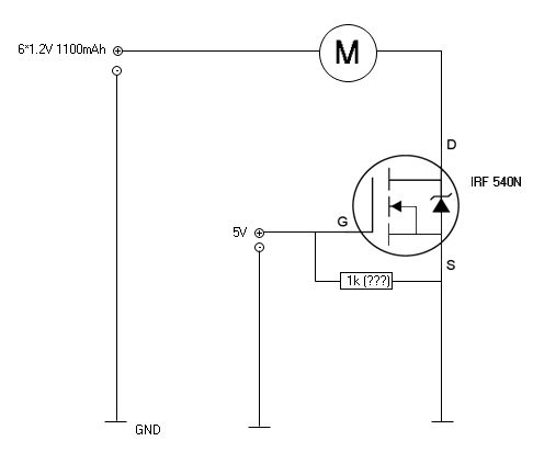
@Bastler: Vielen Dank für deine nützlichen Hinweise ! Ich war heute bei Conrad und habe mir einen MOSFET mit N-Kanal gekauft, der bis zu 33A schalten kann. Ich gehe davon hinaus, dass das reichen wird. Den MOSFET findet man hier: http://www.irf.com/product-info/datasheets/data/irf540n.pdf Gestern habe ich mit einem Steckbrett gearbeitet. Heute werde ich es löten. Eine Frage hätte ich noch und zwar reicht eine Gate Spannung von 5V überhaupt aus ? Wie kann ich das ausrechnen. @Alle: Ihr habt natürlich recht, ich kenn mich mit der Materie noch nich so sehr gut aus und werde es lernen. Ich fange bald in der Hochschule an und nehme Elektrotechnik (ihr könnt jetzt vielleicht lachen und denken das ich das net schaffen werde oder das dieser Bereich nicht für mich geeignet ist). Wenn ich damit anfange, werde ich sowieso die ganzen Grundlagen lernen. Leider hatte ich bis jetzt (13. Klasse) das Thema ELektrotechnik nicht sehr durchgenommen, was ich auch sehr schade finde. Bedanke mich nochmals an alle, dass ihr so viel Geduld habt :).
Ich hatte mich verschrieben... Ich hab so ein Multifuntkionsmessgerät wo ich auch den Widerstand rechnen kann. Hab ihr auf dem Gerät: 200 2000 20k 200k und 2000k stehen. Ist wahrscheinlich ein Ohmmeter. Kann man den Widerstand des Motors nicht ausrechnen indem man Plus und Minus an das Messgerät anschliesst ? Bei Schrittmotoren hatte ich mal den Widerstand so ausgerechnet, kann auch was anderes gewesen sein...
>Eine Frage hätte ich noch und zwar reicht eine Gate Spannung von 5V >überhaupt aus ? Wie kann ich das ausrechnen. Nicht ausrechnen, sondern im Datenblatt nachschauen - deshalb sind die da. In dem Fall kann man es aus Fig.3 entnehmen. Bei 5V UGS kann er rund 20A.
Soo Hans, 1. heißt das Ding Soft Air (nicht AirSoft). 2. kauf Dir am besten ne neue, das schont Deine Nerven und die aller Anderen auch. (kostet ca 15€ so en Ding)
@Gast: 1. http://de.wikipedia.org/wiki/Airsoft 2. Wieso sollte ich mir eine neue kaufen ? Ich will die nicht reparieren, sondern nur sie steuern.
Hallo Hans, Der IRF ist genau wie der BUZ11 weit überdimensioniert (wen stört das, wenn er billig ist) und deshalb zum experimentiern gut geeignet. >>...wahrscheinlich ein Ohmmeter. Ja. >>Kann man den Widerstand des Motors nicht ausrechnen indem man Plus und >>Minus an das Messgerät anschliesst ? Der Wert wird (nicht ganz) direkt angezeigt. Der Haken: Auch gute Multimeter können Widerstände unter 10 Ohm nicht sehr genau messen. Deshalb nach der Messung die Messleitungen kurzschließen und den dann angezeigen Wert von der Motor-Messung abziehen (im Idealfall Null). Dieser Wert ist trotzdem nur ein grober Daumenwert. Der Vorteil ist, das es schnell geht. Wenn ein einstellbares Netzgerät vorhanden ist: Wie Künstler es beschrieb mit Vorwiderstand anschließen, langsam die Spannung hochdrehen, bis der Motor gerade in Bewegung kommt. Dann blockiert man erst die Welle und misst. Das setzt natürlich voraus, dass man an die Welle rankommt.
Hallo Bastler. An den Motor komm ich nicht dran... und es ist nicht direkt eine Welle, sondern der Motor zieht soweit ich weiß eine Feder an und diese wird dann wieder entspannt. Diese Feder beschleunigt dann eine kleine Plastik Kugel die kinetische Energie aufnimmt. C.a. 0.4J. Warum muss ich den Gate und Source mit einem Widerstand verbinden und wie groß sollte dieser sein ? Ich habe jetzt im Anhang eine bessere Schaltung gepackt. Diese sollte soweit stimmen.
Die Schaltung stimmt, der Widerstand ist nögig, da sich das Gate vom FET wie ein kondensator verhält und sich leicht durch umwelteinflüsse aufladen kann, wenn es garnicht angeschlossen wird.
Um ein Bild in dieser Art hatte ich gestern oder vorgestern schon gebeten! Deshalb ein Lob! >Warum muss ich den Gate und Source mit einem Widerstand verbinden und >wie groß sollte dieser sein ? Zwischen Gate und Source hat der FET ein relative große Kapazität (nF-Bereich) und außerdem ist das Gate extrem hochohmig. Wenn du die angelegten 5V wegnimmst, dann entlädt sich diese Kapazität sehr langsam. Damit das schnell geht, muss ein Widerstand diese Kapazität entladen. Wie groß? Wieviel Strom kann/soll deine 5V-Quelle maximal liefern bzw. darf sie liefern bzw. gestehst du ihr zu dass sie liefern darf? 5V geteilt durch diesen Strom ergibt den Widerstandswert.
>Warum muss ich den Gate und Source mit einem Widerstand
Schönes Bildchen!
Mich verwirrt etwas, dass Du eine Masseleitung zur Gate-Elektrode
eingezeichnet hast, wo doch Gate eh über 1k an Masse liegt.
Dir ist schon klar, dass Du die Gate-Elektrode an des Pluspol der
Batterie legen musst, wenn der Motor laufen soll?
>5v ist ne andere stromquelle
Ah ja, aber die darf/soll nur dann mit Gate verbunden werden, wenn der
Motor laufen soll (Taster oder ähnliches).
Aber so müsste es im Prinzip funktionieren.
Wenns noch immer nicht geht: - nimm die Steuerspannung weg, miss zwischen S und D die Spannung. Sollten deine 6-8V Batterie sein. - nimm ein Stück Draht und verbinde S und D. Der Motor muss jetzt laufen. Ja? - mach den Draht wieder ab, nimm die Steuerspannung und schließe sie an das Gate an. Der Motor muss jetzt laufen. Nein? Dann kaufe dir einen neuen FET. Beachte: Das Gate am FET ist sehr empfindlich auf elktrostatische Entladungen. Deshalb ist das Teil u.U. schneller kaputt als du dir vorstellen kannst.
Nachtrag zu: >- mach den Draht wieder ab, nimm die Steuerspannung und schließe sie an >das Gate an. Der Motor muss jetzt laufen. Nein? Dann kaufe dir einen >neuen FET. Miss auch die Steuerspannung, wenn sie angeschlossen ist. Muss 5V betragen. Kauf dir erst danach nen neuen FET.
Ich bau das jetzt mal auf meinem Steckbrett auf und überprüfe ob die Kabel gut sitzen.. bis jetzt hatte ich keine Probleme damit. >>Beachte: Das Gate am FET ist sehr empfindlich auf elktrostatische >>Entladungen. Deshalb ist das Teil u.U. schneller kaputt als du dir >>vorstellen kannst. Wie kann ich das vorbeugen ?
>Wie kann ich das vorbeugen ?
ESD-Arbeitsplatz. Selber an mal an geerdete Teile, an die Restschaltung
und an die ESD-Tüte fassen, bevor der FET angefasst wird.
Den FET nicht unnötig aus der ESD-Tüte nehmen.
Ev. mit Alupapier G-S-D kurzschließen und erst nach dem Einlöten
entfernen.
Das Gate nicht unnötig mit den Fingern anfassen.
PS: wir haben die 100 voll!
Oha... 100 ?? Ist das schlimm, wenn es 100 sind ? Oder belasten wir zusehr den Server ?? :)
Habe gerade Kontakt zu einem aufgenommen, der sich im Bereich Elektronik für Soft Airs auskennt. Er meinte das 33A definitiv zu wenig wären.
>Habe gerade Kontakt zu einem aufgenommen, der sich im Bereich Elektronik >für Soft Airs auskennt. Er meinte das 33A definitiv zu wenig wären. http://www.blackic3.de/MSC/index4.php?site=articles&action=show&articlesID=6 Da steht was von 20 bis 35 Ampere -- hätte ich nicht gedacht. Die Methode "Sich zuerst informieren, dann ..." hat manchmal doch Vorteile. Wenn der Strom wirklich so groß ist, wird der FET evtl. recht heiß -- also nur kurz testen, sonst geht er kaputt.
Gehen wir mal so dran: Wie lange halten die Akkus im "Dauerfeuer" ? Darüber lässt sich abschätzen, wieviel strom der Motor zieht, wie Dick sind die Kabel? für 33 oder mehr Ampere bräuchte man schon ordentliche Kupferklötze ;)
Also ich habe alles angeschlossen wie in meinem Schaltlan. Der Motor läuft... nur der Motor läuft auch wenn die Gatespannung weg ist... Wenn der Motor läuft wird dieser MOSFET im gegenteil zum anderen (von gestern) nicht heiß.
Hans (Gast) schrieb am 21.03.2008 um 20:27 Uhr: >Bitte erlöse mich mit deinen Kommentaren. Ich kann Gate Source Drain >unterscheiden. Ganz sicher?
Mein Gott: Links ist GATE mitte DRAIN dann SOURCE Wenn man den MOSFET so legt, dass er auf der glatten Seite liegt.
Wird das ein Wortspiel ? Also: Man legt den MOSFET so das man vorne das schwarze Gehäuse sieht und nicht die Seite wo alles Metall ist.
Weiter munteres Rätselraten... Du weißt, dass das Gehäuse mit einem der Beinchen el. Kontakt hat? Geht der Motor denn aus, wenn Du das Kabel von Source oder Drain abklemmst? Du hast Gate über den 1k Widerstand mit Source/Masse verbunden? Ist es wirklich ein 1k Widerstand. Hast Du wirklich den FET, den Du glaubst zu haben?
Ich weiß doch wohl wie man sowas schaltet. Ich habe damals die L297/L298 Schrittmotorsteuerung gelötet und die funktioniert.. dann werd ich das doch wohl können.. meine fresse.
Miß den FET doch mal mit deinem Meßgerät durch (D-S Strecke). Vielleicht ist er hinüber. In deiner Schaltung vermisse ich die schon zweimal vorgeschlagene Diode. Überspannung mögen die FETs gar nicht. Und wenn der Einschaltstrom dieser Motoren wirklich so groß ist, brauchst du neben einem größeren FET wahrscheinlich auch eine höhere Steuerspannung. Bei deinem Transistor und 5V ist ja bei ~18A schluß. Die Größe des Widerstandes ist fast egal. Nur kleiner als 1k sollte er nicht unbedingt sein um den AVR zu schonen. Nach oben hin darf er gerne bis 100k gehen. Du brauchst keine Schaltzeiten im µs Bereich. Aber ich würde noch einen zweiten Widerstand (1k) in Reihe zum Gate einbauen. Die G-S Strecke stellt im Einschaltmoment einen Kurzschluß dar. Dein 33k Widerstand würde gut dazu passen.
>Also bei laufendem Betrieb D S Strecke messen ?
Eher ohne Betrieb, also MOSFET allein.
Ich vermute jetzt auch, dass er kaputt ist, also Kurzschluss zwischen
Source und Drain. (Zerstörung durch Überspannung, zu hohen Strom oder
Temperatur.)
Nein, ohne Spannung mit dem Durchgangsprüfer. Wenn er zerschossen ist hast du da wahrscheinlich einen Kurzschluß zwischen den Pins. Kurze Stromstöße außerhalb der Nennbelastbarkeit stecken die Teile meist gut weg, Spannungsspitzen nicht.
Also ich soll den D S Streck emit einem Messgerät messen. Gatespannugn soll nicht an sein. Aber D S sollen an die Batterie dran sein oder wie ? Was sollte das Messgerät denn anzeigen wenn der MOSFET noch heile ist.
Will mal bei dem Kuddelmuddel mal mitmischen. Mr. Hans, dein Schaltplan.gif ist soweit ok. Der IRF540 schaltet lt. Übertragungskennlinie (s. Datenblatt) auch bei 5V (Gatespannung) aber wozu die extra 5V? Laß die 5V weg und der Gatewiderstand (1k oder auch 33k) muß bleiben, damit das Gate nach Masse entladen werden kann. Das Gate ist nichts weiter als eine Kondensatorplatte, die den Strom zw. Drain und Source steuert. Ist Das Gate genügend Positiv geladen (mit + verbunden), wird die Drain-Source Strecke niederohmig (Motor läuft). Daher verbinde das Gate direkt an den 6x 1,2V Batterie-Pluspol. Wenn das Gate keine Spannung mehr von + bekommt, entlädt es sich über den Widerstand am Gate nach Masse, Gatespannung = 0, Drain-Source Strecke hochohmig, Motor steht. Der Strom über das Gate nach Minus ist übrigens 0 (leistungslose Ansteuerung), nur durch den Widerstand (33k, 1k) fließt Strom, aber auch egal. So einfach ist es im Prinzip. Läuft der Motor ständig, ist Drain und Source verpolt. Das Metallteil, die galtte Fläche, blabla, das ist die Kontaktfläche für einen Kühlkörper, mach dir keinen Kopp, brauchste nicht. Diese glatte fläche ist aufbautechnisch verbunden mit dem mittleren Bein des IRF540, bitte beachten! Den MOSFET gegen ESD, statische Aufladungen schützen kannst du, indem du alle 3 Beine NUR IM AUSGEBAUTEN ZUSTAND miteinander mit was leitfähigen verbindest, z.b. Stüxgen Alu-Folie drumwikkeln oder den gazen MOSFET in Alu einwickeln. Wenn jetzt immernoch irgendwas nicht funxioniert, dann hat dein Aufbau einen Fehler. Entweder falsch verkabelt oder Bauteile defekt, beschissene Kontakte, Akku leer usw. Anonsten mach mal ne Fotosession von dem Aufbau, damit man sich das ganze mal vorstellen kann, wie das aussieht.
Du galubst doch nicht ernsthaft, daß ich mir das gesamte geblubber reingezogen hab? EIn hier ein da, daß muß reichen.
> Also ich soll den D S Streck emit einem Messgerät messen. Yep. > Gatespannugn soll nicht an sein. Genau. > Aber D S sollen an die Batterie dran sein oder wie ? Nein, ohne Batterie. > Was sollte das Messgerät denn anzeigen wenn der MOSFET > noch heile ist. Bei einer Messung im Widerstandsmeßbereich sollte die Strecke sehr hochohmig sein (Megohm). Der Widerstand zwischen G und S sollte aber angeschlossen bleiben. Im Meßbereich 'Diode' sollte je nach Polarität der Meßleitung die Diffusionsspannung der S-D Diode zu sehen sein (~550mV) oder aber nichts (bzw. 0L).
Hallo let, Ich habe das Messgerät auf 2000k gestellt (mehr hab ich net) und mal den Widerstand von D S mit verbundenem G S 1K wiederstand gemssen. Das Messgerät zeigt nur 1 an mehr nicht. Im Diodenbereich ebenfalls nur 1.
Ok let: Ich habe in DIODENBereich gestellt und mal Minus des MEssgeräts an D und Pluskabel an S. Er zeigt mir c.a. 440 an, wahrscheinlich 440mV. Der Diodenbereich ist doch das Symbol mit einem Punkt über einer DIODE oder täusche ich mich da ?
>>Im Diodenbereich ebenfalls nur 1.
In beiden Richtungen? Meßstrippen mal verpolt?
O.k., das mit dem Diodenbereich ignoriere ich mal. Aber eine 1 im 2M Bereich sollte 1k bedeuten. Das könntest du nochmal im 20k Bereich prüfen. Dann miß auch mal die D-G Strecke bei abgeklemmter Steuerleitung (33k bleiben drin). Klingt nach einem D-G Schluß.
Naja ist mehr keine Eins sondern das Standard Zeichen was da steht... Im Diodenbereich habe ich ja was stehen. 440mv
Mit dem Punkt über wasweisich, wir kennen dein Meßgerat nicht (Modell?? Typ???)!!! Aber wenn du den Wert 440 im Diodenmeßbereich mit Minus an D und Plus an S hast, dann paßt das! Das sind, ja richtich, 440mV, die an der Diode abfallen (Schwellspannung). Ob 550mV oder 440mV oder 592mV, egal, hauptsache im Breiech von grob 400mV bis 600mV. Die Testmethode ist auch nur ne grobe Abschätzung, ob der MOSFET nocht lebt. Andersherumgepolt darf dein Meßgerät aber nix anzeigen, mein eines zeigt in dem Fall OL (Open Load) an, das andere 1765.4 oder sowas, hat eben nen leichten Schaden.
>> Er meinte das 33A definitiv zu wenig wären.
Ich habe dich doch richtig verstanden, das deine Soft-Air von 6
Mignonzellen (AA) gespeist wird!?
Wenn ja, dann können keine 33A fließen, weil die Zellen das einfach
nicht bringen.
Die Profis greifen auf Hochleistungszellen aus dem Modellbaubereich
zurück, die diese Leistungen wirklich liefern können.
Zum messen des Fet: Messgerät auf Ohm schalten, Plus an Drain, Minus an
Source.
Gate und Source miteinander verbinden: Messgerät muss das anzeigen, was
es anzeigen würde, wenn gar kein Widerstand angeschlossen wäre (FET
sperrt).
5V über Widerstand zwischen Gate und Source anlegen: Messgerät muss
niedrigen Widerstand anzeigen (FET leitet).
Wenn dein FET sich so verhält, ist er in Ordnung.
Ja wie gesagt.. das zeigt er an. Aber meine Schaltung geht immer noch nicht. Ich habe sie jetzt sogar gelötet und es geht immer nocht net. Ich mein ich bin ja nicht so sehr top in diesem Bereich aber so unfähig bin ich doch auch nicht.
Aha, ich dachte auch erst an einen 1k Widerstand zwischen G und S. Aber da sind ja 33k drin... Das sieht jedenfalls vernünftig aus. Wenn der FET also nicht verpolt ist und das Kühlfähnchen nirgens angeschlossen ist, bleibt mir als Erklärung nur noch das es weiterhin eine Spannung zwischen G und S gibt. Ich plädiere ebenfalls für ein Foto vom Aufbau.
Also mein Multimeter zeigt auch enie 1 an (und sonst nix) wenn keine Last oder nix zum messen oder außerhalb des Messbereichs gemessen wird, daher denke ich, dass dein FET noch lebt, bist du dir sicher, dass du die Batterie richtig rum dran hast?
Die Messung im Diodenbereich des Messgerätes ist sehr hilfreich. Mit Minus des Messgerätes an D und Plus an S muss tatsächlich eine Spannung um 400mV gemessen werden. Dann sind die Chancen gut, dass der IRF540 noch in Ordnung ist. Mit Minus an S und Plus an D sollte das Messgerät dann keinen Wert mehr anzeigen können (blinken oder ähnliches). Grüße, Peter
@Bastler: 1.) Messgerät Plus an D und Minus S. Messgerät auf 2000k geschaltet. Messgerät zeigt 520an. Was natürlich sinn ergibt, weil der N-Kanal nicht vorhanden ist. Laut meinem Physikbuch R = 10^15 Ohm. 2.) Messgerät Plus an D und Minus an S. G ist mit S verbunden. Messgerät zeigt an, dass kein Widerstand da ist. 3.) 5V an Gate. GND von 5V an Source G--1k--S Messgerät auf 20 Ohmgestellt: 5.0 wird angezeigt.
Ich bau das alles nochmal richtig auf und mache ein paar Fotos und pack die in den Anhang als ZIP Datei. Ich habe nur eine Handy Kamera mit 2 MegaPixel, die kein Makrofunktion hat und deshalb sieht man nähere Aufnahmen nicht scharf und von weiten sieht man es eh nicht. Ich versuchs einfach.
Also ich brauch eigl nicht weiter aufzubauen. Ich habe "mal" nur Drain und Source mit Batterie und dem Motor angeschlossen und der Motor läuft schon... nichtmal eine Gatespannung. Und ja das ist exakt der FET den ich eben getestet habe.
Bei vertauschten D (an -Pol) und S (an +Pol) wird der Motor über die zwischen D und S vorhandene (parasitäre) Diode bestromt und läuft. Bei den niedrigen Spannungen überall (<20V) wird der IRF nicht kaputtgehen. Es sei denn, die genannten über 30 A fleißen tatsächlich längere Zeit, dann wird die genannte Diode sterben. Grüße, Peter
Ich habe echt keien Ahnung mehr... bei beiden FET tritt dieses komische Phänomen auf. Die D S Strecke ist immer leited. Egal wenn es auf dem Steckbrett oder gelötet ist. (Platine)
Und mit kurzgeschlossenen G-S Anschlüssen? Welche Spannung fällt dann an D-S ab?
Was meinst du mit Kurzgeschlossenen Anschlüssen von G und S ? Diese beiden sind ja sowieso angeschlossen mit dem Widerstand.
Ein Widerstand ist kein Kurzschluss. Also ruhig mal G und S direkt mit einem Stück Draht verbinden. Der Motor muss dann aus sein. Grüße, Peter
Irgendeinen Grund muß die Fehlfunktion ja haben. Und Widerstände können auch kaputt gehen. Dazu müssen sie nicht einmal durchbrennen.
Also ich habe G und S mit einem Draht direkt verbunden und der Motor läuft immer noch. Widerstand hin oder her.. der FET leitet ja auch ohne Widerstand und ohne Gatespannung. Ich hab mal einen anderen MOSFET genommen der etwas schwächer ist.. auch bei den leitend er von DRAIn zum SOURCE ohne alles andere. Langsam wird mir das hier komischer als die Quantenphysik...
Oder du machst irgendwas grundsätzliches falsch. Keine Ahnung aber das ist mit die Einfachste Schaltung die man mit einem FET/Transistor aufbauen kann. Tu uns bitte mal den Gefallen und fotografier den Aufbau in den verschiedenen Stadien damit man mal ein bisschen was sehen kann. Denn ein Bild sagt mehr als 1000 Worte.
Wenn der Motor bei kurzgeschlossenem Gate - Source läuft ist der IRF540 wahrscheinlich verpolt angeschlossen: D an Minus, S an plus. Um das zu bestätigen: Spannung zwischen D und S messen, dort liegen 0,5 bis 1 V an. Dann D mit S vertauschen und immer den Widerstand zwischen G und S dranlassen. Wenn dann der Motor immer noch läuft ist entweder der IRF540 im Eimer oder der Strom hat einen anderen Weg um den IRF540 herum gefunden. Grüße, Peter
@Hans Was ich bisher vermisse ist eine Bestätigung von dir das du die PIN`s vom Fet auch richtig zugeordnet hat.(Skizze hier posten würde ja reichen). Woher stammen die Daten denn? Ein Foto vom Aufbau wäre wirklich nützlich. Übrigens,die Optik vom Fotohandy verdreckt schnell.Daher vor dem Ablichten reinigen und Objekt gut ausleuchten,sonst wirds nichts. Lötkünstler <Mit der Lizenz zum Löten>
Nach dem Beitrag von "Hans (Gast) Datum: 23.03.2008 00:56" müsste der FET funktionieren. In 1) hast du wahrscheinlich eine Restlandung in der Gate-Source-Kapazität gehabt, wodurch der FET (etwas) leitete. Punkte 2) und 3) zeigen normales Verhalten. Ich denke auch, dass da die Bodydiode leitet, wenn der Motor parmanent läuft, selbst wenn Gate und Source verbunden sind. Hans, du kannst ganz einfach rausfinden, ob der FET richtig rum ist. Du musst nur im Datenblatt nachschauen wo Drain und Source ist. Source muss am Minuspol der Batterie liegen. Wenn du eine Kamera hast, schick bitte ein paar Bilder, sonst könne wir hier nur raten.
@Bastler und Co. Ich werde nachdem Frühstück ein paar Bilder machen. Vielleicht ist ja die Luft in meinem Zimmer ionisiert g und daher wird immer alles geleitet.
150 Beiträge für ein banales Thema!
Das entscheident wichtige hat der TO hier geschrieben:
> AirSoft sind "Spielzeug" Modellwaffen die kleine Plastikkugeln mit c.a.
0.5J oder mehr schiessen. Es ist total harmlos.
Als Polizist oder Security würde ich als erster meine Waffe ziehen und
diesem "harmlosen" Spiel der Kids ein Ende bereiten...
Din PIN Belegung bziehe ich aus diesem Datenblatt: http://www.tranzistoare.ro/datasheets/134/283734_DS.pdf In den Anhang habe ich die Bilder in ein ZIP Ordner reingepackt. rote Kabel = Plus und führt direkt zum DRAIN schwarzes Kabel = Minus und geht zum Source. Mein Schaltung in schriftlicher Form: Den Pluspol der Batterie verbinde ich mit dem Pluspol des Motors. Von Minuspol des Motors gehe ich weiter zum Drain. Source verbinde ich mit dem Minuspol der Batterie. Gatepin und Sourcepin habe ich mit einem 1K Widerstand verbunden. Der Pluspol der 5V Steuerspannung geht zum Gate. Der Minuspol ist mit Source bzw. Minuspol der Batterie (Masse) verbunden. Jetzt zu meinem Freund: Nieder mit den Dile-Tanten. ------------------------------------------------------------------------ -- Ich bin mir nicht sicher, was du mit deinem "Namen" ausdrüchen möchtest. Aber irgendwie gefällt er mir nicht.... >> 150 Beiträge für ein banales Thema! Ist das ein Problem ? Foren sind doch da um Probleme zu lösen und diesmal ist es ebenhalt ein größerer Thread. Das entscheident wichtige hat der TO hier geschrieben: >>AirSoft sind "Spielzeug" Modellwaffen die kleine Plastikkugeln mit c.a. >>0.5J oder mehr schiessen. Es ist total harmlos. Ich habe nicht behauptet, dass man mit 0.5J Löcher durch Metallplatten schiessen kann. >>Als Polizist oder Security würde ich als erster meine Waffe ziehen und >>diesem "harmlosen" Spiel der Kids ein Ende bereiten... 1.) Ich gehe damit nicht auf die Straße und bedrohe andere Menschen oder spiele John Rambo. 2.) Wenn du den Cowboy spielen willst, bitte mach das. Schlussfolgerung: Meiner Meinung nach war dein Post überhaupt nicht relevant zu diesem ganzen Problem. Du wolltest einfach mal was rein posten und wahrsch. dich nur wichtig tun. Bitte unterlasse das ! Danke.
hallo einfache fragen werden von "experten" nicht immer verstanden. So das es auch keine einfachen Antworten gibt MfG
Naja was einem solche Trafos als Gleichspannung andrehen wollen ist manchmal alles andere als Gleichspannung. Eher eine pulsierende Gleichspannung. Aber eigentlich müsste es dann einfach nur weniger gut gehen.
Ich hatte ja noch davor ein Handyladegerät mit exakt 5.2V Gleichspannung benutzt und das ging auch nicht.
Bevor wir was anders machen: Nimm dir jedes Krokodilklemmenkabel das du hast, stelle den Messgerät auf den 200 Ohm-Bereich und verbinde die Messstrippen mit einem der Krokokabel. Das Messgerät sollte nun irgendwas zwischen 0 und 10 Ohm anzeigen. Jetzt bieg das Krokokabel mal gut überall durch und wenn dein Messgerät auch nur zuckt und was anderes als den kleinen Wert von eben anzeigt, schmeißt du das Krokokabel weg. Ich habe das Problem auch gehabt und lange gesucht, bis ich rausgekriegt habe, das 3 von 15 meiner Kabel einen Wackelkontakt hatten (die waren fast neu!). Um eine weiter Fehlerquelle auszuschließen: Den Trafo nehmen wir gar nicht mehr! Wir machen das mal Schritt für Schritt und bauen komplett neu auf: Nimm einen kleinen Umschalter. Den mittleren Anschluss des Schalters schließt du an den Widerstand an, der ans Gate geht (auf Bild018 der obere). Die beiden anderen schließt du an Plus und Minus des Akkublocks (egal wie rum) an. Dann verbindest du den Source(Bild018 der untere) mit den Minus des Akkublocks (der geht auf Bild018 irgendwoanders hin!). Dann schließt den Minuspol deiner SoftAir an den Drain an (Mitte) und zuletzt den Plus deiner SoftAir an den Plus des Akuublocks. Je nach dem in welcher Stellung der Schalter nun steht, sollte ein Motor nund laufen oder nicht.
Gibt es nicht 2 Typen von MOSFETs?? Selbstleitende und Selbstsperrende...
@Bastler: Kann ich anstelle des Umschalters auch ein Taster nehmen ? Aber das Hauptproblem ist doch.. das die D S Strecke immer leited. Egal wenn ich ein Trafo oder nichts nehme... er schaltet immer durch. Aber ich bau das nochmal auf.
Also ich hab das jetzt nicht mit einem Schalter oder einem Taster gemacht. Aber wenn an der Gate keine Spannung liegt, läuft der Motor nicht. Wenn an der Gate spannung liegt, läuft der Motor. Es scheint zu funktionieren... aber wolag denn mein Fehler ?? Ich hoffe der Fehler war kein "dummer", sonst werdet ihr noch anhand meiner IP herausfinden wo ich wohne und mich mal besuchen kommen :D.....
>Ich hoffe der Fehler war kein "dummer", ...
Bei den drei Bauteilen und den Hilfen kanns nur ein "dummer" gewesen
sein ...
Ich bin doch so blöd.... obwohl ich den richtigen Schaltplan vor mir liegen habe... habe ich die ganze Zeit Drain und Source irgendwie verwechselt, aber ich weiß nicht warum ? Ich schreibe den richtigen Schaltplan auf und mache sogar die richtige Skizze, aber bei der Praxis vertu ich mich. Ist das euch schon mal passiert ?? Es funktioniert ! Danke Baster, dass du mich nicht aufgeben hast. Eine Frage, kann ich mit einem 1k widerstand oder so GATE mit einem AVR Pin verbinden ????
Merkwürdig nur, dass du dauernd behauptet hast, du hättest es in beiden richtungen probiert ;) Und ja du kannst das ding mit nem 1kOhm Widerstnad mit dem AVR port verbinden.
Trotz dieses Fehler, werde ich trotzdem Elektrotechnik machen. Ich werde mich von nichts demotivieren und abbringen ;)
Autor: Hans (Gast) Datum: 23.03.2008 14:37 >Ich bin doch so blöd.... >obwohl ich den richtigen Schaltplan vor mir liegen habe... habe ich die >ganze Zeit Drain und Source irgendwie verwechselt, aber ich weiß nicht >warum ? Autor: Hans (Gast) Datum: 21.03.2008 20:27 @Stefan Salewski >Bitte erlöse mich mit deinen Kommentaren. Ich kann Gate Source Drain >unterscheiden. >Mach von mir alles andere was du willst, aber poste einfach nicht solche >Kommentare.
Oh Gott, der arme 8 Bitter ;-) Hab ich das richtig verstanden, dass du Elektrotechnik studieren willst? Da muss man ab und zu denken was, bitte sei mir jetzt nicht böse, offenbar nicht gerade deine Stärke ist, wie man anhand dieses Threads sieht. Soll jetzt nicht abwertend wirken, aber ab und zu muss man auch mal der Realität ins Auge sehen und einen klaren Strich ziehen, schließlich sollst du als Ing. ja auch Verantwortung für Mensch und Maschine übernehmen. Wenn ich wüsste, dass ein sicherheitskritisches Steuergerät in meinem Auto von jemanden entworfen wurde, der so dermaßen aufm Schlauch steht würde ich sicher nichtmehr in dieses einsteigen. Aber glücklicherweise kommt man so nicht durchs Studium (außer als SozPad vielleicht ;-).
sehe ich genauso. Im Bereich Elektrotechnik biste keine Bereicherung. Da fehlt dir jegliches Talent. Wenn du besser logisch denken kannst wäre Informatiker die bessere Wahl und überlaß die Technik denen,die dafür geeigneter sind. Dieser Thread ist ja eine einzige Katastrophe. Übrigens,Widerstand und Diodentest mißt man in der Schaltung im STROMLOSEN ZUSTAND,weil ich vermute,das du einige Messsungen dieser Art unter Strom vorgenommen hast.Außerdem sollte man sich erstmal mit den Grundlagen der Elektrotechnik und der Messetechnik vertraut machen.Ich zweifle,das du solche besitzt.Für eine Einführung ist so ein Forum jedoch gänzlich ungeeignet. Gruß Lötkünstler <mit der Lizenz zum löten>
Ihr könnt von mir aus so viel reden wie ihr wollt, ich werde es trotzdem versuchen. Ich bin ja noch totaler Anfänger in diesem Gebiet und werde es auf der Hochschule lernen. Den Schaltlan hatte ich ja richtig... darf man sich nicht einmal irren ? Ich habe einfach zwei Kabel vertauscht gehabt und es nicht gesehen (für eine längere Zeit). Was ihr (beide) macht ist nichts als reine demotivierung. Ich glaube, dass ihr auch nicht perfekt wart und Fehler hattet. Zu Tobi: >> Da muss man ab und zu denken was... Das ist nichts anderes, zumindestens für mich, als reine indirekte Beleidigung. Warum machst du es dir so schwer und benutzt nicht das Wort "dumm" ? Wie gesagt bin in diesem Gebiet noch nicht sehr weit. Aber es gibt etliche Menschen die "A" studieren wollten und dann doch "B" studiert haben, obwohl sie für "B" keine Vorkenntnisse mitgebracht haben und es dennoch geschaft haben. Was ich mache ist mich etwas mit der Materie auseinander zusetzen um einige kleine Erfahrungen für die Hochschule zusammeln. >> Übrigens,Widerstand und Diodentest mißt man in der Schaltung im >> STROMLOSEN ZUSTAND Das habe ich auch gemacht. Eins steht fest, ihr beiden wart für mich keine besondere Hilfe und hört auf negative, abwertende und demotivierende Stimmung zu verbreiten.
Na ja da gibt es ja noch das Dilbert-Prinzip: Man steigt so lange auf, bis man den wenigsten Schaden anrichtet. Aber laßt ihn mal in Ruhe. Obwohl ich mich in Lehre und Studium schon mit MOSFETs auseindersetzen mußte, waren die Dinger immer ein Buch mit sieben Siegeln für mich. Erst bei meiner letzten Arbeitsstelle konnte ich so viel lernen, dass es für den "Hausgebrauch" reicht. Gruß Matthias
- lass dich nicht von deinem Vorhaben abbringen. - ob soviel Praxis an der Hochschule zu lernen ist, bezweifle ich manchal... - alte Hasen vergessen manchmal, dass sie auch mal klein angefangen haben. - dumme Fehler machen auch alte Hasen, sie machen es nur nicht öffentlich Es waren viele im Thread, die dir geduldig Ratschläge gegeben haben, auch wenn sie manchmal den Kopf geschüttelt haben (zugegeben: ich auch). Ich hoffe, du hast hier wenigstens was gelernt.
Schluss mit dem Pessismismus, jetzt werden mal ein paar brauchbare Beiträge rausgeklopft. Nörgeln kann jeder µ) Als "dumm" wollte ich dich nicht bezeichnen !
>Als "dumm" wollte ich dich nicht bezeichnen !
DAs gilt auch für mich und beleidigend war unsere Kritik auch nicht
gemeint.
Aber das ein so simples Problem sich im Thread dann als so problematisch
ausgeartet hat dürfte einen doch zu Denken geben.
Wenn du vergleichsweise am Auto eine Reparatur vornimmst,ohne ein paar
Vorkenntnisse oder Hilfe durch geeignete Dokumentation,können
sich unangenehme Folgen ergeben die man nicht erwartet hat.
Wenn dir meine Tips nichts gebracht haben weil so ein ahnungsloser
Basteler
aus Angst davon abgeraten hat biste daran selber schuld.Problem ist
natürlich auch das man die Güte eines Tips nicht so leicht bewerten
kann.
Manchmal hat man es eben mit Amateuren,Schülern und beruflich
vorbelasteten
Mitgliedern mit unterschiedlichen Wissenstand oder Erfahrung zu tun.
Natürlich kannste Elektrotechnik studieren und wenn du es in der Praxis
nicht packst wirste schon sehen wie weit du Beruflich kommst.
Mir sind schon Kollegen über den Weg gelaufen die wirklich was drauf
hatten
und andere die nur Luschen waren.Glänzende Zeugnisse,aber keine Ahnung
wie man einen Lötkolben hält.
Lötkünstler
<Mit der Lizenz zum löten>
Hallo Leute will auch meinen Senf dazugeben. >>Es ist nicht einfach ,auf eine einfache Frage eine richtige einfache >>Antwort zu geben >>Fachleute haben oftmals den "Tunnelblick" P.S. Zum Studium braucht man keine Fremdkenntnisse. MfG
Ich werde es versuchen ! Wer nicht wagt, der nicht gewinnt ! Ich bedanke mich an alle nochmals die Geduld hatten mir bei meinem "Problem" zu helfen. Und ja, ich habe was gelernt.
Haha, der Thread ist ja lustig! Das Hauptproblem war, dass etwa 75% der Helfer selber keinen blassen Schimmer haben.
Bitte melde dich an um einen Beitrag zu schreiben. Anmeldung ist kostenlos und dauert nur eine Minute.
Bestehender Account
Schon ein Account bei Google/GoogleMail? Keine Anmeldung erforderlich!
Mit Google-Account einloggen
Mit Google-Account einloggen
Noch kein Account? Hier anmelden.






