Hallo und Danke für das Interesse an meiner Frage. Ich habe ein Gerät, das mit einem Mikroprozessor vom Typ MC68HC11 arbeitet. Bei diesem Gerät möchte ich von Zeit zu Zeit mit Hilfe meines PC`s und Windows 2000 über den RS232-9-Pol-Anschluss den Speicher des MC68HC11 auslesen und neu programmieren. Hierzu habe ich ein Programm mit Namen "WP11", mit dem das auch funktioniert. Allerdings hat dieses Programm den Nachteil, dass es nur in Verbindung mit Mikroprozessoren arbeitet, die mit 8 MHz getaktet sind. Oben genanntes Gerät hat aber einen Quarz von 4 MHz. Das bedeutet, dass ich es jedesmal zerlegen muss, um entweder den Quarz von 4 MHz gegen 8 MHz zu tauschen oder aber um den Prozessor auszubauen und auf eine kleine Platine mit Minimalumgebung, RS232-Schnittstelle und 8 MHz-Quarz zu bauen. Da das ziemlich umständlich ist, hoffe ich darauf, dass es jemanden gibt, der ein Programm kennt, mit dem man Ähnliches machen kann, das aber vielleicht ein paar mehr Möglichkeiten hat. Ich freue mich über jede Antwort. Danke und freundliche Grüße Manfred
Hat denn wirklich niemand eine Idee, ob es noch ein anderes Programm gibt? Es geht mitr auch darum, den gesamten Adressbereich des 68HC11 auslesen zu können. Mit "WP11" geht das nur im Bereich des internen EEPROMs. Manfred
Hallo! Eine Woche später bin ich leider immer noch nicht weiter. Der Ratschlag von Otto hat leider zu keinem Ergebnis geführt, was aber evtl. auch daran liegen könnte, dass ich einfach zu wenig Durchblick habe. Trotzdem Danke für den Tipp. Ich habe zwar ein Programm für diesen Zweck (heißt "HC11.exe", stammt von Michael Rose, einem Autor, der 1994 mal ein Buch über diesen Prozessor geschrieben hat). Diese Programm hat aber leider den Nachteil, dass es nur auf meinem 19 Jahre alten "MP 386" PC funktioniert, nicht aber mit meinem Pentium-3-PC aus dem Jahre 2001 Fällt jemandem evtl. sonst noch etwas ein, was weiterführen könnte? Gruß Manfred
Hallo Rainer, nein, noch nicht. Werde ich aber gerne mal ausprobieren. Erstmal Danke für den Tipp. MfG Manfred
Hallo Rainer (falls Du hier noch einmal nachschaust), das hat mich tatsächlich weitergebracht. Habe es mit JBug11 geschafft, nach einigen Fehlversuchen den Kontakt mit der Platine, auf der der 68HC11 wohnt, aufzunehmen und alle auf ihm befindlichen Speicher auszulesen. Auch das Neuprogrammieren einzelner Speicherstellen hat funktioniert. Zur Zeit versuche ich noch, weiterhin vorhandene externe Speicherchips anzusprechen und zu beackern. Das will bisher noch nicht so recht klappen. Ich hoffe, dass das mit dem 68HC11 im Bootstrap-Mode überhaupt möglich ist. Das Programm JBug11 finde ich für einen Neuling ziemlich unübersichtlich und kompliziert. Aber das scheint bei allen Programmen so zu sein, die auf der anderen Seite viele Möglichkeiten bieten. Zur Zeit beschäftige ich mich mit dem zugehörigen Manual. Wenn Du Dich mit dem 68HC11 halbwegs auskennst und es Dir vorstellen kannst, ggf. noch ein paar Fragen gestellt zu bekommen, bitte ich darum, ein Lebenszeichen hierzulassen. Danke und freundliche Grüße Manfred
Hi! >Ich hoffe, dass das mit dem 68HC11 im Bootstrap-Mode überhaupt >möglich ist. Wenn ich mich recht entsinne nein, aber du kannst gleich am Programmanfang irgendwelche Modebits setzen um aus dem Bootstrap rauszukommen. Dann sind aber die Int.vectoren anders. Wenn du Ohne Int. arbeitest und ein eigenes Progr. im Ram laufen lässt könnte das aber gehen. Das Ganze ist blos schon recht lange her und man ist ja so vergesslich. Wenn du das aber unbedingt wissen willst muss ich mich halt nochmal einlesen. Viel Erfolg, Uwe
How to program a 68hc811e2 : Download the WP11demo from http://www.tec-i.com/public_downloads/Wp11DemoSetup.EXE Run the Wp11DemoSetup.EXE The disadvantage of the demo-version is: it takes about 1 minute instead of 1 second to program the device. Unfortunately it cannot load bin-files (although stated in the manual http://www.tec-i.com/public_downloads/WP11Man.pdf), so we have to use .s19-files. I converted all .boo files since 1991 to .s19-format. Upon start, do the following: Select Device | MC68HC811E2 Communications | Com Port Setup and Test | Active Com Port | select one radio button Uncheck Options | "Turn Off Memory Map Checks" On the board, leave the program-jumper (or DipSwitch 1 to on) set, connect the Serial-TTL-Programmer cable (e.g. our PROGHC908 with cable connected to HC811-plug) to the board, power up the board and press "Test Com Port" (test can be omitted if connection is known to be good). "Test Result = " should return "OK". Now remove program-jumper (or DipSwitch 1 to off) and press "Test Com Port". "Test Result = " should return "Failed". Press "OK" to close the Com Port Setup and Test". Press "Initialize Device". Message "Press Programmer Reset Button then click OK." appears. Power board down , verify that program-jumper or DipSwitch 1 is off. After 5 seconds power on again. Press "OK" button. "Initializing .. please wait 0..100%" appears. If it says "Device failed to Initialize" : try again. If it succeeds, buttons "Load From Chip", "Verify Against Chip", "Blank Check", "Erase EEPROM and Config Reg" and "Program EEPROM $F800-$FFFF" turn from gray to black. Press "Load From File", select a folder and a .s19 file. "Buffer Check Sum = $xxxxx" should appear at the right bottom, if the cursor is not on a button. Press "Erase EEPROM and Config Reg". "Uploading .. please wait 0..100% appears" "Chip blank checks OK!" appears. Press "OK". Press "Program EEPROM ($F800-$FFFF)". "Programming Chip ... Please wait. 0..100%" This takes more than one minute in the demo version. "Chip Programmed OK!" Press "OK". Press "Verify Against Chip". "Uploading ... please wait 0..100%" "Chip verified OK!" Press "OK". Turn off power, set program-jumper / set DipSwitch 1 to on. If you have more than one board to program, you don't need to load the file again. Continue with "Initialize Device", "Erase EEPROM and Config Reg", "Program EEPROM ($F800-$FFFF)" and "Verify Against Chip". Remember to remove re-set the program-jumper DipSwitch 1 .
Hi!
>68hc811e2
Ist der genaue Typ überhaupt schonmal genannt worden?
Das "Drumherum" ist auch recht unklar.
MFG, Uwe
  Dear E-Profi, thank you for your assistance. But, WP11 was already known by me. With WP11, EEPROM-Erasing and -programming works properly as stated by me on the first page of this thread. Problem was that it was not possible with WP11 to read, erase and reprogram other memories of 68hc11 ,e.g. internal or external RAM. For this purpose I found JBug11, but it is much more complicated than WP11. This was the main contents of my last question. Anyway, thank you for your reply. Hallo Uwe, auch Dir vielen Dank für Deine Antwort. Es tut gut, wieder auf Deutsch schreiben zu können. Der genaue MCU-Typ, um den es hier geht, heißt MC68HC11A1FN. Mittlerweile habe ich mich aber so weit in die Manuals eingelesen, dass ich das Motorola Naming System einigermaßen durchblicke, so dass ich z.B. weiß, welche Art von Speichern vorhanden sind und wo sie liegen. Das Problem von gestern (Zugriff auf externe Speicher) habe ich mit Hilfe des JBug11-Manuals mittlerweile gelöst. Wie Du schon richtig mitgeteilt hast: Es ist möglich, den Talker (so heißt das 257 Byte lange Basis-Kommunikationsprogramm; pardon, wahrscheinlich weißt Du das) mit einem "Makro" genannten Gebilde zu überlagern, welches dafür sorgt, dass sofort vom Bootstrap-Mode auf den Special-Test-Mode übergegangen wird, der das Bearbeiten von externen Bausteinen erlaubt. Erreicht wird das durch Änderung eines Bits im HPRIO-Controlregister ($103C) von $D5 auf $E5. Das sind alles Dinge, die ich vorgestern noch nicht wusste. Momentan ist das so, dass ich für eine Frage eine Antwort finde, dadurch aber gleich wieder eine neue Frage entsteht. Zur Zeit ist es die: Es müsste auch möglich sein, während des Downloads des Talkers nicht auf den Special-Test-Mode umzuschalten, sondern auf den Expanded Mode. Ich habe nämlich noch sehr altes (ca. 15 Jahre) Programm zur 68HC11-Bearbeitung, das aber leider nur auf einem 20 Jahre alten PC läuft, den ich gerne entsorgen würde, mit dem das so ist: Gestartet wird mit den Pins "MODA" uns MODB" auf Masse = Bootstrap Mode, liest man danach das HPRIO-Register aus, findet man dort aber $25, das steht nach meinen Recherchen für Expanded Mode. Im Programm JBug11 ist es mir bisher auch mit Hilfe des Talker-Makros nicht gelungen, das HPRIO-Register von $D5 nicht auf $E5, sondern auf $25 zu ändern, weil das nicht angenommen wird. Vielleicht müssen dazu noch weitere Dinge geändert werden. Weiterhin würde ich es mir gerne erklären können, wie es kommt, dass die Bearbeitung des 68HC11 mit dem Programm JBug11 auch mit anderen Quarzfrequenzen als 8 MHz (z.B. 4 MZz) möglich ist, nachdem ich von verschiedenen (glaubwürdigen) Seiten gehört habe, dass für den Bootstrap-Mode aus unveränderbaren chipinternen Gründen (Bootloader-Programm im ROM) nur und ausschließlich 8 MHz erforderlich sind. Das Thema "Interrupts" und "-vektoren" ist für mich zur Zeit noch ein Buch mit sieben Siegeln. Aber der gesamte Chip 68HC11 fesselt mich momentan sehr, und alle neuen Erkenntnisse machen viel Spaß. Freundliche Grüße Manfred
Hi! Habe jetzt gerade das Manual nicht da, aber konnte man denn Modebits setzen, mir ist so wie nur löschen. Also von MODA/B=11=Test->Bootstrap-> Expandet->Single. Ich lese das aber heut nochmal nach. > wie es kommt, dass die Bearbeitung des 68HC11 mit dem Programm JBug11 >auch mit anderen Quarzfrequenzen als 8 MHz (z.B. 4 MZz) möglich ist, Naja, Der Programmschreiber hat vermutlich mitgedacht, wer sagt denn dass man 7812 Baud nicht durch 2 teilen kann, so wie den Takt. Die 2.Baudrate ist übrigens 1200 Baud @8MHz bei 4MHz sind es dann halt 600 Baud, das geht schon. >Das Thema "Interrupts" und "-vektoren" ist für mich zur Zeit noch ein >Buch mit sieben Siegeln. Ja in Bootstrap ist es etwas umständlich weil die vom Bootloader in den Rambereich verbogen werden. Genau an die Stelle im Ram must du dann ein Jmp xxxx hinschreiben($7e+2 Byte Sprungziel) ldaa #$7e staa (1.Vektoradresse) ldd #(ISR-Adresse,kann auch ein Label sein)) std (2.Vektoradresse) So, muss Arbeiten :-( Viel Erfolg, Uwe
Hi! Nochmal nachgelesen: Ganz wichtig:Umschreiben von Sicherheits/Modereg. nur innerhalb der 1. 64 Zyklen nach Reset! RBOOT+MDA können 1+0 gesetzt werden SMOD+IRV nur von 1->0 > genannten Gebilde zu überlagern, welches dafür sorgt, dass >sofort vom Bootstrap-Mode auf den Special-Test-Mode übergegangen wird Das geht auch wenn du ModA=1/ModB=0 setzt. Das Problem ist das dir dann der "Talker" fehlt weil RBOOT auf 0 steht. Obwohl,JBug11 überschreibt das auch irgendwie. Naja, ist lange her. Vermutlich muss ich mich selber mal damit auseinandersetzen. Viel Erfolg, Uwe
Hallo Uwe, ich habe im Moment wenig Zeit für diese Angelegenheit. In Kürze werde ich mich wieder hier blicken lassen. Danke für Deinen Tipp, den ich bei nächster Gelegenheit ausprobieren werde. So long und frdl. Gruß Manfred
DRINGENDER HILFERUF. Kann mir jemand bei einem MC68HC11F12 Prpblem helfen. Bekomme den kommunikationsaufbau zum Controller net hin. Aufbau nach folgendem Shema im Anhang und Anschluss an Laptop über RS232/USB Converter. Danke für euere Hilfe
Marco Müller schrieb: ... > > Bekomme den kommunikationsaufbau zum Controller net hin. > > Aufbau nach folgendem Shema im Anhang und Anschluss an Laptop über > RS232/USB Converter. > > Danke für euere Hilfe > Hallo, vielleicht macht der Converter Probleme, ansonsten vertausche mal RxD und TxD d.h. RS232 PIN 2 & 3. Außerdem solltest Du einen Reset-Taster einbauen irgendwo Anodenseitig von D1 und Masse und diesen öfters mal betätigen. Ich weiß leider nicht mehr genau wie J1 & J2 gesteckt sein müssen, aber auf jeden Fall für den Bootstrap-Mode. Hoffe Du kannst das irgendwo nachlesen. Welches Board benutzt Du ? Bernd_Stein
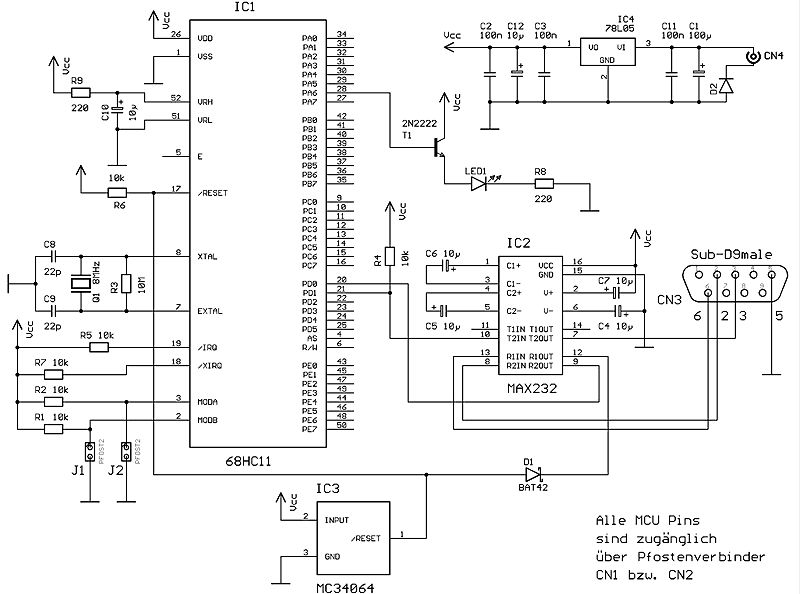
Habe wie auf dem Bild oben zu sehen einen MC34064 zum RESET ausführen. Benötige ich trotzdem noch einen RESET-Taster???? Habe mir jetzt mal ein 1:1 RS232 Kabel besorgt und da schon wesentlich mehr als mit dem Konverter. Habe J1 und J2 mit 0 belegt, dass heißt er MC läuft im BOOTSTRAP. Muß ich den MC noch um stellen wenn ich das Programm überspielt habe oder läuft es hauptsächlich im BOOTSTRAP.
Marco Müller schrieb: > Habe wie auf dem Bild oben zu sehen einen MC34064 zum RESET ausführen. > Benötige ich trotzdem noch einen RESET-Taster???? > Der MC34064 sorgt nur für einen sauberen Reset, wenn die Versorgungsspannung einmal einen Einbruch hat. Oder er übernimmt die Funktion POR ( Power On Reset ). Das heißt er hält die Resetleitung so lange auf Low, bis die Versorgungsspannung stabil vorliegt. Also, habe nachdem mir der Schaltplan irgendwie bekannt vorkam herausgefunden woher. Es ist das HC11-MiniKit Hardwaremäßig ist zu sehen, daß über die serielle Schnittstelle (RS232) ein Reset über PIN 6 vom CN3 (Sub-D9male) erzeugt werden kann. Das wird jedoch durch die Software gemacht. Der manuelle Reset-Taster schadet auf jeden Fall nicht, damit kannst Du Software unabhängig jederzeit einen Reset erzeugen. > > Habe mir jetzt mal ein 1:1 RS232 Kabel besorgt und da schon wesentlich > mehr als mit dem Konverter. > Tut mir leid, den Satz verstehe ich nicht ganz (...und da schon wesentlich mehr als mit dem Konverter. In den Unterlagen zu diesem Kit ist auf Seite 4 ( Verbindung zum PC ) zu sehen das Du ein Nullmodemkabel brauchst. Das heißt RxD und TxD sind vertauscht. Sprich Strippen an PIN 2 und 3 tauschen. > > Habe J1 und J2 mit 0 belegt, dass heißt er MC läuft im BOOTSTRAP. > > Muß ich den MC noch um stellen wenn ich das Programm überspielt habe > oder läuft es hauptsächlich im BOOTSTRAP. > Schade das meine Erinnerung so schlecht ist. Habe selbst mit diesem Board und der Software IDE11 gearbeitet. Das Board basiert ja darauf das, daß Anwenderprogramm ins interne EEPROM geschrieben wird. Danach muß dem HC11 aber nach einem Reset im Bootstrap-Mode durch senden eines bestimmtes Bytes über die RS232 mitgeteilt werden, das nun nicht das interne Bootstrap-Programm gestartet wird, sondern das Programm im EEPROM. Dies meine ich erledigte die Software IDE11. Ach übrigens auf dem Orginal Board befindet sich ein MC68HC711E9FN3, das dürfte aber nur für die größe des internen EEPROMs relevant sein. Ich schreib Dir mal was in der Anleitung zu diesem Board steht, wenn die erste Inbetriebnahme fehlschlägt. Überprüfen Sie bitte: * Liegt die Stromaufnahme im Bereich von 15...30mA ? * Ist die Betriebsspannung ( direkt am HC11 bzw. Resetcontroller ) mindestens 4,75V ? * Ist ein Takt von 2 MHz an PIN 5 von CN1 nachweisbar ? (Falls Du kein Oszilloskop hast, mußst Du dort ca. 2,5V messen sprich die halbe Versorgungsspannung ) So das ist erstmal wieder alles was mir so dazu einfällt. Bernd_Stein
Wenn ich TxD und Rxd ganz normal auf Pin 2 und Pin 3 lass dann blinkt meine Status LED an PIN 3. Wenn ich nun Pin 2 und 3 tausche passiert garnichts mehr. No communictions. Habe mir das Programm IDE 1 mal runter geladen und versuche es mal damit. Also würde nach dem Laden auf den EEPROM das Programm automatisch starten?
Marco Müller schrieb: > Wenn ich TxD und Rxd ganz normal auf Pin 2 und Pin 3 lass dann blinkt > meine Status LED an PIN 3. > Ok. Du hast also zusätzlich eine LED an CN3 PIN 3 hängen. In der Beschreibung zum HC11-MiniKit steht zur CN3 Belegung PIN 3 = TxD ( Daten HC11 => PC ). Dies bedeutet das der HC11 nach einem Reset sein sogenanntes Break-Signal ($00) sendet. Dies meine ich macht er so lange bis er von der Gegenstelle ( PC ) ein Zeichen gesendet bekommt. Habe mal im www unter " Special Bootstrap Mode " nachgeschaut. Hier kann man sehen wie der HC11 im genannten Mode auf ein Resetsignal reagiert. Baudrate 7812 sehr wichtig, da das interne Bootladerprogramm auf diese Baudrate eingestellt ist. http://www.mr.inf.tu-dresden.de/~schoene/BootSCI.pdf > > Wenn ich nun Pin 2 und 3 tausche passiert garnichts mehr. No > communictions. > Wenn Du mit IDE11 arbeitest kann ich Dir vielleicht weiterhelfen, ansonsten kann ich Dir nicht genau sagen warum die Entwicklungsumgebung mit der Du arbeitest die Meldung " No communications " ausspuckt. > > Habe mir das Programm IDE 1 mal runter geladen und versuche es mal > damit. Also würde nach dem Laden auf den EEPROM das Programm automatisch > starten? > Nein. Der Ablauf im Spezial Bootstrapmode ist so, daß nach einem Reset erst einmal genau 256 Bytes - die über die RS232 empfangen wurden - in das interne RAM geladen werden. Danach wird das soeben geladene Programm abgearbeitet. Dies ist entweder schon ein fertiges Programm oder ein Programm das das interne EEPROM mit dem eigentlichen Programm programmiert. Wie man nun den HC11 dazu kriegt dieses im EEPROM vorhandene Programm zu starten weiß ich nicht, da die Software alles erledigt. Warscheinlich wird auf das Break-Signal vom HC11 ein bestimmtes Byte vom PC gesendet und darauf hin weiß der HC11 das nun das Programm im EEPROM abgearbeitet werden muß. Bernd_Stein
Hast du vieleicht dies IDE11 Programm als Vollversion? Werde dann mal mit dem IDE11 versuche machen. Vielen Dank für deine Hilfe bis jetzt.
> Dies ist entweder schon ein fertiges Programm oder ein Programm, > das das interne EEPROM mit dem eigentlichen Programm programmiert. Der sogenannte Bootloader. Das o.g. Programm WP11demo erledigt das. > Warscheinlich wird auf das Break-Signal vom HC11 ein bestimmtes > Byte vom PC gesendet und darauf hin weiß der HC11 das nun das > Programm im EEPROM abgearbeitet werden muß. Für den normalen Betrieb muss nach dem Reset Rx mit Tx (kurz) verbunden sein. Der Prozessor empfängt das gerade gesendet Zeichen (Loopback des o.g. Break-Signals) und startet dann das Anwendungsprogramm. Wo dieses stehen muss, ist bei den verschiedenen Typen unterschiedlich. Beim MC68HC811E2 ist es F800-FFFF, bei manchen anderen B600-B7FF. Man braucht keine Vollversion eines Programms, sondern einen Assembler oder Compiler zum Erzeugen des Binärfiles und das WP11demo, um das EEprom zu programmieren. Im Grunde reicht es sogar, die entsprechenden Files (Bootloader + Programm) mit copy xxx.boo /b com1: mit den richtigen serilellen Settings an den Controller zu schicken. Das boo-file muss ein Byte länger als das EEprom sein: das erste Byte ist FF, dann folgt der eigentliche Code.
Marco Müller schrieb: > Hast du vieleicht dies IDE11 Programm als Vollversion? Werde dann mal > mit dem IDE11 versuche machen. > > Vielen Dank für deine Hilfe bis jetzt. > Hier ist der Link zum Programm. http://elmicro.com/de/ide11.html Hier noch etwas vom Preis her empfehlenswert, weil dort auch ein Simulator mit auf der Diskette ist. http://elmicro.com/de/bu-aufg3.html Jetzt interessiert mich natürlich, was Du mit dem guten alten HC11 vor hast. Mit dem alten Ding beschäftigt man sich doch nur, wenn dies in irgend einem Unterrichtsfach gefordert wird oder ? Leider gibt es in dem oben genannten Laden nicht mehr das " HC11 Welcome Kit " dort war alles dabei (IDE11 Vollversion, MiniKit Platine, das Buch Rechentechnik ). Bernd_Stein
Wir haben den HC11 im Studium gehabt und jetzt möchte ich ihn für eine Schrittmotorsteuerung einsetzen. Habe ich das richtig versatanden das ich nicht nur das eigentliche Programm benötige, sondern noch ei File für die Parametrierung?
Was mich nachdenklich macht sind die 2 Unterschiedlichen Beschaltunegn von RxD und TxD. AN1010 Seite 1. MK3-sch Beschaltung MAX232 Kann dadurch die Kommunikation scheitern?
Marco Müller schrieb: ... > Habe ich das richtig versatanden das ich nicht nur das eigentliche > Programm benötige, sondern noch ei File für die Parametrierung? > Nein das Hast Du nicht richtig verstanden, darum kümmert sich die Entwicklungsumgebung wie z.B. IDE11. Du schreibst einfach dein Programm, IDE11 assembliert dies und lädt es in den Controller. Schau doch mal in der Entwicklungsumgebung IDE11 unter Options=>Target ob Du dort HC11-MiniKit ausgewählt hast und ob dort unter Detail Du die richtige MCU type gewählt hast. Unter CINFIG sollte $0D stehen. Reset ctrl /DTR=L sollte ausgewählt sein, der Rest sollte auf None stehen. Und nun zu den Einstellungen für die RS232 : Wieder unter IDE11 Options=>Terminal User Baudrate = 7812 Gucken ob die Einstellungen für dein genutzen COM-Port richtig sind. Dann schauen wir mal weiter. Bernd_Stein
Marco Müller schrieb: > Was mich nachdenklich macht sind die 2 Unterschiedlichen Beschaltunegn > von RxD und TxD. > > AN1010 Seite 1. > MK3-sch Beschaltung MAX232 > > > Kann dadurch die Kommunikation scheitern? > Nein. Im Prinzip ist es das Gleiche. Im MAX232 sind zwei RS232 Wandler drin. T1IN/OUT ist TxD von dem einen Wandler und R1IN/OUT ist RxD vom Selben. Beim HC11-MiniKit wird dieser halt für die Reset-Erzeugung genutzt (PIN 6 von CN3). R steht für Receive, also empfangen. Der HC11 soll also das Reset-Signal vom PC empfangen deshalb R1IN (PIN 13 vom MAX232) T2IN/OUT und R2IN/OUT gehören dem zweiten Wandler an, welcher ja vom HC11-MiniKit für TxD (PD1) und RxD (PD0) genutzt wird. Bernd_Stein
Kann mir jemand nen Vollversion von IDE 11 bereitstellen? Meine ist, warum auch immer, mit ner Fehlermeldung nach einem Tag abgelaufen.
Marco Müller schrieb: > Kann mir jemand nen Vollversion von IDE 11 bereitstellen? Meine ist, > warum auch immer, mit ner Fehlermeldung nach einem Tag abgelaufen. > Hallo, ich weiß jetzt über 50 EUR dafür auszugeben ist nicht leicht für solch eine alte Sache, aber es ist halt trotzdem keine Freeware. Setz Dich doch mal mit denen auseinander ( Elektronikladen ) http://elmicro.com/de/ide11.html Vieleicht kennen die die Telefonnummer oder Emailadresse vom Urheber des Programmes. Ich hatte dem Urheber auch mal eine Email bezüglich des HC11s geschrieben, er macht damit allerdings schon seit mehreren Jahren nichts mehr, vielleicht gibt er Dir die Seriennummer und den Code für deine Testversion frei. Ansonsten ist es vieleicht besser auf die AVR-Mikrocontroller umzusteigen. Entwicklungsumgebung kostenlos ( AVR-Studio ). Ich denke ein wiedereinstieg in den HC11 ist fast so schwierig, wie das einarbeiten in ein AVR. Wahrscheinlich bekommst Du für dein Vorhaben einen Schrittmotor anzusteuern schon passende Programme für die AVRs. Ansonsten musst Du halt das Programm deinen Wünschen anpassen, aber Mikrocontrollererfahrungen hast Du ja bereits ein wenig. Also mach es Dir nicht so schwer. Such mal im www nach einem Programm für einen AVR das in etwa das macht was Du möchtest und befasse Dich dann mit diesem Programm und dem µC. Warum empfehle ich Dir gerade die AVRs ? Nun nach meinem Kurs an der Volkshochschule ( MC68HC11 ), gabe es einige Jahre später vom selben Referenten einen zum AVR - AT90S2313. Ich tue mich mit dem Umstieg sehr schwer, aber auch fragen die zum HC11 auftauchen sind sind mehr leicht zu beantworten. Weil Du jetzt sowieso ein neues Projekt machst, kann ich Dir wirklich nur raten was ich Dir gerade zum AVR geschrieben habe. Bernd_Stein
Das umsteigen ist jetzt nicht so einfach. Habe mir eine komplette Platine bei Conrad anfertigen lassen. Kosten 80 Euro Habe jetzt immernoch das Problem das ich keine Verbindung zum HC11 bekomme. Habe immer die Fehlermeldung Communications failed Es zeigt mir aber nicht an woran es liegt?????? Anschlüsse ok. Spannung am HC1 ok. Takt 2MHZ ok. Stromfluss 20mA ok.
Marco Müller schrieb: > Das umsteigen ist jetzt nicht so einfach. Habe mir eine komplette > Platine bei Conrad anfertigen lassen. Kosten 80 Euro > > Habe jetzt immernoch das Problem das ich keine Verbindung zum HC11 > bekomme. Habe immer die Fehlermeldung Communications failed > ... Also, ich kann jetzt nur aus der Erinnerung was schreiben. Serielle Schnittstelle mit Hyperterminal testen. Dazu enfernst Du erstmal den HC11. Dann an CN3 Pin 2 mit Pin 3 brücken ( RxD mit TxD ). Jetzt erhältst Du nämlich dein vom PC gesendetes Zeichen direkt zurück. Jedoch must Du im Terminalprogramm das Echo abschalten. (z.B. Hyperterminal - must Du evtl. von deiner Windows-CD erst installieren) Falls Du jetzt immer das Zeichen empfängst das Du gesendet hast, dann entfernst Du die Brücke wieder. Jetzt sendest Du wieder ein Zeichen, diesmal darf es jedoch nicht empfangen werden, ansonsten hast Du den Echomodus nicht abgeschaltet. Falls das funktioniert hat dann am MAX232 das selbe Spielchen, hier ist Pin 9 und Pin 10 zu brücken usw. und sofort. Bernd_Stein
Hallo Bernd, wie kann ich den bei der IDE 11 Software die Echofunktion ausschalten um meine Schnittstelle zu testen? Gruß Marco
Marco Müller schrieb: > Hallo Bernd, wie kann ich den bei der IDE 11 Software die Echofunktion > ausschalten um meine Schnittstelle zu testen? > Habe das Programm gerade mal gestartet und in der Beschreibung nachgelesen. Entweder gibt es keine Echofunktion oder man kann sie nicht abstellen. Das mit der Echofunktion bezog sich jedoch auf Hyperterminal. Dort kann man diese abstellen. Was zeigt denn das IDE11-Terminalprogramm an, nachdem Du den Resettaster betätigt hast ? Hoffe Du hast den Reset-Taster inzwischen eingebaut. Bernd_Stein
Hi Marco, im Anhang wäre da ein pdf. Wenn du es schon hast, auch gut. äämmm das IDE11-Terminal hat kein Echo. 7812 Baud könnten auf modernen Rechnern ein Problem sein. viel Erfolg, Uwe
Uwe schrieb: > > im Anhang wäre da ein pdf. ... > Lies mal auf Seite 3. Denke die wollen immer noch nicht auf ihr Geld verzichten oder läuft so etwas auch wie ein Patent nach einer gewissen Zeit ab ? http://elmicro.com/de/ide11.html Bernd_Stein
Hallo Bernd, die Zugangsdaten der Vollversion habe ich sofort bekommen. Nun läuft das Programm ohne Einschränkung. Ja den RESET-Taster habe ich eingebaut und werde am WE mal versuchen ob es nun funktioniert. Gruß Marco
Marco Müller schrieb: > Hallo Bernd, > > die Zugangsdaten der Vollversion habe ich sofort bekommen. Nun läuft das > Programm ohne Einschränkung. Ja den RESET-Taster habe ich eingebaut und > werde am WE mal versuchen ob es nun funktioniert. > Gruß Marco > Habe zur Zeit wieder einmal ein Problem mit einer HC11-Schaltung, die so glaube ich, noch nie richtig funktioniert hat ( Countdownuhr ). Vielleicht habe ich ja lust die Platine mal wieder anzusprechen und bin Dir dann eine bessere Hilfe, falls dies bei mir auch nicht mehr funktioniert. Bernd_Stein
Das währe super, wenn das klappen würde. Gruß Marco
Habe jetzt mal meine Platine die nicht so richtig Funktioniert rausgekramt. Natürlich habe ich auch Probleme diese über die RS232 anzusprechen. Erster Erfolg siehe Bild. Im Termnial kann ich sehen das mit der Schnittstelle als solches erstmal alles in Ordnung ist. abcde usw. was ich eingegeben habe empfange ich auch, obwohl als Baudrate 7812 eingestellt ist und der PC aber auf 9600 eingestellt ist. Vorgehensweise : RxD und TxD ( Pin2 und 3 ) direkt am Seriellem Kabel bzw. SubD-Stecker oder Buchse brücken. IDE11 starten. Utilities => Terminal auswählen Buchstaben eintippen und überprüfen ob diese auch richtig erscheinen. Falls dies nicht bei Dir funktioniert melden. Bernd_Stein
Vielen dank fuer ihren Artikel. Ich habe dasselbe Problem heute, August 2022. Meine Platine hat den MC68HC811E2 mit 40 pin DIP. Dummerweise habe ich die Documentation einschliesslich mit dem alten Computer Disk weggeworfen. Nun brauche ich die Kopie von dem Program welches ich vor 25 Jahren selbst programmiert habe. Herzlichen Dank Karl-Ernst Lich
Vor 25 Jahren baute und programmierte ich eine platine mit einem MC68HC811E2. Leider habe alle Unterlagen dazu vor einigen Jahren weggeworfen. Nun hat der Besitzer der einzigen Platine mich gebeten wiederum diese Platine zu bauen. Doch das programmieren vor 25 Jahren hatte sehr viel Zeit gebraucht. Dazu muss ich das Programm auslesen koennen. Die Frage ist: Wie? Karl-Ernst Lich Castlegar BC Canada
Use MODA and MODB to switch the 811 to Special Bootstrap and use the Buffalo Monitor program to upload a small program you have to write into the 256 byte RAM that will read and transmit serially the content of the EPROM. If MODA and MODB do not have jumpers, you now know why they should have. It your PCB does not have RS232, you now know why it should have. You may find an appropriate program to read the EPROM in some old 68HC11 archive but I do not have a link.
Karl-Ernst L. schrieb: > Vor 25 Jahren baute und programmierte ich eine platine > mit einem MC68HC811E2. Leider habe alle Unterlagen dazu vor einigen > Jahren > weggeworfen. Nun hat der Besitzer der einzigen Platine > mich gebeten wiederum diese Platine zu bauen. Doch das programmieren > vor 25 Jahren hatte sehr viel Zeit gebraucht. Dazu muss ich das Programm > auslesen koennen. Zunächst hat der 68HC811E2 m. W. außer 256 Byte SRAM nur noch 2kB EEPROM und das DIP des 68HC811E2 hat nicht 40 Pins sondern 48. Das Programm dürfte dann in einem externen EPROM sein, das sich einfach kopieren lässt (in ein neues EPROM oder in Flash). Nur der 68HC711 hat internes EPROM als Programmspeicher. Zum Debuggen und Zugriff auf internes EPROM bzw. EEPROM (falls das überhaupt nötig ist) gibt es außer dem inzwischen frei verfügbaren IDE11 (s. o.) bei NXP noch das Programm PCBUG11, das zugehörige Manual und u. a. Beispiele EB189 (68HC811E2/68HC711E9) und EB296 (68HC711E9) zum Herunterladen. Allerdings läuft PCBUG11 (wie vermutlich auch IDE11) nur unter unter DOS oder WIN98 im DOS-Fenster.
Bitte melde dich an um einen Beitrag zu schreiben. Anmeldung ist kostenlos und dauert nur eine Minute.
  
  Bestehender Account
  
  
  
  Schon ein Account bei Google/GoogleMail? Keine Anmeldung erforderlich!
Mit Google-Account einloggen
Mit Google-Account einloggen
  Noch kein Account? Hier anmelden.


