Hallo, heute kam meine Ware von Pollin. Unter anderem habe ich zwei Futaba GP1070A01 VFD Display gekauft. ( http://www.pollin.de/shop/shop.php?cf=detail.php&pg=OA==&a=MTI0OTc4OTk=&w=OTg4OTk4&ts=40 ) Verbaut ist ein H8 MCU und diverse Treiber ICs. 5V, GND und die Pins für die Heizung habe ich bereits gefunden - jetzt wird es aber ohne Datenblatt schwierig. Google konnte mir bei der Suche nach Informationen nicht helfen, also frage ich mal in die Runde ob sonst noch jemand die 2,95€ investiert hat, in der Hoffnung das Display nutzen zu können :)
Hab' mir auch gleich fünf Stück bestellt. Aber auch noch nichts dazu gefunden. Vieleicht kann man direkt bei futaba nach einem Datenblatt anfragen.
Das Display scheint kundenspezifisch zu sein, denn es hat einen komplett
anderen Befehlssatz als die normalen Displays zu denen Datenblätter
erhältlich sind. Weiterhin benötigt es eine Menge Strom, bei mir sind es
>10mA bei 60V, und das mit dunkler Anzeige. Selbst ein Vollbild benötigt
kaum mehr Strom. Vermutlich verheizen die Treiber ICs ziemlich viel.
Obwohl die ICs von TI sind, scheinen auch diese kundenspezifisch zu
sein:
7 der 8 ICs haben die Bezeichnung 01501 und eines hat die Bezeichnung
01502. Dieses eine hat eine getrennte Spannungsversorgung, keine Ahnung
was der Unterschied zwischen den ICs ist.
Wärs möglich den controller runterzulöten und dann die treiber direkt anzusteuern?
V. Baumann wrote: > Wärs möglich den controller runterzulöten und dann die treiber direkt > anzusteuern? Prinzipiell ja, aber das Display wird etwas kompliziert angesteuert: Immer 2 Pixel nebeneinander und zusätzlich wird das Display vermutlich Spaltenweise gescannt. Für was 8 Treiber ICs gebraucht werden, ist mir auch noch nicht ganz klar. Ich würde den Controller daher drauf lassen. Der Controller ist eigentlich auch ganz OK, er kann zwar nur wenige Befehle, aber es reicht um Bilder anzuzeigen und um das Display zu dimmen.
Wow, très chic! Ich freue mich schon darauf wenn meine kommen! Kannst Du noch ein bisschen was über die Ansteuerung schreiben?
Die Ansteuerung ist im Prinzip genauso wie bei den anderen VFDs von Futaba: 8bit, CS\, WR\, BUSY. Nur RD\ existiert nicht. An Befehlen gibt es Adresse setzen, Display an/aus (hierfür gibt es 4 Befehle, was genau der Unterschied ist, habe ich noch nicht herausgefunden), Display blinken, Daten schreiben, Dimmen (16 Stufen). An Spannungen werden benötigt: 5V, die Spannung für die Heizung (welcher Wert hier genau benötigt wird, kann man nur raten, irgendwas um die 2-2,5V), Anodenspannung (>50V), Gitterspannung (auch >50V). Für die genaueren Spannungen, und vor allem die Maximalwerte bräuchte man das Datenblatt der Treiber ICs, aber die scheint TI nicht rauszurücken. Selbst zu den Standard VFD Treiber ICs rücken die keine Datenblätter raus.
Mhh das sieht recht interessant aus mit dem Display, da ich für ein aktuelles noch ein schickes Display suche.
Das Bild sieht doch schon echt interessant aus, es wäre gut, wenn Du die schon bekannten Beschaltungsdetails mal postest, damit wir auch ein bischen "mitforschen" können.
Thomas M. wrote: > damit wir auch ein bischen "mitforschen" können. Leider gibt leider nicht mehr allzuviel zu forschen, die normale Ansteuerung, die Anschlussbelegung usw. ist bekannt. Es sind nur noch ein paar Kleinigkeiten zu erledigen: - Rausfinden was der Unterschied zwischen den ersten 4 Befehlen ist: 2 davon schalten ein, 2 davon schalten das Display aus. Wenn man mit dem Befehl 3 das Display einschaltet, dann sind scheinbar alle Pixel im Speicher auf 1 gesetzt. - Rausfinden ob es noch weitere Befehle außer den paar bekannten gibt (ich denke ich müsste alle gefunden haben, ich konnte zumindest keine Auswirkungen der restlichen auf das Display feststellen.) Der µC hat 60kByte ROM und 2kByte RAM. Für die 96x48=4608Pixel werden 576 Bytes verbraucht. Bleiben noch 1472 Bytes ungenutzt. Ebenso die 60kByte ROM halt ich für übertrieben, vor allem da es auch kleinere Versionen gibt. Soviel Speicher macht meiner Meinung nach nur Sinn, wenn da z.B. noch ein CGROM für eine Textdarstellung integriert ist. - Beim Hersteller nach Datenblätter fragen. Dies ist leider nicht meine Stärke, der Erfolg war bisher zumindest sehr gering (liegt vielleicht auch an der Email Adresse, mit ner yahoo Emailadresse nach nem Datenblatt betteln ist vielleicht nicht das beste.) Das wäre einmal Futaba wegen dem Display (da man sich dort aber sogar zum Download von den Datenblättern Registrieren muss, rechne ich nicht damit, dass die etwas rausrücken. Vor allem da das Display gegenüber den anderen GVFDs doch einen deutlich unterschiedlichen Befehlssatz hat, tippe ich auf ein kundenspezifisches VFD. Dafür spricht auf der fehlende Spannungswandler und das Folienkabel, was für Futaba VFDs untypisch ist. Zum anderen wäre noch bei TI nach dem Datenblatt der Treiber ICs zu fragen, falls Futaba nichts rausrückt. Dann wüsste man vielleicht wenigstens, wie hoch man mit der Spannung gehen kann. Da auf den ICs nichtmal normale Bezeichnungen aufgedruckt sind, rechne ich aber auch hier nicht mit einem Erfolg. Alle bekannten Infos zu dem Display gibt es hier: http://mitglied.lycos.de/bk4/gvfd.htm
@Benedikt K.: Wirst du eigentlich dafür bezahlt Displays in Betrieb zu nehmen? :-) Du hast bestimmt ein interessantes Lager... Schönes display und ganz schön günstig.
Marius S. wrote:
> Wirst du eigentlich dafür bezahlt Displays in Betrieb zu nehmen? :-)
Leider nicht. Aber ich habe mir schonmal überlegt, ob ich Pollin
nichtmal diesen Dienst anbiete...
Respekt! Benedikt wird seinem Ruf als Displayspezialist mal wieder voll gerecht. Ich hatte ja eigentlich erwartet, daß es sich um ein "abgespecktes" 128x64-Display handelt, ähnlich diesem: http://www.futaba.com/products/display_modules/module_products/pdfs/Graphic_51.pdf Das hat nämlich Folienkabelanschluß, aber 2 Pins zu wenig, offensichtlich, weil es die Anodenspannung intern erzeugt, das von Pollin aber nicht.
Sebastian wrote: > Ich hatte ja eigentlich erwartet, daß es sich um ein "abgespecktes" > 128x64-Display handelt, ähnlich diesem: Das sieht auch nicht ganz Futaba Standard mäßig aus. Ich habe mir von den verschiedenen Futaba Seiten (http://en.futaba.co.jp/display/module/index.html und http://www.futaba.com/products/display_modules/module_products/graphic/index.asp) bestimmt 100 Datenblätter gezogen und durchgearbeitet. Von all diesen Modulen haben nur 1-2 keinen Spannungswandler onboard. Generell gibt es 2 Typen von Displays: - Welche mit einem µC - Welche mit einem ASIC Beide unterscheiden sich im Befehlssatz: Erstere haben meist mehr Befehle, da man im µC leichter komplexe Befehle implementieren kann, eben auf Kosten der Geschwindigkeit. Ansonsten sind all diese Displays innerhalb ihrer Gruppe sich sehr ähnlich. Das Pollin Display passt vom Befehlsatz aber zu keinem der beiden. Es gibt zwar gemeinsame Befehle (aber scheinbar auch nur die aller nötigsten), aber die liegen an anderer Stelle.
> Ebenso die 60kByte ROM > halt ich für übertrieben, vor allem da es auch kleinere Versionen gibt. > Soviel Speicher macht meiner Meinung nach nur Sinn, wenn da z.B. noch > ein CGROM für eine Textdarstellung integriert ist. Es gibt diese Display oft auch noch mit Zeichensaetzen in japanisch oder vereinfachtem Chinesisch und da ist dann der Zeichensatz groesser. Vielleicht gibt es ja auch die Platine irgendwo eine Loetbruecke mit der man das umschalten kann? Olaf
Olaf wrote: > Es gibt diese Display oft auch noch mit Zeichensaetzen in japanisch > oder vereinfachtem Chinesisch und da ist dann der Zeichensatz > groesser. Ich hatte mir ein Programm geschrieben, dass alle möglichen Befehle inkl. Parameter ans Display schickt, da ich auch einen Zeichengenerator vermutet habe, gefunden habe ich aber nur die paar Befehle die ich in der PDF auf meiner Seite aufgelistet habe. Es könnte natürlich sein, dass man mit einer bestimmten Befehlskombination erst auf den Textmodus umstellen muss, aber das ist nicht ganz einfach zu testen. > Vielleicht gibt es ja auch die Platine irgendwo > eine Loetbruecke mit der man das umschalten kann? Nein, leider nicht: http://mitglied.lycos.de/bk4/bilder/gvfd4.jpg
Bei den Texas-ICs könnte es sich um die Treiber SN75501 und SN75502 handeln. Allerdings sind diese schon längst abgekündigt und ein Datenblatt habe ich auch keins gefunden (für den kleineren Bruder SN75512 findet man aber was...) Gruss Rayelec
SN75501 Datenblatt gibts hier: http://www.datasheetarchive.com/search.php?q=sn75501&searchtype=default&p=1 Leider haben die 8 Pins zu wenig (40<->48).
Uff, kann es sein, das die Displays bei Pollin schon ausverkauft sind? Wollte mir gerade überlegen auch ein paar zu kaufen... Björn
Björn G. wrote:
> Uff, kann es sein, das die Displays bei Pollin schon ausverkauft sind?
Schon ist relativ. Die Display gab es seit Weihnachten.
Dann hatten sie aber nicht viele an Lager - oder es hatte jemand wirklich Bedarf gehabt ;-) 13 Tage sind ja nu wirklich nicht viel. Björn
Björn G. wrote: > Dann hatten sie aber nicht viele an Lager - oder es hatte jemand > wirklich Bedarf gehabt ;-) Es waren um die 150-200Stk. > 13 Tage sind ja nu wirklich nicht viel. Für Schnäppchen bei Pollin schon.
Benedikt K. wrote: > Björn G. wrote: >> Dann hatten sie aber nicht viele an Lager - oder es hatte jemand >> wirklich Bedarf gehabt ;-) > > Es waren um die 150-200Stk. Du hast so viele bestellt? Ich hab mich mit 2 begnügt, mal sehen ob die auch geliefert werden ... >> 13 Tage sind ja nu wirklich nicht viel. > > Für Schnäppchen bei Pollin schon. Sehr wahr, manche Sachen sind an der "Kasse" schon nicht mehr da wenn man noch zu lange gestöbert hat :-). Jens
Jens Krause wrote:
> Du hast so viele bestellt?
Ich hab mir nur 8 bestellt, wovon aber 2 den Transport (bzw. eher die
schlampige Verpackung) nicht überlebt haben. Anscheinend arbeitet da
momentan aber niemand beim Service...
> Dann hatten sie aber nicht viele an Lager - oder es hatte jemand > wirklich Bedarf gehabt ;-) Du hast die erste Regel der Internets noch nicht begriffen. .-) Wenn man was interessantes findet dann kauft man sich erst einen Berg davon und stellt danach die Fragen, weil gute Dinge immer kurze Zeit nach beginn einer Diskussion alle sind. Olaf
> Wirst du eigentlich dafür bezahlt Displays in Betrieb zu nehmen? :-) > dann kauft man sich erst einen Berg davon Habe ich mich auch gefragt - was macht man mit den ganzen Anzeigen? Benedikts Displaymuseum? Hast Du eine Demo-Wand? So viele Uhren, Laborgeräte, .. kann man doch gar nicht basteln ! :-)
iii wrote: > Habe ich mich auch gefragt - was macht man mit den ganzen Anzeigen? Momentan habe ich 7 Anzeigen im Blickfeld (die beiden PC Monitore mitgezählt). 2 hängen am PC und zeigt verschiedene Werte an, das nächste zeigt mir eine Liste der letzten Telefon und Türklingelaktivitäten an, und das dritte ist der Monitor der Überwachungskamera vor der Haustüre. > Benedikts Displaymuseum? Hast Du eine Demo-Wand? Nein, nur einen Schrank, aber der ist in 3 Kategorien sortiert und voll: -Character LCDs -Grafik LCDs -alles was nicht in die obigen Kategorien passt > So viele Uhren, Laborgeräte, .. Bei mir stehen dann halt 4 Uhren nebeneinander: Eine mit VFD, eine mit LCD, und 2 mit LED Anzeige.
> Gibts Bilder von deinem Fundus? ;)
Sowas von uninteressant. Gibt es Backups von deinem Kopf?
Dein KnowHow ist absolut beeindruckend.
>Bei mir stehen dann halt 4 Uhren nebeneinander: Eine mit VFD, eine mit >LCD, und 2 mit LED Anzeige. Da fehlt ne Nixie :P
OLED-, Plasma- und EPaper- Uhren wären auch mal interessant.... **duckundweg**
Hallo zusammen! Ich war etwas übereifrig und habe mir gleich fünf Stück bestellt. Davon benötigen werde ich nach reiflicher Überlegung jedoch nur drei Stück. Möchte jemand die anderen haben? Eins werde ich in die Wanderkiste reintun die ich noch abschicken muss, das letzte würde ich gerne verkaufen. Ich habe für fünf Stück inkl. Versand (Nachname) 23,88€ bezahlt. Durch fünf geteilt ergibt das 4,77€ pro Stück. Zu diesem Preis zuzügl. Versand würde ich das Display abgeben. Der einzelpreis war 2,95 exkl. Versand. Wenn jemand eine günstige Versandmöglichkeit kennt, so dass sich die ganze Sache noch lohnt, so möge er mir dies mitteilen. Vieleicht reicht schon ein Luftpolsterumschlag (auf Risiko halt, dass das Display unterwegs hinüber geht) Ansonsten tu ich alle zwei überschüssigen in die Wanderkiste. Viele Grüße, Dr. Robotnik
Hallo. Leider kann ich kein Display abnehmen, da ich ohnehin einige dieser Displays benötigt hätte. Björn
Meine Displays sind heute gekommen, die waren nur in soner Tüte und diese Tüte dann lose im (viel zu großen) Karton. Die Versandabteilung bei Pollin ist wohl grad nicht so auf der Höhe. Ich hoffe die sind nicht kaputt. Jens
Jens Krause wrote: > Meine Displays sind heute gekommen, die waren nur in soner Tüte und > diese Tüte dann lose im (viel zu großen) Karton. Die Versandabteilung > bei Pollin ist wohl grad nicht so auf der Höhe. Ich hoffe die sind nicht > kaputt. Hast du denn wenigstens die VFDs bekommen? Bei mir waren andere LCDs in der Tüte die mit GP1070A01 beschriftet war. (Das war die Nachlieferung, da ja 2 Stück der VFDs kaputt waren). Die Verpackung war ansonsten ähnlich: Riesen Kiste, darin: 2 LCDs in einer Tüte. Ich hatte mir vorgenommen nix negatives über Pollin zu sagen, aber in letzter Zeit ist die Qualität der Versandabteilung meiner Erfahrung nach deutlich schlechter geworden.
Hi, habe grad das Display soweit auch zum laufen gebracht. Das gibt anreiz noch ein bisschen herumzuspielen. Im Anhang mal ein Foto. Bei dem Display ist es mir beim testen pasiert das ich ein paar Pixel "abgeschossen" habe. Sieht man auf dem Bild im P beim n und beim Kreis. MfG Kai
Kai B. wrote: > Bei dem Display ist es mir beim testen pasiert das ich ein paar Pixel > "abgeschossen" habe. Lass mich raten: Du hast die Spannung angelegt, danach haben einige zufällige Pixel extrem hell geleuchtet? Das liegt an dem µC: Der benötigt eine BOD, bzw. ein ordentliches Reset Signal nachdem die Spannung stabil ist. Ist mir auch passiert.
Jens Krause wrote: > Meine Displays sind heute gekommen, die waren nur in soner Tüte und > diese Tüte dann lose im (viel zu großen) Karton. Die Versandabteilung > bei Pollin ist wohl grad nicht so auf der Höhe. Grade? Noch nie vorher bei Pollin bestellt? Ungenügende Verpackung, besonder der viel zu große Karton ohne Füllmaterial, ist ein Markenzeichen von Pollin. Den Rest gibt dann DHL der Lieferung. Ich habe denen deshalb die Freundschaft gekündigt. Dieses ständige Reklamieren, Ersatzsendungen herlaufen und dann die Ersatzsendung reklamieren müssen wurde mir zu viel.
Benedikt K. wrote: > Hast du denn wenigstens die VFDs bekommen? Bei mir waren andere LCDs in > der Tüte die mit GP1070A01 beschriftet war. (Das war die Nachlieferung, > da ja 2 Stück der VFDs kaputt waren). Die Verpackung war ansonsten > ähnlich: Riesen Kiste, darin: 2 LCDs in einer Tüte. Nene, sind die bestellten VFDs. Kai B. wrote: > habe grad das Display soweit auch zum laufen gebracht. > Das gibt anreiz noch ein bisschen herumzuspielen. Kannst Du, oder Benedikt, mal was zu Deiner/Eurer Schnell-Mal-Testen-Konfiguration sagen? Also wie die Hardware aussieht? Ich hab noch kein VFD angesteuert, nur normale Text LCDs bis jetzt ... Jens
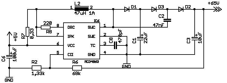
Jens Krause wrote: > Kannst Du, oder Benedikt, mal was zu Deiner/Eurer > Schnell-Mal-Testen-Konfiguration sagen? Also wie die Hardware aussieht? Ich habe die Schaltung angehängt, die mir 65V aus 5V erzeugt. Die Spule ist ein wenig kritisch, da musste ich erst ein paar ausprobieren bis ich eine passende hatte, denn der 34063 ist da ziemlich an der Grenze (sowohl von der Spannung als auch vom Strom her). Die Heizdrähte hängen an 5V und über 12Ohm 1W an GND. Das ergibt rund 2,2V bei etwa 220mA. Ansonsten ist nur ein tiny2313 drauf, der Befehle und Daten vom PC über RS232 empfängt und ans Modul weiter sendet. Das einzig wichtige ist, dass die Software als erstes einen sauberen Reset von dem µC vom Display macht, damit der sauber anläuft. > Ich hab noch kein VFD angesteuert, nur normale Text LCDs bis jetzt ... Dieses Display ist eigentlich extrem einfach anzusteuern, da es dank des eigenen µC keine Initialisierung braucht, sondern nur einen Befehl zum Einschalten und dann kann man schon die Daten senden.
Hi naja zur Hardware gibts ned viel zu sagen. Das Display wird eine dir beliebige Schnittstelle angeschlossen (µC oder LPT) Und die Spannungsversorgung mache ich bei mir mit nem MC34063 als StepUp + externen FET da ich auf nummer sicher gehen wollte wegen der Spannung von bis zu 60 Volt, einem 7805 für die Elektronik und dadran 3x 1N4007 um die Heizung zu versorgen. Die hoche Spannung von MC34063 bricht bei mir dann etwas ein. Im Leerlauf ohne Display kann ich bis 80Volt erzeugen. Das Display selber scheint auch noch bei ca 40 Volt gut zu gehen. Ich hab einfach ecc und ebb miteinander am MC34063 angeschlossen. In meinem Fall habe ich das Display am LPT angeschlossen. Und mir in Freebasic ein kleines Testprogramm geschrieben. Eine Anschlussbelegung zum Display gibt ja von Benedikt. In seiner PDF gibts auch eine Liste mit den möglichen Befehlen. Was mich allerdings etwas verwirrt hat ist die Versorgung für die Heizung. In der Tabelle steht eff = 2.2Volt und efk = 5 Volt. ich habe einfach die eine efk Leitung auf Masse belegt und die andere efk Leitung an die 3 Dioden. Soviel zu meiner Test-Hardware.
Kai B. wrote: > Was mich allerdings etwas verwirrt hat ist die Versorgung für die > Heizung. > In der Tabelle steht eff = 2.2Volt und efk = 5 Volt. > ich habe einfach die eine efk Leitung auf Masse belegt und die andere > efk Leitung an die 3 Dioden. Besser umgedreht, also Heizung an 5V, Dioden gegen GND. Ansonsten kann es sein, dass ein paar Segmente schwach glimmen, da eine Gitterspannung von 0V den Stromfluss nicht ganz abstellen kann. Futaba verwendet hierfür meist sogar 5-10V Offset.
@ V. Baumann (dr-robotnik) Wenn dein Display noch zu haben ist, dann würde ich es gerne nehmen.
Hallo Benedikt! Deine Lycos Homepage ist ja nun in den Weiten des Internets verloren gegangen. Könntest du deine damals auf deiner Seite zusammengestellten Informationen nochmals zugänglich machen? Vielen Dank, Muetze1
Hmpf, Schade. Leider ist dort nur die Ansteuerung eines nackten VFD mittels CMOS Bausteine. Die Seiten waren mir sogar noch im Kopf, die Ansteuerung des im 1. Thread genannten Displays wäre interessant :-(
Bitte melde dich an um einen Beitrag zu schreiben. Anmeldung ist kostenlos und dauert nur eine Minute.
Bestehender Account
Schon ein Account bei Google/GoogleMail? Keine Anmeldung erforderlich!
Mit Google-Account einloggen
Mit Google-Account einloggen
Noch kein Account? Hier anmelden.


