Hi, befindet sich auf dem Display von Pollin (Best.Nr. 120 346, "Grafik-Display DataVision DG-16080-11") ein Touchscreen? Auf dem Bild sieht man nämlich 4 Anschlüsse, die im Datenblatt jedoch nicht beschrieben sind. Oder ist das ein Anschluss für eine EL-Beleuchtung? 7€ für Display+Touchscreen wäre schon schön^^ Mit freundlichen Grüßen, Ralf
Da im Datenblatt was von Backlight steht, aber bei den PINs keins aufgeführt wirds wohl dafür sein... Aber was kann st du bei 7€ schon verlieren... Weiß jmd den Controller der draufsteckt?
hoffentlich nicht..in der Beschreibung ist ja auch nichts erwähnt. Naja falls ich demnächst mal bestelle und das Teil dann noch da ist werde ich wohl eins mitordern. Ralf
nenene, für mich sieht das extrem nach touch aus! leiterbahnführung, "oben drauf", ... bin mal gespannt! Klaus.
Guckt mal hier: http://www.roboternetz.de/phpBB2/zeigebeitrag.php?t=43741 Da hat einer das gLCD... das ist wirklich ein touch! Bauteiltöter
...was hab ich gewonnen??? <:) Dann wird das wohl bald ausverkauft sein :) Klaus.
... ... wrote: > Da im Datenblatt was von Backlight steht, aber bei den PINs keins > aufgeführt wirds wohl dafür sein... Das Display gabs schonmal, es hat ein grünes LED Backlight, uns ansonsten einen recht guten Kontrast und Blickwinkel. > Weiß jmd den Controller der draufsteckt? Schau mal in die Artikelbeschreibung... Klaus2 wrote: > ...was hab ich gewonnen??? <:) Nix, denn der Touchscreen da drauf ist kaputt. Daher wird es als ohne verkauft. Die leitfähige Klebeverbindung zwischen Anschlussfolie und LCD ist nicht richtig, daher hat sie keine Verbindung. Wenn man Glück hat, erwischt man eines mit einem funktionierenden Touchpad (etwa 1 von 10).
Hallo zusammen, also ich habe mein Display gerade ausgepackt und so wie es aussieht, funktioniert der Touchscreen bei mir. Kenn' mich jetzt nicht wahnsinnig mit der Funktionalität eines Tochscrenns aus, aber wenn ich den Widerstand zwischen den Leitungen messe und aufs Display drücke, ändert sich der Widerstand je nach der gedrückten Position (auf X und Y Achse). Ohne Betätigung habe ich einen Widerstand nahe unendlich. lboppi
Mess mal an den Anschlüssen: Zwischen jeweils 2 Anschlüssen müssen es etwa 300 bzw. 900 Ohm (oder irgendwas ganz grob in der Richtung) sein wenn nichts gedrückt ist. Untereinander müssen es unendlich sein, was du ja schon gemessen hast.
Man kann dem Touch aber auf die Sprünge helfen (Lötkolben), hat bei meinen zwei LCDs auch geholfen. Ob das Grundsätzlich bei allen der Fall ist, kann man so nat. nicht sagen.
Von Atmel gibt es auch eine Application Note zum Thema Touchscreen. Vielleicht hilft sie dir beim Verständnis etwas weiter. http://atmel.com/dyn/resources/prod_documents/doc8091.pdf Viele Grüße, Hendrik
Danke Hendrik für das Datenblatt. Weiss' jemand, ob man so ohne weiters ein normales Kabel an das "Flachbandkabel" löten kann ? @Benedikt: Genau in diesem Bereich liegen meine Widerstandswerte lboppi
lboppi wrote: > Weiss' jemand, ob man so ohne weiters > ein normales Kabel an das "Flachbandkabel" löten kann ? Wenn du diesen Folienstecker meinst: Ja, das geht. Habe ich auch gemacht.
@Benedikt K > Wenn man Glück hat, > erwischt man eines mit einem funktionierenden Touchpad (etwa 1 von 10). Ich bin mal für eine kleine Statistik :-D Meiner funktioniert in X und Y-Richtung ohne vorheriges Löten oä Über Linearität kann ich nichts sagen, da ich mir nur die Widerstände auf dem Multimeter angesehen hab. Nur eine kleine Sache: Für seichtes Berühren mit dem Finger ist meiner nicht geeignet. Entweder Fingernagel oder fest mit dem Daumen drücken. (Oder Plastik-Touchscreenstift, den ich nicht besitze)
Michi wrote: > Nur eine kleine Sache: Für seichtes Berühren mit dem Finger ist meiner > nicht geeignet. Entweder Fingernagel oder fest mit dem Daumen drücken. > (Oder Plastik-Touchscreenstift, den ich nicht besitze) Ist bei mir auch so. Von der Linearität her sind die ausgezeichnet: Ich kann reproduzierbar +/-1 Pixel genau treffen.
Das Display kam vorgestern auch zu mir. Bei meinem sind zwar beide Koordinaten verfügbar, jedoch sind die gegenseitig etwas vonenander abhängig, sprich nicht linear. Das wird wohl der Defekt daran sein. Ist da aus Erfahrungswerten noch irgendwas zu machen ausser mit Mathematik? Meik
Könnte jemand mal ein hochauflösendes Foto machen von der kritischen Kontaktstelle (sofern sie denn nun doch existiert) ???
Der schlechte Übergang ist einfach der Kontakt zwischen Folienleiter und Touchfolie. Ich weiss nicht ob da ein Foto mehr Informationen bringt. Das hab ich damals gemacht: http://roboter.net-con.net/images/touch/GLCD-Touch2.jpg
Die gibts tatsächlich immernoch... Hab gleich mal 3 mitbestellt (...warum nur meine Pollin Bestellungen immer gleich so teuer werden ;) Bin schon sehr gespannt, wie das klappt... Mich wundert, dass die immenroch welche von den Teilen haben...
Die kritischen Stellen sind die 4 braunen Rechtecke rechts wo das Folienkabel drangeht auf obigem Foto. Theoretisch ist eine Reparatur des leitfähigen Klebers möglich: Man muss die Stellen erhitzen, zusammenpressen, abkühlen lassen. Wichtig dabei ist, dass der Druck solange erhalten bleibt bis der Kleber wieder kalt ist.
Hallo, hat jemadn ein Code Beispiel(AVRGCC) zum Ansteuern des GLCD? Ich finde nur das für die KS0108. Das hat aber zwei CS Anschlüsse. Danke im voraus! Gruss Olli
Hallo, ich habe nun ein C- Programm für dieses Display gefunden. Funktioniert auch soweit. Nun habe ich eine weitere Frage. Wie kann man eine Grafik so konvertieren, das man nur die einzelnen Pixel koordinaten hat, um sie auf diesem Display darzustellen. Der Autor dieses Programms hat einen Pinguin so dargestellt: http://www.frozeneskimo.com/samsunglcd/avr-lc7981-v1/draw_penguin.c. Wie könnte man eine andere Grafik darstellen? Gruss Olli
Hi
>Der Autor dieses Programms hat einen Pinguin so dargestellt:....
Das muss jemand aus der Sado-Maso-Szene sein. Ich habe mir, allerdings
für Assembler, ein Programm geschrieben, das Bitmaps in .db-Anweisungen
umwandelt. Jedes Bild hat ein Label und wird in das Programm ein
gebunden. Das Bild wird dann vom Flash einfach (Byteweise) auf das
Display kopiert.
In C müsste man aus dem Bild ein Array machen, das zum Display kopiert
wird.
MfG spess
so habe ich mir das auch gedacht. Das die Pixel koordinaten im Array stehen, und ich sie da auslese. Nur erst mal die Koordinaten bekommen. Ich dachte da gibt es Hilfsprogramme? Sonst wäre es wirklich ein Fall für Sado Maso..
Hm, leider sehen die Dinger jetzt ein bischen anders aus... Hab meine grad ausgepackt... Wenn ich mit dem Multimeter messe, habe ich zwischen 300 und 500 Ohm Widerstand zwischen je 2 Anschlüssen... Allerdings ändert sich daran rein garnichts, wenn ich auf dem Display rumdrücke... Weder mit Finger/Nagel, noch mit Touchstift... Muss das Display mit Spannung versorgt werden, damit ich da was messen kann?
Der Widerstand ändert sich zwischen den jeweils 2 Anschlüssen auch nicht. Du hast aber auch zwei Kombinationen, bei denen der Widerstand unendlich ist. Der wird kleiner, wenn Du das Display berührst/drückst.
Olé, perfekt, dann funktionieren alle 3 Touchs.. Der Tag ist gerettet :) Linearität muss ich noch mal genau testen :)
Moin moin, gibts inzwischen ne C Lib fürn Atmega(8)? Meins ist heute auch gekommen, zumindest die X-Achse funktioniert wohl, Y habe ich noch nicht getestet. Mich wundert es auch, dass momentan noch 785 verfügbar sind...
Ich habe jetzt 2 von denen. Das Zweite kam leider mit kohlebeschichteten Kontakten; ist also nix mit anlöten. Vernünftig ans Laufen bringe ich die Touchscreens aber nicht, da die X Koordinate von der Y Koordinate abhängig ist und umgekehrt. Hat jemand eine Idee, wie man das am Besten rausrechnet? Gruß Meik
Mhh numerisch oder so ne Karte erstellen? also 10x10 Messungen machen und dann nähern.
Meik Dittmann schrieb: > Vernünftig ans Laufen bringe ich > die Touchscreens aber nicht, da die X Koordinate von der Y Koordinate > abhängig ist und umgekehrt. Hat jemand eine Idee, wie man das am Besten > rausrechnet? Falsch angeschlossen, bzw. falsch angesteuert? Eigentlich darf das nämlich nicht sein, außer der Widerstand der Fläche ist stark ungleichmäßig.
Angeschlossen wie oben im Thread verlinkt. Es machen auch Beide die spirenzchen. Daher hatte ich den Verdacht auch schon mal in die Windungen bekommen. Ich werde dem noch mal nachgehen. Mit dem Controller ausgewertet hatte ich die Koordinaten noch nicht, nur über zwei 100 OHM an 5V angeschlossen und die Spannung gemessen. Bei X blieb die konstant, wenn ich von links unten genau diagonal nach rechts oben mit dem Finger drübergefahren bin. Meik
Hier steht wie es geht: http://www.mcselec.com/index.php?option=com_content&task=view&id=189&Itemid=57 The touchscreen that’s used here is a 4 wire resistive touchscreen. It’s not more then 2 big resistors, one with the connection leads to the top and the other with the leads to the side. By pressing on the screen your making contact between the top and bottom layer. To determine the cordinates you read first the x value and then the y value. To say it simple; Touchscreen x read, Set PF0 high and PF2 low and read PF1 or PF3. Touchscreen y read, Set PF1 high and PF3 low and read PF0 or PF2. Die sind auch nicht abhängig voneinander, wenn man die richtig ansteuert. X+ an Plus, X- an Minus und über Y+ oder Y- auslesen. Die andere Seite umgekehrt.
Habs gerade noch mal angeschlossen und die 5 V an die 500 bzw. 300 OHM gelegt(Pin 1+2 bzw. 3+4). Funktioniert! Das hatte ich bei der anderen Beschreibung nur irgendwie anders verstanden. Da waren die 5 V an Pin 1+3 bzw. 2+4. Jetzt läufts! Danke noch mal für den Denkanstoß. Meik
Hallo Christian. Ich sehe, du hast den entsprechenden Textabschnitt noch einkorrigiert. Das meinte ich mit den Pin's. Dann ist die Reihenfolge von oben scheinbar PF0, PF2, PF1 und unten dann PF3 Verwirrend.
Hi >Der Autor dieses Programms hat einen Pinguin so dargestellt:.... >Das muss jemand aus der Sado-Maso-Szene sein. Sieht für mich wie ne Vektorgrafik aus - Kann je nach Grafik ziemlich speichersparend sein...
So, ich versuche grade das Teil wenigstens mal zum leuchten zu bekommen und scheitere. Kann man nicht einfach an LED+ und LED- Spannung anlegen und die Hintergrundbeleuchtung geht an? Bei mir tut sich garnichts. Habe die Spannung von 0 bis 5V hochgedreht. Habe daraufhin alles andere auch noch angeschlossen: Vss: GND Vdd: 5V V0: 5V CS: Low RES: Low Rest: NC Und natürlich die LED Pins. Warum geht das Display nicht an? Irgendwas falsch? Muss ich erst den Controller initialisieren damit es muckt?
@Fabian, hast du eines mit LED oder EL-Folie? Bei der EL-Folie ist eine ca. 0,5mm dicke Folie zwischne Display und Platine zu sehen. Dafür brauchst du einen Konverter. Ich habe den "EL-Inverter 08" von Reichelt und es leuchtet wunderbar...
Fabian S. schrieb: > Kann man nicht einfach an LED+ und LED- Spannung anlegen und die > Hintergrundbeleuchtung geht an? Es gibt bei Pollin verschiedene Versionen. Eine davon hat eine EL Folie. > Warum geht das Display nicht an? Irgendwas falsch? Muss ich erst den > Controller initialisieren damit es muckt? Ja.
Ahhh dann bin ich ja schon mal schlauer, da ist eine Folie. Nun die Frage: Wie viel Saft braucht das Teil? Habe hier einen 630V oder so von sonner PC Leuchtröhre, geht das damit oder würde ich damit was braten??? Das Prob ist, dass die beiden Pins für LED+ und LED- nur 2,54mm nebeneinander liegen, 600V würde da glaube ich gerne mal überspringen... Ahh ich sehe grade unter dem Flachkabel sind noch 2 Pins die scheinbar direkt zu dieser Folie führen, die sind auch weiter auseinander, dann muss das wohl da ran?
Falls es jemand zum Start nützt: Ich habe am Wochenende mal schnell eine Ansteuerung zusammengeschrieben. Das ganze ist in Assembler für einen Atmega8 mit internen 1MHz. Der Code ist nur schlampig runtergeschrieben, aber es ist ja auch nur als "Starter" gedacht... Die Abfrage des Touch ist noch nicht drinnen, soll aber noch kommen. Thomas
@Fabian Du brauchst einen EL-Konverter! Die Schaltungen für Kathodenröhren funktionieren nicht! Mein Konverter liefert 120V AC.
So, nun zu meinem Problem: Ich habe nur einen sehr schwachen Kontrast. Wenn ich weiter "aufdrehe", kommen schon die Hintergrundpixel raus. Die ist aber nur im normalen Betrieb so. Als meine Ansteuerung mal in der Initialisierung hängengeblieben ist, hatte ich ein wunderbar schwarzes Bild. Kennt vielleicht jemand das Problem? Thomas
und wenn du deinen text einmalig beschreibst ?? zb vor der main-loop ??
Ich bräuchte noch die Init Sequenz für Textmode, fall die jemand hat..... Falls Du keinen EL Inverter hast: Bei ATU gibts beleuchtete Türleisten für Autos, da kann man den ausschlachten. Ist 12V bei mir aber egal, ich benutze DC/DC Wandler.
Thomas Forster schrieb: > So, nun zu meinem Problem: > > Ich habe nur einen sehr schwachen Kontrast. Wenn ich weiter "aufdrehe", > kommen schon die Hintergrundpixel raus. > Die ist aber nur im normalen Betrieb so. Als meine Ansteuerung mal in > der Initialisierung hängengeblieben ist, hatte ich ein wunderbar > schwarzes Bild. > > Kennt vielleicht jemand das Problem? > > Thomas Welche Spannung hängt am Display? Es sollten recht genau 5,0 V sein, nicht darunter, sonst schafft der interne Spannungswandler die nötige Kontrastspannung nicht.
Spannung ist gemessen bei 5,05 V. @gast: Die Überschrift wird nur einmal am Ende der Reset-Routine geschrieben. Lediglich der Zähler in der Mitte wird 1 mal pro Sekunde geschrieben. @Christian: Meine INIT ist für Textmode. Bascom und C gibts im Netz. Werde mich heute abend noch mal dransetzen.
Hast du vielleicht eine zu hohe Auflösung eingestellt? Also mehr Zeilen als das Display hat?
Hallo Benedikt, ich habe jetzt die gleicehn Einstellungen wie du verwendet und jetzt passt der Konrast. Danke! Anbei nochmal mein abgeänderter Code. Gruß Thomas
OK, jetzt bin ich vollkommen verwirrt. Christian schreibt: Ist 12V bei mir aber egal, ich benutze DC/DC Wandler. Thomas schreibt: Mein Konverter liefert 120V AC. ??? AC ODER DC? Beides geht wohl nicht :D Oder meinte Christian nur, dass er einen DC/DC Wandler von 5 auf 12V hat, um damit den 120V AC Inverter zu betreiben? BTW: Wo issen der Unterschied zwischen Inverter und Konverter? Ist ein Inverter nicht ein Konverter?
Hallo,
das ier verstehe ich nicht:
ldi temp1, 2 ;Adresse 2: Anzahl horiz. Zeichen -1
ldi temp2, 26
rcall lcd_init_command
(brrr.... Assembler)
Du musst doch die Zeichenzahl so wählen, dass sie in 160 Pixel
reinpasst. 160 / 27 ist aber ungerade. Meiner Ansicht nach geht da nur
eine Zeichenfeldgrösse und das ist 8x8 für 20 Zeichen. Zur Auswahl
stehen 6,7,8, je grösser umso weiter stehen die zeichen auseinander. Der
Kontroller weiss doch sonst gar nicht wo er die Zeichen setzen soll. Die
werden doch fortlaufen geschrieben, ist er hinten fertig gehts eine
Zeile tiefer wieder weiter.
Läuft das denn ????
Nein, ich habe einen kleinen DC/DC Wandler, der aus 5V 5....40V machen
kann. Der EL Inverter hat 12V Eingang und ca 120 VAC Ausgang. Auf die
Frequenz kommt es sagte der Mod hier.
> ldi temp1, 2 ;Adresse 2: Anzahl horiz. Zeichen -1 > ldi temp2, 26 > rcall lcd_init_command > Läuft das denn ???? Es sah so wie auf meinem Foto aus: Enge Schrift und mieser Kontrast. Inzwischen habe ich den Wert nach Benedikts Vorgaben korrigiert. Der neue Sourcecode ist 2 Posts darüber. So sieht es jetzt aus. Thomas
Hi, habe meines erstmal an Strom und Kontrast gelegt. Ist es normal, dass da Streifen übers ganze Bild gehen, die auch beim reset nicht weggehen? Display OFF läuft jedenfalls. Nervig ist das Pfeifen des Inverters, so ein hoher Ton.
Und wer verrät mir jetzt noch die Frequenz die der Inverter haben muss? :D
Schlimm ist auch, dass die Streifen auf der einen Bildhälfte blauer sind als die auf der anderen Seite, als wäre das LCD Fluid ungleich verteilt. Dabei ist das doch nur ein s/w Display. Der Hit ist diese EL Folie ja nicht...... funzel
Christian J. schrieb: > Schlimm ist auch, dass die Streifen auf der einen Bildhälfte blauer sind > als die auf der anderen Seite, als wäre das LCD Fluid ungleich verteilt. > Dabei ist das doch nur ein s/w Display. Mach mal ein Foto. Das klingt definitiv nicht normal. > Der Hit ist diese EL Folie ja nicht...... *funzel* Ja, die Farben sind meist nicht gerade schön, dunkel sind die auch noch und die Lebensdauer ist auch nicht so ganz das optimale. Dafür sind die halt schön dünn. Fabian S. schrieb: > Und wer verrät mir jetzt noch die Frequenz die der Inverter haben muss? > :D Ein paar 100Hz. Die meisten EL Inverter haben 500-1000Hz. Zur Not (also zum Testen) gehen auch 50Hz, also z.B. ein kleiner 24V Trafo rückwärts an einen 12V Trafo um so 110V zu erhalten.
Hi, scheint aber normal zu sein, wenn ich mit dem Finger über die Kontakte gehe ändert es sich. Teilweise ganz lustig, da scrollt es von oben nach unten durch. Meine EL ist einfach nur hellgrau. Reset = H Display OFF = H Ich hatte das Display bei Pollin ja reklamiert, weil ich dachte die EL sei defekt. Jetzt kriege ich kostenlos ein Neues :-)
Die Streifen sind nicht normal. Das habe ich bei meinen zweiten auch. Zwar nicht so ausgeprägt aber immerhin. Reklamation läuft. Mal sehn, ob ich mir aus zwei defekten 1 ganzes bauen kann. An mein erstes sind mir versehentlich 12V draufgerutscht..... Meik
Hallo, bist Du da sicher? Die Daten Pins sind bei mir noch nicht angeschlossen. Das Display ist leider fest eingelötet, wollte ich ungern rausreissen. Oder liegt es vielleicht nur an der fehlenden Initialisierung, dass das Müll im internen Ram steht? Das geht nämlich auch wieder weg, wenn man mit dem Finger über die Pins geht.
Es scheint mehr als 2 verschiedene Versionen davon zu geben, ich habe zumindest jetzt schon 3 verschiedene: - Links: grünes LED Backlight aber zu 90% defekte Touchscreens, lange Stiftleisten (gabs letztes Jahr bei Pollin) - Mitte: EL, keine Stiftleisten, Touchpad bei mir ok, Folienkabel lötbar - Rechts: EL, kurze Stiftleisten, war schonmal eingelötet, Touchpad ok, aber Folienkabel graphitiert -> nicht einlötbar. Das Displays ist defekt (etliche Zeilen sind halb defekt). @Meik Hat dein defektes auch die kurze, bereits verzinnte Stiftleiste? Falls ja dann kann man das wohl als Kriterium für ein Ausschussteil verwenden und sollte dieses genauer prüfen. Unangesteuert zeigt das Display bei richtig eingestellter Spannung nichts an. Nur wenn man diese extrem hochdreht kommt irgendein Mist raus.
So sieht das defekte aus. Wenn man drauf drückt, gehen manche Zeilen an, andere aus. Also das übliche Problem mit der Kontaktierung der Leitfolie zwischen Platine und LCD.
Benedikt K. schrieb: > @Meik > Hat dein defektes auch die kurze, bereits verzinnte Stiftleiste? > Falls ja dann kann man das wohl als Kriterium für ein Ausschussteil > verwenden und sollte dieses genauer prüfen..... Jupp. Ist da noch was zu machen mit Heissluft oder Lötkolben?
Theoretisch ja, praktisch wirds schwierig. Reklamieren und ein neues schicken lassen, das dürfte die einfachste Lösung sein. Wenn das Display so liegt wie auf meinem Foto, dann schau mal von links auf die Seite. Da ist ein breites Folienkabel das sowohl auf der Platine als auch auf dem Display angeklebt ist. Da kommt man nur schwer ran ohne noch mehr kaputt zu machen.
Gesehen hatte ich das schon. Ich werden es einfach mal wagen und den Lötkolben bei moderater Temperatur drüberstreichen. Die Reklamation läuft ja bereits. Über das Ergebnis lasse ich mich dann hier noch mal aus.
Also...... jetzt stehe ich vor der Entscheidung das Ding zu verdrahten oder es sein zu lassen und auszubauen. Beim Draufdrücken tut sich nichts, verändert sich nicht. Zwei zeilen bleiben aber immer weiss. Pollin..... ein echter Schrotthandel.
Ich versuch's gleich mal mit dem Lötkolben. Gegen 20:00 Uhr weiß ich mehr.
Kannst Du mal sagen, was Du da gelötet hast? Bei mir sind auch Streifen, die nicht weggehen. Habe grad nochmal mit Pollin telefoniert, die bestätigten mir, dass da recht viel reklamiert wurde und wollen das prüfen. Es gehe leider nicht 10 Stück zu bestellen und dann 9 zurückzusenden :-) Ich habe denne allerdings auch mal auf die Füsse getreten, dass die ihre Waren zu kontrollieren haben, es kann nicht sein, dass die aus Elektroschrott, der aussortiert wurde noch Geld machen.
Hallo Christian. Der Folienleiter an der Seite muss erhitzt werden. Am Besten von oben nach unten alle erhitzen. Wenn man nämlich einmal anfängt, lösen sich die benachbarten, gerade noch so anhängenden Kontakte, durch die Wärmeausdehnung der Platine auch noch ab. Christian J. schrieb: > ... es kann nicht sein, dass die aus > Elektroschrott, der aussortiert wurde noch Geld machen. Das ist glaube ich die Geschäftsgrundlage von Pollin. Zeugs, was keiner haben will, für wenig Geld anbieten.
Hallo, heute kam mein Ersatzdisplay an nach der Reklamation: Ein nagelneues Display, Original verschweisst vom Hersteller. Allerings habe ich denen auch Druck gemacht, dass ich 10 bestellen werde und 9 zurücksende. Es geht doch :-)
Das ist das Display wie ich auch eins habe. Bei dem kann man wunderbar auf dem Folienkabel löten.
Dafür habe ich einen alten ISA Slot zerschnitten, mit einer Platine auf das Folienkabel geklebt und reingeklemmt klappt das wunderbar.
Hallo, ich glaube ist stehe beim Display etwas auf dem "Schlauch", vielleicht kann mir hier jemand helfen. Ich verstehe bei dem Datenblatt nicht ganz, wo da welche Spannung ran soll. Was für eine Spannung kommt an Pin 2, 3 und 17. Wo stelle ich den Kontrast ein ? Gibt es hier auch einen C-Code für die Ansteuerung für das Display ? Danke Torsten
Nungut, da sich kein Profi meldet werde ich mal mein unverifiziertes Halbwissen verkünden: ;-) > Was für eine Spannung kommt an Pin 2, 3 und 17. Pin 2 müsste Vcc (+5V) sein Pin 3 sollte Kontrastspannung (-) sein Pin 17 ist laut Datenblatt "Negative Voltage Output(-10V)", ist also der Ausgang des internen Spannungswandlers zum Erzeugen der Kontrastspannung. > Wo stelle ich den Kontrast ein ? Mit einem Poti zwischen Pin 17 und GND, Schleifer an Pin 3. > Gibt es hier auch einen C-Code für die Ansteuerung für das Display ? Hier habe ich was gefunden: http://www.frozeneskimo.com/samsunglcd/avr-lc7981-v1/ Ich habe es allerdings nicht getestet, ich habe auch gar keinen C-Compiler installiert. Ich erhoffe mir damit nur Tipps für eigene ASM-Routinen, hatte aber bisher noch keine Zeit dazu. ...
Oh weia, ja, besten Dank. Das hat ganz schön gekracht, als mir eben das Brett vom Kopf abgefallen ist :-) Output = Ausgang, sicher, deswegen habe ich auf einem Bild auch ein Kabel von Pin 17 zu Pin 3 gesehen.... In einen Roboterforum gibts auch nen Bild, wo dann die Koordinaten im Display stehen, wenn ein Touch kam, aber den Code habe ich nicht gesehen. Vielleicht macht es Sinn, mal aktiv in der Richtung zu werden, inkl. Anschlußplan für Display und Touch. Ich werde mal die nächsten Tage was versuchen. Denn auch der Anschluß vom Touchpad ist mir nicht klar. Da werden immer alle 4 Anschlüsse an den Prz. gelegt, sollte es nicht reichen, wenn nur 2 angeschlossen werden ? Die anderen 2 dann an Masse und der PullUp vom Eingang am Proz. aktiv. Gruß Torsten
> Denn auch der Anschluß vom Touchpad ist mir nicht klar. Da werden immer > alle 4 Anschlüsse an den Prz. gelegt, sollte es nicht reichen, wenn nur > 2 angeschlossen werden ? Die anderen 2 dann an Masse und der PullUp vom > Eingang am Proz. aktiv. Hier wieder nur unverifiziertes Halbwissen: Ich denke, es wird nix mit nur 2 Anschlüssen... Der Touchscreen enthält ja (stark vereinfacht) zwei Potis, deren Schleifer beim Tatschen zusammengeschaltet werden, aber nicht herausgeführt sind. Um nun die Waagerechte zu messen, wird die Waagerechte an Spannung und GND gelegt, die Senkrechte potentialfrei gemacht und per ADC gemessen. Um die Senkrechte zu messen, wird die Senkrechte an Spannung und GND gelegt, die Waagerechte von Spannung und GND getrennt und per ADC gemessen. Um zwischen Unbetätigt und Betätigung am Rand unterscheiden zu können, muss jedem Zweig noch ein Widerstand in Reihe geschaltet werden, damit der "Rand" eben nicht am Widerstandsende liegt. Der interne PullUp kann für definierten Wert beim Nichtbetätigen sorgen. Die einfachste Lösung dürfte also sein, für jede Achse einen ADC-Pin und einen Normalpin zu verwenden. Der ADC-Pin wird dann zwischen ADC-In mit PullUp und Output mit H-Pegel umgeschaltet, der Normalport zwischen Input ohne PullUp (also hochohmig) und Output mit L-Pegel. Aber wie gesagt, alles hypothetisch, ich habe mit dem Ding noch nichts gemacht (außer Widerstandswert des Touchscreens ausgemessen). ...
bezüglich Touch kann ich folgendes AppNote empfehlen: http://www.atmel.com/dyn/resources/prod_documents/doc8091.pdf im Roboternetz haben sie auch zu dem Thema einiges http://www.roboternetz.de/phpBB2/zeigebeitrag.php?t=43741&postdays=0&postorder=asc&start=0 wenn du den ganzen Thread anschaust findest du auch Schaltplan+Code mfg J.K.
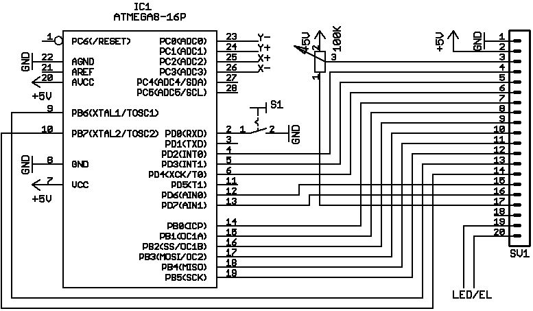
Für alle die das LCD mal schnell testen wollen (inkl Touchpad), hier ein kleines Testprogramm für einen mega8. Fusebits auf 8MHz internen Takt einstellen, sonst wird alles etwas langsam.
Die Anschlussbelegung dazu. Die ganzen Cs an Spannung, ARef, Resetbeschaltung usw. habe ich jetzt im Schaltplan weggelassen. Mit dem Taster wird das Bild gelöscht.
Und wenn dann alles läuft, dann kann man auf dem Display etwas malen...
Klasse, mein Display funktioniert, mit Touch !! Ist übrigens das Mittlere aus Benedikts Bild. War in schwarzer Tüte verpackt und am 20pol unverlötet. Am Touch-Stecker waren leichte Spuren zu sehen, vielleicht vom Test ? Ich habe da jetzt eine Pfostenstiftleiste drangelötet. Gruß
@Benedikt K. könntest du keinen Code posten? Ich hab auch das Display, und es funktionert nicht. Ich bin mir nicht sicher ob das Ding kaputt ist, oder beim code was nicht passt. Genau in der mitte des lcd verläuft ein schwarzer dünner streifen, sonst tut sich nichts. Das hex-file kann ich nicht werwenden, da ich einen Mega16 habe, und einen anderen Port verwende. MfG J.K.
Na gut. Er ist aber nicht wirklich kommentiert und ich behaupte nicht dass er fehlerfrei ist. Mit dem angezeigten Testbild sollte man gut erkennen können, ob das Display ok ist.
So, hab jezt nichts geändert, aber plötzlich wirg gar nichts mehr angezeigt. Ich hätte da noch ne Frage bezüglich Pin 15 Chip Enable Active "L" Pin 16 Reset Active "L" Das bedeutet das beide Activ los sind?! demnach müstte pin 15 "LOW und pin 16 "HIGH" im Betrieb sein oder? hab ich das Richtig verstanden? Laut datenblatt sollten beide den Level "L" haben, was für mich aber wenig Sinn ergibt. Datenblatt: http://www.pollin.de/shop/downloads_suchergebnis.php?fp=OA==&pg=NQ==&a=MzU2OTc4OTk= Edit: Danke, für den Code, war grad beim tippen, als du ihn gepostet hast. MFG J.K.
J. K. schrieb: > Das bedeutet das beide Activ los sind?! > demnach müstte pin 15 "LOW > und pin 16 "HIGH" im Betrieb sein oder? Ja. Das Datenblatt gibt an, welche Pegel die entsprechende Funktion auslösen.
bezüglich dem code: was für einen compiler verwendest du? was ist das für eine portpins.h datei? EDIT: portbits.h mein ich
Ich verwende WinAVR, die portbits.h liegt bei mir im WinAVR Verzeichnis, daher vergesse ich die immer hinzuzufügen. Damit kann man Pins direkt ansprechen wie z.B. PORTD_2=1; Das ist besonders interessant wenn man Pins über defines festlegt.
Cool, das Display funktioniert! Danke für die Hilfe! MFG J.K.
@Benedikt: Danke für das Testprogramm. Ich habe nun auch ein funktionierendes LCD, aber auch 4, bei denen Zeilen fehlen. 8-( Ich bewundere die Präzision der Auswertung des Touchscreens. Inzwischen habe ich einen besseren Stift gefunden und die Schutzfolie vom Display entfernt, da zeichnet es sich gleich viel besser. ...
Hm, irgendwie stehe ich heftig auf dem Schlauch mit diesem Touchscreen... Da sind 4 Anschlüsse... Welcher ist denn nun x+, x-, y+, y-?? Ich bekomm das nicht hin.....
Wenn du das Display von vorne betrachtest, so dass die Stiftleiste unten, der Touchpadanschluss also rechts ist, dann sind die beiden X Anschlüsse unten (also näher an der Stiftleiste) und die beiden Y oben.
> Welcher ist denn nun x+, x-, y+, y-??
Das sieht man doch an den Leiterzügen der Touchfolie (oben, unten,
rechts, links).
...
Bist du sicher? Also irgendwie ist das total merkwürdig... Bei eineigen Anschlussbwlegungen kommt "Calibration Failed", und wenn ich mal ne Belegung finde, die klappt, malt er ganz komisch... also momentan z.B. malt er von links nach rechts, wenn ich von oben nach unten fahr...
ADC0-3 haben die gleiche Reihenfolge wie die Pins am Display, oben am Display, also entgegengesetzt der Stiftleiste angefangen.
Vielleicht hilft das Bild meiner Testplatine bei der Orientierung. ...
Okay, ich habs hinbekommen... Ich hatte auch eines der Displays mit bereits eingelötetet Pfostenleiste... Auch bei meinem gingen einige Zeilen nicht... Nach einer kleinen Starthilfe mit dem Lötkolben funktioniert es nun... Ich habe 3 Stück gekauft, und alle 3 mussten bearbeitet werden... Wie auch immer, letztendlich funktionieren sie, und für knappe 7 Schlappen pro Stück durchaus eine gute Investition...
Nach einer etwas abenteuerlichen Reparatur funktioniert mein Touch jetzt auch! Das Ohmmeter zeigte an dem Original-Folienkabel in beiden Richtungen (Pins 1 und 3 , 2 und 4) etwas an, ließ sich aber nicht mit dem Testprogramm kalibrieren. Mit der "Lötkolbenmethode" habe ich dann dem Folienkabel den Rest gegeben. Darum der Versuch mit lackisoliertem Kupferdraht. Danke an Benedikt für die Testprogramme.
Mein Konterfei hätte ich an Deiner Stelle aber nicht auf dem Display anzeigen lassen. Es könnte Dich jemand erkennen, dann nutzt auch ein Nickname nichts mehr. ;-)) MfG Paul
Hallo Paul, es gibt sicher Ähnlichkeiten, vor allem so um die Bauchgegend, bin ich aber dann doch nicht. Das ist mein UFO-Männchen, das habe ich mal vor Jahrzehnten erfunden -- ich glaube so um die Osterzeit. Viele Grüße Alex
Nein, das ist doch ein Bug! Das erkannt man an den Fühlern ;) Ja eine wirklich abenteuerliche Verkabelung, aber am Ende ist es wichtig, dass es Funktioniert.
@Bendedikt: Vielen Dank auch. Ich hab meins gestern zum laufen bekommen. Habs zuerst von der STK versucht, das ging dann nicht, aber dann halt extern. Wie ist das eigentlich, RXD ist ja jetzt besetzt, kann ich das irgendwie ändern, oder ist das wichtig. Ich würd da gern Daten anzeigen lassen, die über die Schnittstelle kommen und dann bräucht ich wohl auch nen Quarz, oder? Im übrigen geht das mit den Kohleanschlüssen ziemlich gut mit so einem Platinenstecker, und einem stück Platine als Unterlage. Hat auch bei mir zufällig das gleiche Rastermaß. Glaub das war mal von nem alten Floppy oder so. Gruß, E
E.f. K. schrieb: > Wie ist das eigentlich, RXD ist ja jetzt besetzt, kann ich das irgendwie > ändern, oder ist das wichtig. Ich würd da gern Daten anzeigen lassen, > die über die Schnittstelle kommen und dann bräucht ich wohl auch nen > Quarz, oder? Ja, das ist dumm beim mega8: Sowohl der 8bit Port PortD als auch der 8bit Port PortB werden für den UART benötigt. Allerdings ist der mega8 eindeutig der am weitest verbreite Controller, den jeder hat, daher verwende ich den gerne für solch eine Testsoftware. Egal, Back to topic: Weiter oben gibts die Zip mit dem Sourcecode, da musst du die Ausgabe auf den 8bit Port anpassen indem du z.B. bit 0 und 1 auf einen anderen Port verschiebst.
Hallo, ich habe mir auch zwei der Displays zugelegt und Benedikts Code verwendet, um etwas auf dem Display darzustellen. Ich habe allerdings ein Problem, was ich trotz längerer Suche via Google und Lesen von Tutorials nicht lösen konnte. Wahrscheinlich total simple. Ich will mit Benedikts lcd_writestringP() Funktion einfach nur einen String ausgeben, der nicht bei Compilezeitpunkt feststeht, sondern den ich nachher mit snprintf bzw. sprintf selber zusammenbaue. Normalerweise ist das recht einfach zu lösen, aber leider weiß ich nicht, wie ich das handhaben muss, wenn man mit pgmspace.h arbeitet. char buffer[20]; snprintf(buffer, sizeof(buffer), "%d %d", x, y); lcd_gotoxy(20,35); lcd_writestringP(buffer); zeigt mir garnichts an. Auch sämtliche Variationen, die ich so im Internet finden konnte, haben mich nicht weitergebracht. Genauso wenig das GCC Tutorial hier. Wäre klasse, wenn mir da jemand einen Tipp geben könnte, denn so langsam nervt es doch gewaltig, an so einem Miniproblem festzustellen. Danke :\
Hallo MKay, die Funktion lcd_writestringP() liest den String aus dem Flash. Was du brauchst ist eine neue Funktion, welche die einzelnen Zeichen aus dem RAM mittels lcd_writechar() ausgibt. Könnte ungefähr so aus sehen:
1 | void lcd_writestring(const char *string) |
2 | {
|
3 | char c; |
4 | for(;;) |
5 | {
|
6 | c = *string++; |
7 | if (!c) |
8 | break; |
9 | lcd_writechar(c); |
10 | }
|
11 | }
|
Gruß Garag
Ahhhh, dann habe ich die Funktionsweise etwas missverstanden. Ok, dann macht das alles auch wieder mehr Sinn. Dankeschön :)
Hallo, ich wollte mir das Display bei Pollin bestellen. Allerdings habe ich keine Wechselspannung. Deshalb wollte ich fragen, ob man das Display auch ohne EL(das ist doch die Hintergrundbeleuchtung, oder?) betreiben kann?
Stefan schrieb: > Allerdings habe ich keine Wechselspannung. Deshalb wollte ich fragen, ob > man das Display auch ohne EL(das ist doch die Hintergrundbeleuchtung, > oder?) betreiben kann? Ja und ja.
Hiho, ich habe mir auch das hier diskutierte Display zugelegt und habe mittlerweile auch eine funktionierende Software mit Touch-Funktion, basierend auf der Software aus dem folgenden Beitrag im Roboter.net-Forum, zusammengestrickt. http://www.roboternetz.de/phpBB2/viewtopic.php?p=442705#442705 Nun musste ich allerdings feststellen, dass die Positionserfassung des Touchpanels furchtbar unpräzise ist (in der Mitte des Displays ist es einigermassen genau - je näher man allerdings dem Rand kommt, desto schlechter wirds). Da hier im Thread mehrmals von einer hohen Präzision bei dem Display die Rede war(z.B. hier: Beitrag "Re: Display mit Touchscreen bei Pollin?"), vermute ich das die Software noch eine Art Kalibirierungsalgorithmus o.ä. benötigt. Kann mir hier jemand weiterhelfen? Arbeitet der hier gepostete Code eventl. mit so etwas in der Art? Vielen Dank schonmal für jegliche Auskunft. Gruß, cyno
cyno schrieb: > Da hier im Thread mehrmals von einer hohen Präzision > bei dem Display die Rede war(z.B. hier: > Beitrag "Re: Display mit Touchscreen bei Pollin?"), vermute ich das > die Software noch eine Art Kalibirierungsalgorithmus o.ä. benötigt. Ja. > Arbeitet der hier gepostete Code eventl. mit so etwas in der Art? Ja. Es ist eine einfache 2 Punkte Messung + Geradengleichung, also Steigung + Offset ausrechen: Du misst einen bekannten Punkt in 2 gegenüberliegenden Ecken. Der eine Wert ist der Offset. Somit liegt der Nullpunkt fest. Der andere Wert skaliert nun die Werte auf die gewünschten Maximalwerte. Fertig.
Ah, ok. Danke für diese Anleitung. Ich hatte gerade eine ähnliche Idee mit drei Punkten - das wäre aber wohl komplizierter geworden. :)
Hallo zusammen, habe das Display erfolgreich mit meiner eigenen Software in Betrieb genommen (LCD und Touch funktionieren). Jetzt zu meiner eigentlichen Frage: - Ist es normal, dass man bei nicht berührten Display Koordianten von ca. 1/3 Xmax und 1/3 Ymax erhält? - Wenn ja, wie habt ihr dies per Software unterdrückt? Danke!
MichiB schrieb: > Jetzt zu meiner eigentlichen Frage: > - Ist es normal, dass man bei nicht berührten Display Koordianten > von ca. 1/3 Xmax und 1/3 Ymax erhält? Ja. Jeder Wert zwischen 0 und max wäre ok, denn die Eingänge sind ganz einfach offen und deren Wert somit zufällig. > - Wenn ja, wie habt ihr dies per Software unterdrückt? Messen ob zwischen beiden einen Verbindung besteht, also eine Folie an GND legen, die andere über Pullup an einen Pin. Ist der Pin Low, wird gedrückt, ist er high, dann nicht.
Hallo Wird die Negative Spannung an Pin 17 (-10V) erst nach der Initialisierung des Displays erzeugt? Kann man ohne Init an Pin3 (Kontrast) eine Negative U bis 10V zu Testzwecke anlegen um ein Pixelgewirr anzuzeigen? Grober Funktionstest. Wenn ich die Init über den Paraport des PCs mache,geht das oder gibt es Timing Probleme? Es geht eigentlich nur um einen schnellen FunktionsTest! Gruß und Danke
Hallo > Wird die Negative Spannung an Pin 17 (-10V) > erst nach der Initialisierung des Displays erzeugt? die liegt immer an > Kann man ohne Init an Pin3 (Kontrast) eine Negative U bis 10V > zu Testzwecke anlegen wenn du wills - aber nur wenn das Diplay auch sonst mit Strom versorgt wird > um ein Pixelgewirr anzuzeigen? > Grober Funktionstest. wirst wohl nix sehen, da es ein Bit im ModeControl-Reg gibt mit dem man das Display an/ausschalten kann > Wenn ich die Init über den Paraport des PCs mache,geht das oder > gibt es Timing Probleme? kann ich nix zu sagen Sascha
Hallo Neg.U an Pin 17 nur -2,4 V. Das Display wird dunkel. Leider geht bei einem (von3) die Neg.U nicht. Jetzt muß ich aus den Postings erst mal die Init Routine rausfummeln. Ist ja leider AVR und C, beides mache ich nicht(noch nicht ) ...oder hat einer eine Tab. Datenbyte Steuersignale Datenbyte Steuersignale Datenbyte Steuersignale Datenbyte Steuersignale .....-----....------ Gruß und Danke
durch diesen thread habe ich mir anfang der woche auch eines der pollin displays bestellt. leider verweigert es seinen dienst. ich habe es nun mit benedikts testprogramm versucht und mit den hier verlinkten libs aus dem roboternetz. es funktioniert weder das eine, noch das andere. egal was ich mache, das display zeigt wenn überhaupt nur ein paar vereinzelte streifen an immer neuen stellen. in benedikts code habe ich lediglich die ports angepasst da das ganze bei mir auf einem mega32 laufen soll. die verkabelung habe ich nun schon x-mal durchgepiepst. sie ist in jedemfall so, wie ich es im programm definiert habe. ausserdem habe ich die F_CPU auf 16mhz angepasst. das programm sollte doch eigentlich trotzdem laufen und wenigstens des Testtext ausgeben? Die touchfolie habe ich schon garnicht angeschloßen da sie für mich uninteressant ist. ich habe das, auf den fotos hier im thread, ganz rechte display geschickt bekommen. das mit der bereits verlöteten stiftleiste + graphit folienleiter. muss ich davon ausgehen das es defekt ist? bekomme ich dann nach der reklamation wieder das selbe ramsch display oder kann ich hoffen das es vielleicht sogar das auf den fotos linke display wird was wohl meistens seinen diest tut? oder kann noch ein anderer fehler schuld an meinem problem sein?
1. Wenn ich von Problemen mit ATmega32 höre denke ich als erstes immer an "Port C und JTAG Fuse". Ist das Disaplay am Port C ? - Ist dann JTAG deaktiviert? 2. Aus eigener (peinlicher) Erfahrung: Prüfe noch einmal genau deine Verdrahtung (Ohmmeter und PINxy == LCDFunktion). 3. Ich hätte noch einen (stark) modifizierten Roboternetz Code der hier auf einem ATmega32 läuft. Teste doch erst mal den. Viel Erfolg Werner
Ich habe auch das ganz rechte Display geliefert bekommen und meins funktionierte von Anfang an einwandfrei (sowohl das Display selbst als auch der Touchscreen). Falls einzelne Zeilen bei der Anzeige fehlen, kannst du versuchen den Folienleiter auf der linken Seite des Displays mit dem Lötkolben (225°C und saubere, flache Lötspitze) "aufzubügeln" (leichter Druck, gleichmäßiges bügeln aller Leiter). Ist die Temperatur zu hoch, schmilzt der Folienleiter. So habe ich vor einiger Zeit ein solches Display geschrottet, an der "Leiche" ;) konnte ich dann die richtige Temperatur ausprobieren. Zuerst solltes du natürlich die Ratschläge von Werner probieren, wenn das mit dem Bügeln auch nichts hilft würde ich es zurückschicken, anscheinend bekommt man dann ja ein original Verschweißtes.
> wenn > das mit dem Bügeln auch nichts hilft würde ich es zurückschicken, Naja, nach dem Herumbasteln würde ich es nicht mehr zurückschicken. Das könnte nach hinten losgehen, falls man die Spuren sieht. Ich habe vor einigen Monaten 4 (von 5) LCDs wegen ausgefallener Zeilen reklamiert, die wurden mir problemlos umgetauscht. Die Ersatz-LCDs waren dann fehlerfrei, hatten allerdings kleine Kratzer auf dem Touchscreen (vermutlich beim Transport oder Lagern als Schüttgut behandelt...). Die Touchscreens funktionieren aber mit Benedikts Testprogramm korrekt. ...
Ich habe auch 2 von den rechten im Bild bekommen. Eines hatte Aussetzer, die sich änderten, je nachdem wo ich auf das Glas gedrückt hatte. Wenn man auf die kurzen Kanten schaut, sieht man, das die Leitgummis, die das Glas mit der Platine verbinden sollen, zur Hälfte auf der EL-Folie stehen. Da wunderts mich, daß überhaupt etwas funktioniert. Ich habe den Blechrahmen durch Unterlegen unter die untere mittlere Lasche etwas fester angezogen. Läuft jetzt einwandfrei. Danke an das Forum hier. Besonderen Dank an Benedikt für sein Testprogramm. Leo
Hannes Lux schrieb: > Naja, nach dem Herumbasteln würde ich es nicht mehr zurückschicken. Das > könnte nach hinten losgehen, falls man die Spuren sieht. Natürlich sollte man es nicht zurückschicken, wenn man den Folienleiter total verkokelt hat. Nach dem Bügeln mit normalem Druck konnte ich aber opitsch keinen Unterschied zu vorher feststellen.
Ich habe die Anzeige sowohl im Grafik- als auch im Textmodus zum Laufen gebracht. 2 Fragen: 1) @Benedikt In LC7981_simple.zip/L7881.c gibt es ein Unterprogramm void lcd_writechar(unsigned char b) welches wahrscheinlich der Darstellung von Textzeichen dient, die in der Datei „6x8_horizontal_MSB_1.h“ stehen. Was passiert in der Zeile c=pgm_read_byte(&... insbesondere was bedeutet pgm_read_byte ? 2) Der Touchscreen scheint funktionstüchtig zu sein. Hat jemand ein Programmschnipsel zur Erfassung der Widerstandswerte und der allgemeinen Auswertung eines Touchscreen bzw. einen Hinweis, wo man dazu etwas nachlesen kann? MfG
@werner Also die JTAG Fuses kenne ich und die sind ausgeschaltet. Das ist nicht der Fehler. Ich werde bei Gelegenheit nochmal deinen Code probieren. Ich denke aber ich werde das Display trotzdem tauschen lassen. Denn bei voll aufgedrehtem Kontrast fehlen einzelne Zeilen im ansonsten dunklen Kasten.
Hallo, durch meinen Urlaub bin ich erst jetzt dazu gekommen mein Display an den Atmega8 mittels dem Testprogramm von Benedikt anzuschließen. Leider bleibt das Programm aber bei der Kalibrierung hängen! Ich messe aber zwischen x+ und x- sowie zwischen y+ und y- 340 bzw. 420 Ohm. Daher sollte das TouchPad doch eigentlich klappen. Kann mir einer einen Tipp geben wie ich weiter prüfen kann?
Wolfgang-G schrieb: > welches wahrscheinlich der Darstellung von Textzeichen dient, die in der > Datei „6x8_horizontal_MSB_1.h“ stehen. Genau. > Was passiert in der Zeile c=pgm_read_byte(&... > insbesondere was bedeutet pgm_read_byte ? Damit wird ein Byte aus dem Flash gelesen. > Hat jemand ein Programmschnipsel zur Erfassung der Widerstandswerte und > der allgemeinen Auswertung eines Touchscreen bzw. einen Hinweis, wo man > dazu etwas nachlesen kann? Hier und in den folgenden Posts steht eigentlich alles notwendige drin: Beitrag "Re: Display mit Touchscreen bei Pollin?" gs schrieb: > Leider > bleibt das Programm aber bei der Kalibrierung hängen! Ich messe aber > zwischen x+ und x- sowie zwischen y+ und y- 340 bzw. 420 Ohm. Daher > sollte das TouchPad doch eigentlich klappen. Bleibt das Programm hängen, oder kommt "Calibration failed!"? Wenn es hängen bleibt, dann erkennt es den Druck auf das Pad nicht, was darauf hindeutet, dass das Touchpad nicht richtig angeschlossen ist. Ansonsten ist das Touchpad sehr nichtlinear, was auf ein Kontaktierungsproblem hindeutet.
nochmal @werner habe mal ein foto gemacht. bisher kam mit deinem programm noch am meisten aufs display ;) allerdings nichts gescheites. verkabelt ist das display genau wie in deinem programm vorgegeben. habe also nichts geändert. kann man anhand des bilds sagen obs defekt ist oder obs an der software liegt?
guest schrieb: > kann man anhand des bilds sagen obs defekt ist oder obs an der > software liegt? Da es immerhin was anzeigt, liegt es an der Software oder an der Verdrahtung. Die leeren Zeilen in der unteren Hälfte können defekte Zeilen sein, genau kann man das aber erst sagen wenn die Software richtig funktioniert und was sinnvolles anzeigt.
Benedikt K. schrieb: >Damit wird ein Byte aus dem Flash gelesen. Mit Flash kann ich im Moment nichts anfangen. Ist das etwas AVR-spezifisches? Ich verwende als µC den MSP430 MfG
> Mit Flash kann ich im Moment nichts anfangen.
Das ist der (nichtflüchtige) Programmspeicher, also das ROM, das sich
mit moderner Flash-Technologie löschen und neuprogrammieren lässt.
...
Hallo zusammen, ich hab mir jetzt auch bei Pollin ein paar Touchscreens gekauft und bin begeistert, wie viel Leistung die zu diesem geringen Preis bieten. Da gibts ja keinen Grund mehr Textdisplays zu kaufen. Anbei noch ein kleines Video von meinen Experimenten: http://www.youtube.com/watch?v=sNsAVHd187I Ich möchte mich bei allen für die vielen, hilfreichen Tipps bedanken. Anscheinend kann man mit einem Lötkolben und etwas Geduld fast jeden Defekt am Display beheben :-) Gruß, SIGINT
Hallo, Sigint 112 (sigint); gibt es dazu Sourcen zum Reinschauen und Benutzen? Ich habe mir zum Rumspielen gerade den SI4735 Radiochip geleistet und will das mit dem Pollin-Display kombinieren. Da hätte ich schon einen Teil des Programms... ;-) Der SI4735 mach ja auch noch einiges an Beschäftigung. :-) Gruß aus Berlin Michael
@Michael: Ja, hier sind die Sourcen. Hab mir ein paar Sachen aus anderen Projekten ausgeliehen (Font, Bresenham Line Algo,Defines) aber der Rest ist von mir. Ist aber noch verbesserungswürdig und alles andere als fehlerfrei. Man kann Gimp einsetzen um XBM-Bilder für das Display zu erstellen. Die lassen sich sehr einfach darstellen. Gruß, SIGINT
Hallo, nachdem ich den Thread schon eine Weile beobachtet habe, habe ich mir vor kurzem auch solch ein Display bestellt. Dank des Quellcodes von Benedikt K. und der Bügeltechnik habe ich es auch schnell zum Laufen bekommen. Nun ist es allerdings so, dass der Bildaufbau nur sehr langsam von statten geht. Ich kann problemlos zuschauen, wie sich ein Button (Text mit Rahmen drum) aufbaut. Liegt das am Display, oder ist der Controller am langsamen Aufbau schuld? Ich verwende ein ATmega168 mit 8 MHz internem Takt und deaktivierter CKDIV8 fuse.
Eigentlich sollte sich das ganze ziemlich flott gehen, den Aufbau von Text sollte man eigentlich garnicht sehen, so schnell sollte es gehen.
alles klar, dann muss sich bei mir wohl ein Fehler eingeschlichen haben. Beim schreiben von Text sieht es so aus, als ob jemand relativ flott Tippt. Danke für die Antwort
Hallo, hat vielleicht jemand ein Datenblatt mit den korrekten Abmaßen zur Hand? Danke!
Heute sind meine 2 Displays gekommen. Scheinen welche von Variante Nr. 3 zu sein.Die Touchscreens funktionieren bei mir einwandfrei. Ein Display funktioniert einwandfrei, beim anderen fehlen Zeilen. Welche Methode wäre die beste, das Teil zum Funktionieren zu bringen? Mit dem Bügeleisen oder Lötkolben oder was anderes? Ich habe leider keinen Lötkolben mit Temperatureinstellung... Zur Geschwindigkeit: Mir kommt das ganze ziemlich langsam vor. Man kann noch deutlich erkennen, wie sich Text aufbaut, ist das normal? Ist das erste mal, dass ich mit einem ATMega8 arbeite, d.h. auch die erste Aufgabe für diesen. Wo finde ich in PonyProg die CKDiv8-Fuse beim ATMega8? Hab sie nirgendwo entdecken können. Vielen Dank, vor allem an Benedikt! grüssse g.
gadgaet schrieb: > Heute sind meine 2 Displays gekommen. Heh - ich habe heute auch eines bekommen, aber noch nicht ausprobiert. > Die Touchscreens funktionieren bei mir einwandfrei. Bei meinen ist auf der Anschlußseite ein bißchen vom Glas abgesplittert, sieht aber nicht so aus, als ob das die Funktion beeinträchtigen würde. > Welche Methode wäre die beste, das Teil zum Funktionieren zu bringen? > Mit dem Bügeleisen oder Lötkolben oder was anderes? > Ich habe leider keinen Lötkolben mit Temperatureinstellung... Falls es bei mir nötig sein sollte, werde ich mit dem Lötkolben (nicht regelbar) nachlöten, aber ein Stück Teflon-Backfolie oder Glasfasergeflecht (wie man es zum Kunststoffschweißen hat) dazwischen legen, damit die Hitze besser verteilt wird und im Zweifelsfall zuerst die Folie verbrennt und ich noch rechtzeitig wegziehen kann. > Wo finde ich in PonyProg die CKDiv8-Fuse beim ATMega8? Das kann ich Dir zwar nicht sagen, aber alternativ kannst Du den Prescaler per Software umschalten, dann mußt Du Dich um die Fuse nicht mehr kümmern:
1 | void main(void) |
2 | {
|
3 | CLKPR = 1 << CLKPCE; |
4 | CLKPR = 0; |
5 | ...
|
6 | }
|
Habe noch nie was von Teflon-Backfolie gehört... Meinst du, normales Backpapier geht auch?
gadgaet schrieb: > Habe noch nie was von Teflon-Backfolie gehört... Google mal nach "Dauerbackfolie". Allerding habe ich gerade bei Wikipedia gelesen, daß man Teflon auf keinen Fall über 400°C erhitzen darf, weil sonst extrem giftiges Flour frei wird. > Meinst du, normales Backpapier geht auch? Das dürfte zu dünn sein und die Temperatur der Lötspitze nicht aushalten, aber probieren kannst Du es (evtl. mit mehreren Schichten), besser als direkt mit einer zu heißen Lötspitze ist es vielleicht allemal.
Also, zum Thema Geschwindigkeit: Die Datenübertragung geht bei mir sehr schnell. Ich kann kaum erkennen, wie sich das Bild aufbaut und sogar Animationen laufen relativ flüssig. (nur Linien, per PixelSet) Das größere Problem ist, daß die LCD-Matrix mit dem Anzeigen nicht hinterher kommt. Die Linien sind sehr hell. Damit könnte man theoretisch Graustufen darstellen... die Qualität dürfte aber bescheiden sein. Zum Thema "fehlende Zeilen": Ich bin einfach mit meinem Lötkolben bei ca. 150C quer über die Folienleiter gefahren und konnte damit das Display reparieren. Man muss ein wenig Glück haben, da sich hierbei andere Verbindungen lösen können. Mechanisch dürfte die Verbindung aber nichtmehr so stabil sein wie im Originalzustand. Gruß, SIGINT
> Ein Display funktioniert einwandfrei, beim anderen fehlen Zeilen. Welche > Methode wäre die beste, das Teil zum Funktionieren zu bringen? Foto machen, Mail an Pollin mit Foto im Anhang, fragen was zu tun ist. > Wo finde ich in PonyProg die CKDiv8-Fuse beim > ATMega8? Hab sie nirgendwo entdecken können. Hat der Mega8 nicht. Der Takt wird mittels der CKSEL-Fuses umgeschaltet, weitere Infos im Datenblatt Kapitel Clock-Sources. > aber alternativ kannst Du den > Prescaler per Software umschalten, dann mußt Du Dich um die Fuse nicht > mehr kümmern: > void main(void) > { > CLKPR = 1 << CLKPCE; > CLKPR = 0; > ... > } Nööö, geht beim Mega8 nicht. Siehe Datenblatt Kapitel Clock-Sources. Mega8 != Mega48/88/168.
@Sigint 112 Ich möchte Dein Programm, welches Du für einen AVR entwickelt hast, für einen MSP430 nachempfinden. Vielleicht könntest Du Deine Vorgehensweise in einer Deiner Dateien als Kommentar erläutern. Wenn ich es richtig verstanden habe, dann misst man zunächst Spannungswerte in x bzw. y-Richtung und errechnet damit die Stelle, wo der Schirm berührt wird. Was mir noch völlig unklar ist, wie man feststellt, ob und wann auf eine Stelle des Schirmes gedrückt wird. Wahrscheinlich ist es die Funktion int touched(void). Was läuft hier ab? Dank im Voraus. MfG
> Was mir noch völlig unklar ist, wie man feststellt, ob und wann auf eine > Stelle des Schirmes gedrückt wird Beitrag "Re: Display mit Touchscreen bei Pollin?"
@Wolfgang: Ich hab das Programm eigentlich nur zum testen geschrieben, deshalb ist nichts Kommentiert. Zudem hab ich noch nicht viel Erfahrung mit C und Mikrocontrollern... daher ist der Code eigentlich Mist. Bin halt noch am lernen. Anbei die Kommentare. Gruß, SIGINT
>Zur Geschwindigkeit: Mir kommt das ganze ziemlich langsam vor. Man kann >noch deutlich erkennen, wie sich Text aufbaut, ist das normal? Interne Takt auf 8 MHz einstellen (Standard ist 1 MHz) dann müssts besser gehen
Gut, habe die CKSEL-Fuses wie im Datenblatt beschrieben auf 0100 gesetzt (waren auf 0011, also 4MHz) und seitdem wird der Controller von Ponyprog nicht mehr erkannt und auf dem Display sind nur noch von unten nach oben wandernde, seltsam pixelige Streifen zu sehen.
Diensthabender Troll schrieb: > Nööö, geht beim Mega8 nicht. Siehe Datenblatt Kapitel Clock-Sources. > Mega8 != Mega48/88/168. Ah - Danke für die Richtigstellung. Ich dachte, das sei ein Feature der ganzen AVR-Familie, weil alle Modelle es hatten, mit denen ich mich bisher befaßt habe, selbst die Tinys.
> Ah - Danke für die Richtigstellung. nichts zu danken. > Ich dachte, das sei ein Feature der > ganzen AVR-Familie, nein, das haben nur einige der neuesten familienmitglieder. > weil alle Modelle es hatten, mit denen ich mich > bisher befaßt habe, selbst die Tinys. das waren dann vermutlich nicht allzuviele.... <:-) denke bei internem takt != 1Mhz auch mal ueber calibration des oszillators nach, siehe auch avr-appnote 053. ----- > Gut, habe die CKSEL-Fuses wie im Datenblatt beschrieben auf 0100 gesetzt > (waren auf 0011, also 4MHz) und seitdem wird der Controller von Ponyprog > nicht mehr erkannt falls du einen billig-programmer am com-port des pcs benutzt. dann solltest du mal den transistor fuer die reset-steuerung checken, hier ist ein exemplar mit recht hoher stromverstaerkung erforderlich.
@SIGINT vielen Dank für Deine Mühe Deine Programmierkünste kann ich nicht beurteilen, da ich davon zu wenig verstehe. Mein offenes Problem habe ich im Anhang dargestellt. MfG
> was ist falsch? wie mass man anschließen, damit der eine Pin den > anderen bei Berührung auf L zieht? das wird nur gehen, wenn alle 4 enden des touchscreens an portpins liegen. du hast 2 enden fest an plus gelegt, somit lannst du dem Pin des einen nicht vom anderen auf masse ziehen.
1 | Aktion: links rechts oben unten |
2 | Test auf Touch hochohmig IN mit PU L-Pegel hochohmig |
3 | X-Wert messen L-Pegel H-Pegel hochohmig ADC-IN |
4 | Y-Wert messen hochohmig ADC-IN L-Pegel H-Pegel |
also erstmal die obere konstellation und zyklisch den digitalen eingang mit eingeschaltetem internem pullup-widerstand abfragen. da die touchscreen-widerstaende gegenueber dem pullup sehr niederohmig sind, wird der pegel bei beruehrung l. erst danach nacheinander die beiden widerstaende (spannungsteiler) ausmessen, wobei immer einer an spannung gelegt wird und am anderen der adc die spannung misst. der 4. anschluss muss dazu hochohmig sein.
Danke, jetzt habe ich es verstanden. Evtl. muss ich noch strombegrenzende Widerstände dazwischenschalten, damit der MSP430- Ausgang nicht überlastet wird. Mit Deinem Ratschlag vom 11.08.2009 22:49 konnte ich nichts anfangen. MfG
> Danke, jetzt habe ich es verstanden. prima > Evtl. muss ich noch strombegrenzende Widerstände dazwischenschalten, > damit der MSP430- Ausgang nicht überlastet wird. hmmm, um die 11mA bei 3,3V ist etwas viel fuer den MSP430? nunja, die avrs haben da etwas mehr spielraum, die packen das auch bei 5V ohne probleme. das vorschalten von widerständen verkleinert dann aber den nutzbaren bereich des adcs. > Mit Deinem Ratschlag vom 11.08.2009 22:49 konnte ich nichts anfangen. naja, das war der link auf benedikts beitrag vom 03.07.2009 18:25, in dem die loesung zu finden war. es ist eben nicht alles trollig, was ein troll so schreibt.... <;-)
Hi Leute. Habe vor 4 Monaten mit Assembler auf ATMega angefangen. Nach LEDs, Tastern und 7-Segment "Aktionen" hab ich mir dann auch zwei von diesen GLCDs von Pollin geholt. Natürlich fehlten bei beiden auch Pixel-Reihen, hab ich aber mit Heissluft hin gekriegt. Hab mich auf Assembler fest gelegt und mit den Routinen weiter oben (sry, weiss jetzt nich von wem) soweit alles hingekriegt, dass ich über ein Poti an ADC0 vom ATMega32 die veränderte Spannung als y-Ablenkung sehe. Mein Ziel ist ein Oszilloskop im Selbstbau. Jetzt meine Frage: Ich lese die ADC Werte ein und gebe immer einzelne Bytes auf entsprechender Höhe (x mal 20 Byte runter) aus. Jetzt möchte ich aber einzelne Pixel als einzelne Spannungswerte auf Höhe ausgeben, wie krieg ich das hin. Ich sehe, dass die meisten hier mit C arbeiten, aber vielleicht gibts hier ja nen ASM Menschen, der mir weiter helfen kann.. Auf jeden fall Danke für die Hilfe an alle hier im Thread, hab hier viel hilfreiches gefunden... Sven
Ja, ich verwende einen "Billig-Programmer" über COM_Port. Der Programmer hat bisher immer funktioniert,warum sollte er es jetzt nicht mehr tun?
Der Programmer ist übrigens ein exakter Nachbau des Programmers auf dem Pollin-Evalboard 2.01.
Pdf mit mech. Abmessungen: http://www.aeontekasia.com/pdf/DG-16080.pdf Hat jemand ne Antwort auf meine Frage oder weiss, wo ich die Antwort für ASM nachlesen/bekommen kann??
@Sven kann denn deine ASM-Routine schon einzelne Pixel setzen oder noch nicht? Für ein 128x64 hab ich ASM-Routinen, da aber die Bytes dort um 90Grad gedreht sind passt das nicht so ohne weiteres. Sascha
Könnte evtl schon helfen... Hab ja bis jetzt immer 8bit ( 0xFF), also einen Strich auf entsprechender Höhe, aber sobald ich einzelne Bits setze und beim nächsten ADC Durchgang mit LSR das nächste Bit setzen will, bis alle 8bits nacheinander geschrieben wurden, sieht man garnichts mehr oder irgendwelchen Müll... Hier mal das CodeFragment, welches noch nich richtig läuft, obwohl AVR_Studio nicht meckert;
1 | ; Zeichen ausgeben |
2 | rcall display_weiss |
3 | ldi disdata1, 0x0C |
4 | ldi disdata2, temp6 ; temp6 = am Anfang 0b10000000 |
5 | cp temp1, adlow |
6 | breq gleich ; gleiche messwerte?? |
7 | |
8 | mov temp1, adlow ;temp1 für Y-Auslenkung |
9 | rcall Y_Auslenkung ;Temp1 mal runter |
10 | rcall Sende_Daten |
11 | rcall y_zurueck ;temp1 mal zurück |
12 | |
13 | lsr temp6 ; nächstes Bit setzen (zB 0b01000000) |
14 | weiter: |
15 | dec bitschieber ; Bitschieber = am Anfang 8(acht Mal LSR) |
16 | brne adc_main ; ADC_Main = adc Messung |
17 | |
18 | ldi disdata2, 0b10000000 |
19 | rcall Cursor_einen_weiter |
20 | mov disdata2, adlow |
21 | rcall Sende_Daten |
22 | dec temp5 |
23 | brne adc_main ;temp5 = 20 (Display = 20 Byte) |
24 | rcall Display_weiss |
25 | rcall auf_mitte |
26 | rcall strich |
27 | rcall DV_resetCursor |
28 | ldi temp5, 20 ; 20 werte hintereinander |
29 | rjmp adc_main |
30 | |
31 | gleich: |
32 | add disdata2, temp6 |
33 | mov temp1, adlow |
34 | rcall Y_auslenkung |
35 | rcall sende_Daten |
36 | rcall y_zurueck2 |
37 | lsr temp6 |
38 | rjmp weiter |
Fällt jemandem ein Fehler auf/bzw. hat jemand ne Anmerkung??
Hallo, danke Benedikt K. für dieses tolle Projekt! Ich habe mir jetzt auch 2 Displays angeschafft, leider kann ich auf den Folienleitern nicht löten, die schmilzen einfach weg. Hat jemand eine Idee wie das Touchpad trotzdem nutzen kann.
> Hat jemand eine Idee wie das Touchpad trotzdem nutzen kann. Falls Du die Kontaktierung des Touchscreens meinst, dann schau Dir mal den Anhang dieses Beitrags an (unteres Bild links): Beitrag "Re: Display mit Touchscreen bei Pollin?" Ich hatte 4 (von 5) defekte LCDs bekommen (Zeilenausfall), sie wurden mir ohne Probleme gegen funktionsfähige umgetauscht. Ich hatte allerdings nicht erst versucht, daran herum zu löten. ...
> (unteres Bild links)
Quatsch, oberes Bild natürlich...
Sorry...
...
Ich habe eine Buchse für einen solchen Folienstecker per Heißluft von einer Schrottplatine entfernt. Sie war zwar etwas deformiert, aber noch benutzbar. Obwohl sei ein (völlig) anderes Rastermaß als der Stecker des Touchpad-Anschlusses hatte, hat es bei mir super geklappt. grüssse g.
Mich würde interesieren, mit welcher Abtastfrequenz ihr den Touchscrenn betreibt ?! Wenn ich über 100 Hz komme, habe ich auf dem Messleitungen einen Pegel von ca. 2-5 V. Ich kann mir aber nicht vorstellen wo das herkommt. Bei 100Hz sind kapazitive bzw. induktive Kopplung wohl zu vernachlässigen. Ich wüsste auch nicht, wo ich eine so große parasitäre Kapazität hätte, die diesen Effekt verursacht. Um die gerade gemessene Leitung im "nicht-gedrückten" Zustand auf einem bestimmten Potenzial zu haben, verwende ich 1 MOhm Widerstände gegen Masse. Ich hab auch schon mal versucht einen kleineren (10k) paralell zu schalten, hat aber nichts geholfen.
Bei mir läuft der Touchscreen mit etwa 1kHz. Wenn die Leitung offen ist, dann reichen 100Hz durchaus aus, um diese auf mit der angesteuerten Leitung mitzuziehen. Immerhin sind das rund 1nF zwischen den beiden Elektroden. Wie steuerst du den Touchscreen an und wie erkennst du ob gedrückt wurde?
Hi! Hab wohl im falschen Beitrag geschrieben... Trotzdem hier ein Update; ignoriert den Code da oben von mir, habe das Problem weitgehend gelöst...
ich steuere den Touchscreen mittels AVR - Pins (Mega16) direkt an. Da schalte ich auch auf Ausgang/hochohmig um. Erkenn ob gedrückt ist, tu ich, wenn der Pegel auf den Messleitungen "LOW" ist (wegen den Pull-Downs) Leitungen ist ja nicht offen, liegen mit 1MOhm gegen Masse - 1 - für X und einmal für Y Richtung. Wenn ich drücke, stimmt das Ergebnis aber (auf +- 1 Pixel)
Wie lange wartest du zwischen dem hochohmig Schalten und dem Einlesen des Zustands? Bei einer Zeitkonstante von 1nF*1MOhm = 1ms solltest du schon ein paar ms warten bis sich der Kondensator ausreichend geladen hat, ehe du den Zustand misst. Mit dem Pullup des AVRs mit typisch 70k sollte das deutlich schneller gehen.
Ja stimmt :-\ das gleiche dachte ich mir auch und machte den 10k Pulldown - Versuch (siehe oben) Habe jetzt rausgefunden, das die verwendete Messstrippe kaputt war (wirklich ärgerlich) Hab den Versuch jetzt noch mal gemacht - das führte zum erwarteten Ergebnis. Danke für die Hilfe J.K.
Meinen Touch lasse ich 30 mal pro Sekunde per Interupt abfragen. Ergeben 2 aufeinanderfolgende Abfragen die gleichen X-Y-Werte (nur die oberen 8 ADC-bit werden verwendet - mehr ist für meine geplante Anwendung nicht notwendig) werden diese für gültig erklärt. Zwischen den Abfragen werden alle Touchleitungen auf +5V gelegt, um daraus erkennen zu können, ob eine Berührung vorliegt. Das Display habe ich in 8 Zeilen zu 23 Zeichen aufgeteilt. Aus den X-Y-Werten wird die Position des "angetuochten" Zeichens errechnet. "Unter den Displayzeichen" liegt eine Tabelle mit Rückgabewerten (Zahlen, Buchstaben oder Tasten). Das (noch unfertige) Programm ist ein Assembler-Bascom-Gemisch mit dem leicht modifizierten Zeichengenerator von Benedikt.
Hallo, wer die Schaltung von Benedikt mit dem Mega 8 verwendet und mal seinen Touch testen möchte, kann das angehängte Progamm mal versuchen. Nach dem Einschalten wird zur Kalibrierung ein Kreuz angezeigt, das in der zu berühren ist. Danach folgen die 3 weiteren Ecken. Erfolgt eine Fehlermeldung, ist der Touch sehr abweichend von meinen Exemplaren, es werden dann Defaultwerte geladen und nach 5 Sekunden geht's weiter. Eine erfolgreiche Kalibrierung wird im EEProm abgelegt. Funktionstasten: Touchwerte anzeigen = Im unteren Bereich werden die Randabstände und Umrechnungswerte angezeigt. Im oberen Bereich der Berührungspunkt gerastert auf 8x23 und der gemessene 8-Bit-Feinwert. Kalibrierung = spricht für sich Texteingabe = hier wird der Code angezeigt, der "unter" jedem 8x23 Rasterfeld liegt. Menue = wieder zurück zur Auswahl Viel Spass und Grüße Allu
Ich habe mich dem Display mal von der PIC-Seite her genähert. Funktioniert auch. Meine Frau hats dann gleich mal getestet.(siehe Bild) Controller ist ein 16F767. Die Kinder wollten dann noch eine Radiergummifunktion eingebaut haben. Also ist auch diese drin. Bis jetzt aber nur durch Umschalten eines Eingangs. Wenn Zeit ist, mache ich da mal eine "Werkzeugleiste" am rechten Rand für. Verschiedene Strichstärken wurden auch schon angefragt. Die Files lade ich im laufe des Abends noch hoch. Gruß Meik
So, hier nun das Proggie. Ist noch beta. Beim Andrücken des Touchscreens verzieht der Strich etwas. Wird aber noch korrigiert. Weiss nur noch nicht wann. Die Pinbelegung ergibt sich aus dem Quellentest. Gruß Meik
So, so sieht die neue Version aus. Auf der rechten Seite sind Soft-Tasten zum Auswählen der Strichstärke, zum Radieren und zum Löschen des gesammten Bildes. Die Tasten werden übrigens nicht betätigt, wenn man mal über den Rand malt. Meik
Hallo, ich hab mir auch so ein Display gekauft und habe Benedikts "maler" testcode draufgeladen. ok ich kann jetzt text anzeigen. Kann es sein das man bei benedikts initalisierung den punkt sehr genau treffen muss? Also so ein touchscreenstift verwenden muss? Oder ist mein touchpanel kaputt? mfg alex
Ich verwende einen weitaus engeren Toleranzbereich bei mir, allerdings auch mit einem solchen Stift. Mit dem Finger kann es durchaus schwer sein, den Punkt zu treffen.
Vielen Dank, ich werde mir dann mal so ein Stift suchen. Muss noch irgendwo einer sein ;)
Mal zur Info: habe ich den letzten Wochen zweimal bei Pollin die Displays bestellt. Alle wurden in schwarzer, verschlossener, Tüte geliefert. Und ALLE funktioneren fehlerfrei, Display sowie Touchscreen! Offensichtlich hat Pollin die Wareneingangskontrolle verbessert ;)
Scheinbar macht es die Verpackung. Alle meine schwarz verpackten Displays waren in Ordnung. Die 4 nachbestellten kamen in hellrosa Noppentüten an - 2 waren in Ordnung und 2 waren defekt. Bei Pollin angerufen und sofort problemlos 2 Ersatzdisplays zugesandt bekommen. Der Ersatz war wieder hellrosa verpackt und leider auch defekt.
Ja, schwarz scheinen die original verpackten zu sein, also die komplett ohne Stiftleisten, das mittlere auf dem Foto.
Reinhard Max schrieb: > Welches der drei Modelle hast Du bekommen? > Beitrag "Re: Display mit Touchscreen bei Pollin?" Das mittlere. Folienstecker lötbar, ohne Stiftleiste, EL Hintergrungbeleuchtung und Display sowie Touchscreen funktionierten fehlerfrei. Ja, scheinbar liegts an der Verpackung: die schwarzen original verpackten machen keine Probleme.
Hi, es ist vllt. jetzt eine dumme frage aber kann mir einer bitte die genaue Pin belegung des Touch-panels sagen? Also ich meine an dem flachen folienkabel was herausgeführt wird? Danke
Verfolge doch mal die sichtbaren Leiterzüge auf der Touch-Folie, es ist sehr gut zu sehen, welcher Pin nach oben, unten, links und rechts geht. ...
Hallo Leute, mal eine frage zum Anschluss des Display, ich habe es so angeschlossen wie im Bild von Benedikt K.und habe nun das Bascom File LC7981-GRAFIKMODUS von mike drauf gespielt, aber dort passiert leider nichts. Ich kenne mich nur im reinen Bascom aus aber in der .bas Touch.rar von mike steige ich nicht durch. Ist dort C mit eingebunden oder warum sehe ich dort keine Deklinationen für den Chip, ob es nun mega8 oder ein mega16 ist. Danach habe ich das TOUCH_TEST_1.HEX von mike drauf gespielt, auf ein mega 8, mit die selben Anschlüsse wie in der Zeichnung und es geht :) Maik könnte ich mal dafür noch Bitte die .bas bekommen ? vielleicht blicke ich dann mehr durch, oder kann mir jemand auf die Sprünge helfen :< damit ich estwas verstehe. Gruß Micha
Hallo Micha. Das wird nix mit dem Code auf dem Mega8. Der ist für einen PIC-Mikrocontroller. Das aktuelle File habe ich noch nicht geuppt. Wenn Interesse besteht, lade ich das aber gerne hoch, sammt Anschlußbelegung im Target-Format. Müßte ich dann halt noch zeichnen. Gruß Meik
Hallo mike, Danke erstmal für deine schnelle Antwort. Natürlich habe ich Interesse daran, wie aber schon erwähnt die TOUCH_TEST von dir funktioniert auf den mega8, kann die Ecken kalibrieren und das Menü aufrufen. --PIC-Mikrocontroller-- ach so deswegen die unbekannten Definitionen ;) aber das ist dann nur bei der LC7981-GRAFIKMODUS so ,oder . Gruß Micha
Hallo Micha. Die TOUCH_TEST Ist nicht von mir. Die ist von Allu. Ich werde im Laufe des Wochenendes die aktuelle Version von mir für den PIC inkl. einem Anschlussplan im Target Format mal hochladen. Die bas Datei ist übrigens nicht für Bascom sondern für den PicBasic Proton-Compiler von Crownhill. Falls jemand einen anderen PIC verwenden möchte (alle >= 28PINs dürften gehen) kann ich das fertige HEX-File auch gerne anpassen.
Meik Dittmann schrieb: > Falls jemand einen anderen PIC verwenden > möchte (alle >= 28PINs dürften gehen) kann ich das fertige HEX-File auch > gerne anpassen. Hallo Meik, Wenn du das für den Pic 16F871 anpassen könntest wäre das Prima. Habe mit Basic das letzte mal ca. 1992 gearbeitet als ich von C64 & Schneider CPC464 auf PC gewechselt bin... Mit Basic für µC noch niemals. Da sich seit dem mein Lebensalter mehr als verdoppelt hat sitzt da nicht mehr so viel... Dann brauche ich mich da nicht reinarbeiten bzw. selber schnell eine C bzw. ASM Testroutine auflegen. Auch das erstellen einer AVR Testplatine kann ich mir dann sparen. Brauche halt nur etwas um die von mir beschafften Displays durchzutesten. Richtig loslegen mit eigener Anwendung kann ich leider erst in der zweiten Novemberhälfte... (Werde in einigen Tagen umziehen - Arbeitsraum ist schon teilweise verpackt) Gruß Carsten
Hallo Micha, anbei das Bascom-Assembler-Programm zu Touch_Test_1. Der Touch wird per Interrupt 30 mal pro Sekunde abgefragt, das dauert jeweils ca. 0,5 msec. Das Display wird auch mit Assemblerroutinen bedient. Die Funktionen lassen sich aber alle vom Basicprg. aus mit Gosub benutzen. Gruß Allu
Bitte melde dich an um einen Beitrag zu schreiben. Anmeldung ist kostenlos und dauert nur eine Minute.
Bestehender Account
Schon ein Account bei Google/GoogleMail? Keine Anmeldung erforderlich!
Mit Google-Account einloggen
Mit Google-Account einloggen
Noch kein Account? Hier anmelden.



















