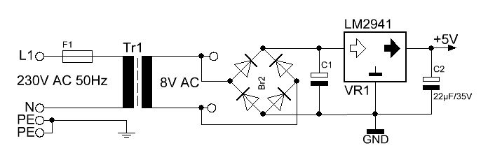
Hi ich brauche für eine µC Schaltung 5V und ca. 0,6A um das Bereitzustellen benutze ich die Schaltung im Anhang nun: Ich hab mal so herum gerechnet aber weiß nicht ob das so stimmt Nach dem Gleichrichter hab ich ja nur noch positive halbwellen, die 10ms Periodendauer haben. Ich bin davon ausgegangen das sich der C1 3ms auflädt und 7ms entlädt: 8V RMS Sek Trafo Sind 11,31V Peak am Gleichrichter fällt ca. 2V ab (laut Datenblatt bei 2A) macht 9,31 nach dem Gleichrichter ich verwende einen LM2941 mit 0,5V Udrop also müssen am Eingang min. 5,5V Anliegen die Spannung am Eingang kann also on 5,5 bis 9,31V schwanken macht ein deltaU von 3,81V ich will mir nun die Kapazität von C1 ausrechnen: stimmt die Formel soweit? Strom*deltat=C*deltaU also: 0,6A*7ms=C*3,81V C=1101µF Soweit richtig? ich nehme also einen 1500µF Kondensator dann muss ich den Strom der vom Gleichrichter Kommt berechnen: I*3ms=1500µF*3,81V I=1,9A Haben meine Berechnungen gestimmt? Heißt das jetzt das ich einen Transformator mit 8V*1,9A=15,25VA brauche? Wie berechne ich dann die Leistung am LM wenn die Spannung pullsiert? Wäre da noch ne Optimalere Lösung?
Für den Kondensator gibt es eine Faustformel, die recht gut passt: 1000 uF pro Ampere. > ich nehme also einen 1500µF Kondensator Die Größenordnung passt. Nimm den ;-) > ca. 0,6A Die kommen aus dem Trafo. Und wenn du eine Spannung von 8V am Trafo hast, sind das 8*0,6 Watt = 5 Watt. Allerdings sind diese kleinen Trafos recht weich, sie haben eine hohe Leerlaufspannung und brechen dann beim Nennstrom auf die Nennspannung ein. Deshalb ist es meist besser, einen größeren Trafo zu nehmen.
Hey hey, einer der wenigen, die sich die Mühe geben, erst zu rechnen. Siehe hier: http://dse-faq.elektronik-kompendium.de/dse-faq.htm#F.9 Im Prinzip stimmt deine Rechnung, man setzt volle 10ms als Entladephase und hat Luft nach oben. Nur beim Strom aus dem Trafo, da hast du dich mehrfach verhauen. Erstens musst du nur 1100uF aufladen (selbst wenn du 1500uF einbause), es reichen also 1.26A. Zweitens fliessen zwar in den 7ms die 600mA aus dem Elko, aber auch in den 3ms der Aufladephase wird dein Netzteil Strom aus dem Spannungsregler liefern müssen, zum Aufladestrom von 1.26A (für 3ms) kommen also auch die 0.6A hinzu (die direkt zum Ausgang gehen). Macht 1.86A. Womit wir wieder nah an deinen 1.9A sind, aber ohne Denkfehler :-) Aber diese 1.9A fliessen nur 0.3-fache Zeit, den Rest der Zeit fliesst nichts. Da der Trafo für RMS Dauerlast angegeben wird, brauchst du einen Trafo, der dieselben Verluste hat, dabei kann man ihn als ohm'schen Widerstand betrachten. Ob durch ihn 3ms lang 1.9A (und 7ms 0A) oder 10ms lang 1(.04)A fliessen, bewirkt denselben Verlust. Also muss dein Trafo 1A aushalten, bei 8V, macht 8VA. Für 3VA die rauskommen recht viel. Aber so ist die Welt. Die Wahl, hier 8V und einen low-drop Regler zu verwenden, war richtig, denn für einen 7805 mit 7.5V minimaler Eingangsspannung muss der Elko grösser werden, und der Stromflusswinkel wird noch kleiner, eher 1ms, und damit die Verluste im Trafo noch höher. Man könnte aber eine Trafo mit 2 Wicklungen a 8V nehmen und nur einen Delon-Gleichrichter, dann reicht ein 7805 doch.
Man sollte berücksichtigen, dass die Netzspannung um +/-10% schwanken kann. Deshalb muss die Schaltung für 0,9*230V bezüglich Spannungen ausgelegt sein. Wenn man die Verlustleistung rechnet, dann muss man mit +10% also 1,1*230V rechnen. Da kommt ganz schön was zusammen an Verlustleistung. Da wird einem dann schnell klar warum heutzutage bei SMD-Technik mangels Kühlmöglichkeit jeder Schaltregler nimmt.
jetzt seh ich mich nichtmehr durch ich versteh nichtmehr wie ich das alles rechnen soll mit den ganzen abweichungen... kann mir da jemand unter die arme greifen? bzw muss es ja beispiele im Netz für 5V/0,6A Ausgang geben! als Trafo würde ich diesen Bevorzugen (oder einen aus der Serie): http://at.rs-online.com/web/search/searchBrowseAction.html?method=getProduct&R=2017167
> als Trafo würde ich diesen Bevorzugen 2 x 8V, ist doch cool. Du baust die Delon-Schaltung aus http://dse-faq.elektronik-kompendium.de/dse-faq.htm#F.9 mit nur 2 Dioden auf (1N4004 oder so) und dahinter einen normalen 7805 mit seinen Kondensatoren, ein 2200uF Elko tut's gut. Bei -10% Netzunterspannung kommt raus: 8V *0.9 = 7.2V *1.4 = 10V Spitzenwert Wechselspannung -1V = 9V (Gleichrichter) -2.5V = 7.5V (Spannungsanfall eines auf 9V aufgeladeenn Elkos von 2200uF in 9ms) -2.5V (drop out den 7805) =5V passt. Und bei 10% Netzüberspannung: 8*1.1 = 8.8 *1.4 = 12.32 ein 16V Elko reicht und der Strom: Entsprechend deiner Annahme, dass der Elko 3ms aufgeladen und 7ms entladen wird, fliessen 3ms lang 2A und 7ms lang 0A. Das macht einen RMS mittleren Strom von 1.09A, der sich auf 2 Wicklungen aufteilt, also 540mA. Das schafft dein Trafo locker (und die 1N4004 auch). Er kommt sogar mit einem geringerem Stromflusswinkel klar. Falls du natürlich den LM2941 schon hast, kannst du den verwenden. Bei ihm reicht auch der 1500uF Elko, falls du den schon gekauft hast, denn ihm reichen 5.5V am Eingang statt 7.5V eines LM7805. Ganz korrekt ist auch diese Rechnung noch nicht. Zwar rechnet mal schon mit Aufladen/Entladen des Siebelkos (sonst nimmt man vereinfached meist an, dass er sich die ganzen 10ms entlädt) aber dioe Spitzenspannungdes Trafos von 8V*1.414=11.3V gilt natürlich nur bei Nennleistung von 0.88A*1.414=1.25A. Du ziehst aber 2A, also wird am inneren Spannungsabfall des Traos mehr abfallen und weniger rauskommen. Eine komplette Simulation eines linearen Netzteils inklusive Wärmeenticklung und Trafokennwerten füllt ein ganzes Buch (und macht eine nette Aufgabe im E-Technik-Studium).
Danke das hilft mir weiter! ich kenn mich mit dieser DelonSchaltung zwar nochnicht wirklich aus aber ich hab da gelesen das sie die Frequenz erhöht und die Amplitude Verdoppelt is das in deiner rechnung mit eingerechnet?
> ich hab da gelesen das sie die Frequenz erhöht und die Amplitude > Verdoppelt is das in deiner rechnung mit eingerechnet? Nein nein, sie veroppelt zwar die Frequenz (aus 50Hz werden 100Hz Halbwellen) aber das macht auch ein Brückengleichrichter. Sie verdoppelt aber nicht die Spannung, das tut nur die Villard Schaltung weiter unten. Die Delon-Schaltung ist ein exakter Ersatz für einen Brückengleichrichter mit halb so vielen Dioden, aber doppelt so vielen Trafowicklungen :-)
MaWin schrieb: > Sie verdoppelt aber nicht die Spannung, das tut nur die Villard > Schaltung weiter unten. > > Die Delon-Schaltung ist ein exakter Ersatz für einen > Brückengleichrichter mit halb so vielen Dioden, aber doppelt so vielen > Trafowicklungen :-) meinst du diese schaltung?: http://de.wikipedia.org/wiki/Delon-Schaltung da steht aber das sich die Spannung verdoppelt
Ich fürchte dann hat entweder Wikipedia recht oder MaWin hat den Mittelpunktgleichrichter und die Delon-Schaltung verwechselt. ;-)
> meinst du diese schaltung?: Äh, nein, eigentlich wie in http://dse-faq.elektronik-kompendium.de/dse-faq.htm#F.9 beschrieben Trafo Gleichrichter o--+ +-|>|-+------+---- S:S | | S +-----(--+ Elko S:S | | | o--+ +-|>|-+ +---+-- da müsste man noch mal Herrn Delon fragen, was er gemeint hat, aber der ist tot.
ok die schaltung versteh ich jetzt in wikipedia steht das man eben nen trafo mit doppelten windungen braucht ist der von mir vorgeschlagene Trafo geeignet? bei der Schaltung fällt mir auf das nicht beide Spulen Gleichzeitig verwendet werden sondern immer nur eine bei einer Halbwelle heißt dass, das der Gesammte Strom durch eine Spule muss?
Markus L_______ schrieb:
> ist der von mir vorgeschlagene Trafo geeignet?
Ja. Allerdings ist es nicht ganz egal, wie herum du die Wicklungen
anschliesst. Da gibt's eine richtige und eine falsche Orientierung.
leider ist die anschlussbelegung nicht klar ersichtlich: http://catalog.block-trafo.de/prodvardatasheet/393252-524414_DE wie schaut das jetzt mit dem Strom bei der Mittelpunktgleichrichtung aus?
> leider ist die anschlussbelegung nicht klar ersichtlich: Aber sicher, eineseits an 0V, andererseits am Punkt. Und Mitte ist Mitte. > wie schaut das jetzt mit dem Strom bei der Mittelpunktgleichrichtung > aus? Passt.
Wenn ich die beiden Spulen parallel nehme so wie ich es am Anfang vorhatte mit einem Brückengleichrichter und einen 2200µF Elko sinkt die Maximalspannung am Regler um 1V so kann ich nen kleineren Kühlkörper benutzen ist doch besser so oder? 7ms/3ms= ca 2,5facher Ladestrom + 0,6 an Regler 2,5*0,6+0,6=2,1A Ladestrom aus dem Trafo werden 3ms 2,1A und 7ms 0A entnommen Muss der Trafo jetzt für 2,1A sein oder kann er durch die 7ms 0A kleiner sein?
Die Verluste sind gleich, ob nun in der Diode oder im Regler. Deine Variante geht nur, wenn du einen LowDrop Regler wie deinen LM2941 verwendest, denn ein 7805 braucht 2.5V mehr, als rauskommen. Der Trafo muss keine 2.1A (RMS bei ohmscher Last) liefern können, sondern 1.09A (2* 545mA) reichen.
A. K. schrieb: > Ich fürchte dann hat entweder Wikipedia recht oder MaWin hat den > Mittelpunktgleichrichter und die Delon-Schaltung verwechselt. ;-) Die Wikipedia Darstellung und Funktionsbeschreibung der Delon Schaltung ist korrekt.
HAllo libe com ich hab ein ähnliches problem und zware: Ich müsste eine Netzteil dimensionieren. Wie in der Schaltung zu sehen habe ich am Ausgang einmal einen ATMEga16 welcher mit 5V betrieben ist und max 0.043A zieht. Danach kommt der 7805 und seine zwei kondensatoren C2 und C3 welche ich mit 100nf gewählt habe(hab ich in einem anderen forum so gefunden hoff das stimmt?). Der 7805 braucht ja mind 3V mehr versorgungsspannung als vout, daher kann ich da ruhig die 12V nehmen oder? Nun die frage wie dimensioniere ich den C1 hab in foren gelesen pro 1A 1000µF aber ich habe eine andere art erzählt bekommen irgendwas mit: (10ms*I)/(Brummspannung/2)= dies wär dann bei mir 8,64*10^-4F aber nun zum trafo ich weiß das das die Brückenschaltung 2V abfallen. das heißt ich brauch beim trafo mind 14V ausgangsspannung aber ich kann auch einen mit 15V nehmen und er sollte mind. 1,5 A liefern-> 22,5W leistung haben. Nun habe ich öfters gelesen dass man mit +/-10% Spannungsänderung rechnen muss und dass man wenn man 1,5 A benötigt der Trafe mind 2A haben soll damit er bei dauer belastung nicht kaputt geht! Nun die frage haben meine bisherigen gedankenschritte gepasst oder ist was falsch? und das mit den Trafos kapier ich oft nicht da steht oft 2x8V heißt das der hat 4 ausgangsanschlüsse wo 2mal +/-8V rauskommen? ich hoffe jemand hilft mir oder kann mir helfen. Danke
Johannes schrieb: > Ein Probiertool: > > http://www.electronicdeveloper.de/SpannungTrafoBruecke2.aspx leider hilft mir das nicht! aber danke
Hannes Müller schrieb: > aber nun zum trafo ich weiß das das die Brückenschaltung 2V abfallen. > das heißt ich brauch beim trafo mind 14V ausgangsspannung aber ich kann > auch einen mit 15V nehmen und er sollte mind. 1,5 A liefern-> 22,5W > leistung haben. Nicht so ganz. Aus einem Trafo kommt Wechselspannung, die 15 V, die aus deinem Trafo kommen ist der Effektivwert. Wenn du die Wechselspannung gleichrichtest, ist der Wert den die Gleichspannung annimmt, dein Maximalwert der Wechselspannung. Was bei 15 V etwa 20 V wären. Für 14 V müsstest du einen 11 V Trafo nehmen. Meist nimmt man aber einen 12 V Trafo. Der Trafo wird nicht dauerhaft belastet. Hannes Müller schrieb: > 2x8V heißt das der hat 4 ausgangsanschlüsse wo 2mal +/-8V rauskommen? Nein. Der Trafo hat dann 2 Primärwicklungen, die beide 8 V bringen. Das wird meist für eine symmetrische Ausgangsspannung oder Parallelschaltung genommen.
Rainer Ernst schrieb: > Nein. Der Trafo hat dann 2 Primärwicklungen, ...hat 2 Sekundärwicklungen,... Soviel Zeit muss sein. :)
Rainer Ernst schrieb: >> ...hat 2 Sekundärwicklungen,... > > och nö nicht schon wieder verwechselt... Tja, das kommt nur durch den Wechselstrom... Meint Harald
ok wenn ich jetzt einen 12V trafo nehme sind das dann gleichspannung nach derm Brückengleichrichter: 12V*1,41 - 1,4V= 15,52V was dann bei dem Kondensator als Spannung wär oder? Nun meine frage ich greife ja beim Kondensator parallel zum LED netzwerk ab das LED netzwerk braucht wenn alle LEDS leuten max 1.3 A und die Versorgungsspannung kann ich mir aussuchen ob 12V oder 15,52V(muss halt den Vorwiderstand dann ändern!). der 7805 brauch ja am eingang mind 3V mehr als am ausgang das waren dann 8V was da mind am eingang sein sollten wenn ich da jetzt zb 15,52 oder 12V nehme geht das ja auch noch ohne kühlung da ja P=I*U=15,52*0.043= 0,66W und das sollte ja noch ohne kühlung gehen oder? Nun meine frage wie dimensioniere ich nun den C1(Glättungskondensator richtig?) Welchen strom nehme ich da her? und wie Funktioniert das mit der Brummspannung wie wähle ich die das das keine Auswirkungen auf die LED oder den 7805 hat? kann mir da vll helfen? Schaltnung ist diese! http://www.mikrocontroller.net/attachment/155596/Unben1annt.PNG
Hannes Müller schrieb: > 15,52*0.043= > 0,66W Das wäre die Leistung von 7805 und Verbraucher. Am 7805 werden (15,52V - 5V) * 0,043A = 0,45 W verbraten. Hannes Müller schrieb: > Nun meine frage wie dimensioniere ich nun den C1 Sieh dir mal den Eröffnungspost an, da wurde das alles schön vorgerechnet.
Rainer Ernst schrieb: > Sieh dir mal den Eröffnungspost an, da wurde das alles schön > vorgerechnet. Und wenn das nicht reicht schaue dir den von MaWin genannten Link an. Du hast doch den richtigen Thread gefunden, jetzt musst du ihn nur lesen.
Bitte melde dich an um einen Beitrag zu schreiben. Anmeldung ist kostenlos und dauert nur eine Minute.
Bestehender Account
Schon ein Account bei Google/GoogleMail? Keine Anmeldung erforderlich!
Mit Google-Account einloggen
Mit Google-Account einloggen
Noch kein Account? Hier anmelden.


