Ich habe mindestens 3 Akkuschrauber zuhause, deren Akku-Paket defekt ist. Laden nicht mehr. Beim Laden sind mir schon zwei Ladenetzteile hopps gegangen. (Trafo zu heiß geworden, Thermosicherung kaputt). Kurz und gut, ich beabsichtige mir bei einem "Billiganbieter" für Netzteile und Akkus (der mit P.) ein paar Akkus mit Lötfahnen zu besorgen und die in die Akku-Pakete einzubauen. 12 Stck. x 1,2 V gibt ja die 14,4 V. Die Netzteile sind ja denkbar einfach aufgebaut, ungeregelte Brücke und dann in die Dockstation mit einem Vorwiderstand und zwei LEDs. Was aber nun, wenn ich mich für NiMH Zellen entscheiden sollte? Dann müßte das Ladegerät doch anders aussehen, oder? Oder sind die NiCd heute langlebiger? Andererseit reizt mich auch die größere Kapazizät der NiMH-Akkus. Meinungen? -- Christoph
Die NimH haben zwar höhere Kapazität, sind aber im Allgemeinen nicht so hochstromfest und robust, wie NiCd. Wenn man letztere gut behandelt, können diese sehr lange leben. Die NiCd-Ersatzzellen im Pappmantel, die man bei verschiedensten Versendern bekommen kann, haben meist eine sehr gute Qualität.
Travel Rec. schrieb: > Die NimH haben zwar höhere Kapazität, sind aber im Allgemeinen nicht so > hochstromfest und robust, wie NiCd. Wenn man letztere gut behandelt, > können diese sehr lange leben. Die NiCd-Ersatzzellen im Pappmantel, die > man bei verschiedensten Versendern bekommen kann, haben meist eine sehr > gute Qualität. Die suche ich eigentlich noch. Habe im Moment nur etwas hochpreisige (2,50 €/Stck.) bei besagtem Anbieter gefunden. In meinem Paket sind diese Pappenheimer drin. -- Christoph
Danke, habe jetzt was gefunden. Ich glaube, die mit Pappmantel sind besser und können nicht so leicht aufscheuern, wie vielleicht die mit Kunststoffolienüberzug. erl. -- Christoph
> Trafo zu heiß geworden, Thermosicherung kaputt Klar, wenn schon einzelne Zellen im Akkupack kaputt sind und kurzgeschlossen sind, und man davon nichts merkt, dann werden die einfachen Ladeteile, bei denen der Trafo die Ladestrombegrenzung macht, überlastet. > Meinungen? LiIon. Keine Ladeproblem, keine Lagerprobleme und seit einige Zeit auch genug Stromlieferfähigkeit. Allerdings brauchst du für die ein komplett anderes Ladegerät. Na, egal, deins ist eh kaputt. Du bräuchtest auch für NiCD/NiMH eine neues Ladegerät, und das hat dann wieder die bekannten Probleme, ordentlich uz laden ohne Beschödigung des Akkus. Selbst -DeltaU war ja nicht der Weisheit letzter Schluss. Und billiger ist es kaum: eBay 140372071653 bzw. für 14.4V 4 Zellen. Wer will, kann auch Akkus mit eingebautem Tiefentladeschutz nehmen: eBay 280457894865 Bei diesen 'protecteten' Akkus muss man aufpassen, daß sie den Akkuschrauberstrom nicht als Kurzschluss interpretieren und wegen Überstrom abschalten, der Strom steht bei den Deppen-eBay-Verkäufern nicht dabei. Die Frage ist also eher, was in deinen Akkuschrauber reinpasst. Da LiIOn meist wesentlich kleiner und leichter ist als NiCd/NiMH passt das aber meist.
Ich hab meinen Fein-Akkuschrauber (9.6V) schon zum zweiten Mal mit frischen Akkus versorgt (diesmal mit NiMH-Zellen). Fazit: Viel, viel besser in Bezug auf Kapazität und sogar Selbstentladung, hätte ich nie vermutet. Daher unbedingt NiMH nehmen!
>Ich hab meinen Fein-Akkuschrauber (9.6V) schon zum zweiten Mal mit >frischen Akkus versorgt (diesmal mit NiMH-Zellen). Fazit: Viel, viel >besser in Bezug auf Kapazität und sogar Selbstentladung, hätte ich nie >vermutet. Daher unbedingt NiMH nehmen! NiMH sind mit Sicherheit nicht besser als NiCd bezüglich Selbstendladung. Was ist übrigens ein FEIN-Akkuschrauber ???
Man wird heutzutage kaum noch NiCd-zellen bekommen, da nur noch für einige wenige Anwendungen zugelassen. Von daher stellt sich die Frage eigentlich kaum noch. Die Metallhydrid Akkus haben mehr Kapazität, dafür eine kürzere Lebensdauer, oft eine geringere Strombelastbarkeit und mehr Selbstentladung. Außerdem sind sie empfindleicher gehen Überladen. Es gibt spezielle Zellen mit sehr wenig Selbstentladung, die haben aber ein meist zu geringe Strombelastbarkeit. Wenn man noch die Wahl hat wäre NiCd wohl besser. Vor allem sollte man die Metallhydridakkus nur mit einem geeigneten Ladegerät laden. Mit einfach nur einem Trafo hat man nicht so lange was davon. Bei NiCd kann geht das notfalls noch.
Hallo, mich wundert die ganze Diskussion - ich wollte für eine alte Braun-Lampe einige AA-NiCd-Akkus als Ersatzteil besorgen, weil das eingebaute Ladegerät nichts anderes kennt, die sind aber nirgends mehr zu bekommen, und wenn ich irgendwo in einem Online-Shop was aufgetrieben habe und bestelle, kommt am nächsten Tag eine EMail "nicht mehr lieferbar". Offensichtlich sind sich alle einig, NiCd nicht mehr herzustellen. Gruss Reinhard
Kann die Administration den Titel des Threads korrigieren? NiMH (ich hatte mich anfänglich vertippt). Danke. -- Christoph
> LiIon. Kann mich nur anschliessen. Ich habe meinen Schrauber (siehe Diskussion in d.s.e) mittlerweile auf Lithium umgeruestet. Als Ergebnis gibt es nun keine wahrnehmbare Selbstentladung mehr, bei gleich Kraft und Laufzeit. Dafuer wiegt der Schrauber jetzt weniger. Theoretisch koennte so ein Akku deutlich laenger halten, aber leider haben Lithiumzellen ein sehr unpraktisches Mass. Daher habe ich noch viel Luft im alten Akkugehaeuse. > Allerdings brauchst du für die ein komplett anderes Ladegerät. Das stimmt natuerlich. Ich habe einfach ein Kabel nach aussen gefuehrt und verwende das Ladegeraet von meinem Hubschrauber. :-) Ich wuerde sagen wer einen Akkuschrauber beruflich nutzt, also jeden Tag 1-2 Akkupacks leerzieht und die zu Feierabend sowieso ins Ladegeraet steckt, der sollte NimH nehmen. Wer privat aber nur alle paar Wochen mal kurz was schrauben will der nimmt auf jedenfall Lithiumakkus. Olaf
NiCd hat doch seine besten Zeiten hinter sich. Darein würde ich definitv nicht mehr investieren. Die Akkus sollte man nie im geladenen Zustand lagern. Das ist schon mal ein Unterschied zu NiMH, die so gelagert werden sollten. Sie weisen zwar auch den von NiCd bekannten Memmory-Effekt auf; dieser ist aber bei weitem nicht derart ausgeprägt. Im Modellbaubereich wird NiCd doch inzwischen durch LiPos oder LiPoFe (heissen die so?) endgültig abgelöst. Ich habe mir im letzten Jahr auch einen neuen Akkuschrauber gegönnt: LiIon von Bosch. Mein vorheriger war Hausmarke MaxBahr für 10Euro mit NiCd-Akku. Den habe ich mir zu Studienzeiten gekauft, weil er billig und ich "arm" war. Ich habe ihn relativ wenig gebraucht, weswegen er meist mit teilgeladenem Akku im Schrank lag. Wenn ich ihn dann allerdings brauchte (hier und da mal etwas schrauben), dann reichte die Akku-Kapazität von jetzt bis gleich. Das wurde auch immer schlimmer. Der LiIon-Akkuschrauber liegt auch die meiste Zeit herum. Wenn ich ihn aber brauche, dann hat er immer noch genug Energie, um wesentlich mehr Schrauben zu drehen, als der NiCd je hattte. Und wenn der Akku leer ist, dauert das Laden auch nicht so lange wie bei der alten Kiste... Bei meinen Modellbau-Akkus ist es etwas schmerzhafter, mich von ihnen zu trennen. Wird aber auch im Laufe der Zeit passieren. Das waren meine Beweggründe, mich von NiCd zu trennen. Wir haben hier in Kiel sogar mehrere Akku-Reparatur-Läden, die für Akkupacks passende Zellen besorgen können und sie auch fachgerecht verschweissen.
Von NiMH Zellen bin ich bisher bei Akkuschraubern eigentlich nur enttäuscht. Wenn man den Schrauber täglich braucht, genau aufpaßt den Akkus nicht zu leer zu machen, ein gutes Ladegerät hat und das auch immer bei normaler Temperatur nutzt, geht es ja noch. Wenn nicht, hat man nicht lange was von NiMH Akks. Die sind einfach zu empfindlich. Mehr als etwa 1-2 Jahre sind da selten drin. Die neueren NiCd Zellen sind aber auch nicht mehr so robust, vermutlich weil die Kapazität vergrößert wurde auf Kosten der Stabilität. Wenn die Akkus bei den 10 EUR schraubern nichts taugen, ist das kein Wunder. Ein 6 Stunden Ladegerät nacht auch einen guten Akku kaput. Die Akkus werden auch vor allem billig sein, nicht gut. Wenn man dich mal einen billigen Schrauber mit NiMH akkus kriegt dann hat man wenigstens die Chance das man ein einigermaßnenes Ladegerät bekommt, denn da ist ein 6 Studen Lader absolut daneben- das merken vermutlich auch die Chinesen.
Christoph Kukulies schrieb:
> Kann die Administration den Titel des Threads korrigieren?
Hab' ich gemacht, wenngleich das kaum auffiel. Ich habe dreimal
lesen müssen, bis ich überhaupt gemerkt hatte, wobei du dich
vertippt hast, Chris. ;-)
Jörg Wunsch schrieb: > Christoph Kukulies schrieb: >> Kann die Administration den Titel des Threads korrigieren? > > Hab' ich gemacht, wenngleich das kaum auffiel. Ich habe dreimal > lesen müssen, bis ich überhaupt gemerkt hatte, wobei du dich > vertippt hast, Chris. ;-) Hallo, Jörg. Danke. Mir ging's auch so - fiel wirklich kaum auf :) -- Christoph
Also ich hab mit NiMH-Akkus bisher nur gute Erfahrungen gemacht, sowohl im Dauereinsatz auf der Arbeit als auch Privat Zuhause, mir gehen diese Memory-Effekt-gebeutelten NiCd-Akkus kein bisschen ab.
> Beim Laden sind mir schon zwei Ladenetzteile > hopps gegangen. (Trafo zu heiß geworden, Thermosicherung kaputt). Diese Sicherung kann man auch austauschen, sie liegt außen an der Primärwicklung auf der Seite, wo die Anschlüsse sind. Wenn man das Isolationsband darüber vorsichtig entfernt (dabei die Trafowicklung nicht beschädigen!), kommt man an die Thermosicherung (meist ein so 8*8*2mm großes Bauteil mit 2 Pins). Im Prinzip sind Lithium-Akkus sogar einfacher zu laden als NiCd/NiMH: Man muss nur exakt 4,20V je Zelle anlegen und zu Ladebeginn den Strom auf einen zulässigen Wert (meist 1C) begrenzen. Der Ladestrom nimmt dann selbstständig immer weiter ab. Sobald er auf einen geringen Wert gesunken ist, ist der Akku voll. Es schadet dem Akku aber auch nicht, ihn länger angeschlossen zu lassen. Bei NiCd/NiMH weiß das Ladegerät immer nie so recht, wann der Akku voll ist: Minus dU versagt völlig, wenn man (versehentlich) einen schon vollen Akku nochmal laden will. Am zuverlässigsten ist noch eine Temperaturüberwachung (z.B. Ladeabschaltung bei 45°C Zellen-Temperatur), aber auch die klappt nicht, wenn der Akku schon vorher warm ist (z.B. weil er gerade frisch "leergeschraubt" wurde).
Markus F. schrieb: >> Beim Laden sind mir schon zwei Ladenetzteile >> hopps gegangen. (Trafo zu heiß geworden, Thermosicherung kaputt). > > Diese Sicherung kann man auch austauschen, sie liegt außen an der > Primärwicklung auf der Seite, wo die Anschlüsse sind. Wenn man das > Isolationsband darüber vorsichtig entfernt (dabei die Trafowicklung > nicht beschädigen!), kommt man an die Thermosicherung (meist ein so > 8*8*2mm großes Bauteil mit 2 Pins). Kann man die denn irgendwo kaufen? Ich habe die Si jetzt einfach ausgebaut, aber so ganz wohl ist mir nicht dabei. Könnte ja doch ein Brand von ausgehen. > > Im Prinzip sind Lithium-Akkus sogar einfacher zu laden als NiCd/NiMH: > Man muss nur exakt 4,20V je Zelle anlegen und zu Ladebeginn den Strom > auf einen zulässigen Wert (meist 1C) begrenzen. Der Ladestrom nimmt dann > selbstständig immer weiter ab. Sobald er auf einen geringen Wert > gesunken ist, ist der Akku voll. Es schadet dem Akku aber auch nicht, > ihn länger angeschlossen zu lassen. Also eine Konstanstromquelle bauen? > > Bei NiCd/NiMH weiß das Ladegerät immer nie so recht, wann der Akku voll > ist: Minus dU versagt völlig, wenn man (versehentlich) einen schon > vollen Akku nochmal laden will. Am zuverlässigsten ist noch eine > Temperaturüberwachung (z.B. Ladeabschaltung bei 45°C Zellen-Temperatur), > aber auch die klappt nicht, wenn der Akku schon vorher warm ist (z.B. > weil er gerade frisch "leergeschraubt" wurde). Interessant. Danke und Gruß Christoph
Habe das gleiche Problem gelöst, indem ich einen 13,2 Volt Billigschrauber mit zwei Blei-Gel-Akkus a 6 Volt nachgerüstet habe. Nachteil: schwer und unhandlich. Vorteil: billig und bei etwas pflege immer ein einsatzbereites Gerät. Johann
Reinhard Kern schrieb:
> Offensichtlich sind sich alle einig, NiCd nicht mehr herzustellen.
Cadmium ist Böse. So wie 100W-Glühobst.
Bekommen kann man sowas noch in China und entsprechenden
Wiederverkäufern.
> Kann man die denn irgendwo kaufen? Wahrschinelich passt so was: http://www.ehw24.de/product_info.php?info=p667_Temperatursicherung-F-105---105-C.html Vor einem Jahr hatte Pollin die noch für 30ct. > aber so ganz wohl ist mir nicht dabei. Die Lebensdauer eines Trafo ist temperaturabhängig. Im Laufe der Zeit, beschleunigt durch hohe Temperaturen, leidet die Lackisolation, es kommt zu Kurzschlüssen, noch mehr Wärme, und der Trafo muss abgeschaltet werden bevor er so ehiss wird dass es sein Haus anzündet. Das macht die TempSicherung, denkt sich der Hersteller. Trotzdem kann man ihn weiter betreiben wenn man eine Temperatursicherung ersetzt, denn die Ursache (defekte kurzgeschlossene Zellen und damit zu hohe Belastung) hat man ja erst mal beseitigt. Die erhöhte Temperatur, der er bei dir ausgesetzt wurde, hat seine Restlebensdauer sicherlich verkürzt. Die neue Tempsicherung wird dich aber vor Brand schützen. Ein Betrieb ohne TempSicherung wäre aber fahrlässig.
...die Umrüstung auf LiIon klingt gut - kann da mal jmd mehr zu sagen? Wo bekommt man quasi "kurzschlussfeste" LiIons Zellen die nicht so teuer sind, dass ich mir gleich nen neuen Akkusachrauber kaufen kann? Hab das ähnliche Hobby Problem mit nem ca 1J alten Bosch, NiCd ist der letzte Kack bei seltener Benutzung (Wobei mein PSR9,6 das sehr lange Durchgehalten hat, ich würde fast sagen, die Akkus sind deutlich schlechter geworden!). Danke, Klaus.
>Beim Laden sind mir schon zwei Ladenetzteile >hopps gegangen. (Trafo zu heiß geworden, Thermosicherung kaputt). Das kann nur bei Billiggeräten passieren. Bosch, Mikata und Konsorten habe Prozessorladegeräte. Da gibt es keine Probleme. Es gibt auch Akkuschrauber beim Discounter mit Prozessorladegeräten. Das Gespenst des Memoryeffektes gibt es beim Akkuschrauber doch gar nicht, da er laufend auf und entladen wird. Schlimmer ist es, einen Akkuschrauber total zu entleeren und dann abzulegen. Dann polen sich Zellen um und der gesamte Pack wird unbrauchbar. >und Akkus (der mit P.) ein paar Akkus mit Lötfahnen zu besorgen und die >in die Akku-Pakete einzubauen. 12 Stck. x 1,2 V gibt ja die 14,4 V. Billiger ist es, nach alternativen Pack zu suchen.
Bosch vielleicht bei der blauen Serie, bei den normalen NiCd (vor 1J gekauft) auf jeden Fall NICHT. Klaus.
NiCd ist sehr gumütig. Wenn dieser nach einem Jahr defekt ist, dann ist er schlecht behandelt worden. Was ist das konkret für ein Gerät? Seit mehr als einem Jahr dürfen nur noch Restbestände an NiCd verkauft werden. Bei Bosch bezweifele ich dies.
PSR14,4 , wird einmal im Monat für ein paar Dinge benutzt, ist dann immer wieder leer. War beim PSR9,6 von 2001 definitiv anders! Klaus.
Es gibt noch ein paar Ausnahmen wo NiCd weiter erlaubt sind. Wie lange noch weiss ich aber nicht. Da gehöhren Akkuschrauber und soweit ich weiss Notlichter mit dazu. Ensprechend kreigt man auch noch neue NiCd Akkupacks für Akkuschrauber, aber praktisch keine einzelnen Zellen mehr. So langsam scheinen die LiIonen Akkus ja soweit zu sein, die NiCd Akkus bei Akkuschraubern zu ersetzen. Die Ausnahme könnte also langsam wegfallen.
>Bosch, Mikata und Konsorten habe Prozessorladegeräte. >Bosch vielleicht bei der blauen Serie, bei den normalen NiCd (vor 1J >gekauft) auf jeden Fall NICHT. Relativ leicht zu erkennen: Schnell-Ladegerät (max.) 60min. --> Prozessorladegeräte "Normal"-Ladegerät (14 Std) --> "Vorwiderstand"-Ladung mit 0,1C
Wenn die Schrauber, die du zu Haus liegen hast Billig-Geräte sind, dann nimm 1 - 200 € in die Hand und kauf dir nen Metabo mit LiIon-Akku. Da hast du auf lange Sicht mehr von. Fast keine Selbstentladung und selbst wenn ist der Akku nach ner halben Stunde wieder voll.
So unproblematisch sind Li Akkus auch nicht. Die haben halt eine relativ begrenzte Haltbarkeit von vielleicht 2-4 Jahren. Ein Problem könnte vor allem werden, wenn mit dem Alter der Innenwiderstand hoch geht. Ist aber größtenteils noch relativ neu die Technik - Erfahrungen hat man mehr mit den kleinen Zellen vom Hany. Wenn man NiCd Akkus nicht oft benutzt halten die Länger. Man muß nur jedesmal vor der Nutzung aufladen. Bei den Ladegeräten findet man auch einfache mit etwa 4-8 Studen Ladezeit. Das ist alles andere als gut, aber die gibt es.
Heute mittag kam der Paketbote mit den NiCd-Akkus, die ich vorgestern bestellt hatte. Zusammengelötet, in das Pack-Gehäuse eingebaut, war sogar schon Saft drauf. Konnte den Akkuschrauber mit der Hand nicht anhalten. Mache gerade Volladung und dann muß ich mir mal was zum Schrauben suchen :) Danke an alle für die Tips. -- Christoph
Die ersten 3 sauberen Lade-Entladezyklen können das Akkuleben wesentlich verlängern. Den Schrauber bis zur letzten Drehung quälen sorgt dagegen für Verpolung der schwächsten Zellen und ein schnelles Ende.
Ich habe mir ein 9,6V Akku mit Eneloop Akku's zusammengebastelt. Funzt wunderbar. Was haltet ihre denn von der Eneloop Akkubastelgeschichte? Ich kann das Akku wohl derzeit nur mit meinem Akkumanager lader, oder kennt einer von euch noch ein mobiles Ladegerät für die Sache? Gruss Enny
Enny schrieb: > Was haltet ihre denn von der Eneloop Akkubastelgeschichte? Welche Zellengröße (AA, C, D)? In meinen Schraubern werkeln ausgediente Notebook-Zellen (Li-Ion). In Akkupacks, die im Notebook nicht mehr funktionieren, findet man erstaunlicherweise oft noch Zellen mit guter Kapazität. Ein entsprechendes Ladegerät ist natürlich zwingend erforderlich (hab ich vom Modellbau ohnehin).
Icke, genau das hatte ich auch vor! Notebooksakkus bekommt man ja genug. läuft das bei dir gut? kann man die notebookakkus denn so belasten, also sind sie hochstromfähig? denke ja nicht. denn ein NB braucht kaum 20A oder sowas. da habe ich halt sorge, dass da was in die brüche geht - im zweifelsfall ich :) ansonsten ist das ne gute sache, denn aussser den balancer/lader kostet es ja nix. und mit 3 zellen hat man sogar etwas mehr saft im akku bei weniger gewicht... Gruß, Klaus.
Kommt natürlich auf den Schrauber an, ob die Laptopzellen geeignet sind. Mit einem 700W-Profigerät sind sie wahrscheinlich überfordert, aber die "haushaltübliche" Größe, wie man sie um die 20-30 Euro in jedem Baumarkt hinterhergeschmissen bekommt, sollte kaum so viel Strom ziehen, daß die Zellen heiß werden. Im Gegensatz zu LiPo sind die LiIon-Becherzellen relativ eigensicher und müßten schon grob mißhandelt werden. Was einigermaßen passen muß, ist die Spannungslage. Ein 12V-Schrauber paßt bspw. gut zu zu einem 3S-Akku, ein 7,2V-Schrauber zu 2S. Bei Zwischengrößen siehts nicht so gut aus. Würde man einen 9,6V-Schrauber mit 3S versorgen, dann flösse wegen der zu hohen Spannung ein zu großer Strom. Auf Dauer schadet das sowohl den Akkus als auch dem Gerät. Mit 2S wäre wiederum zu wenig Bums da. Ich habe einen normalen 12V-Schrauber mit einem 3S2P-Pack ausgerüstet, also vom 4S-Notebook-Akku einfach ein Zellenpaar weggelassen. Das Gerät arbeitet deutlich länger und kräftiger als mit den originalen NiCD-Zellen, was natürlich auch an der höheren Kapazität liegt (4400 mAh). Ganz ohne ein Mindestmaß an Disziplin gehts allerdings nicht. Man sollte bei deutlichem Nachlassen der Kraft sofort aufhören und den Akku laden, da ja keine Unterspannungserkennung eingebaut ist. Längeres Würgen mit nahezu stehender Spindel ist auch nicht gut. Falls die Zellen den Geist aufgeben, ist das nicht weiter tragisch. Die Notebook-Zellen fallen bei mir öfter kostenlos an und auch bei ebay gibts die für fast lau.
Hm - ok. Die Uspgserkennung könnte man ja fast noch selber nachrüsten, incl balancer + ladeelektronik. denn mit meinem 12v bosch bin ich bereits nach 1,5J nicht mehr zufrieden, der akku ist IMMER leer - liion würde hier abhilfe schaffen, denke ich. nun, die idee hatte ich ja auch schon mal und habe bereits akkus gebunkert - also werd ich das die tage mal testen. Danke, Klaus.
Die Li-Ion-Zellen als Notebookakkus haben meist so 5A zulässigen Entladestrom (pro Zelle). 2 Zellen parallel darf man also mit 10A belasten. Bei 11,1V (6 Zellen; je 2 parallel und von diesen 2er Packs 3 in Reihe) sind das gerade einmal 111 Watt. Das reicht vielleicht für Schrauber der allerbilligsten Sorte aus. Einigermaßen vernünftige Akkuschrauber ziehen angeblich ca. 300 Watt. Bei 11V wären das 27A. Dafür müsste man 6 Notebook-Li-Ion-Zellen parallelschalten. Insgesamt hätte man also (für 11,1V) einen Pack aus 18 Zellen. Der würde ca. 800g wiegen und hätte so ungefähr 13Ah. Na gut, wenn der frisch aufgeladen ist, dann ist er zumindest nicht so schnell wieder leer ;) Im Zweifelsfall aber ins Akku-Datenblatt schauen, da ist der max. Entladestrom angegeben.
Markus F. schrieb: > Einigermaßen vernünftige Akkuschrauber ziehen angeblich ca. 300 Watt. Definiere "einigermaßen vernünftig" ?? 300 Watt wäre für einen Akkuschrauber schon 'ne Menge. Unterstellen wir mal, Bosch wäre eine "vernünftige" Marke. Ersatzakkus für Bosch-Schrauber gibt es u.a. hier: http://www.akkushop.de/bosch-2607335090-c-27_103_120_19454.html?sort=3d&page=1 Die Akkus haben eine Kapazität bis zu 3 Ah. Das sind bei 12V also 36 Wh. Rechnen wir mal, wie lange der Schrauber mit diesem Akku bei 300W Leistungsaufnahme durchhalten würde: t=W/P -> t=36 Ah/300 W -> t= 0,12 h -> t= 7,2 min Man könnte also -theoretisch- etwas mehr als 7 Minuten am Stück schrauben, bis der Akku leergenuckelt ist. Und da sind 3 Ah schon große Akkus für einen Schrauber. Meistens sind da nur welche mit 1-2 Ah drin. Daher glaube ich nicht, daß ein normaler "haushaltüblicher" Akkuschrauber 300 Watt zieht, selbst wenn es ein "vernünftiges" Markengerät ist.
Icke ®. schrieb: > t=W/P -> t=36 Ah/300 W -> t= 0,12 h -> t= 7,2 min Die Rechnung hinkt gewaltig. in 70% der Zeit schraubst Du nicht, sondern holst die nächste Schraube raus und ähnliches. Von den restlichen 30% läuft die Schraube nochmal zu 80% der Zeit relativ leicht rein, erst in der letzten Umdrehung hast Du das vielfach höhere Anzugsmoment. Wenn Du mal versuchst 6er Spax in Hartholz zu schrauben, dann wirst Du sehen wie schnell Dein Markenschrauber einen leeren Akku hat. Wenns ein Baumarktgerät ist, dann ist vorher der Überhitzungsschutz des Motors ausgelöst, oder der Motor durchgebrannt. Ein guter Akkuschrauber zieht locker ebensoviel Strom bei Volllast wie ein guter Modellbaumotor.
>Wenn man NiCd Akkus nicht oft benutzt halten die Länger. Man muß nur >jedesmal vor der Nutzung aufladen. Und der Memory-Effekt freut sich. Man möge mir verzeihen, falls ich mich wiederholen sollte: Ich habe mir zu Studentenzeiten einen 20Euro-NiCd-Akkuschrauber gekauft, weil ich schmerzende Handgelenke vermeiden wollte, wenn ich ein paar schrauben mehr irgendwo reindrehe. Das Gerät lag eigentlich mehr rum, als dass es benutzt wurde. Wenn es dann benutzt werden sollte, war der Akku mau aufgrund der Selbstentladung. Letztes Jahr habe ich mir dann einen Bosch-LitiumIonen-Schrauber gekauft. Der liegt auch relativ viel rum, ohne benutzt zu werden, hat dann aber immer noch genug Saft um ein paar Schrauben zu bewegen. Und der ist in maximal 2 Stunden (gefühlt) vollgeladen. Nie wieder NiCd.
STK500-Besitzer schrieb: > Und der ist in maximal 2 Stunden (gefühlt) vollgeladen. > Nie wieder NiCd. Mein Akkuschrauber von Festo hat einen NiCd Akku der jetzt nach 10 Jahren seinen Geist aufgibt. Und das mit einem 15min. Lader der das teil wirklich in höchstens 15 min. vollgehauen hat. Der Schrauber wurde durchaus auch mal Monate oder gar 1 Jahr nicht benutzt. Mal sehen wie lange die LiIon halten.
mein studiums bosch psr9,6v hielt auch ewige jahre und hatte kaum memoryEF, aber der "neue" psr14,4 ist eine einzige katastrophe - mal angenommen, bosch testet den scheiß so, wie sie es sollten (bei dem preis), dann wissen die das auch ganz genau. aber, ach, kaufen sie sich doch einfach einen liion schrauber, die stellen wir zufällig auch her. die säcke. ich hol mal den alten 9,6er vom dachboden und probiere es mit 3 li-zellen ausm notebook. kraft brauche ich eh selten. Klaus.
Icke ®. schrieb: > Welche Zellengröße (AA, C, D)? Ich habe dafür 8 AA Eneloop-Akku's für eine 9,6V Bosch-Akkupumpe benutzt. Wenn das Bosch-Akku nun voll ist, dann habe ich 14,0V. Ich habe mir auch inzwischen ein Ladegerät dafür geholt(Bosch AL 1411 DV 7,2 - 14,4 V). Bin bei der Sache nun kein Profi, deshalb würde ich gern wissen, ob ich das so lassen kann, oder ob das nicht so gut ist!? Vielen Dank im Voraus.
Enny schrieb: > Ich habe dafür 8 AA Eneloop-Akku's für eine 9,6V Bosch-Akkupumpe > benutzt. Kommt drauf an, was die Pumpe an Strom zieht. Den AA würde ich nicht mehr als 3-4 Ampere zumuten wollen, eher weniger. Das Ladegerät sollte auf jeden Fall Deltapeak-Abschaltung besitzen, die Eneloops danken es mit längerer Lebensdauer. Schonender Ladestrom liegt bei den AA um 500-1000 mA, max. Ladestrom 2A.
Danke Dir! Was die Pumpe zieht, dass kann ich leider nirgendwo erlesen, aber das Ladegerät hat folgende Daten: Bosch Ladegerät AL 1411 DV NiCd NiMH 7,2V - 14,4V Typ Standardladegerät Ladeüberwachung Delta-Voltage Ausgangsspannungen 7,2 V - 14,4 V Eingangsspannungen 230 V Gewicht 885 g Ladestrom 1,0 A Passt das Ladegerät denn halbwegs? Meinst du, ich sollte das nächste mal besser andere Akku's einbauen? THX
Eine Stimme für Cadmium: Hochstromfähig und Temperaturresistent. Cadmium4eva
Ich würde an deiner Stell auf einen NiCd für deinen Akkuschrauber setzen. Ich nutze es in der gleichen Kombination und bin sher zufrieden. Früher hatte ich mal einen Akkuschrauber mit NiMH, aber da finde ich die derzeitge Lösung besser. -> http://www.digitalland.de/akkus-batterien/akkus-mit-lotfahne-1.html
"Cadmium ist Böse. So wie 100W-Glühobst." Im Gegensatz zur Glühbirne ist es aber nicht nur böse sondern wohl tatsächlich reichlich giftig...
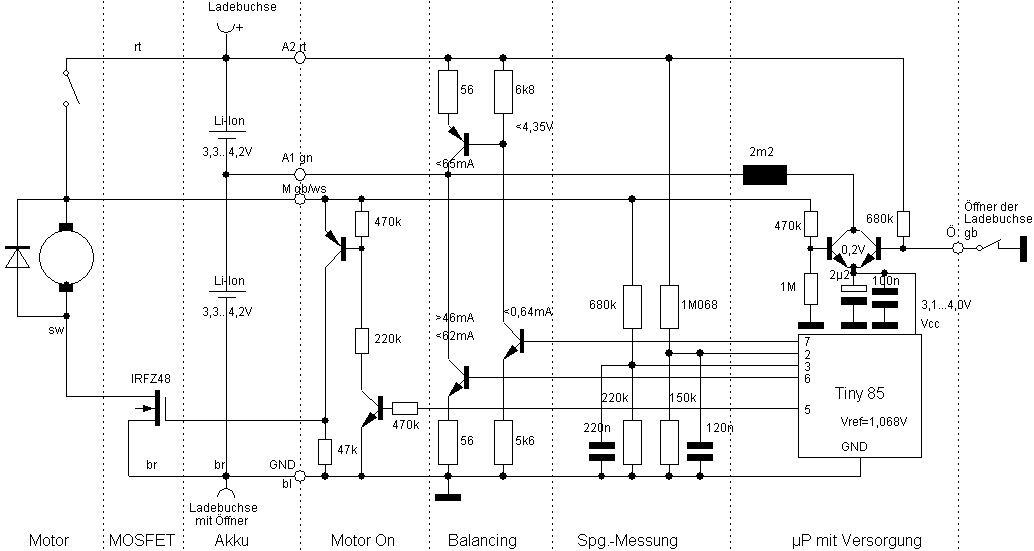
Nach viel Ärger mit NiMh-Akkus und reichlich Vorräten von intakten Li-Ion-Zellen aus Laptops und Schraubern, habe ich einige Geräte mit Li-Ion-Zellen ausgerüstet. Im Anhang der Schaltplan für einen Akku-Sauger mit 2 Zellen. Ich habe noch keine Langzeit-Erfahrung, mich interessiert aber eure fachkundige Meinung und evtl. Verbesserungsvorschläge. Ziel war geringer Aufwand aber mit Balancing. Ich wollte alles mit einem ATtiny85 machen. Die Invertierung für den MOS war nötig, damit er nicht sofort losrennt und ich eine Ruhe-Spg-Messung machen kann. Sie dient zur Erkennung, ob Motorbetrieb oder Ladebetrieb vorliegt. Entsprechend macht er Balancing oder Unter-Spg-Erkennung. Das Einschalten geschieht über die Motor-Spg oder über den Öffner der Ladebuchse. Die bisherige Erfahrung: alles läuft bestens - saugt wie Hulle, kriegt auch 2V mehr als mit den NiCd. Der Spg-Einbruch beim Einschalten ist erheblich, deshalb beginnt die Unter-Spg-Erkennung erst nach ein paar ms. Im Betrieb zieht der Motor ca. 11A, die Spannung bricht dabei um ca. 0,6V pro Zelle ein (vlt. sind die Zellen doch nicht mehr so gut). Den Balancing-Strom habe ich mal auf 50mA eingestellt - ich weiß nicht, ob das normal ist. Die Spg-Messung hat nur eine Auflösung von 8mV. Ich lade mit einem Labor-Netzteil und gehe vorsichtshalber nur auf 4,1V/Zelle. Bei Unter-Spg-Erkennung schaltet der Motor für 5sec aus. Die Schaltung ist für beliebige Zellenanzahl geeignet, allerdings ist die Spg-Messung dann zu ungenau - ich denke da über eine Potentialverschiebung mit LM285 nach, da ja nur >3V gemesen werden muss. Die Schaltung braucht etwas Ruhestrom. 25µA ergibt 18mAh/Monat. Dies soll eine Anregung sein, habe bisher noch keine Vorschläge gesehen, die mit einem Billig-AVR auskommen. Gibt es Verbesserungsvorschläge?
Nun, ich fand es praktischer, alle Geräte bei denen es nötig ist, mit einer USpgserkennung (aber ohne Abschaltung, ggf. kann man da auch Teile aus dem Modellbau wildern) auszustatten, jedoch den Balance über eine "Zellenanz. + 1"-pinnige JST Buchse in Form eines iMax B6 von extern anzuschließen. Damit laufen nun 2 Akkuschrauber und ein AEG ergorapido (im übrigen DER Akkusauger ÜBERHAUPT). Und es kommen sicherlich noch einige dazu... Simpel, unkompliziert, schnell umzubauen. Klaus.
Bitte melde dich an um einen Beitrag zu schreiben. Anmeldung ist kostenlos und dauert nur eine Minute.
Bestehender Account
Schon ein Account bei Google/GoogleMail? Keine Anmeldung erforderlich!
Mit Google-Account einloggen
Mit Google-Account einloggen
Noch kein Account? Hier anmelden.
