Servus Leute! Ich habe vor, einige AVRs (ATTiny13) zur Spannungsmessung zu verwenden. Jedoch möchte ich damit mehrere Spannungen, welche nicht immer auf Masse bezogen sind, in Schaltungen messen. Dazu habe ich bereits einige ADUM1100 ICs, die eine galvanische Trennung der Datenleitungen (für UART) herstellen. Nun hab ich das Problem, dass ich einen DC/DC-Wandler dazu benötigen würde, der mit 3...4V Eingangsspannung auskommt und am Ausgang 2...5V eben für den AVR und die andere Seite des ADUM1100 liefert, bei lediglich 1mA ! Die normal käuflichen sind ja strommäßig weit überdimensiioniert und außerdem benötigen sie eine Last am Ausgang um arbeiten zu können. Habt ihr dazu eine Idee? Eventuell so in der Richtung wie der "Joule Thief" ( http://www.emanator.demon.co.uk/bigclive/joule.htm ) mit weiteren Wicklungen dran. (2 getrennte Ausgänge mit je 1mA würd ich benötigen) Schöne Grüße Daniel
Ich hab das Datenblatt mal überflogen. Mit dem ADUM1100 kannst du nur digitale Signale übertragen. Also 1 und 0. Daher ist eine Spannungsmessung im klassichen Sinn nicht möglich. Wenn du tatsächlich nur eine 1 und 0 auswerten willst, könntest du dann nicht auch einfach einen Optokoppler einsetzen? Voraussetzung ist natürlich, dass deine eingehende Datenleitung genügend Strom bereitstellen kann, um die Sendediode zu treiben. Damit würdest du dir halt die DC-DC Wandlung komplett sparen.
> am Ausgang 2...5V eben für den AVR ... liefert Am DCDC-Wandler hängt offenbar ein AVR, der die Wandlung macht und die Daten seriell digital überträgt :-o @ Daniel M. (amad) Ich könnte mir hier auch eine Ladungspumpe mit Kondensatoren vorstellen. Welche Spannungsfestigkeit brauchst du?
>Am DCDC-Wandler hängt offenbar ein AVR, der die Wandlung macht und die >Daten seriell digital überträgt :-o Ahh ich verstehe :-) der ganze Aufbau mit AVR und Wandler soll galvanisch getrennt sein.
Ideal wäre wohl ein selbst gebauter DC-DC. Wenn es einfach sein soll und am Eingang auch 4,5V reichen, dann bei ebay die NR: 350331261332.
@ Lothar Miller (lkmiller) genau so meinte ich das mim AVR, der die Wandlung macht. Spannungsfestigkeit muss nicht besonders groß sein, ev. 30V, da ich das eh nur zum Basteln bei kleinen Schaltungen verwenden will. Wie würdest du dir denn so eine galvanische Trennung mit einer Ladungspumpe vorstellen? Ansonsten nehm ich für den 2. AVR eine Eigene Batterie, bzw. Gold-Cap...
Für so kleine Leistungen kannst du eimen Ethernettrafo verwenden, den du mit einem HC14 und einem Mosfet als ungeregelten Sperrwandler betreibst. Ich hab so schon 2,5W rübergebracht. Schaltfrequenz ca. 1-2MHz. Einfacher wäre halt ein DC/DC Konverter mit 1W, gibts so ab 7€. Grüße
Lothar Miller schrieb: > Nun hab ich das Problem, dass ich einen DC/DC-Wandler dazu benötigen > > würde, der mit 3...4V Eingangsspannung auskommt und am Ausgang 2...5V > > eben für den AVR und die andere Seite des ADUM1100 liefert, bei > > lediglich 1mA ! 4 Optokoppler z.B. CNY17 liefern gut 3 Volt auf der Fototransistorseite, bei Serienschaltung. Die Dinger funktionieren als schlichte Photodioden, und 1-3 mA sind gut erreichbar. Wenn's kleiner sein soll: Es gibt auch 4fachKoppler in einem Gehäuse.
Oder gleich von Analog Device den richten ISO nehmen ;) Es gibt auch welche, die gleich noch eine galvanische Spannung zur Verfügung stellen: http://www.analog.com/en/interface/digital-isolators/adum5200/products/product.html
Ja, wär auch eine Idee... Aba ich hab ja die ADUM1100 schon... Das mit den CNY17 klingt gar nicht so schlecht. Ich hab sogar noch einige. Dass man Spannung an der Basis messen kann ist mir früher auch schon mal aufgefallen, aba fr die Anwendung wär ich nicht drauf kommen. Gerade ausprobiert bei 50mA durch die Sendedioden komm ich auf 520mV Leerlaufspannung zwischen Collector und Basis bzw. Emitter und Basis und auf 100µA Kurzschlussstrom zw. C-B und 60µA Kurzschlussstrom zw. C-B. Viel zu geringer Wirkungsgrad... Ich seh mich daweil mal nach einem "Ethernettrafo" um...
Hab schon einen gefunden: PE-64103 Gibt sogar ein Datenblatt dafür: http://www.datasheetarchive.com/PE-64103-datasheet.html Sind 3 getrennte "Trafos" drinnen. Ich versuchs jetzt mal ganz einfach eben mit 1MHz Rechteck Widerstand, Kondensator und 74AC14. Mal schaun, was da rauskommt... Oder habt ihr bessere Vorschläge für den Sperrwandler?
So, jetzt hab ich nen Probeaufbau gmacht, siehe Anhang. Hab jetzt grad keine andren Bauteile da ghabt, aber es funktioniert schon. Mit den Bauteilen hab ich ein Rechteck mit 50% Tastverhältnis mit etwa 500kHz, siehe Bild im Anhang(1V/DIV, 1µs/DIV) am Kollektor des Transistors. Ich bin grad draufgekommen, dass die Schaltung, so wie aufgezeichnet gar nicht funktioniert, seltsamerweise... Beim Aufbau hab ich den 470 Ohm zwischen Emitter und Masse statt zwischen Kollektor und Spule! Heut werd ich das aber nicht mehr weiter verfolgen. Mit einem 100 Ohm statt dem 470 Ohm hab ich 1,5mA durch 2 rote Leds in Serie, also 3,2V am Ausgang. Bin schon zufrieden mit der Schaltung fast. Wobei, hier hat sie dann 17mA Eingangsstromaufnahme. Wisst ihr Verbesserungsmöglichkeiten oder gar andere Ansätze? Gute Nacht!
> Wisst ihr Verbesserungsmöglichkeiten oder gar andere Ansätze? Informiere dich, was 'Gleichspannungsanteil' bei Trafos bedeutet, und was der Unterschied zwischen einem Sperrwandler (so was hast du angenähert) und einem Flusswandler (Trafo) ist. Koppeltrafos sind keine Sperrwandlertrafos. Bei nur 1mA, und 20mA Stromlieferfähigkeit eines 74HC14, täte es der 74HC14 als Treiber ganz ohne Transistor, und weil im 74HC14 sogar mehrere Gatter sind als Gegentakttreiber. Fehlen nur die Gleichrichterdioden und ferig ist die Laube
> Wie würdest du dir denn so eine galvanische Trennung mit einer > Ladungspumpe vorstellen? Siehe Screenshots Einmal mit Single Output und alternativ mit Dual Output, hier sieht man schön, was die Diodenspannung Uf ausmacht.
Hier die Dual-Variante... Da könnte man sicher auch noch eine Triple-version draus machen ;-)
Aber der NE555 wird vermutlich nicht lange leben. Besser einen Trafo nehmen. Und du hast einen Bug in deinem Schaltplan! Schau ihn dir nochmals an.
> Aber der NE555 wird vermutlich nicht lange leben. Warum nicht? > Und du hast einen Bug in deinem Schaltplan! In welchem?
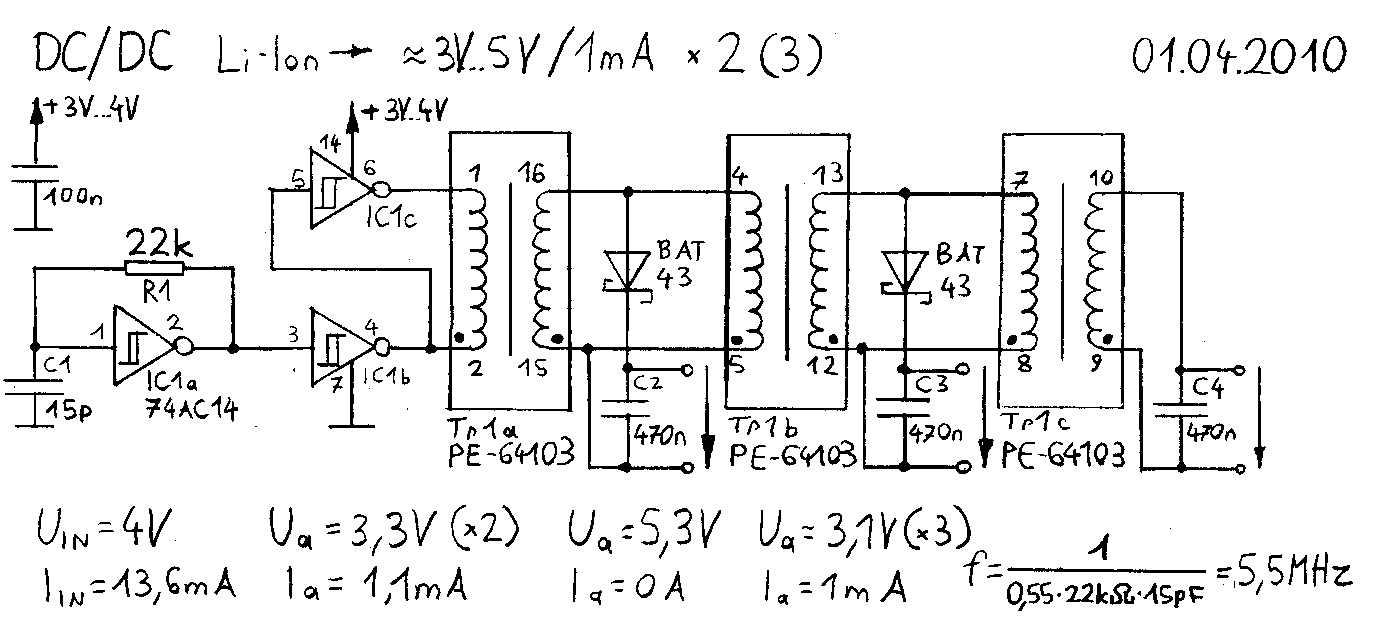
Servus! Ich glaub Abdul K. (ehydra) meint, dass durch die Kondensatoren ja keine galvanische, sondern nur eine gleichspannungsmäßige entsteht. Aber ansonsten wärs glaub ich verwendbar, diese Villard-Schaltung mim NE555. Stimmt, das mit dem Gleichspannungsmäßig und nicht im Gegentakt ansteuern wr ein Denkfehler von mir. Warums aber nur mit Widerstand zw. Emitter und GND funktioniert und ned anderst versteh ich aber is jetzt nicht... Ich habs jetzt zusammengebracht, den "Ethernettrafo" zu verwenden, siehe Schaltung im Anhang. Liefert bei 13,6mA und 4V als Versorgung 2mal zufälligerweise 3,3V bei 1,1mA Belastung(3kOhm) jeweils. Der 3. Ausgang is daweil frei für weiteres, was nur sehr wenig Strom braucht. Erstaunlicherweise für mich gibt es keine allzu großen Verluste beim Kaskadieren der einzelnen "Trafos" Die Spannung am 2. Ausgang ist nur unwesentlich kleiner. Eine Brücke statt einer einzelnen Diode hat nur 10% mehr Leistung gebracht, hab es deswegen bei einer Belassen, weil ja sonst mehr Spannung durch die Dioden verloren geht. Die Amplitude der (rechteckförmigen) Ripplespannung (mit Überschwingern) beträgt 50mV. Bei 5,5MHz benötigt die Schaltung am wenigsten Strom und außerdem brauche ich dann keinen Vorwiderstand für den Trafo mehr. Eigentlich bin ich mit dieser Schaltung nun ziemlich zufrieden. Aber falls jemand einen Verbesserungsvorschlag hat, nur her damit! MfG, Daniel
> Ich glaub Abdul K. (ehydra) meint, dass durch die Kondensatoren ja > keine galvanische, sondern nur eine gleichspannungsmäßige entsteht. Nur, dass eben ein Transformator auch ein bidirektionales Bauteil ist... Und eine galvanische Trennung ist genau die gleichstrommäßige Trennung: http://de.wikipedia.org/wiki/Galvanische_Trennung > Eine Brücke statt einer einzelnen Diode hat nur 10% mehr Leistung > gebracht, hab es deswegen bei einer Belassen Damit hast du aber auch wieder eine Gleichstromkomponente auf dem Trafo... Wobei das Wort "Trafo" für die paar Ringkernchen im Ethernetübertrager schon fast überdimensioniert ist.
Irgendwie verstehe ich die Schaltung jetzt nicht. Warum hast Du den 2. Trafo nicht parallel sondern an den Ausgang des 1. gehängt? Und den 3. an den Ausgang des 2. Da muss doch durch den 1. die gesamte Energie für die beiden anderen???? Oder hab ich gerade ein Brett vor dem Kopf?
Ja, das schon, nur bräuchte die Schaltung viel mehr Strom durchs Parallelschalten und es funktioniert so. Das durch die Einweggleichrichtung eine Gleichstromkomponente am Trafo liegt, kann mir aber egal sein, oder? (bei 1mA)
> Das durch die Einweggleichrichtung eine Gleichstromkomponente am Trafo > liegt, kann mir aber egal sein, oder? (bei 1mA) Im Großen und Ganzen: Ja.
ja, so ungefähr funktionierts. Deine Schaltfrequenz ist aber doch noch recht niedrig. So 1-2 MHz sind ideal. Nimm als Schalter lieber einen MF, die gibts im SOT23 Gehäuse und können schon 3A. Den Drain legst du direkt an die Wicklung, Source auf GND. Als Snubber Netzwerk ev. eine Z-Diode mit so 6,2V (Kathode an Drain) in Serie mit einer 1N4148(Kathode an V+). Ich hab so mit einem Würth 749013021 Ethernettrafo 2,5W rübergebracht(nur 1 Core verwendet), bei einem Wirkungsgrad von gut 75% und mäßiger Erwärmung des Trafos. Grüße
Hmm, dann mach ich ja irgendwie gröber was falsch... Wenn ich von den 2500mW, die du drüberbringst nur 3mW rüberbring, aber ganze 55mW reinsteck. Das sind ja grad mal 5% Wirkungsgrad, merk ich grad. Ich sprech aber grad von der 2. von mir heute geposteten Schaltung, bei der ich übrigends die letzte BAT43 vergessen habe einzuzeichnen. Die erste funktionierte fast gar nicht. Welches Tastverhältnis hatte deine Ansteuerung für den MOSFET? auch mit Logikgatter erzeugt? Ich habe auch AVRs zur Verfügung, falls man irgendein PWM oder so braucht... Wieso überhaupt MOSFET? Da brauch ich doch viel Steuerstrom bei den 2MHz... Ich hab aber eh einige IRLML2502PBF da.
Transistoren sind bei der Schaltfrequenz einfach zu langsam, überhaupt wenn man sie in die Sättigung fährt. Tastverhältnis war bei mir 1:1. Als MF Treiber hab ich 5 Gatter 74HC14 parallel geschaltet. Zum Steuerstrom: fließt im gegensatz zum Trans. nur im Schaltaugenblick, ist aber in etwa in der gleichen Größenordnung. Grüße
Hmm. Ich hab jetzt mit dem 74AC14 2MHz erzeugt und an das Gate eines BS170er gelegt, der so verschalten ist, wie du gesagt hast. (Mit Snubber, obwohl die Spannung ohne ihn nicht größer als 12V wird am Drain) Ist bei einer einzelnen Ausgangsspannung sogar effizienter - braucht 10mA bei 1mA Belastung, jedoch funtioniert mein in Serie schalten damit nicht mehr. Da schießt dann nämlich der Strom auf 100mA hoch.
BS170 ist nicht gerade ideal, der hat ja 5 Ohm Rds.Nimm was besseres. Was schaltest du da in Serie? Du kannst primär parallel,sek. in Serie oder umgekehrt schalten, aber hintereinander wie in deinem obigen Bild ist das keine gute Idee. Grüße
Servus Gebhard! Okay, ich werde bei Gelegenheit einen besseren einbauen. Wahrscheinlich funktioniert das mit den mehreren ganzen Trafos in Serie nicht, weil man ja nur mit Pulsen ansteuert mim Mosfet und nicht im Gegentaktbetrieb, wie mit den Invertern. Ich versteh aber eh, wie du es meinst mit der Verschaltung, eben so, wenn man verschiedene Übersetzungsverhältnisse haben mag. Jetzt muss ich nur noch die richtige Frequenz finden... Aber ich werd erst in einigen Tagen mich damit weiter spielen... Danke für die Hilfe und Vorschläge schonmal! Schöne Grüße, Daniel
Lothar Miller schrieb: >> Ich glaub Abdul K. (ehydra) meint, dass durch die Kondensatoren ja >> keine galvanische, sondern nur eine gleichspannungsmäßige entsteht. > Nur, dass eben ein Transformator auch ein bidirektionales Bauteil ist... > Und eine galvanische Trennung ist genau die gleichstrommäßige Trennung: > http://de.wikipedia.org/wiki/Galvanische_Trennung Sei nicht kleinlich. Du weißt was ich gemeint habe! Ja, wenn du die Schaltung schlagartig einschaltest, hast du einen Peak genau in den Ausgang des NE555. Der soll eh nicht sonderlich viel aushalten. Einschalten meint hier, das du die gleichstrommäßige Trennung mal schnell im Bezugspotential verschiebst. Also Teil 1 einfach so mit Teil 2 verbindest... > >> Eine Brücke statt einer einzelnen Diode hat nur 10% mehr Leistung >> gebracht, hab es deswegen bei einer Belassen > Damit hast du aber auch wieder eine Gleichstromkomponente auf dem > Trafo... > > Wobei das Wort "Trafo" für die paar Ringkernchen im Ethernetübertrager > schon fast überdimensioniert ist. Es gibt nunmal keinen Übertrager im Englischen ;-)
Lothar Miller schrieb: >> Aber der NE555 wird vermutlich nicht lange leben. > Warum nicht? > >> Und du hast einen Bug in deinem Schaltplan! > In welchem? D2 und D4 dachte ich asymmetrisch angeschlossen. Aber bei nun genauerem Hinsehen, soll das wohl ein Vergleich beider Topologien sein. Macht man ja sehr oft in SPICE.
Ja, genau, das ist ein Vergleich mit verschiedenen Flussspannungen. (Werden Übertrager im Englischen nicht auch "transducer" genannt, wenn ich mich nicht irre?)
Abdul K. schrieb:
> Es gibt nunmal keinen Übertrager im Englischen ;-)
Das Du da irrst, siehst Du spätestens am 2.April.
Daniel M. schrieb: > Ja, genau, das ist ein Vergleich mit verschiedenen Flussspannungen. > > (Werden Übertrager im Englischen nicht auch "transducer" genannt, wenn > ich mich nicht irre?) Nein, ein Transducer entspricht dem deutschen 'Sensor'. Aber Sensor selbst ist auch kein deutsches Wort. Manche verwenden Transducer auch gerne für einen Aktor.
Servus! Achja, gibts vielleicht eine Schaltungsvariante, wo der Übertrager in Resonanz schwingt, bzw. so, wie den von mir per Hand eingestellten optimalen 5,5MHz? Bzw. andre Ideen, um das ganze effizienter zu machen? Der 74AC14 hat ja nämlich schon "relativ starke MOSFET-Ausgänge". Mit extrigen MOSFETs wirds wohl nicht viel besser werden, denk ich mal, oder? Frohe Ostern, Daniel
Achja, wäre es effizienter, wenn ich eine Vollbrücke mit den MOSFETs aufbaue? Oder eh nur einen mit Snubber-Netzwerk? Jetzt fang ich mal wieder an ein bischen an der Schaltung rumzubasteln ;)
Wir setzen für ähnliche Anwendungen MAX845 als Treiber und Trafos aus der Serie TGM von Halo ein, das klappt recht gut. Edit: Man auch problemlos 2 Trafos parallel an einen MAX845 hängen.
>Achja, wäre es effizienter, wenn ich eine Vollbrücke mit den MOSFETs >aufbaue? Vollbrücke ist bei kleinen Leistungen Luxus. Außerdem bei über 1MHz Schaltfrequenz nicht ganz einfach zu realisieren. Die gefahr ist groß, dass alle 2 Mosfets (kurzzeitig) gleichzeitig durchgeschaltet sind.=> große Störungen und ev. Zerstörung der Schalter. Grüße
Dieter Werner schrieb: > Wir setzen für ähnliche Anwendungen MAX845 als Treiber und Trafos aus > der Serie TGM von Halo ein, das klappt recht gut. Im Datenblatt des MAX845 ist der Wirkungsgrad bei 1mA Ausgangsstrom auch etwa bei 10-20%.
Hi! Achso, dann kann ich mit meinen 5% ja eh zufrieden sein, vorallem bei dem geringen Bauteilaufwand und vergleichsweise niedrigen Stromverbrauch. Im Anhang ein Oszi-Bild und Foto vo meinem jetzigen Versuch, so wie es Gebhard Raich mir beschreiben hat. CH1 ist am Gate des MOSFET(IRLML2502PBF) gemessen, CH2 am Drain. Die gleichgerichtete Spannung ist im Leerlauf 4,5V. Mit LED 2V und 4mA (Verbrauch 60mA) Verbrauch aber 50mA im Leerlauf und wenn ich den 47Ohm in Serie zum Trafo überbrücke, fängt der MOSFET an zu qualmen. Funktioniert jedoch dennoch noch immer, wie man sieht! MfG, Daniel
Die Einschaltzeit kommt mir zu lang vor, das Tastverhältnis gemessen am Drain sollte ca. 50% sein. So geht dir der kleine Kern schnell in die Sättigung und der MF qualmt ohne Sicherungswiderstand. Ein paar uF Stützkondensatoren nahe am Trafo/FET wären auch ganz gut. Grüße
Ok, der Thread ist zwar schon was älter aber dennoch interessant. Ein kleine, kompakte Stromversorgung für sehr kleine Verbraucher. Nehmen wir den Ethernettrafo, die gibt es überall preiswert. Ich hab hier einen TG110-S055N2RL von Halo. Erster Irrtum. Sperrwandler. Geht nicht, denn der braucht einen Luftspalt, um nennenswert Energie speichern zu können, siehe http://www.mikrocontroller.net/articles/Transformatoren_und_Spulen#Energiespeicherung_in_Magnetkernen Zweiter verbreiteter Irrtum. Wir nehmen einen dicken MOSFET und pulsen einfach wie eine Relaispule. MÖÖP! Falsch! Denn ein Trafo verträgt keine Gleichspannung am Eingang, vor allem nicht so ein Ultraminitrafo wie die Ethernettrafos. Denn die werden schon von wenigen mA Gleichstrom in die Sättigung gefahren, und auch bei 1 Ohm Wicklungswiderstand braucht man dazu nicht viel Spannung. OK, was tun? 1.) Wir brauchen einen FLUSSwandler 2.) Wir brauchen eine garantiert gleichspannungsfreie Ansteuerung. Alles nicht wirklich schwer. Aber erstmal wollen wir noch eine sinnvolle Arbeitsfrequenz festlegen. Dazu muss man wissen, wieviel Spannungszeitfläche der Trafo verträgt. Wenn man Glück hat steht es im Datenblatt, wenn nicht müssen wir messen. Wir haben Pech und müssen messen, denn die Angabe von Halo "OCL @100KHz, 8mA: 350µH min" ist eher kryptisch. Also nehmen wir einen Funktionsgenerator mit 50 Ohm Ausgangswiderstand und speisen ein gleichspannungsfreies Rechtecksignal ein. Bei 1 MHz ist alles OK, logisch, denn dafür ist der Trafo gebaut. 10/100 MBit Ethernet, da kommen keine Frequenzen unterhalb 1 MHz vor. Bei 100kHz sinkt während des Pulses die Eingangsspanung am Trafo schon etwas ab. Das liegt am Magnetisierungsstrom, der steigt ja linear. Und je größer der ist, umso mehr Spannung fällt am Innnenwiderstand des Funktionsgenerators ab. Bei 70 kHz ensteht an der Umschaltflanke schon eine kleine Spitze, ein Vorzeichen der Sättigung. Bei 60 kHz ist die Sache schon klar sichtbar, gegen Ende des Pulses geht die Eingangsspannung ziemlich runter, weil durch die Sättigung des Trafos die Induktivität fast vollständig verloren geht und damit der Strom sehr schnell ansteigt. Bei 50 Khz sieht es ein Blinder, dass hier die Sättigung erreicht ist. Ok, wir können damit sagen, dass der Trafo relativ sicher einen Puls von 5µs und 5V bei BEIDSEITIGER Magnetisierung verkraftet, macht 25µVs. L = U * t / I kann man ausrechnen, dass der Magnetisierungsstrom damit etwa I = U * t / L = 5V * 5µs / 350µH ~ 70mA Stimmt nicht, es ist die Hälfte, denn der Magnetisierungsstrom wechselt von -35mA auf +35mA. Das sieht man auch auf dem Oszibild, die Spannung fällt vom Begin des Pulses bis zum Ende um knapp 1,2V, macht 24mA an 50 Ohm Innenwiderstand vom Funktionsgenerator, der Ablesefehler ist hier recht groß. Gut, man könnte also mit 100 kHz und 5V Amplitude arbeiten, aber das wäre eher Verschwendung. Wenn man kompakte Schaltregler bauen will, geht man mit der Frequenz so hoch wie möglich. Nehmen wir also eher 3 MHz, weil das zufällig beim Aufbau so rausgekommen ist ;-). Für maximale Leistung brauchen wie eine Vollbrückenansteuerung, aber im Kleinformat. Bekommt man preiswert mit einem 74HC14, der hat sechs Gatter. Siehe Anhang. C1 macht man so klein wie möglich, denn dessen Umladung ist verlorene Energie. Wichtig ist hier C2, der hält den Gleichspannungsanteil vo Trafo fern. Denn ein 74HC14 als einfacher RC-Oszillator bringt kein ideales Tastverhältnis von 50%, da gibt es immer ein paar Prozent Abweichung. Und die sind signifikant. 1% Fehler bedeutet bei 5V Amplitude 50mV Gleichspannung am Trafo, Der Strom wird nur durch den Wicklungswiderstand (1 Ohm) und die Ausgangstreiber (ca. 30 Ohm) begrenzt, macht hier ca. 1,6mA. Eigentlich nicht viel, aber muss nicht sein, vor allem wenn der Fehler größer wird, so um die 5% sind realistisch. 100nF haben bei 3 MHz (Sinus) einen Blindwiderstand von 0,5 Ohm, also sehr wenig. Ausgangsseitig nutzen wir eine Doppel-Schottkydiode zur Zweiwegegleichrichtung und Spannungsverdopplung. Das spart gegenüber dem Brückengleichrichter die Flusspannung einer Diode, die vor allem bei kleinen Ausgangsspannungen ins Gewicht fällt. Aufpassen muss man auf die oft vorhandenen Gleichtaktdrossen. Damit die nicht als störende Reiheninduktivität dazwischenfunken, muss man sie auch als Gleichtaktdrossel verschalten. Das geht am einfachsten auf der Primärseite. Durch Reihen- oder Parallelschaltung der zwei Trafos und Nutzung der Mittelanzapfungen kann man auch die Spannung in gewissen Grenzen transformieren oder zwei Ausgänge mit Galvanische Trennung erzeugen. So, und was bringt denn unser Mini-Schaltnetzteil an Leistung? Last Eingangsstrom / mA Ausgangsspannung V Ausgangsstrom mA Wirkungsgrad / % Leerlauf 3,7 13,8 0 0 10k 5,8 9,1 0,9 29 3k3 9,2 8,7 2,6 49 1k 19,2 7,7 7,7 62 330R 37,6 5,6 17 50 0R 66 0 32,5 0 Die hohe Spannung im Leerlauf ist wahrscheinlich ein Artefakt der Gleichtaktdrossel, die ungewollt als zusätzlicher Step Up Schaltregler wirkt (Längsinduktivität). Kurzschließen sollte man den Ausgang besser nicht, den die Strombegrenzung erfolgt nur duch den Ausgangswiderstand der Gatter, die Wicklungen und Dioden. Testweise wurde auch mal der Leerlauf ohne C2 gemessen, dabei nimmt die Schaltung ca, 4,8mA auf, das passt gut zur Abschätzung. Das Tastverhältnis liegt bei 47%. Ich hoffe damit werden die kleinen, aber wichtigen Details von so einem Schaltregler etwas klarer und man begnügt sich nicht mehr mit Wirkungsgraden von 5%, trotz dampfender MOSFETs. MFG Falk
Ok, Nachtrag. Man kann den Trafo wie bereits vorgeschlagen auch weglassen und einfach mittels zweier spannungsfester Kondensatoren die galvanische Trennug machen, also einfach TR1 raus und einen zweiten 100nF C zwischen die unteren Treiber und Ausgang einfügen. Die Leisungsdaten sind praktisch gleich. Wesentlicher Nachteil ist die fehlende Möglichkeit der Spannungstransformation. Vorteil ist er deutlich geringere Platzbedarf. MfG Falk
Mist, meine Tabelle ist im Eimer :-( Hier nochmal schön.
1 | Last Eingangsstrom / mA Ausgangsspannung /V Ausgangsstrom / mA Wirkungsgrad / % |
2 | Leerlauf 3,7 13,8 0 0 |
3 | 10k 5,8 9,1 0,9 29 |
4 | 3k3 9,2 8,7 2,6 49 |
5 | 1k 19,2 7,7 7,7 62 |
6 | 330R 37,6 5,6 17 50 |
7 | 0R 66 0 32,5 0 |
Hey Falk! Danke fürs Wiederaufleben lassen dieser Diskussion, zu der ich immer noch nicht eine wirklich zufriedenstellende Lösung habe sowie für den Tipp mit dem 100nF-Kondensator in Serie zum Trafo! Das hat die Stromaufnahme merkbar reduziert. Warum bin ich da nicht schon früher draufgekommen... :) MfG, Daniel
Hallo Falk! Bei deiner Schaltung steuerst du den LAN Trafo über die Gleichtaktdrossel an. Das ist nicht gut! Die Gleichtaktdrossel muss sekundärseitig liegen.Ich hab ein NT für ca. 2,5W mit so einem LAN Trafo gebaut und mit einem einzigen Mosfet. Wirkungsgrad ca. 75%. Grüsse
@Gebhard Raich (geb) > Bei deiner Schaltung steuerst du den LAN Trafo über die >Gleichtaktdrossel an. Das war Absicht. Siehe mein Posting. Beitrag "Re: galvanisch getrennt DC/DC 3V/1mA" > Das ist nicht gut! Warum? Sie wird doch gegensinning durchflossen, ist also quasi nicht wirksam. > Die Gleichtaktdrossel muss sekundärseitig liegen. Warum? >Ich hab ein NT für ca. 2,5W mit so einem LAN Trafo >gebaut und mit einem einzigen Mosfet. Wirkungsgrad ca. 75%. Naja, da hat aber auch eine ordentliche Portion Glück mitgespielt. Das ist kein Sperrwandler. Beitrag "Re: galvanisch getrennt DC/DC 3V/1mA" Denn Sperrwandler geht nicht, siehe mein Posting. Das Ding speichert bestenfalls E = 1 / 2 L I^2 = 1 / 2 350µH 35mA^2 = 0,2µJ Wenn man mit 5V für 5µs lädt, also maximal 100kHz. Macht 20mW Ausgangsleistung. OK, man kann mit höherer Spannung reingehen, aber irgendwann wird es albern. Selbst mit 50V und 0,5µs Ladezeit bzw. 1 Mhz Takt kommen bestenfalls 0,2W raus. Du taktest mit ca. 2 MHz, das würde man nur einen Brichteil der Energie in die Spule bekommen, auch nicht bei 6V. Deine Schaltung ist ein Eintaktflußwandler. Denn Primärwicklung und Sekundärwicklung + Diode sind gleichphasig geschaltet, wenn gleich du dir alle Mühe gegeben hast, das möglichst undeutlich darzustellen ;-) Dass es ein Flußwandler ist kann man auch leicht messen. Wenn der MOSFET durchschaltet fließt primär- und sekundärseitig gleichzeitig Strom. In der Sperrphase wird die Magnetisierungsenergie per Avalance im MOSFET verbraten, dank des sehr kleinen, hochpermeablen Kerns ist das ja nicht viel, wie wir oben berechnet haben. OK, it works. Wenn auch anders als gedacht ;-) MFG Falk P S Die Diskussion hatten wir schon mal, da dachte auch jemand er hätte einen Sperrwandler, war dann doch ein Flußwandler. Blindes Huhn und Korn sag ich da nur ;-) P P S Ahhh, jetzt verstehe ich, warum du die Gleichtaktdrossel auf der Sekundärseite haben willst. Du nutzt sie als Speicherdrossel, die ja eigentlich jeder Flußwandler braucht. Aber auch hier ist die Funktion nicht wirklich lehrbuchartig. Denn es fehlt die Freilaufdiode bzw. die Zweipunktgeleichrichtung mit Mittelanzapfung. Geht aber trotzdem, die Magnetisierungsenergie wird irgendwo verbraten.
Ach ja, nochwas zum Thema galvanische Trennung mit Kondensatoren. Das geht nur sehr bedingt. Denn Abdul hat Recht. Beitrag "Re: galvanisch getrennt DC/DC 3V/1mA" Die Gleichtaktunterdrückung ist mies, nämlich 0 dB. Wenn man am Ausgang einen Sprung des Gleichtaktsignals macht, ballern ordentliche Ströme duch die Koppel-Cs und die Treiberausgänge. Und wenn man einen der beiden Ausgangspotentiale auf Eingangsmasse legt, fließt ordentlich Blindstrom dort drüber und macht einen halben Kurzschluss des Treibers. Mit Trafo passiert sowas nicht, bzw. der Effekt ist um Faktor 10.000 und mehr geringer (Koppelkapazitäten im Trafo liegen um die 10pF!). Also besser die Sache mit den 2x KoppelCs vergessen und immer den Trafo nutzen. MFG Falk
Deja-vu? Beitrag "Re: DC/DC Converter geringer Leistung" Alles schon mal dagewesen, auch die Rechung und Erklärung. a Glitch in the matrix . . .
@Falk Ja, ich hab einmal nicht richtig nachgedacht und das Ding als Sperrwandler verkauft. Ist natürlich Unsinn, es ist, wie du richtig sagst, ein Durchflusswandler.Ich hab einmal den Trafo verkehrt herum eingelötet sodass die GLT-Drossel am Schalttransistor lag. Abgesehen von sehr geringer Leistung, tat das dem Mosfet gar nicht gut, es gab hohe Induktionsspitzen, die dem ganzen Treiben ein jähes Ende bereiteten.Offenbar wirkt die GLT-Drossel nicht nur für GLT-Signal. Liegt die GLT Drossel sekundär, läuft alles sehr rund und zuverlässig. Glaube aber nicht, dass diese Drossel dann als nennenswerte Speicherdrossel wirkt. Grüsse
Noch was für's Improvisieren. Mit einer Ferritperle und ein paar Windungen Draht geht es auch recht gut. Ich hab hier eine mit 3,5mm Aussendurchmesser, 1mm Innendurchmesser und 3mm Höhe. 8 Windungen bifilar mit 0,2mm CuL gewickelt machen 25 µH, Koppelfaktor 99,8%. Bei 3 MHz wie in der Schaltung oben steigt der Leerlaufstrom nur mässig von 3,8 auf 6,5mA. Der verfügbare Ausgangsstrom ist nahezu gleich. MfG Falk
Hallo, ich wollte das mal ausprobieren und hab Gebhards Schaltung mal nachgebaut. Die 2,5W bei 75% Wirkungsgrad die Gebhard beschreibt schaff ich nicht. Aber mit leichter Modifikation bekomme ich 0,53 W und 42% Wirkungsgrad, also 7,3V @ 73mA raus, bei 5V @ 256mA rein. Das ist doch schon mal wesentlich mehr Leistung als bei Falks Lösung. Ich verwende beide Trafos eines 100MBit-Übertragers. Wenn man einen für Gigabit nimmt, hat man 4 Trafos. Das sollte die mögliche Leistung nochmal verdoppeln. Die beste Frequenz bei meinen Teilen sind 1,5MHz, das bekomme ich mit 10K und 100pF. Mit anderen Frequenzen geht die Leistung runter. Man kann sicher noch nen kleineren FET nehmen, ich wollte nur bis ich den Snubber getestet hab nix weniger spannungsfestes nehmen. Bei nem kleineren FET dürfte es auch ein 74HC14 tun statt dem 74AC14 den ich hier wegen der höheren Leistung genommen hab. Auch ist natürlich mein Lochraster-Aufbau nicht optimal und kostet auch Leistung und Wirkungsgrad. Aber wohl kaum die Differenz zu 2,5W / 75%. Gebhard, kannst Du uns mal genau die Teile und Schaltung zeigen mit denen Du die 2,5W und 75% schaffst?
@Electronic Eel (electronic_eel) Benutzerseite >ich wollte das mal ausprobieren und hab Gebhards Schaltung mal >nachgebaut. Nö, du hast die modifiziert, und das teilweise falsch. Ersten hat die Originalschaltung keinen Spannungsverdoppler, auch wenn man dort vier Dioden sieht. Die sind aber alle parallel. Denn bei einem Flußwandler wie hier geht das nicht mit dem Spannungsverdopler, der Flußwandler arbeitet nur in der Shaltphase des MOSFETs. >Aber mit leichter Modifikation bekomme ich 0,53 W und 42% Wirkungsgrad, Also recht wenig. >also 7,3V @ 73mA raus, bei 5V @ 256mA rein. Das ist doch schon mal >wesentlich mehr Leistung als bei Falks Lösung. Logisch, dein MOSFET hat deutlich weniger Widerstand. >Ich verwende beide Trafos eines 100MBit-Übertragers. Hoffentlich hast duach WIRKLICH die richtgen Pins erwischt wie in deinem Schaltplan. Wenn nicht, spukt dir die Gleichtaktdrossel in die Suppe. >Man kann sicher noch nen kleineren FET nehmen, ich wollte nur bis ich >den Snubber getestet hab nix weniger spannungsfestes nehmen. Snubber braucht es nicht, die Magnetisierungsenergie ist winzig, siehe oben. Beitrag "Re: galvanisch getrennt DC/DC 3V/1mA" >Auch ist natürlich mein Lochraster-Aufbau nicht optimal und kostet auch >Leistung und Wirkungsgrad. Nicht in der Größenordung. > Aber wohl kaum die Differenz zu 2,5W / 75%. Eben. >Gebhard, kannst Du uns mal genau die Teile und Schaltung zeigen mit >denen Du die 2,5W und 75% schaffst? Mal den Tread aufmerksam gelesen? Und den Links gefolgt? Beitrag "Re: DC/DC Converter geringer Leistung" MFG Falk
Ok, hier mal mein Nachbau von Gebhard's Schaltung. Siehe Anhang. Einmal mit 1:1 Windungsverhältnis wie im Schaltplan gezeichnet (Konfiguration 1:1) und einmal 1:2 Windungsverhältnis, dabei ist die 5V Einspeisung auf der Primärseite an Pin 2 von TR1 angeschlossen (Konfiguration 1:2). Ich würde sagen, das passt. Viel mehr als 47 Ohm Last sollte man in Konfiguration 1:2 nicht dranhängen, mit 15 Ohm wird alles ziemlich heiß und der Wirkungsgrad geht drastisch in den Keller. Bei 47 Ohm ist alles nur lauwarm. Man muss aufpassen mit reinem Leerlauf, da geht die Spannung auf Grund der nicht lehrbuchmäßig durchgeführten Entmagnetisierung ziemlich hoch. Eingangsspannung 5V
1 | R-Last U_Aus I_aus P_aus I_ein Wirkungsgrad |
2 | Ohm V mA W mA % |
3 | ---------------------------------------------------------------------------- |
4 | |
5 | Konfiguration 1:1 |
6 | |
7 | Leerlauf 12,6 0 0 12 0 |
8 | 1k 5,5 5,5 0,03 19 32 |
9 | 47 4,3 91.5 0,43 99 86 |
10 | 15 3,2 213 0,68 216 68 |
11 | |
12 | Konfiguration 1:2 |
13 | |
14 | Leerlauf 24,3 0 0 16 0 |
15 | 1k 10,8 11 0,12 40 59 |
16 | 47 8,0 170 1,36 350 78 |
17 | 15 4,9 326 1,6 680 47 |
Alles in allem sind die Ergebnisse schon recht gut für so eine einfache Schaltung. Im Anhang auch ein paar Screenshots der Lastfälle für Konfigaration 1:2 beiverschiedenen Lasten. Wie man sieht, klingelt es ganz ordentlich, die Magnetisierungsenergie muss ja irgendwo hin. Kanal 1 ist der Drain von T1, Kanal 2 das Gate. MfG Falk
Bitte melde dich an um einen Beitrag zu schreiben. Anmeldung ist kostenlos und dauert nur eine Minute.
Bestehender Account
Schon ein Account bei Google/GoogleMail? Keine Anmeldung erforderlich!
Mit Google-Account einloggen
Mit Google-Account einloggen
Noch kein Account? Hier anmelden.



















