Hallo Leute , ich hoffe Ihr könnt uns helfen , denn im moment wissen wir leider nicht mehr weiter. Im Rahmen eines Schulprojekts wollten wir ein Funktionsmodell eines ESWL Gerätes darstellen ( Extrakorpurale Stosswellenlithrotypsie ). Im Realen werden Schallwellen in einem Schallkopf erzeugt und dann auf einen Punkt im Körper fixiert um dort einen z.B. Nierenstein zerplatzen zu lassen. Wir wollten ein Funktionsmodell erstellen indem wir einen Lautsprecher von 20 cm , 100 W 8 Ohm nehmen , dort einen Trichter Drüber Stülpen und mit dem enstehenden Luftdruck am ende des Trichters eine Druckwelle erzeugen , welche dann einen Styroporhaufen quasi "zersprengt". Dafür wollten wir ein Netzteil verwenden , was Positive & Negative Spannung erzeugt und den Subwoofer Quasi erst negativ zurück zieht und dann positiv ausschlagen lässt. Das ganze soll ja nur in einem Bruchteil einiger Sekunde passieren. Also im ausgeschaltetem zustand soll der Woofer in der Ausgangsstellung sein. Sobald wir die Sache dann einschalten , soll der Woofer mit einem Impuls Negativ nach hinten Fahren und im nächsten Moment positiv nach vorne ausschlagen und dann wieder in die Neutrallstellung gehen und die ganze Sache von vorn. Das ganze alle 2-3 sec. . Also haben wir das Netzteil gebaut(Anlage). Um dann die Spannungen zu schalten wollten wir den Woofer mit der -klemme an 0V hängen und die +5V & -5V jeweils mit einem Transistor abwechselnd auf die + klemme schalten ( Als Stabis haben wir 7805 & 7905 verwendet). Die Transistoren wollten wir mit einer Kippstufe ansteuern , so dass abwechselnd immer der eine , dann der andere Transistor angesteuert wird. Die Kippstufe wird mit den 15 V & 0 V versorgt die wir vor dem Stabi für die +5V abgreifen. Und nun zu unserem Problem : Wir wissen nicht wie hoch der Basiswiderstand für die Transistoren sein muss. Wir haben an einem Transistor am kollektor die +5v angesetzt , an der basis haben wir 15 V angeschlossen die von der kippstufen led kommen. ( An der Kippstufe haben wir die Spannung zwischen dem 470 Ohm Widerstand und dem kollektor vom Transistor abgegriffen). Leider messen wir jetzt an dem emitter unseres verwendeten BC 327 ca. 15 V ! , sollten da nicht die +5V vom kollektor ankommen ? Ich hoffe ihr könnt uns schnell Helfen , denn wir haben nur noch 4 Tage Zeit und wissen nicht mehr weiter.
Bevor ich weiter darüber nachdenke, könnt ihr bei eurem AMV beim oberen Transistor schon mal Collektor und Emitter vertauschen.
OK, wenn man es sich ein wenig herumdenkt, dann sieht man es :)
nixchecker schrieb: > Ich check den zweiten Schaltplan garnicht... Astabiler Multivibrator, oder auch Wechselblinker genannt. Es fehler bei der Betriebsspannung von 15V nur die 2 Schutzdioden für die Transistoren.
Ganymed schrieb: > Bevor ich weiter darüber nachdenke, > könnt ihr bei eurem AMV beim > oberen Transistor schon mal Collektor > und Emitter vertauschen. Sorry war nur falsch eingezeichnet , sonst würde die Schaltung ja net Funktionieren. Also ich hab jetzt mal noch ne Datei hochgeladen wie wir es vor hatten das zu Verbinden. Jetzt scheint das aber lt. Aussage eines Technikers so nicht zu funktionieren , genaueres konnte er uns aber auch nicht sagen , da er wohl zulange raus ist. Wir müssten jetzt also wissen ob das ggf. mit passenden Basiswiderständen so zu realiesieren ist , oder was wir ändern müssen damit uns das Teil net um die Ohren fliegt. Schaut mal auf das Pic was ich jetzt reingestellt hab. So hatten wir es eigentlich vor die Sache anzuschliessen , bis jetzt haben wir aber nur gemessen und da die Werte nicht Stimmen den Woofer auch nicht angeschlossen. Jetzt sagt uns heute auch noch jmd. das wir eine Freilaufdiode brauchen , weil die Spule im Woofer sonst eine Spannung erzeugt und die Transistoren sprengt !? ?? Was müssen wir denn da nehmen und was ist eine Push Pull Stufe bzw. wo bekomme ich sowas ? ein 555 ist ein Fertiger AMV richtig ? Wenn wir die Schaltung noch nicht aufgebaut hätten wäre das vielleicht leichter gewesen. Wenn die Sache läuft stell ich auch mal nen paar Fotos hier rein , aber ich hoffe das dass noch irgendwie klappt
Gesundheit: http://de.wikipedia.org/wiki/Tinnitus#Ursachen 555 http://www.elektronik-kompendium.de/sites/bau/0206115.htm http://www.dse-faq.elektronik-kompendium.de/dse-faq.htm findet man: +12V --+------+ +-- Spannung für Last R +---+ R Widerstand je nach Last +--+-| | | R +-|555|--|I NMOSFET BUZ10 oder so +----| | | C +---+ | GND --+------+-----+--
...habe jetzt keinen echten sachbeitrag zu eurem projekt, aber mit einer STEHENDEN WELLE könnte man auch gut solche kügelchen wegblasen. man braucht dazu einen LS in einem ansonsten dichten gehäuse, dass irgendwo ein loch oder ein bass-reflex-rohr hat. dann den LS mit der resonanzfrequenz des gehäuses betreiben. bei richtiger abstimmung kommt aus dem rohr so eine art laserstrahl aus schall, mit dem man ziemlich punktgenau auf mehrere meter entfernung den leuten die haare durchwirbeln kann und ähnliche scherze...
Das wäre natürlich auch eine schöne Sache , aber ich denke das sprengt unser Budget. Wir müssen jetzt eigentlich nur noch wissen wie wir den Woofer mit den Transistoren dort verbinden und was uns ggf. noch für Bauteile Fehlen.
Ihr habt doch schon Lösungen bekommen...ein astabiler Multivibrator mit eurer Zeit von 3sek und ner Push-Pull-Stufe...mehr wollt ihr doch nicht.
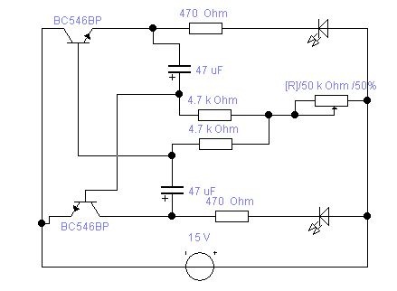
Mal eine kurze Frage: welchen Zweck haben D6 und D8 im Netzteil? D5 und D7 sind klar, D6 und D8 eher nicht.
Ach ja, übrigens: - wozu die Spannungsregler? - warum mickrige +-5V? Passen irgend wie nicht zum 100W-Lautsprecher.
>Mal eine kurze Frage: welchen Zweck haben D6 und D8 im Netzteil? D5 und >D7 sind klar, D6 und D8 eher nicht. Schutz gegen Latch-up. Kai Klaas
Latch-Up kenne ich von CMOS, wenn dort in einen Anschluss ein Strom fließt, der eine bestimmte Größe überschreitet. Aber in diesem Fall ist mir die Wirkung der Dioden nicht klar.
...und wenn ihr noch zwei weitere Transistoren spendiert, könnt ihr eine Brückenschaltung aufbauen und die Impulsleistung vervierfachen (theoretisch). Für die Ansteuerung könntet ihr (so ihr ihn programmieren könnt) auch einen Einchipper (oder sogar einen PC - aber grillt nicht die Schnittstelle!) nehmen.
Nur nochmal zum Verständnis , so wie auf dem Bild alles.jpg können wir das anschliessen , blos anstatt der 2 Transistoren ( NPN & PNP auf dem Bild ) packen wir dann eine Push Pull stufe dort rein ? Wo krieg ich denn sowas Fertig , also hab gerade mal bei Conrad geguckt , aber da find ich sowas net. Ich will ja quasi jetzt nur moch wissen wie ich das verbinden muss ,weil wir überhaupt keine Ahnung haben. Vielleicht könnte jmd. so nett sein und das alles.jpg nehmen und uns das mit paint eben einzeichnen , damit wir wissen was wir wie wo anschliessen müssen ? ?? Wären euch echt Dankbar 5V reichen um den LS kurz zu Bewegen , also der ausschlag reicht völlig
Push-Pull sind einfach nur ein NPN und ein PNP Transistor im Gegentakt. Damit kannste auf jeden Fall deine +-Spannung sinnvoll einsetzen und auch mehr Leistung treiben. Der 555 z.B. hat auch eine PP-Stufe drin, aber die können halt nicht sehr viel triben, je nachdem, was ihr an Lesitung braucht. 100W mit 5V...könnt ihr ja selber ausrechnen, was da an Strom fließen müsste...das ist wohl eher unwahrscheinlich, wenn nicht aus nem dicken Bleiakku oder ähnlichem.
Hi! wenn ihr unbedingt bei eurer blöden Schaltung bleiben wollt, dann BC327 weg, BC141 mit getauschtem C/E rein, in Reihe zu jeder Basis 1K und 8-10V Z-Diode(Spitze zum AMV) Müsste eigentlich gehen, bleibt aber von hinten bis vorne Mist Viel Erfolg, Uwe
Aber wo ihr schon bei mikrocontroller seid, wie siehts denn aus mit nem Mikrocontroller?
Man muss das Thema ja jedem hier mal schmackhaft machen...ein uC erfüllt einem (fast) alle Wünsche...der macht was man will, nicht wie bei ner Frau...
@nixchecker ja, blöde Schaltung, weil nur über Potentialverschiebung an die -5V ranzukommen ist und die Leistungsspannung kleiner als die Steuerspannung ist. schönen Abend noch, Uwe
ja ich weiß schon. aber das demotiviert die leute immer so...:)
Ihr braucht aber doch nicht zwingend die -5V um den Lautsprecher vorher zurückzuziehen?! Arbeitet doch mit einer Spannung! +5V reicht doch, könnt doch auch mehr nehmen. Auf die Dauer hilft nur Power!
Wenn es nur um den Basiswiderstand des BC141 und BC327 geht, dann rechnet erst mal aus, wie hoch der maximale Strom sein soll. Über die Stromverstärkung der Transistoren (Datenblatt) kann man dann den minimal benötigten Basisstrom berechnen. Und daraus kann man über die Spannung den Basiswiderstand bestimmen. Alles in allem sieht die Schaltung alles.jpg ganz okay aus. Also sie sollte funktionieren. Aber ich habe nicht nach den Grenzwerten der Bauteile gesehen. Lediglich von der Logik her müsste das klappen. Viele Grüße Sebihepp
Realität war schon immer hart und wo die Jugend mit verhatscheln hingekommen ist sieht man doch.:) Nachhilfe für Azubis, pü
>Alles in allem sieht die Schaltung alles.jpg ganz okay aus. Also sie >sollte funktionieren. nö, sebihepp, der NPN wird nie zumachen. ;)
Also ich muss mittlerweile auch mal feststellen, dass man jede Schaltung mittlerweile wesentlich einfacher und auch fast kostengünstiger mit nem uC aufbauen kann. Allein, weil einem ein uC eine Menge Fehler im Aufbau verzeiht, die man durch die Software ummogeln kann. Ich hab ja auch immer alles diskret aufgebaut früher, aber heutzutage...
huhu , na klar verfolgen wir die Sache noch ;-) . Wir haben blos das Problem das wir so wenig Zeit haben und wenn die Schaltung Fertig ist , dann müssen wir erstmal das ganze Drumherum noch bauen ! Brauch ich denn jetzt noch ne Freilaufdiode für den Woofer , damit das magnetfeld beim Abschalten net den Transistor sprengt ? Ich hab die schaltung jetzt mal auf dem Bild geändert , wäre das so jetzt funktionsfähig ?
Schon mal ganz herkömmlich probiert, so mit Einzelimpuls, Spule und Kondensator? Anregung im Anhang Axelr.
Bei gelegenheit werden wir das mit dem Puls nochmal testen. Aber so wie die Sache in alles2.jpg aufgebaut ist müsste die "blöde" Schaltung erst einmal funktionieren , oder ?
> müsste die "blöde" Schaltung erst einmal funktionieren , oder ? Nach wie vor: mit 5V "bläst" kein Subwoofer irgendwas irgendwohin... :-/ >> soll der Woofer mit einem Impuls Negativ nach hinten Fahren >> und im nächsten Moment positiv nach vorne ausschlagen >> und dann wieder in die Neutrallstellung gehen Wie willst du den Subwoofer wieder in die Neutralstellung bekommen? Mit den 2 Zuständen aus der Kippstufe gibt es nur 2 Stellungen des Subwoofers: vorne und hinten. Wenn du die Neutralstellung willst, dann muß da entweder noch ein Hochpass rein oder ein dritter Zustand her. Zudem: so wie die Schaltung derzeit gezeichnet ist, fackeln dir einfach nur die Transistoren ab... :-o Denn wenn der untere Transistor der Kippstufe leitet, dann sperrt der obere. Dadurch leiten beide Transistoren der Endstufe.
Nein, das funktioniert nicht. Die Ansteuerung für den "oberen" npn nochmal ansehen, bitte. Wie oder wann sperrt dieser? Wenn die Basis-Emitterspannung dann geklärt ist, den Basisstrom ansehen. Viel zu gering usw. hat euer Lautsprecher zwei Wicklungen?
Warum ein 100W Lautsprecher wenn ihr nur (bestenfalls) 5W reinjagt?
unser LS hat nur eine Spule ( kein Doppelschwinger ) . Ich meine ja das wir 2 zustände haben und neutralstellung wenn wir die Spannung abschalten. Was muss ich denn jetzt oben ändern damit die Sache funktioniert ? Wir wollen ja nicht das der Woofer volle kanne schwingt, ein kleiner ausschlag nach hinten und nach vorn wird uns reichen. Wir wollten blos das die schaltung heute läuft und haben gleich ca. 5 1/2 std. zeit die ganze sache zu realisieren. Also wüsst ich nur gern was ich noch ändern muss damit der schrott läuft und ggf. nen bisschen schwingt.
sorry ich hab mich voll vertan ! ! ! ! ICh wollt wissen ob die Schaltung in neu. jpg so läuft !!!!!!! ( so wie uwe das erklärt hat !!! )
Hallo, die Schaltfrequenz der Kippstufe ist sehr gering. Deshalb könnte man als "LS-Treiber" alternativ die Wechselkontakte eines geeigneten Relais nutzen. Oder ? viel Erfolg
huhu , wir haben jetzt die schaltung wie in neu.jpg aufgebaut , kann mir jetzt nur jmd. sagen , ob wir die auch so in betrieb nehmen können ?=
Marc Phono schrieb: > huhu , wir haben jetzt die *schaltung wie in neu.jpg* aufgebaut , kann mir > jetzt nur jmd. sagen , ob wir die auch so in betrieb nehmen können ?= würde ich nicht machen, da ein offensichtlicher Fehler im Schaltplan steckt. Das PNP-Symbol passt nicht zur NPN und Typ Beschreibung.
> wir haben jetzt die schaltung wie in neu.jpg aufgebaut Ich hätte erst mal Teile der Schaltung aufgebaut und jeden für sich getestet. Habt ihr z.B. einfach mal den Lautsprecher von Hand mit einem Schalter hin- und hergeschaltet, um zu sehen, ob die 5V überhaupt reichen? > ob wir die auch so in betrieb nehmen können ?= Klar könnt ihr das. Wie sollte euch jemand daran hindern :-o Aber es wird rauchen, wie bereits im Beitrag "Re: Hilfe wir wisse nicht mehr weiter" prognostiziert... Ich meine übrigens tendenziell eine gewisse Beratungsresistenz erkennen zu können... :-/
> probier so Wobei hier immer noch nicht definiert ist, welcher der beiden MV-Transistoren als erster leitet... Da sollte noch eine Vorzugsrichtung definiert werden. Und der Widerstand von 47 Ohm könnte für den oberen Zweig etwas zu niederohmig sein. Zudem würde ich da auf jeden Fall die beiden LEDs aus dem MV rauswerfen.
genau, daher schrieb ich, sie sollns probieren ;) Kann schon sein, das der Multivibrator nicht anschwingt, mit den 47 Ohm. kann man ja einen größeren "probieren". Viel Spaß Rudi
Also wir hatten das Netzteil und den MV schon Aufgebaut , uns fehlte quasi lediglich noch die ansteuerung an den Woofer. Wir haben heute einen BC 141 so wie in testheute.jpg angesteuert und der Woofer "tickt" auch erfolgreich. An der Basis vom Transistor liegen jetzt ca. 6 V an die vom MV kommen ( pulsieren ) , am C liegen die +5v und am E der Woofer , der dann auf 0V geht. Der Woofer tickt , aber bewegt sich leider nicht so viel wie wenn wir die +5V direkt kurz an den Woofer legen. Wird der Strom durch den Transistor irgendwie begrenzt oder geschwächt ? ? ? Auch wenn wir -5V am Emitter anschliessen ist der ausschlag zwar negativ , aber auch viel Schwächer , als wenn wir die 5V gegen 0 V direkt am Woofer anschliessen. Bei 5V (egal ob - o. + ) gegen 0V geht der Woofer richtig ein ganzes Stück nach vorne , o. nach hinten. mit BC 141 leider nicht mehr. Wir haben die Schaltung so wie in der Anlage heute aufgebaut. Allerdings haben wir nur einen BC 141 gehabt und haben den dann abwechselnd an +5v u -5v betrieben. Jetzt ist nur die Frage wieso die ausschläge vom Woofer so klein geworden sind. Eigentlich wollten wir morgen noch ein BC 141 kaufen und das dann so wie auf der jetztigen Anlage zu sehen ist aufbauen. Allerdings wenn das so wie von Rudi die Neu_ar.png besser ist , dann werden wir die morgen umsetzen. Wir hatten schon daran gedacht anstatt 79,- u. 7805 jetzt nen 10ner zu nehmen , damit die ausschläge wieder größer werden. Oder müsste das mit den BD´s besser funzen ? ? ?
> Wird der Strom durch den > Transistor irgendwie begrenzt oder geschwächt ? ? ? Der Transistor verstärkt den Strom mit seinem Stromverstärkungsfaktor. Normal liegt der beim BC141 bei ca. 100. Wenn du also einen Strom von 3mA in die Basis reinlässt (unterer MV-Transistor), dann kommen maximal 300mA raus. Aber, jetzt kommts: Diese Schaltung betreibt den oberen (den NPN) BC141 invers. Das geht schon, aber die Stromverstärkung ist sackmiserabel (ca. 10-20). Und damit ist klar, warum zumindest diese Richtung nicht funktionieren kann. > Wir hatten schon daran gedacht anstatt 79,- u. 7805 jetzt nen 10ner zu > nehmen , damit die ausschläge wieder größer werden. Wenn die Ausschläge bei direktem Anlegen an die 5V reichen, dann liegt das Problem woanders.
naja, schau 1, du willst einen Lautsprecher mit 100W betreiben, nimmst dafür aber einen Transistor der maximal 1A verträgt. Mit P = U * I = 5 V * 1 A = 5 W kommt man dann nicht ganz auf 100W. 2, machst du das mit einer Versorgungsspannung von +-5V, also 10Vpp an einem 8Ohm Lautsprecher Mit P = U² / R = 100 / 8 = 10W kommt man ebenfalls nicht ganz auf 100W. folgendes: bzgl 1,: brauchst du stärkere Transistoren die sauberer angesteuert werden (also flott, ohne Querschüsse, mit starken Treibern und gutem Ausschaltverhalten) bzgl 2,: Zwei Möglichkeiten: niedrige Spannung und Brückenschaltung oder höhere Spannung Was ich euch wg. des Zeitdrucks noch empfehlen würde: ein realistisches Ziel setzen. Vielleicht kriegt ihr irgendwo einen Audioverstärker her, den ihr dann nur mehr mit dem passenden Signal ansteuern müsst um einen Effekt zu erzielen. Oder ihr macht nur etwas mehr Leistung und mit einem einstellbaren Generator (Poti in den AMV oben) einen hüpfenden PingPong Ball oder sowas.
1.Bevor man 78er Spannungsregler einfach tauscht, sollte man sicher sein, daß vor den Spannungsreglern auch die Eingansspannung ca. 3V größer ist. Sonst haben die Regler nix zum Regeln. 2. P=U*I gilt auch für die über den Reglern verheizte Leistung/Kühlung. 3. P=U*I gilt auch für den Rest der Schaltung.
also die spannung vor den Stabis beträgt 15,2 V , da müssten wir doch auf 10 V aufstocken können, blos stimmt die Schaltung von RUDI dann net mehr , weil wir ja dann +/- 10 v haben. Der LS hat 100W und 4 Ohm , wäre einer mit weniger Watt vielleicht besser ?
Ich hab gerade gesehen das in der Schaltung von RUDI jetzt leistungtransistoren sind ( 10 A) , müsste da denn jetzt nicht mehr gehen als mit dem bc 141 ???
statt bd244/245 könnt ihr auch BDX54/53 nehmen, sind darlingtons -> höhere Stromverstärkung
o.k. , anstatt des BD243 setz ich dann den bdx53 ein und anstatt bd244 den bdx 54 , richtig ? Und dann müsste der ausschlag höher sein bzw. der Woofer mehr hub machen ? ? ?
Leistungstransistoren deswegen, weil die Stromverstärkung bei den relativ geringen Strömen, die bei +-5Volt zu erwarten waren, nicht so stark absinkt. Darlingtons haben eine höhere Sättigungsspannung - da bleibt "mehr drinn hängen". Die Spannungsregler kannste komplett weglassen, willlichmalmeinen ;) Die Schaltung ist allerdings auch nur hingemalt, ohne gros zu rechnen, denk ich mal. Beitrag "Re: Hilfe wir wisse nicht mehr weiter" nimm die, die geht bestimmt. den multivibratorteil habt ihr ja schon aufgebaut.
Wenn wir aber die Stabis weg lassen , dann stimmt die Versorgungsspannung für die Kippstufe doch nicht mehr , oder ? Mach mich jetzt auf den Weg nach Conrad und werd die Teile besorgen. Hoffen wir das es läuft , wir haben nur noch 2 Tage ( au mann ) . Ich stell nachher mal ein paar Fotos hier rein und schonmal 1.000.000 x Danke für eure Hilfe ! ! !
So , wir haben heute alles aufgebaut und die Schaltung läuft tlw. , allerdings schaltet der negative npn nicht durch . Haben den 47r gegen 150R ersetzt , leider immer noch kein durchschalten
> wir haben heute alles aufgebaut und die Schaltung läuft tlw.
Welche Schaltung?
Wir haben heute die Schaltung Neu-AR aufgebaut. Anstatt den BD haben wir die BDX 53 u. 54 verwendet. Am E liegen -5V an , werden aber an dem K nicht rausgegeben wenn an der Basis die Negative Spannung anliegt. Woran könnte das jetzt liegen ? Das Oskar zeigt am Ausgang die +5V an , aber beim Negativausschlag irgendwas verwurschteltes. Kann das sein das der Elko 10mü zu groß ist und zu wenig durch lässt oder den widerstand ändern , aber wie groß ? ? ? ?
Die Anschlüsse nochmals prüfen kann nicht schaden. siehe Datenblatt Basis außen (C ist auch am Gehäuse !) http://pdf1.alldatasheet.com/datasheet-pdf/view/2591/MOSPEC/BDX53.html
also anschlüsse sind alles richtig. Rudi hatte ja geschrieben das die 47R für den Negativen zweig ggf. net reichen , kann mir einer erklären wieso ? Vielleicht ist das ja das problem welches wir haben
Gibt es auch eine aktuelle Schaltung ? Wenn die sache so verdrahtet ist wie in der letzten bekannten Schaltung dann kann der Transistor im negativen Zweig nicht durchschalten. Kollektor vom NPN Transistor liegt an -5V so gibt das nichts.
So das ist jetzt die Aktuelle Schaltung. Ich hab jetzt mal die Anschlussnummern mit eingezeichnet ( 1 Basis , 2 Kollektor, 3 Emitter ) Ich hoffe wir haben das so jetzt richtig angeschlossen ? ?= ? Ob die Transistoren jetzt richtig eingezeichnet sind kann ich net sagen , aber die Anschlüsse 1,2u3 haben wir auf jedenfall so an die +/- 5V angeschlossen. Auf jedenfall haben wir die beiden Kollektoren der Transistoren zusammengelötet und an + vom LS gelötet Wie gesagt der Positive ausschlag ist Super , blos negativ tut sich nischt , auch net auf dem Oscar
Wie sieht denn die Spannung an den beiden Zenerdioden aus. Kannst du mal ein Bild vom Oscar machen ?
Leute, warum diskutiert ihr über Schaltungsdetails? Zuerst waren da als "End"-Trasistoren irgendwelche BC-Typen drin. Nun DB-Typen. Die völlig unsinnigen 5V-Spannungsregler, die keine andere Wirkung haben, als Leistung zu verbraten. Dazu der immer noch völlig überdimensionierte 100W-Lautpsrecher (zumindest überdimensioniert in Bezug auf die Schaltung). Wozu wollen die Leute eine "Mittelstellung"? Welchen Sinn soll das elektrotechnisch und vor allem physikalisch haben.? Die Kippstufe ist mit 47uF-Elkos bestückt. Es ist also anzunehmen, dass die Truppe mit einem einzigen Membranhub einen Effekt erreicht will. Ohne das jemals getestet zu haben, kann ich mir nicht vorstellen, dass der Effekt besonders beeindruckend sein wird (OK, ist ja auch nur ein Funktionsmodell ;-) Ich würde einen 24V-Trafo nehmen, den gleichrichten und ein wenig glätten, den Lautsprecher mit einem BD-Transisor ansteuern. Fertig. Entweder das funktioniert dann (physikalisch) oder eben nicht. Zur Not kann man den LS auch deutlich überlasten. Ich glaube dennoch nicht, das sich erwarteten Effekte einstellen. Der Sinn der "Mittelstellung" erschließt sich mir noch immer nicht. Dann doch lieber den doppelten Hub in eine Richtung machen. Ist doch egal, wenn der LS mechanisch überlastet wird. Bei den paar Impulsen.
So endlich funktiniert alles so wie wir es wollen. Der Ausschlag mit dem 5 V reicht völlig aus und seit dem wir den 47R gegen 500R in der Transistorschaltung getauscht haben , haben wir auch einen negativen Impuls am Ausgang. Wie das Projekt fertig aussieht werden wir euch noch zeigen , hier mal Fotos von den Stufen und dem Oscar.
oscar.png --> CH1 2.0KV :))) alles klar. schön, das es nun geht ;)
Wie sehen die Impulse aus, wenn ein Lautsprecher drann hängt? Sieht ja jetzt eher so aus, als ob ihr im Leerlauf gemessen habt, oder? Gruß Rudi
Ist im belasteten zustand gemessen worden. Was das Oscar da für nen schrott schreibt verstehen wir auch nicht , aber es funzt , 2V/Div = -5 & +5 V , so wie wir es haben wollten und der ausschlag reicht alle male
Marc Phono schrieb: > Was das Oscar da für nen schrott schreibt verstehen wir auch nicht , > aber es funzt , 2V/Div = -5 & +5 V , Du hast am Oszi im Channel-Menü einen 1000×-Tastkopf eingestellt, aber nur einen 1×-Tastkopf angeschlossen. Deswegen ist die angezeigte Spannung um den Faktor 1000 zu hoch.
>Die Verdrahtung des Netzteils :-))))))
Ja, geil. !Blank! Fiel mir gar nicht auf...
Alter Verwalter!
Aber die wern schon wissn, watse da wolln/machn.(sagte der Eisbär bei
Rene Marik auf seiner Scholle) Hauptsach die komm nich zu dicht bei.
Bitte melde dich an um einen Beitrag zu schreiben. Anmeldung ist kostenlos und dauert nur eine Minute.
Bestehender Account
Schon ein Account bei Google/GoogleMail? Keine Anmeldung erforderlich!
Mit Google-Account einloggen
Mit Google-Account einloggen
Noch kein Account? Hier anmelden.














