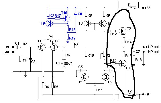
Hallo Leute Habe im Netz folgenden Verstärker gefunden: http://www.eleccircuit.com/basic-mosfet-amplifier-100w-with-2sk15302sj201/ Leider ist keine Versorgungsspannung angegeben. Welche Versorgungsspannung ist dafür geeignet? Kann ich die Ausgangsleistung steigern, wenn ich zu den (wie im Anhang makierten) 2 Mosfets (inklusive Widerstände) nochmals ein "Pärchen" dazuhänge? Für sinnvolle Anwtworten bedanke ich mich schon mal vorab.
Doch schau mal auf deine Seite wo du das Dinge her hast da steht was da.
Der hier ist (abgesehen von der Konstantstromquelle) ziemlich ähnlich: http://www.eleccircuit.com/power-amplifier-mosfet-hi-fi-300w-by-2sk1058-2sj162/ Und daraus würde ich schliessen: Versorgung ca. +-40V bis +-50V. BTW: Das würde mir zu denken geben: > Output power is +/- 100 Wrms Eine Leistung von -100W saugt dir im Nu die Lautsprecher leer ;-)
OK. Mein Fehler habe ich übersehen. Versorgung ist +-45 bis +-55V. Aber wie sieht es mit der Ausgangsleistung aus, lässt sich die mit einem zusätzlichen Pärchen steigern? Muss wirklich nur T7 und T8 gekühlt werden?
Fred Ram schrieb: > Aber wie sieht es mit der Ausgangsleistung aus, lässt sich die mit einem > zusätzlichen Pärchen steigern? Wenn Du dann an 2 Ohm Last arbeitest, das Netzteil es strommäßig kann, dann ja. C7/R16 muss eventuell dann etwas anders dimensioniert werden zur Schwingungsunterdrückung. Fred Ram schrieb: > Muss wirklich nur T7 und T8 gekühlt werden? T3-T6 würde ich auch mit einem Kühlkörper versehen.
> Aber wie sieht es mit der Ausgangsleistung aus, lässt sich die mit einem > zusätzlichen Pärchen steigern? Hast du schon mal auf den von mir im Beitrag "Re: Versorgungsspannung für Mosfet Verstärker" geposteten Link gecklickt? Dort wird genau das gemacht und eine Leistung von 300W herausgeholt.
> Für sinnvolle Anwtworten bedanke ich mich schon mal vorab. Mach dir keine Gedanken um den Verstärker. Die Schaltung taugt nichts. Es wird mit P2 ein thermisch unkompensierter Ruhestrom eingestellt. Die Schaltung enthält einige Stellen, die dazu neigen, nicht als Verstärker, sondern als Oszillator zu wirken. Diese "Basic" Schaltung macht keine Freude. Der hier ist sehr ähnlich, aber das nötige bischen besser (achte auf "thermal runaway"), ich dachte, die hätten ihre Schaltpläne öffentlich, find ich gerade nicht http://www.ampslab.com/hx100.htm Selbst der angehängte Elektro HEXFET war besser.
Die Schaltung habe ich mir ausgesucht, weil ich alle Bauteile bei RS bekomme. Die meisten im Netz gefundenen Schaltung nehmen Leistungstransistoren her, die entweder schwer, oder gar nicht zu bekommen sind :-(
Nee, RV1 ist derselbe Murks, zudem sind die 0.22 Ohm Widerstände zu klein. Der Schaltung fehlt zudem jegliche Absicherung, ein Kurzschluss am Ausgang weil eine Lautsprecherlitze die andere berührt und die Ausgangstransistoren sind kaputt.
>> Der Schaltung fehlt zudem jegliche Absicherung
Kann man doch die 67V beidseitig absichern, oder?
Nun, die beiden vorigen Schaltungen nutzen auch Feinsicherungen, um die MOSFETs bei Kurzschluss am Ausgang vor dem Abrauchen zu schützen. Natürlich ist so was Billigpfusch, ersten muss der MOSFET ein höheres Schmelzintegral als die Sicherung haben (in jedem der möglichen Betriebszustände), zum anderen muss man danach jedesmal die Kiste öffnen um die Sicherungen zu tauschen. Richtige kommerzielle Verstärker haben natürlich eine Strombegrenzung und SOA Schutz auf elektronische Art realisiert, die bei Entfernen des Kurzschlusses wieder von alleine den Betrieb aufnimmt. Aber dazu braucht man halt eine Handvoll zusätzliche Bauteile, und dann sind die Selberbauer wieder am jammern.
Liegt vielleicht auch daran, dass sich Strombegrenzung und hohe Ausgangsleistung beissen. Woher soll eine Strombegrenzung wissen, ob da jetzt viel Strom fließt, weil ein Kurzer am Ausgang ist oder weil gerade ein Leistungspeak kommt. Also geht eine einfache Strombegrenzung mit Transistor über Shunt, der die Gatespannung wegnimmt, immer auf Kosten der Leistungspeaks bzw. erhöht den Klirrfaktor. Richtig wäre ein Strombegrenzung, die I^2*t auswertet. Und das kann dummerweise eine Feinsicherung am einfachsten. Gegenvorschlag?
> Liegt vielleicht auch daran, dass sich Strombegrenzung und hohe > Ausgangsleistung beissen. Nein. > Woher soll eine Strombegrenzung wissen, ob da jetzt viel Strom > fließt, weil ein Kurzer am Ausgang ist oder weil gerade ein > Leistungspeak kommt. Weil bei einem Kurzen viel mehrbStrom fliesst, eben mehr als die Schaltung aushält. > Also geht eine einfache Strombegrenzung mit Transistor über Shunt, > der die Gatespannung wegnimmt, immer auf Kosten der Leistungspeaks > bzw. erhöht den Klirrfaktor. Niemand hat gesagt, daß die einfachsten Lösungen die Besten sind. > Richtig wäre ein Strombegrenzung, die I^2*t auswertet. Und das > kann dummerweise eine Feinsicherung am einfachsten. Gegenvorschlag? Richtig ist eine SOA Begrenzung. Der Eintransistor hält kurzzeitig mehr Strom aus als langfristig, und die Strombelastbarkeit hängt auch von der Spannung ab. Siehe SOA-Diagramm. Wenn die Schaltung eingreift, folgt der Ausgang nicht mehr exakt dem Eingangssignal. Das ist ähnlich als ob der Verstärker überlastet wird und es deswegen nicht mehr schafft, dem Eingangssignal zu folgen, und der Klirr steigt über die Datenblattangaben hinaus. Dann hat eine gute Überlastsicherung eine kleine Lampe die aufblitzt, um zu zeigen, daß der Verstärker überlastet ist. Bei Bühnentechnik üblich, bei Heimanlagen nicht. Ja, es erfordert mehr als eine Handvoll Bauelemente. Nachdem manche Zeitgenossen aber für 'audiophile' Verstärker Jahreseinkommen ausgeben, kann eine Handvoll Bauteile kein Hinderungsgrund sein.
>> Weil bei einem Kurzen viel mehrbStrom fliesst, eben mehr als die Schaltung
aushält.
Strom alleine ist m.E. nicht das einzige Kriterium. Die Schaltung kann
auch viel Strom für kurze Zeit (Peak) aushalten, dafür bei weniger Strom
für längere Zeit (Kurzer mit endlich kleinem Widerstand) aufgrund
thermischer Überlastung zerstört werden. Also nützt eine
Nur-Strombegrenzung schonmal nichts.
> Also nützt eine Nur-Strombegrenzung schonmal nichts.
Vielleicht hättest du einfach weiterlesen sollen,
bevor du dich bemüssigst siehst, was zu schreiben,
denn das stand da schon.
Aufmerksamkeitsdefizitsyndrom? Nach 2 Absätzen überfordert?
Ne, bißchen wenig Zeit bei dem schönen Wetter. Also Butter bei die Fische: Dass die geposteten Schaltungen nicht das Gelbe sind, wissen wir. Aber wie machst Du eine SOA-Begrenzung richtig? Ohne dass die Spitzenleistung in die Knie geht und der Klirrfaktor übermäßig ansteigt? Da haben selbst integrierte Lösungen Probleme, und die sollen es ja können. SOA hatte auch der A2030, aber da war bei 3A Schluss, egal ob Peak oder Dauerstrom. Und dann wär noch die Frage: Treib ich bei Homeeinsatz für den seltenen Fall, dass ich so blöd bin und die Lautsprecher im Betrieb anschließe, den Aufwand in die Höhe und verschlechtere mir noch das Übertragungsverhalten, oder optimiere ich auf Wiedergabe und nehm dafür in Kauf, mal die Sicherungen wechseln zu müssen. Homeeinsatz, PA für Touren ist was anderes, aber das wollen wir nicht.
> Aber wie machst Du eine SOA-Begrenzung richtig? Im Prinzip genau so, wie die begrenzenden Transistoren, nur mit einem OpAmp damit die Schaltschwelle genauer wird, und der Eingang wird statisch per Widerstand angekoppelt, ein Kondensator macht das dynamische Verhalten, und ein weiterer Widerstand macht das spannungsabhängig, dann hat man eine Kurve, die recht genau zur SOA-Kurve passt. > Treib ich bei Homeeinsatz für den seltenen > Fall, dass ich so blöd bin und die Lautsprecher im Betrieb anschließe, > den Aufwand in die Höhe und verschlechtere mir noch das > Übertragungsverhalten, oder optimiere ich auf Wiedergabe und nehm dafür > in Kauf, mal die Sicherungen wechseln zu müssen. Wenn die Sicherungen funktionieren würden. Meist ist aber doch der Transi schneller kaputt, die Sicherung verhindert nur ein Abfackeln. Ein Verstärker ohne Kurzschlusschutz ist unverkäuflich. Das geht nur als Hoobyistenschaltung durch.
Sven schrieb: > Ne, bißchen wenig Zeit bei dem schönen Wetter. Dann kauf dir einen Verstärker, die Zeit, die du da noch 'reinsteckst, bezahlt dir keiner. > Dass die geposteten Schaltungen nicht das Gelbe sind, wissen > wir. Das Gelbe gibt's auch nicht. > Aber wie machst Du eine SOA-Begrenzung richtig? Ohne dass die > Spitzenleistung in die Knie geht und der Klirrfaktor übermäßig ansteigt? Das kann ich mir auch nicht vorstellen. "Wasch mir den Pelz, aber mach mich nicht nass"?
Sven schrieb: > Aber wie machst Du eine SOA-Begrenzung richtig? Ohne dass die > Spitzenleistung in die Knie geht und der Klirrfaktor übermäßig ansteigt? Die Leistung muss sinken zum Schutz. Herunterregelung der Eingangsspannung wäre z.B. eine Möglichkeit ohne den Klirrfaktor zu erhöhen. Sven schrieb: > SOA hatte auch der A2030, aber da war bei 3A Schluss, egal ob > Peak oder Dauerstrom. Dann hast Du die Betriebsspannung unnötig zu hoch gewählt. Sven schrieb: > Treib ich bei Homeeinsatz für den seltenen > Fall, dass ich so blöd bin und die Lautsprecher im Betrieb anschließe, > den Aufwand in die Höhe und verschlechtere mir noch das > Übertragungsverhalten, oder optimiere ich auf Wiedergabe und nehm dafür > in Kauf, mal die Sicherungen wechseln zu müssen. Bei richtig dimensionierter Schutzschaltung hörst Du nichts davon im Normalbetrieb. Sicherungen funktionieren ansatzweise nur, wenn die Stromversorgung einen gewissen Innenwiderstand nicht unterschreitet. Das wiederum ist negativ für die dynamischen Eigenschaften des Verstärkers. Die Sicherungen in Verstärkern dienen der Verhinderung von Folgeschäden, nicht dem Schutze der Endstufentransistoren.
mhh schrieb: > Sven schrieb: >> SOA hatte auch der A2030, aber da war bei 3A Schluss, egal ob >> Peak oder Dauerstrom. > > Dann hast Du die Betriebsspannung unnötig zu hoch gewählt. Nein, nein, der 2030 - egal, ob "A" (DDR) oder "TDA" ("nichtsozialistisches Wirtschaftsgebiet") macht definitv bei 3,5 A (Peak) oder / und 20W Verlustleistung die Augen zu - bei welcher Temperatur, weiß ich nicht so genau, hab mir gerade mal wieder einen mit 2 * TDA23030 (in Brückenschaltung) zusammengelötet, mir am Kühlkörper zwar fast die Finger verbrannt, aber die angegebenen ~30W an 8 Ohm (Sinus) hat er schon ein paar Stunden durchgehalten. Nun rechne mal, welche Betriebsspannung dazu nötig ist - mein Netzteil liefert im Leerlauf +-17V, mehr als +-18V sind definitiv tödlich für den IC, aber ich baue doch für diese Stromfresser kein stabilisiertes Netzteil...
@ Fritz Buchner (fibu) Du hast mich falsch verstanden. Ich weiß, daß der 2030 das mühelos schafft. Meine Aussage bezog sich auf falsche Randbedingungen beim Sven, wenn er gerade mal 3 A damit erreicht hat.
mhh schrieb: > Du hast mich falsch verstanden. Ich weiß, daß der 2030 das mühelos > schafft. Meine Aussage bezog sich auf falsche Randbedingungen beim Sven, > wenn er gerade mal 3 A damit erreicht hat. Naja, was heißt "falsch" - welche Randbedingung ist denn da bei mir "falsch" - 30W an 8Ω sind nach Adam Ries (und Georg Simon Ohm ;) ) ja nicht mal schlappe 2A, dann kommt er in die Begrenzung - das siehste auf dem Oskar ganz deutlich. ;) Hab's ja auch mal mit 2Ω versucht - die beiden 4Ω - Speaker (Visaton W100S) in der Bassbox parallel statt in Reihe - aber da geht er noch viel eher in die Knie. Kurzschlussfest scheint das Ganze aber zu sein, und mehr als laut genug auf alle Fälle - also "Stresstests" mache ich mit ohmschen Lasten, und "life" - naja, da habe ich genug Übersteuerungsreserven, sehen wir's mal so. ;)
Fritz Buchner schrieb: > Naja, was heißt "falsch" - welche Randbedingung ist denn da bei mir > "falsch" - 30W an 8Ω sind nach Adam Ries (und Georg Simon Ohm ;) ) ja > nicht mal schlappe 2A, dann kommt er in die Begrenzung - das siehste auf > dem Oskar ganz deutlich. ;) Da ist doch nichts falsch. Die Begrenzung bei Dir liegt in der Betriebsspannung und nicht in der Strombegrenzung (wo Sven ja angeblich nicht über 3A kommt). Übrigens Deine schlappen 2A sind ca. 2,8A Spitzenstrom. Bei 6 Ohm Last wärst Du in etwa an der Grenze des Machbaren mit der Brückenschaltung mit 37 Watt Ausgangsleistung. Und wenn Du Dir die Finger verbrennst ist der Kühlkörper zu klein. :)
Man, ob 3 A oder 3,5 A ist doch buggy. Fakt ist, dass die SOA greift, egal ob Kurzer (der unverträglich) oder Leistungspeak (der kurzzeitig verträglich wäre). Also beschränkt die SOA die mögliche Ausgangsleistung. Optimal wäre eine Begrenzung auf I^2*t, die unter dem zulässigen I^2*t des Endstufentransistors liegt. Das macht aber meines Wissens keine der integrierten Lösungen, die schnüren halt einfach den Basisstrom ab. Dabei muss ich aber, um entsprechende Spitzenleistung zu bekommen, den Verstärker insgesamt stärker auslegen, mit entsprechend größerem Trafo, höherem Ruhestrom, mehr Kühlung.
>Man, ob 3 A oder 3,5 A ist doch buggy. Fakt ist, dass die SOA greift, >egal ob Kurzer (der unverträglich) oder Leistungspeak (der kurzzeitig >verträglich wäre). Also beschränkt die SOA die mögliche >Ausgangsleistung. Was glaubst Du denn, warum die SOA-Schaltung hier eingreift? Weil die Ausgangstransistoren nicht für mehr gemacht sind, bzw. eine gewisse Reserve noch vorhanden sein sollte. Der TDA2030 ist ja ohnehin nur als ein 14W-Verstärker deklariert. Da brauchste nicht mehr als 3A be 4Ohm.
mhh schrieb: > Und wenn Du Dir die Finger verbrennst ist der Kühlkörper zu klein. :) Wieso? ;) 1. Nur fast. ;) 2. Den muss ich ja nicht anfassen. ;) Aber jetzt ernsthaft: 3. Das war ein Sinus - Dauertest, sowas kommt im realen Betrieb nie vor. 4. Die thermische Schutzschaltung der ICs hat noch nicht reagiert.
> Also beschränkt die SOA die mögliche Ausgangsleistung.
Du hast nicht verstanden, was SOA heisst.
Safe operating area? Sicherer Arbeitsbereich? Im statischen Betrieb, oder bei Beaufschlagung mit nem Dauersinus gibt der IC bei ausreichender Kühlung nicht den Geist auf und behält seine Betriebsparameter (Klirrfaktor, Linearität). Ändert nix dran, dass eine Schaltung - vielleicht nicht grad der 2030 - kurzzeitig mehr Leistung bringen könnte, ohne Schaden zu nehmen, die SOA das aber abwürgt. Ich dachte nur, es gibt inzwischen clevere Methoden, sowas dynamisch abzufangen, anstatt halt den Ausgangsstrom einfach abzudrehen.
> die SOA das aber abwürgt.
Nein du ignoranter Dummbratz.
Immerhin hast du das Wort Safe operating area nachgeschlagen,
nur leider warst du bis heute zu faul und überheblich,
um mal in so ein Diagramm in einem Transistordatenblatt
reinzugucken.
Wissen muß man in dich wohl reinprügeln, von alleine bist du
lernresistent.
@MaWin: Ja, ich hab Dich auch lieb. Nehm ich mal den BD909/910 von ST Mirco, da ist für DC bei 30V ein Strom von 3A max angegeben. Also müsste ich die Schaltung auf eine Begrenzung bei unter 3A auslegen. Für 10ms kann der aber 4,5A, für 1ms über 10A. Das berücksichtigt eine blöde Basisstromableitung aber nicht. Ok, der BD909 ist jetzt nicht so die erste Wahl für nen Verstärker, aber Du siehst, worauf ich hinauswill? Bei aktuellen Mosfets wird das noch extremer, die können kurzzeitig einige zig Ampere. Also: Gesucht wird eine Schutzschaltung, die nicht I oder I(U) begrenzt, sondern I^2*t, meinetwegen mit Berücksichtigung von U, und damit besser an die dynamischen Werte der Transistoren angepasst werden kann.
Das vierte Mal, daß du ignorant wie ein Betonkopp bist. > Nehm ich mal den BD909/910 von ST Mirco, Gut. > da ist für DC bei 30V ein Strom von 3A max angegeben. Ja. > Also müsste ich die Schaltung auf eine Begrenzung bei unter 3A auslegen. Bei langandauerndem Strom. > Für 10ms kann der aber 4,5A, für 1ms über 10A. Ja. > Das berücksichtigt eine blöde Basisstromableitung aber nicht. Nur wenn du sie baust. Wenn ich sie baue, mit mehr Aufwand als dem simplen Transistor (obwohl man das dynamische Verhalten auch bei einem Transistor hinbekommt) stand dort schon am 23.04.2010 22:53 : > > Aber wie machst Du eine SOA-Begrenzung richtig? > Im Prinzip genau so, wie die begrenzenden Transistoren, > nur mit einem OpAmp damit die Schaltschwelle genauer wird, > und der Eingang wird statisch per Widerstand angekoppelt, > ein Kondensator macht das dynamische Verhalten, und ein > weiterer Widerstand macht das spannungsabhängig, dann hat > man eine Kurve, die recht genau zur SOA-Kurve passt. Das dynamische Verhalten des SOA safe operating area wird natürlich von einem SOA Schutz beachtet. Deswegen heisst der ja so. Sonst wäre es nur ein statischer Überstromschutz. Deswegen steht z.B. beim LM3875/3886: "dynamically protected Safe Operating Area (SOA)."
>> Gesucht wird eine Schutzschaltung
Kann ja sein, dass das so geheim ist, dass Du es nicht verraten darfst,
weil man Dir sonst die Tippfinger auf die Tastatur klebt. Ich habe aber
bisher keine diesbezügliche Schaltung für diskrete Verstärker gesehen.
Immer nur entweder Feinsicherung - böse, böse - oder eine simple
Strombegrenzung durch Ableiten des Basisstroms.
Nicht dass ich jetzt Verstärker bauen will, aber micht würds einfach mal
interessieren, wie man es richtig macht.
Phase Linear 700 und Crown DC300A werden in Ben Duncan's High perfomance audio power amplifiers for music performance and reproduction erwähnt, heute eben SPiKE von National.
Danke, sowas mein ich doch. Wobei Spike nun nichts ist, was man nachbauen kann. ;-) Bei den anderen dürfte weniger die Anzahl der Bauteile, als vielmehr eine gescheite Dimensionierung für den Hobbybastler das Aus bedeuten.
Soo Leute. Nach langer Recherche bin ich auf den angehängten Amp gestossen. Was haltet ihr davon?
Die Transen im Ausgang würde ich durch IRFP260N und IRFP264N ersetzen. Dann brauche ich statt je 4 Pärchen nur noch 2. Sehe ich das richtig?
Das sind halt so die üblichen Prinzipschaltungen. Gibt's auch von Andrew Holton. Die 0.33 Ohm Stromverteilungswiderstände sind viel zu klein, das funktioniert nur mit selektierten Transistoren (also 100 kaufen, die 4 gleichesten nehmen, für kommerzielle Hersteller einfach, die verbauen die 96 anderen Transistoren in anderen Verstärkern). Kein Boucherot-Glied am Ausgang, kein Hf-Einstreuungsschutz am Ausgang. Kein Überhitzungsschutz (Kühlkörper sind immer zu klein, aber kein Hobbybastler lässt seine Endstufe mal auf Volllast laufen bis sie heiss wird, misst und baut Schutzschaltungen (Thermowächter) ein, das passiert erst bei einer Party, dann rummst es), kein Lautsprecher-Schutz (Einschaltverzögerung, Anti-Plopp, Schutz der Lautsprecher vor Gleichspannung bei Defekt). http://www.audiocreativ.com/DE/pi1235621737.htm?categoryId=3 Damit sieht die Schaltung erst mal einfach aus, aber wenn man alles nachrüstet, wird sie genau so kompilziert, wie kommerzielle Verstärker. Warum dann nicht gleich einen bekannt Guten professionellen Verstärker nachbauen? http://www.audio-circuit.dk/
Bitte melde dich an um einen Beitrag zu schreiben. Anmeldung ist kostenlos und dauert nur eine Minute.
Bestehender Account
Schon ein Account bei Google/GoogleMail? Keine Anmeldung erforderlich!
Mit Google-Account einloggen
Mit Google-Account einloggen
Noch kein Account? Hier anmelden.








