Hallo zusammen, möchte mir eine Standard-7-Seg-Anzeige bauen da ich diese doch etwas häufiger benötige. Diese sollte nicht (viel) mehr Platz benötigen als die Anzeigen selbst (deswegen Doppelseitig). Wäre nett von euch wenn ihr mal drüberschauen könntet und mir sagen könntet was ich falsch bzw. schlecht gelöst habe und wo ich etwas verbessern kann. Bin mir eigentlich sicher, dass es da noch das ein oder andere gibt - wenn nicht wäre es natürlich auch schön ;) Schönen Tag noch Grüße Tobi
@ Tobias B. (Gast) > 7segsch.gif Zu klein, siehe Bildformate. >Wäre nett von euch wenn ihr mal drüberschauen könntet und mir sagen >könntet was ich falsch bzw. schlecht gelöst habe Deine Transistoren sehen komisch aus. Ist aber schlecht erkennbar. MFG Falk
Falk Brunner schrieb: > @ Tobias B. (Gast) > >> 7segsch.gif > > Zu klein, siehe Bildformate. Sry dachte umso kleiner umso besser - aber klar erkennbar sollte es bleiben... Größer siehe Anhang bzw. ich hoff mal ist direkt aus Eagle raus so wie im Artikel beschrieben.
Die Fläche auf der Unterseite (blau) ist unsinnig. Da werden ja nur 2 Bauteile und 2 Durchkontaktierungen versorgt. Mach besser auch auf die Unterseite eine Massefläche und verbinde die obere und die untere Masseflächen mit ca. 20 strategisch gut platzierten Durchkontaktierungen. Deine Versorgung bekommst du auch als Wire locker geroutet... Oder: wenn unten schon eine Vcc-Fläche ist, dann setze doch einfach neben jeden Transistor eine DK, dann mußt du oben nicht auch noch die Vcc verlegen.
Lothar Miller schrieb: > Oder: wenn unten schon eine Vcc-Fläche ist, dann setze doch einfach > neben jeden Transistor eine DK, dann mußt du oben nicht auch noch die > Vcc verlegen. Möchte möglichst wenig DK's verwenden da ich slbst Ätze, Bohre und da etwas faul bin.... wenn es allerdings technisch einen Vorteil hätte klar - sonst möglichst wenig Arbeit...
Michael M. schrieb: > R9-R12 sind überflüssig. CA einer 7seg-anzeige ist ein logikeingang. Logikeingang nein - überflüssig stimmt aber da ja nur gegen VCC geschaltet wird - hoppala (übrigens R9-R14 wenn dann...) danke!
Tobias B. schrieb: > Michael M. schrieb: >> R9-R12 sind überflüssig. CA einer 7seg-anzeige ist ein logikeingang. da fehlte ein k in kein.
Michael M. schrieb: > da fehlte ein k in kein. was so ein k alles ausmacht ;) danke jedenfalls ;) - r9-r14 entfernt sonst nix schkechtes dran? egal was für kleinigkeiten? wüsste gern alles was ich irgendwie besser machen könnte - is so ziemlich mein erstes layout... wenn alles gut wärs natürlih perfekt ;)
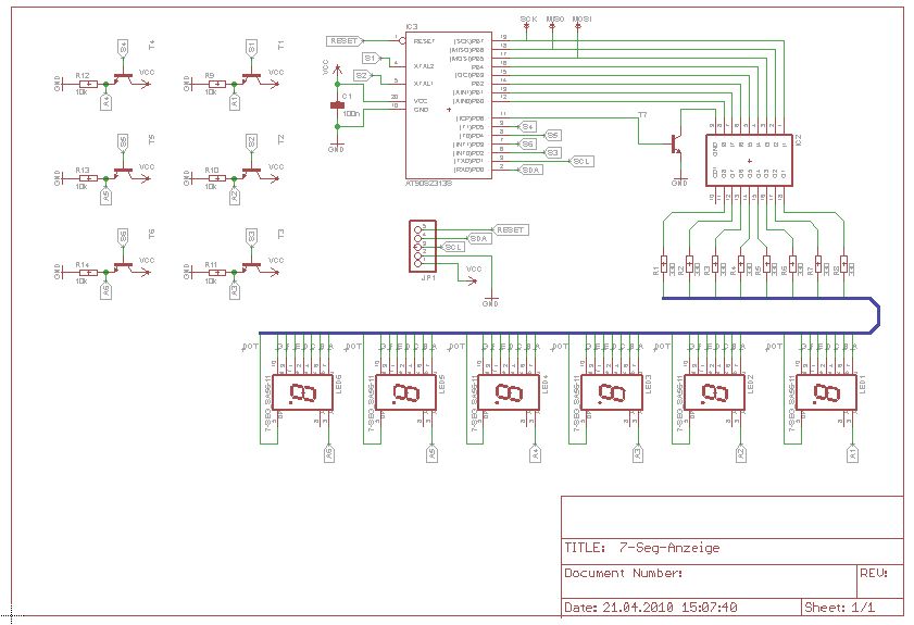
T7 ohne Basiswiderstand dürfte dem µC Probleme bereiten. Außerdem kann man das Anzeigeverhalten doch wohl gut über die Segment- und Strobe-Leitungen steuern, oder? Da ist T 7 überflüssig. Die 7-Segement-Bauteile sind falsch. Du hast gemeinsame Anode (SA)gewählt, brauchst aber gemeinsame Kathode (SC) wenn das mit den Strobe-Transistoren (ohne 10k) klappen soll. Ic2 sollte benannt sein damit man beurteilen kann ob der Chip stimmig in die Schaltung passt. An den Berührungspunkten der Leitungen SCK, MISO und MOSI fehlen Junction(Verknüpfungspunkte). T1-6 benötigen Basiswiderstände(10k). R1-R8 können vermutlich halb so groß sein. Ich würde den Schaltplan erst mal Fehlerfrei machen bevor es an das Layout geht.
T7 Maximalstrom etwa 150mA bei B~100 Basisstrom ~ 1,5mA -> Juckt die Ausgänge nicht -> Widerstände können eingespart werden - wurde zumindest irgendwo mal so gesagt und hat bei mir auch immer so Funktioniert. Anzeigeverhalten könnte man so Regeln - aber ich hatte eh noch den einen Port-Pin über ;) Zu den gemeinsamen Anoden: Versteh ich jetzt nicht ganz - Die gemeinsame Anode wird von den Transistoren gegen VCC (+ also Anode) geschaltet. Die Kathoden werden über den ULN nach GND gezogen - passt doch alles oder steh ich komplett aufm Schlauch? IC2 bezeichnung: Stimmt danke (ist ein ULN2803) Junctions: Danke - da war was... R1-R8: 330Ohm ergeben hier etwa 15mA - hm naja ok hast recht könnte ich bissle kleiner machen - danke >> Ich würde den Schaltplan erst mal Fehlerfrei machen bevor es >> an das Layout geht. Na die Aussage ist ja sehr freundlich - davon abgesehen, dass so wie ich das jetzt sehe eigentlich wenig Fehler drin sind (von werten abgesehen) - aber ich kann mich irren und bin für jede Kritik dankbar! Danke Tobi
Ups - OK sollten PNP sein - stimmt - R9-R14 sind schon weg - Aber Basisvorwiderstand ist wirklich nicht nötig (wie oben gesagt) die Anzeigen ziehen ja nicht die Welt... lasse mich aber gerne eines besseren belehren (nur weiß ich, dass es ohne gut Funktioniert da der Strom minimal ist) Danke Tobi
@ Tobias B. (Gast) >Ups - OK sollten PNP sein - stimmt - R9-R14 sind schon weg - Aber >Basisvorwiderstand ist wirklich nicht nötig (wie oben gesagt) die >Anzeigen ziehen ja nicht die Welt... Alles Unsinn. T7 Sowieso. GND von IC2 gehört direkt an GND. Punkt. Die Steuerung der Anzeige geht dann PROBLEMLOS. Eine Bezeichnung für IC2 wäre nicht schlecht, auch wenn "Insider" erkennen, dass es ein ULN2803 ist. An MISO, MOSI und SCK fehlen die Kreuzungspunkte, denn so hängen die nämlich in der Luft. Lass dich nicht irre machen, die Anzeigen mit gemeinsamer Anode sind richtig, denn die Transistoren arbeiten in Kollektorschaltung. Mal rechnen. Die Transistoren schlucken 0,7V, der ULN 1V, bleiben 3,3V. Wenn die Widerstände wenigstens 1V sehen sollen (=3mA PULSstrom), dürfen die Anzeigen max. 2,3V Flußspannung haben. Es kommen also nur rote oder grüne in Frage, siehe LED. Und bei 3mA Puls = 3/8= 0,4mA effektiv werden die SEHR dunkel sein. Mach da mal eher 33 Ohm draus. > lasse mich aber gerne eines >besseren belehren (nur weiß ich, dass es ohne gut Funktioniert da der >Strom minimal ist) Du weißt gar nichts. Denn wenn das der Fall wäre, würdest du nicht so einen Quark erzählen. Lies mal was zum Thema Transistor und Basiswiderstand. MFG Falk
>Na die Aussage ist ja sehr freundlich
Ne, das war sachlich gemeint, nicht persönlich.
Bisschen heftig wie Falk reagiert, aber gewöhnlich
haben die meisten Recht und reagieren manchmal
etwas genervt. Muss ja nicht sein.
Stell einfach den aktuellen Schaltplan ein, damit
man sehen kann was du gewillt bist, zu akzeptieren.
Die Transistoren sollten so gezeichnet werden wie üblich
(also gedreht, GND unten, VCC oben, etc.) sonst sind Irrtümer
wie bei mir, eher wahrscheinlich.
>Alles Unsinn. T7 Sowieso. GND von IC2 gehört direkt an GND. Punkt. Die >Steuerung der Anzeige geht dann PROBLEMLOS. Eine Bezeichnung für IC2 >wäre nicht schlecht, auch wenn "Insider" erkennen, dass es ein ULN2803 >ist. Ja ich hab die Bezeichnung vergessen passt. Und wie ich die PWM der Anzeige mach ist doch im Prinzip mal vollkommen egal. Ja OK es ist absolut kein Problem jede Einzeln zu schalten - aber warum nicht so machen - spricht etwas dagegen? also etwas wirklich technisch schlechtes? Wenn ja bitte mit begrüundung ausser "Punkt" und warum die Anzeige im anderen Fall nicht "Problemlos" gehen soll! OK stimmt Werte der Vorwiderstände sind viel zu groß - nicht bedacht - danke! Naja zu den Basiswiderständen lass ich mich einfach überzeugen auch wenn ichs zu oft ohne gesehen habe - aber richtig ist es ja... Und so ganz nebenbei - auch wenn ich wirklich keine Probleme mit jeglicher Kritik habe (ich hoffe ja schließlich auf diese) aber warum ist euer Ton hier grad so "freundlich" ... naja egal - trotzdem allen vielen dank - der Schaltplan (hauptsächlich die Werte) scheint schlecht gewesen zu sein - zu wenig nachgedacht - aber am Layout hat mal keiner gemeckert - stimmt wenigstens an diesem alles soweit? oder is das genauso grotten schlecht? Danke für eure Antworten und Bemühungen
> aber am Layout hat mal keiner gemeckert
weil erst mal der schaltplan stimmen muss...
stell doch mal rein, wie er jetzt ausschaut.
>Wenn ja bitte mit begrüundung ausser "Punkt" und warum die >Anzeige im anderen Fall nicht "Problemlos" gehen soll! Wenn Du etwas mehr Erfahrung mit Elektronik hättest, wüßtest Du, warum man Sachen nicht so kompliziert wie nur irgend möglich macht, sondern genau andersrum. Elektronik will in Betrieb genommen werden. Dazu gehört Fehlersuche. Dein doppeltes Zeitmultiplexing macht eine Inbetriebnahme nicht einfach. Wenn da nix leuchtet, Du keine Erfahrung mit Programmierung und kein Mehrkanaloszi hast, wirst Du das nicht zum Laufen bekommen. Doppeltes Multiplexen ist vom logischen Standpunkt her Unsinn. Glaub mal dem Falk, so rauh sein Ton, so robust seine Schaltungen. Gewöhn Dich an den Ton hier, keiner meint es böse, alle hier wollen Dir helfen, gratis, uneigennützig, die Einwände kommen alle nicht von ungefähr. Und Rechtschreibung ! Bittäh...
@ Tobias B. (Gast) >Ja ich hab die Bezeichnung vergessen passt. Und wie ich die PWM der >Anzeige mach ist doch im Prinzip mal vollkommen egal. Nö. > Ja OK es ist absolut kein Problem jede Einzeln zu schalten > - aber warum nicht so machen - spricht etwas dagegen? U.A., dass dein Pin PD6 keine PWM per Hardware ausgeben kann ;-) Wenn, dann musst du PD5 nehmen, OC0B. > also etwas wirklich technisch schlechtes? Wenn ja bitte mit begrüundung >ausser "Punkt" Es geht prinzipiell, wenn man einige angesprochene Dinge korrigiert. Aber wie schon gesagt, es geht auch einfacher. >Naja zu den Basiswiderständen lass ich mich einfach überzeugen auch wenn >ichs zu oft ohne gesehen habe Aber nicht verstanden. >gemeckert - stimmt wenigstens an diesem alles soweit? oder is das >genauso grotten schlecht? Sieht brauchbar aus. MFG Falk
>ISP Fehlt, oder wie willst du den µC Programmieren ??? Schau mal im Schaltplan rechts neben dem Controller die oberen drei Pins und die drei Leitungen wo die Junctions fehlen. >Elektronik will in Betrieb genommen werden. Quatsch, die Elektronik hat keinen eigenen Willen, woher auch.
deine aussage auch verstanden sein. dein einwand gälte auch hier. allerdings handelt es sich bei diesem beispiel ebenso um diese redewendung im deutschen. schlags nach.
Auf Redewendungen sollten wir hier verzichten weil das nur zu Missverständnissen führt.
So Schaltplan geändert. An Falk: OK das mit dem PWM auf einem nicht PWM-Ausgang ist draußen. Hab es dann doch noch eingesehen! Danke! Basisvorwiderstände sind hoffe ich mit 1k in Ordnung. Es sollten mit den 33Ohm Widerständen vor den 7-Seg-Kathoden jetzt gepulst etwa 30mA fließen (Effektiv jetzt also 1/6 -> 5mA) - diese Rechnung soweit in etwa richtig? Zu der Rechtschreibung: Stimmt ich habe am PC wirklich nicht immer die perfekte Ausdrucksweise - aber sie ist doch nun wirklich annehmbar (bis auf manche kleinen Ausrutscher - die der Finder gerne behalten darf!) Danke Tobi
Warum ist T4 denn ein PNP, wo der Rest(T1,2,3,5,6) NPN sind? Oder müssen die alle PNP sein? Wäre für mich plausibler. Für T1+2 (S1+2)holste dir Signale von Xtal1+2 ? Da würde ich lieber PD0+1 nehmen. Laut Datenblatt (überflogen) sind die nur für den Quarz. Eine Port-Doppelbelegung scheint nicht vorgesehen. Wenn der JP1 für die Programmierschnittstelle und Versorgung genutzt wird, müssten da nicht auch SCK, Miso und Mosi mit angeschlossen werden? Paar mehr Pins sind dann schon nötig. (Das hatte "nicht Gast" wohl gemeint). Für die Reset-Leitung würde ich noch einen Pullup 10k spendieren damit der Eingang nicht offen ist. Für einen automatischen Reset würde ein 100nF zusätzlich nach Masse reichen. Bis das alles fehlerfrei ist, wirds wohl noch einiger Anstrengungen bedürfen. Lief die Schaltung eigentlich schon mal auf dem Steckbrett? Irren ist menschlich, daher vorbehalten.
@ Tobias B. (Gast) >Basisvorwiderstände sind hoffe ich mit 1k in Ordnung. Nöö, die sind hier vollkommen falsch. Die Transistoren arbeiten Kollektroschaltung, dort gibt es zu 99% keinen Basiswiderstand. Den gibt es vor allem in der Emitterschaltung. T4 muss auch ein NPN sein. Und ne Bezeichnung für die Transistoren wäre auch nicht falsch. >Es sollten mit den 33Ohm Widerständen vor den 7-Seg-Kathoden jetzt >gepulst etwa 30mA fließen (Effektiv jetzt also 1/6 -> 5mA) - diese >Rechnung soweit in etwa richtig? Passt. MfG Falk
>"will in Betrieb genomen werden" Das war ein Anspielung darauf, das Elektronik manchmal eine Art Eigenleben entwickelt, wenn sie sich nicht ganz so verhält wie vom Entwickler gedacht. >Auf Redewendungen sollten wir hier verzichten weil das nur >zu Missverständnissen führt. Sprache ist nun mal nicht exakt und auf wohlwollendes Verstehen-WOLLEN des Empfängers angewiesen. Wie heißt es so schön: Der Empfänger macht die Botschaft. Trotzdem hast Du recht -scotty-, meine unexakte Ausdrucksweise wurde mir schon öfters hier vorgeworfen. >Zu der Rechtschreibung: Stimmt ich habe am PC wirklich nicht immer die >perfekte Ausdrucksweise - aber sie ist doch nun wirklich annehmbar (bis >auf manche kleinen Ausrutscher - die der Finder gerne behalten darf!) Es geht nicht um gelegentliche Tippfehler, sondern um schnell mal was schludrig hingetippt was schlecht lesbar - da verlieren hier manche die Lust zu Helfen, manchmal zumindest.
>Wie heißt es so schön: Der Empfänger macht die Botschaft. Hab ich noch nie gehört.(Will nichts heißen). >Es geht nicht um gelegentliche Tippfehler, sondern um schnell mal was >schludrig hingetippt was schlecht lesbar Tippfehler kann man mit einem Wörterbuch im Browser abfangen. > - da verlieren hier manche die Lust zu Helfen, manchmal zumindest. Das nennt man dann wohl Sprachkultur. Da muss man sich wohl notgedrungen anpassen, aber man kann ja mitwirken. Wäre allerdings vorteilhafter sich deswegen nicht zu rechtfertigen sondern weiter am Threadthema zu bleiben, sonst versumpft der Thread mit einem fremden Inhalt nur wieder. Mal sehen ob der TS noch weiter macht.
Es ging nicht um deine Tippfehler, sondern um einen Beitrag des TO.. Jetzt warten wir mal auf den Schaltplan und das Board, um dann letzteres zu zerpflücken ;-)
Oh das Bild ist dann wohl etwas zu früh entstanden (früh morgens) der PNP ist schon lang wieder ein NPN. Wieso machen jetzt auf einmal die Basiswiderstände keinen Sinn mehr? Ich wurde doch die ganze Zeit zur Sau gemacht, dass da welche hinmüssen - was ich nicht akzeptieren wollte - oder war da nur der jetzt Entfernte Transistor für den GND vom ULN2803 gemeint. Also Basisvorwiderstände an T1-T6 wieder weg? Hatte ich das doch richtig? Alle Transistoren sind als NPN so richtig - stimmt das?? XTAL-Anschlüsse lassen sich als Port's verwenden - zumindest wenn ich das Datenblatt richtig verstehe. Reset gehört eigentlich mit 10k und 100n - aber der Reset wird später eh nur Extern ausgelöst.
@ Tobias B. (Gast) >was ich nicht akzeptieren wollte - oder war da nur der jetzt Entfernte >Transistor für den GND vom ULN2803 gemeint. Ja. >Also Basisvorwiderstände an T1-T6 wieder weg? Ja. >Alle Transistoren sind als NPN so richtig - stimmt das?? Ja. MfG Falk
Hallo Leute, Die Anzeigen haben eine gemeinsame Anode. Dafür verwendet man zur Versorgung immer PNP-Transistoren. Die Basiswiderstände müssen natürlich rein, 1k wäre in Ordnung. Ich würde von Vcc zu jeder Basis noch einen 10k-Widerstand reinbauen. Begründung: Man möchte natürlich die maximale Spannung an den Anoden der Anzeigen haben. Steuert man einen NPN-Transistor wie angegeben an und hängt die Anoden auf den Emitter, dann beträgt die maximale Anodenspannung Uaus - Ube! Verwendet man richtigerweise PNP-Transistoren, dann beträgt die Anodenspannung UCEsat, ist also nicht mehr von der Aussgangsspannung des uC abhängig. Die Geschichte von Falk mit der Kollektor- und Emitterschaltung ist nur im Kleinsignalbetrieb relevant. Hier wird im Großsignalbetrieb bzw. Schaltbetrieb gearbeitet und der Transistor in die Sättigung angesteuert. Der von mir vorgeschlagene 10k-Widerstand hat die Funktion, das Basispotenzial bei nicht angesteuertem Transistor noch ein wenig gegen Vcc zu ziehen, damit der Transistor auch bei geringfügig verminderter Ausgangsspannung des uC noch sicher sperrt.
Noch ein kurzer Hinweis: die Transistoren sind bei Low-Signal an den uC-Ausgängen dann angesteuert. Also Vorsicht. Passiert zwar nichts, so lange die Kathoden nicht angesteuert werden. Ich wollte es nur anmerken.
Falk ist heute wieder mal unheimlich geschwätzig. >Wieso machen jetzt auf einmal die Basiswiderstände keinen Sinn mehr? Ich >wurde doch die ganze Zeit zur Sau gemacht, dass da welche hinmüssen - >was ich nicht akzeptieren wollte - oder war da nur der jetzt Entfernte >Transistor für den GND vom ULN2803 gemeint. Überlese das Persönliche und hat dich an das Technische. Lies, was Falk zuletzt geschrieben hat, über Kollektor-/Emitterschaltung. Ich würde sagen, alle Transistoren. Über die Grundschaltungen kannste ja auch andere Informationsquellen zu Rate ziehen, wie z.B.das Elektronikforum o.a. >Also Basisvorwiderstände an T1-T6 wieder weg? Hatte ich das doch >richtig? Bei einer Kollektorschaltung wie bei dir KÖNNTEN die weg (Lies Falks Beitrag). Allerdings würde ich keine Kollektorschaltung, sondern die Emitterschaltung mit PNP nehmen. Soll jeder so machen wie er meint das es richtig ist. Das Warum kann ich leider nicht so gut erklären. Bei der Drehzahlmesserschaltung in der Artikelsammlung ist das auch so aber die Dokumentation scheint mit Fehlerhaft/Unvollständig und deshalb verlinke ich die hier nicht. Ohne Basiswiderstand muss der Controller ganz schön schwitzen weil UBE nur 0,7Volt sind, wenn ich mich nicht irre und da muss der Port das auch voll an Leistung abgeben so ohne Strombegrenzung durch einen Widerstand. Die Kollektorschaltung wendet man meiner Meinung nach meist nur in Netzteilen und Audioverstärkerstufen an. >Alle Transistoren sind als NPN so richtig - stimmt das?? Weißt du jetzt nicht den Unterschied? Dann schau im Wiki nach. Es kommt eben auf die Verschaltung und den Transistortyp an um den gewünschten Effekt zu bekommen. XTAL-Anschlüsse lassen sich als Port's verwenden - zumindest wenn ich das Datenblatt richtig verstehe. Dann poste das Datenblatt doch mal. Ich hab da nichts gelesen. >Reset gehört eigentlich mit 10k und 100n... Was ich auch so geschrieben hatte. Deine Antworten lassen mich vermuten das die Schaltung noch gar nicht lief, prost Malzeit. Dann wirds wohl noch einige Re-Designs geben, oder?
Tobias B. schrieb: > Wieso machen jetzt auf einmal die Basiswiderstände keinen Sinn mehr? Ich weil du eine ganz andere transistorschaltung gebaut hast. einmal emitterschaltung - hier brauchst du vorwiderstände an den basen. einmal kollektorschaltung oder auch emitterfolger genannt. hier brauchst du keine. vorteil von nr. 1: praktisch kein spannungsabfall über die transitoren im gegensatz zu UNGEFÄHR 0,6V. vorteil von nr. 2: schneller (hier egal), weniger bauteile. Mike Hammer schrieb: > Für T1+2 (S1+2)holste dir Signale von Xtal1+2 ? > Da würde ich lieber PD0+1 nehmen. > Laut Datenblatt (überflogen) sind die nur für den Quarz. > Eine Port-Doppelbelegung scheint nicht vorgesehen. faaalsch. > Wenn der JP1 für die Programmierschnittstelle und Versorgung wird er offensichtlich nicht. High Performer schrieb: > Die Anzeigen haben eine gemeinsame Anode. Dafür verwendet man zur > Versorgung immer PNP-Transistoren. Die Basiswiderstände müssen sprich NIE in solche absolitäten =) > Begründung: > Verwendet man richtigerweise PNP-Transistoren, dann beträgt die > Anodenspannung UCEsat, ist also nicht mehr von der Aussgangsspannung > des uC abhängig. Die Geschichte von Falk mit der Kollektor- und nein. der schwankende faktor ist hier nicht die ausgangsspannung des controllers, sondern die temp-abhängigkeit der BE-spannung. aber auch die schwankung ist zweistelligen mV bereich zu finden, wenn man die schaltung nicht in den backofen steckt. > Emitterschaltung ist nur im Kleinsignalbetrieb relevant. Hier wird im naja, das ist jetzt schlichtweg falsch. > Der von mir vorgeschlagene 10k-Widerstand hat die Funktion, das > Basispotenzial bei nicht angesteuertem Transistor noch ein wenig gegen > Vcc zu ziehen, damit der Transistor auch bei geringfügig verminderter > Ausgangsspannung des uC noch sicher sperrt. überflüssig. es muss ja auch erst mal die BE-spannung überschritten werden und so weit fallt der atmel bei so einem strom nicht runter.
>nein. doch! ;-) >der schwankende faktor ist hier nicht die ausgangsspannung des >controllers, sondern die temp-abhängigkeit der BE-spannung. >aber auch die schwankung ist zweistelligen mV bereich zu finden, wenn >man die schaltung nicht in den backofen steckt. Uaus: Ausgangsspannung des uC UBE: Spannungsfall an der Basis-Emitter-Strecke UL: Lastspannung Uaus - UBE - UL = 0 (Maschenregel) UL = Uaus - UBE Der Spannungsfall am Basis(vor)widerstand ist nicht berücksichtigt.
>überflüssig. es muss ja auch erst mal die BE-spannung überschritten >werden und so weit fallt der atmel bei so einem strom nicht runter. Bei einem PNP-Typ ist das Bezugspotenzial von UBE Vcc und nicht Gnd (in der von mir vorgeschlagenen Beschaltung)
High Performer schrieb: > Uaus - UBE - UL = 0 (Maschenregel) habe ich doch nie angezweifelt?? die ausgansspannung des controller ist hier aber nicht nennenswert belastet. der schwankende faktor ist und bleibt die BE-spannung > Bei einem PNP-Typ ist das Bezugspotenzial von UBE Vcc und nicht Gnd (in > der von mir vorgeschlagenen Beschaltung) auch das hab ich nie bestritten. aber du hast scheinbar den text des vorigen post nicht verstanden.
Transistorschaltung (auch wenn sie Nachteile hat - was ich jetzt endlich auch Begriffen habe, da ich mir nochmal in aller Ruhe Grundlegendes zum Transistor durchgelesen habe) bleibt so, da ich wenig Platz habe und lieber Bauteile spare. Die Funktion ist trotzdem gegeben. Zu den Portpins: Im Datenblatt http://www.atmel.com/dyn/resources/prod_documents/DOC2543.PDF auf Seite 1. : • I/O and Packages – 18 Programmable I/O Lines <<<--- – 20-pin PDIP, 20-pin SOIC, 20-pad QFN/MLF 18 I/O-Pins bei einem 20-Beiner. Sollte doch gehen oder versteh ich das Falsch?
Tobias B. schrieb: > Transistorschaltung (auch wenn sie Nachteile hat - was ich jetzt endlich bei deiner anwendung im grunde egal, ob du 1 oder 2 nimmst. hauptsache keine mischform aus beiden =) > auch Begriffen habe, da ich mir nochmal in aller Ruhe Grundlegendes zum > Transistor durchgelesen habe) bleibt so, da ich wenig Platz habe und freut mich. > lieber Bauteile spare. Die Funktion ist trotzdem gegeben. hier die richtige entscheidung. > 18 I/O-Pins bei einem 20-Beiner. Sollte doch gehen oder versteh ich das > Falsch? geht. nachdem deine probleme damit gelöst sind und mir meine zeit zu schade ist, den anderen besserwisserischen kleingeistern auf die sprünge zu helfen, bin ich raus.
@ Tobias B. > 18 I/O-Pins bei einem 20-Beiner. Sollte doch gehen oder versteh ich das > Falsch? >geht. Na, etwas stimmt da noch nicht: http://www.atmel.com/dyn/resources/prod_documents/... Dein Link verweist auf den ATTINY2313 und nicht auf den AT90S2313S wie im Schaltplan dokumentiert. Der ATTiny hat die Möglichkeit die Xtal-Pins als Ports zu benutzen, der AT90S... hat diese Möglichkeit scheinbar nicht. Dein Schaltplan ist also noch nicht stimmig. Ich würde das ganze erst mal auf einem Steckbrett zum Laufen bringen.
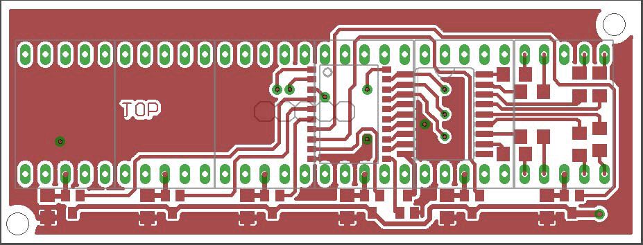
Jetzt komme ich endlich drauf, warum hier Probleme gesehen werden. Im Schaltplan ist wirklich ein AT902313 - auf der Schaltung ist es später der Pinkompatible ATTiny2313 - dieser kann XTAL als Portpin nutzen. Warum ich trotzdem den AT902313 drinnen habe ist mir gerade wieder aufgefallen - weil es den Tiny2313 in Eagle nicht gibt in den Normalen Libs und ich zu faul war einen zu erstellen - dies sollte ich aber noch machen. Die Schaltung habe ich heute so wie sie jetzt ist mal Fliegend getestet. Funktioniert ohne Probleme! Danke an alle (auch wenn es einige Missverständnisse usw. gab) Im Anhang ist nochmal das aktuelle Layout - hoffe jemand hat noch die Geduld über dieses drüber zu schauen - wäre nett! Grüße Tobi
Gut! (Trotzdem kommen sich Schraubenköpfe und Leiterbahnen ganz schön nahe, aber es gibt ja Kunststoffschrauben).
Wundert mich, das sich noch keiner dran stört, dass die IC's unter den 7-Segment-Anzeigen hocken(ist übrigens so gewollt).
Machste IC-Fassungen oder Kontaktstreifen mit gedrehten Kontakten für die 7-Segment-Anzeigen und platzmäßig wird sich niemand dran stören. Wenn du allerdings mal was am IC messen musst, biste natürlich gekniffen.
Hab ich genau so vor. Dann kann ich die Anzeigen auch tauschen falls diese Kaputt gehen sollten. Nunja - wenn ich irgendwann zum Ätzen komm bzw. mein Laminator wieder Fit bekomme stell ich Bilder von der fertigen Platine. Danke an eure Geduld mit mir und eure Hilfe. Grüße
Bitte melde dich an um einen Beitrag zu schreiben. Anmeldung ist kostenlos und dauert nur eine Minute.
Bestehender Account
Schon ein Account bei Google/GoogleMail? Keine Anmeldung erforderlich!
Mit Google-Account einloggen
Mit Google-Account einloggen
Noch kein Account? Hier anmelden.









