Hallo, habe ein größeres Problem mit einem Inkrementalgeber. Ich benutze einen Hohner HW103 S-2551R126-1000. Datenblatt ist angehängt. Dieser gibt 1000 Impulse pro Umdrehung heraus. Ich benötige eine Schaltung, die an 4 Ausgängen das A-Signal galvanisch getrennt gleichzeitig ausgibt, einen Ausgang der A,B,A- und B- zusammenzählt (es müßten dann also 4000 Impulse pro Umdrehung herauskommen) und ausgibt und einen Ausgang mit dem ich dieses am Pc in eine Datenbank schreiben kann. (dafür reicht das a Signal) Wie könnte mann diese realisieren? Vielleicht kann mir jemand helfen?! Danke, Gisbert
Die Drehrichtung ist dir also offenbar egal, wenn nur das A-Signal ausgegeben werden soll? Was ist die maximale Drehzahl? Wie sollen die Daten in die DB kommen? Z.B. immer die Impulszahl während der letzten Sekunde, die gesamte Impulszahl bisher, mit nem Zeitstempel dazu Ein Ansatz für die Impulsvervierfachung wäre, auf A und B jeweils steigende und fallende Flanken zu zählen. Also mit µC oder FPGA entsprechend schnell abtasten, entprellen und zählen.
Der Drehgeber wird sich maximal 100 x pro/min drehen. Aber nicht gleichbleibend, da er an einem Auto befestigt wird. In die Datenbank müßten einfach alle Impulse die an A rauskommen. Über einen Zeitstempel könnte man nachdenken. Hm, wenn er rückwärts dreht, soll am besten garnichts ausgegeben werden. Aber du hast recht ich habe mich vertan, an den 4 Ausgängen müßten A und B Signal getrennt voneinander ausgegeben werden.
Ja, warum nicht. Ist auf das Hinterrad eines Sprinters aufgeflanscht.
Welchen FPGA könnte ich nehmen? Hab zwar noch keine Erfahrung damit, möchte aber gern mal was neues probieren!
Also ein FPGA ist hier wirklich overkill... du kannst einfach die Signale auf einen Treiber geben und dann einen Optokoppler dahinter schon hast du deine "Galvanisch getrenntes" A Signal. Für den Rest kannst du dann einfach einen kleine uC nehmen der dann die Signale an den PC weiterleitet. Was soll das überhaupt werden eine KM Abhängige Mietgebührerfassung? ;)
Ich möchte an die 4 Ausgänge, 4 Kameras dranhängen, die bei jedem Takt ein Bild aufnehmen (also alle Kameras zur gleichen Zeit ein Bild), und der Pc soll diese Signale mitloggen. Hatte mich allerdings ganz oben vertan, ich brauche dafür das A und B Signal. Und einen 5ten Ausgang der halt pro Umdrehung 4000 Impulse anstatt 1000 Impulse rausgibt.
@ Gisbert G. (gisbert_g) >vertan, ich brauche dafür das A und B Signal. Und einen 5ten Ausgang der >halt pro Umdrehung 4000 Impulse anstatt 1000 Impulse rausgibt. Das alles macht man problemlos mit solider Auswertung eines Drehgebers. Ein kleiner 8-Bit Mikrocontroller schafft das locker. Wenn du nicht programmieren willst, nimm ein paar TTL-ICs. Steht alles im Artikel. MFG Falk
Bin schon seit 10 Jahren raus aus der Materie, aber jetzt packt mich der Ergeiz mal wieder etwas in Richtung Elektronik zu tun. Vielleicht habt ihr ein paar Tips welche Ic's ich benutzen kann?! Zusammenzählen könnte ich wohl mit einem nand Baustein, denke ich zumindest. Das signal was aus dem Drehgeber herauskommt, einfach über 4 Optokoppler an die 4 Ausgaänge verteilen. Das was in den Pc hinein soll, keine Ahnung...
@ Gisbert G. (gisbert_g) >Ergeiz mal wieder etwas in Richtung Elektronik zu tun. Vielleicht habt >ihr ein paar Tips welche Ic's ich benutzen kann?! Dazu musst du schon den Artikel Drehgeber selber lesen! (Sind heute nur Pappnasen auf dieser Seite unterwegs?)
Das hab ich wohl getan. Mit dem ganzen Quellcode kann ich nix anfangen. Leider keine Ahnung von programmieren. Ich bin Anfänger!!! Das einzige womit ich aus dem Artikel etwas anfangen kann ist das Schaltbild mit dem Quad-decoder. Aber der allein hilft mir ja leider nicht.
Gisbert G. schrieb: > auf das Hinterrad eines Sprinters Und dann nur > 100 x pro/min ?? Wird der "Sprinter" nur geschoben?
@ Gisbert G. (gisbert_g) >womit ich aus dem Artikel etwas anfangen kann ist das Schaltbild mit dem >Quad-decoder. Das ist schon mal die halbe Miete. > Aber der allein hilft mir ja leider nicht. Was fehlt denn noch? Ein paar Optokoppler für die [[Galvanische Trennung]] und fertig.
didadu schrieb: > Gisbert G. schrieb: >> auf das Hinterrad eines Sprinters > > Und dann nur > >> 100 x pro/min > > ?? Wird der "Sprinter" nur geschoben? Da hast du absolut recht, hab mich mal wieder verschrieben. Es sind natürlich 1000 x pro/min.
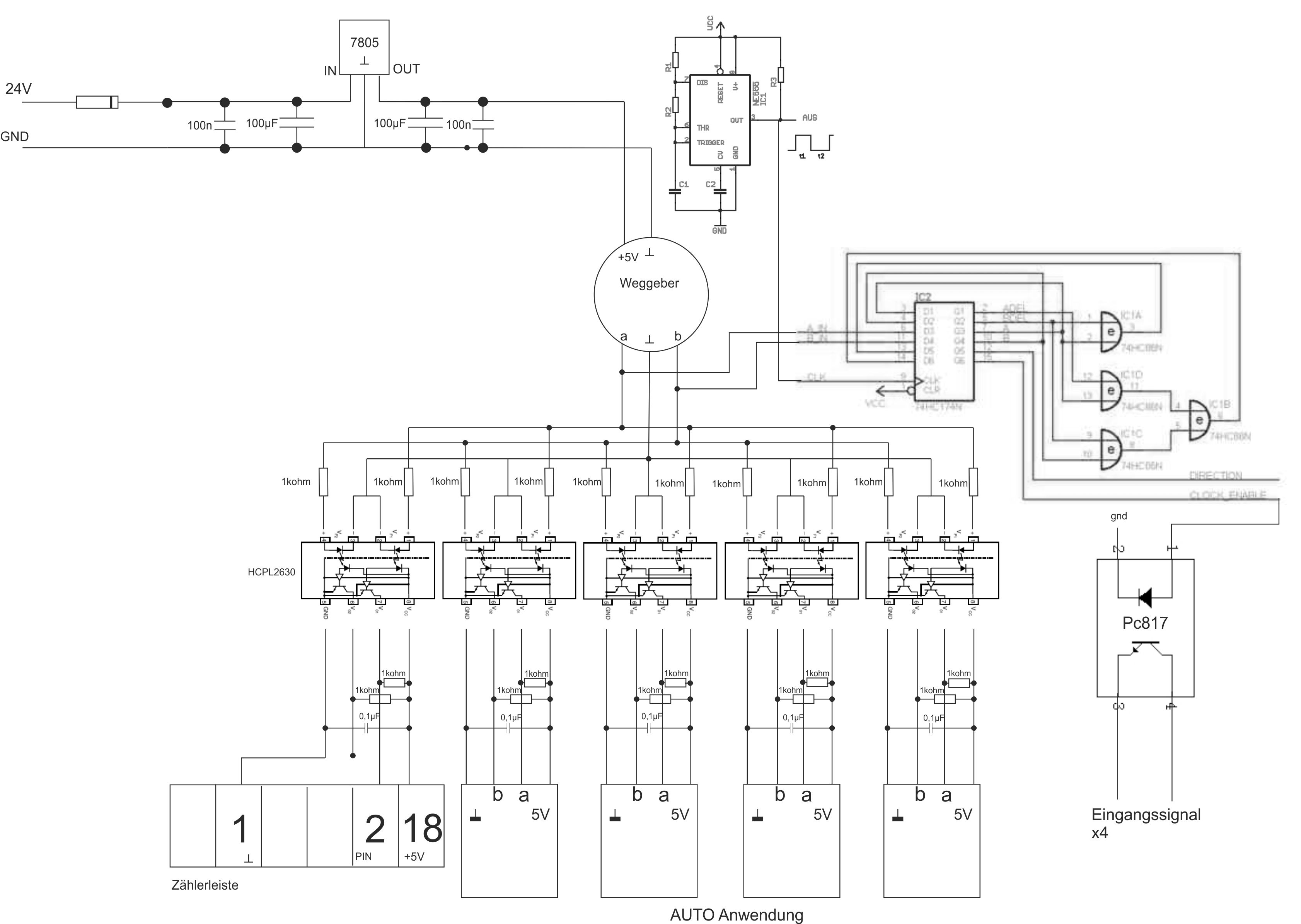
Ich besorge mir dann mal einen 74HC174N, einen 74HC86N ein paar Optokoppler HCPL2630, ein paar Kondensatoren, Widerstände. Aber wie bekomme ich das Signal dann in den PC? Was muß am Clock Eingang des 174N anliegen?
@ Gisbert G. (gisbert_g) >bekomme ich das Signal dann in den PC? Tja, das hängt davon ab, wie due es am liebsten/einfachsten dort auswerten kannst. Und vor allem WAS willst du auswerten? Einfach die Pulse, die auch an die Kameras gehen? > Was muß am Clock Eingang des 174N anliegen? Ein ausreichend hoher Takt, muss nicht sonderlich genau sein. Ein einfacher RC-Oszillator mit NE555 oder 74HC14 reicht. MfG Falk
Könnte das ganze in etwa so funktionieren wie im Anhang zu sehen? Hab leider kein Eagle, drum hab ich mir mit Corel etwas zusammengebastelt.
@ Gisbert G. (gisbert_g) >Könnte das ganze in etwa so funktionieren wie im Anhang zu sehen? Hab >leider kein Eagle, drum hab ich mir mit Corel etwas zusammengebastelt. Es fehlt ein Vorwiderstand für den Taktausgang des Dekoders zum Optokoppler. Ansonsten erstmal OK. MFG Falk
Ok, dann packe ich da noch einen 1kohm Widerstand rein. Könnte ich da jetzt hinter einen Optokoppler einfach einen Max232 dahinterschalten, so das ich das Signal auf die serielle Schnittstelle legen kann?! Und jetzt noch etwas ganz anderes. Ist es möglich noch eine weitere Schaltung, die nach sagen wir 1000 Impulsen ein Relais schließt, da mit einzubauen?!
@ Gisbert G. (gisbert_g) >jetzt hinter einen Optokoppler einfach einen Max232 dahinterschalten, so >das ich das Signal auf die serielle Schnittstelle legen kann?! Ja, wobei man sich den MAX hier sparen kann. Der Optokoppler kann direkt die RS232 schalten, dazu gibt es diverse Schaltungen im Netz. Meist nimmt man RTS als Hilfsspannungsquelle. >Und jetzt noch etwas ganz anderes. Ist es möglich noch eine weitere >Schaltung, die nach sagen wir 1000 Impulsen ein Relais schließt, da mit >einzubauen?! Sicher. Da kann man mit einem 74HC40102 machen, das ist ein programmierbarer Zähler bis 255. Für 1000 muss man halt noch einen weiteren Teiler davorschalten, z.B. 74HC4520 oder so. MFG Falk
Macht vielleicht jetzt ein Fpga Sinn. Von den Kosten mal abgesehen. Wenn ich die 1000 Impulse, wenn das Relais schlaten soll, mal eben ändern möchte, und das vielleicht auch öfter?! Wären diese Funktionen alle mit einem Fpga möglich? Wenn ja, welches könnte man nehmen?
DU könntest aucxh einfach ein CPLD nehmen, das ist günstiger (z.B: CPLD Experimentioerboard bei Pollin) aber ein einfacher uC sollte das auch können, der kann dann auch gleich mit dem PC reden und dir noch das ganze auf dem LCD ausgeben...
@ Gisbert G. (gisbert_g) >möchte, und das vielleicht auch öfter?! Wären diese Funktionen alle mit >einem Fpga möglich? ja, aber vollkommen unsinnig. > Wenn ja, welches könnte man nehmen? Nimm einen kleinen AVR, ein popeliger 8-Pinner ala Attiny13 reicht. A, B, Pulse, Relais, mehr Pins brauchst du nicht. MFG Falk
Die Applikation ist mir schwer verständlich, du willst 4 gleiche Signale in den PC bekommen bei 4 Kameras eine Art Wegstempel einzublenden bzw. zu speichern? Dann reicht doch ein Signal und ein wenig Software um das ganze zu verteilen bzw in eine Datenbank zu lesen. Falls du dich damit nicht auskennst nimm doch einfach einen fertigen Zähler für den PC und lies das ganze in eine Variable ein. Von da kannst du multplizieren, dividieren kopieren subtrahieren soviel du lustig bist, Wie viele fps deine Kameras machen wäre noch interessant und das du die frames ja irgendwie auch synchronisieren musst sonst hilft dir der ganze 1000 pulse/turn wenig.
Sorry falsch gelesen, du willst mit dem Takt die frames synchronisieren. Dann halte ich es für das einfachst eine 4 Kanal PC Optopopplerkarte zu nehmen und das Signal von dort an die Kameras zu senden. Dann hast du alles unter PC Kontrolle.
Gisbert G. schrieb: > 4 Kameras dranhängen, die bei jedem Takt > ein Bild aufnehmen 4.000 Bilder pro Umdrehung? 4.000.000 Bilder pro Minute?
Könnte mir das AVR-NET-IO - Fertigmodul 810 073 von Pollin helfen? Das hat 4 Eingänge und 8 Ausgänge. An 2 Eingänge kommt der Drehgeber a und b dran. Von 2 Ausgängen dann auf 4 parallel geschaltete Optokoppler. Dann hab ich meine 4 Ausgänge. 2 weiter Ausgänge für a und b x4. Kann das funtionieren?
Die Zeilenkamera kann die Daten in der gewünschten Geschwindigkeit liefern? Alle 0,5mm bei 1000 Radumdrehungen pro Minute? Kommt mir sehr viel vor.
Ich klinke mich mal ein: Hast du an eine Beleuchtung gedacht? Die Belichtungszeit ist ja von der Helligkeit abhängig. Ausserdem: Tageslicht ist starken Schwankungen ausgesetzt (z.B. eine Wolke schiebt sich vor die Sonne), dadurch ändert sich dein Bild während der Aufnahme (wird heller und dunkler). Aber: Interessante Idee! Was soll am Ende dabei rauskommen? (Google StreetView?)
Daniel V. schrieb: > Ich klinke mich mal ein: > Hast du an eine Beleuchtung gedacht? Die Belichtungszeit ist ja von der > Helligkeit abhängig. Ausserdem: Tageslicht ist starken Schwankungen > ausgesetzt (z.B. eine Wolke schiebt sich vor die Sonne), dadurch ändert > sich dein Bild während der Aufnahme (wird heller und dunkler). > Aber: Interessante Idee! Was soll am Ende dabei rauskommen? (Google > StreetView?) Beleuchtung ist kein Problem! Existiert auch alles schon, nur eine passende Schaltung zu Ansteuerung fehlt noch!
Gisbert G. schrieb: > Beleuchtung ist kein Problem! Existiert auch alles schon, nur eine > passende Schaltung zu Ansteuerung fehlt noch! Dann würde mich die Beleuchtung interessieren... was setzt du/ihr ein?
Bitte melde dich an um einen Beitrag zu schreiben. Anmeldung ist kostenlos und dauert nur eine Minute.
Bestehender Account
Schon ein Account bei Google/GoogleMail? Keine Anmeldung erforderlich!
Mit Google-Account einloggen
Mit Google-Account einloggen
Noch kein Account? Hier anmelden.

