Also ich bin auf der Suche nach einer weich ein- und ausfadenden Blinkschaltung. Diese soll immer zwischen zwei Farben hinunderherwechseln. Also die LEDs der einen Farbe gehen langsam aus die der anderen Farbe gehen (im optimalfall) gleichzeitig langsam an, es geht aber auch wenn sie erst danach langsam angehen. Ich habe schon ewig bei google gesucht aber nichts gefunden. Mir ist jede Lösung recht, wenn sie aufwändig ist stört mich das auch nich, nur billig sollte sie sein. Microcontroler nur wenn ihr mir einen Programmer zeigt den ich für unter 10€ kaufen/bauen kann. Die einzige Idee die ich bis jetzt hatte ist die kombination eines astabilen Multivibrators mit so einer fadein/fadeout Schaltung für Schalter die ich gefunden habe. Aber es scheitert bei mir an den Verbindungen dieser zwei Schaltungen (Siehe auch Schaltplan). mfg zigarrre
R2 + R5 kommen an die Collektoren von Q4 + Q3, welche aber noch Widerstände nach Plus brauchen.
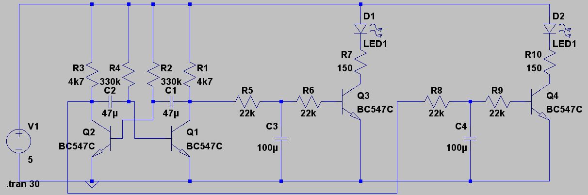
Das ganze würde dann so aussehen, oder? Wie müsste ich die Bauteile dimensionieren damit ich 1 Sekunde fade-in 10 Sekunden volles leuchten und dann wieder 1 Sekunde fade out habe? mfg zigarrre
Tja, genau da liegen Hase und Hund im Pfeffer begraben. Die LEDs im Kollektor führen dazu, dass das Faden in einem schmalen Spannungsbereich des Kondensators (Ube der Treiber, also ca. 0.7V) geschieht. Damit ist die Schaltung nicht berechenbar. Mache folgendes: Schalte die LEDs in den Emitterkreis der Treiber und verzichte auf R1 und R4 komplett. Anschliessend kannst Du die Zeitkonstante nach dem Lehrbuch berechnen, also tau = R x C, schätzungsweise, brauchst Du ein t von ca. 2 x tau für das Faden.
Vielleicht ist dieser Sinus-Oszillator eine Anregung http://www.b-kainka.de/bastel108.htm Obwohl ein "Mood light" mit einem 8pin Micro, die wahrscheinlich einfachste Variante ist.
@Eddy Current Ich würde die LEDs am Kollektor lassen und nur R3 und R6 in den Emitterkreis verschieben, damit man unabhängig von der LED-Durchlassspannung bleibt.
@Alfred: Kauf dir ein preisgünstiges Eval-Board mit einem Mikrocontroller, der PWM hat, keinen Programmer braucht, und direkt per USB an den PC kann, aber auch ohne PC autonom versorgt werden kann. Den Rest, kannst du dann programmieren, die Timings, und bei Bedarf auch unkompliziert durch Software ändern. Mir fällt da mein uraltes PICkit1 ein. Es hat zwar keine PWM, da muß man denn anderweitig was programmieren. Meine Lösung ist nur ein Vorschlag, da kann weiter diskutiert werden.
Also wie gesagt microcontroler nehm ich gerne, wenn ihr mir einen programmer für unter15€ zeigt. Einen fix mit einem Eval-Board verbundenen mc mag ich aber nicht weil ich vieleicht noch mehr sachen machen will (ohne das wieder abzubauen) und keine unnötig große platine haben will. Dort wo jetzt die LEDs sind sollen ja mehrere hin, so jeweils 3-4, da werd ich dann eh noch jeweils einen transistor brauchen, oder? Ich wüsst nicht wie ich den Sinus-Oszilator in die Schaltung einbauen soll und das wären wieder unmengen Bauteile mehr. Mir wird jetzt schon schwindlig wenn ich mir überlege wie ich die Schaltung auf eine Lochstreifenrasterplatine bringen soll. mfg zigarrre
@TO: such mal unter dem Stichwort "weichblinker", da gibt es diverse Bauvorschläge, auch ohne Controller.
Nabend, warum simulierst du nicht wenn du deine Schaltung in einem Simulator vorstellst? Gn8 Leo
Mit 6 OVs* in ihren jeweiligen Grundschaltungen ginge es auch. Dazu muss man doch nicht suchen. *) Treiber nicht inbegriffen.
Einen kompletten Programmer für 15€ zzgl. Versand könntest du hier bestellen: http://shop.ullihome.de/catalog/product_info.php/cPath/25_30/products_id/67 Dieser kann dann als AVRISPmkII betrieben werden. Wenn du ihn dir selbst auf Lochraster aufbaust sollten die Kosten bei 4-8€ liegen, je nach Inhalt der Bastelkiste. Schaltplan: http://shop.ullihome.de/catalog/userdownloads/10403_0de_0Schaltplan.pdf
Ich nannte oben mal das PICkit1 als Eval-Board. Ist nicht das modernste, sicher gibt es da mittlerweile was anderes. Selbstverständlich kann man da den PIC (PIC12F675) nach der Programmierung entnehmen, da im DIL8-Gehäuse mit Steckfassung, und in eine separate Schaltung einsetzen. Der PIC kostet bei Reichelt sowas um die 1,15€.
Alfred P. schrieb: > Also wie gesagt microcontroler nehm ich gerne, wenn ihr mir einen > programmer für unter15€ zeigt. Einen fix mit einem Eval-Board > verbundenen mc mag ich aber nicht weil ich vieleicht noch mehr sachen > machen will (ohne das wieder abzubauen) und keine unnötig große platine > haben will. http://www.dieelektronikerseite.de/uC%20Ecke/Lections/SPI-Kabel%20-%202%20Welten%20treffen%20aufeinander.htm hier die gesamtseite dazu: http://www.dieelektronikerseite.de/
Nimm einen kleinen ATTINY, zB den ATTINY25, der hat zwei 16bit pwm kanäle, ~1,2€ da hast du weniger aufwand wenn du den Blinkstil ändern willst, und die ganze Schaltung ist übersichtlicher
ga5t schrieb: >Nimm einen kleinen ATTINY, zB den ATTINY25, der hat zwei >16bit pwm kanäle, ~1,2€ Gibts da ebenso wie beim PIC, ganz unkomplizierte preisgünstige Eval-Boards, die man über USB direkt an den Laptop hängen kann, und man keinen Programmer braucht?
Schau dir mal die 'Picaxe' an. Das ist ein Pic mit eingebautem Bootloader. Der 08M gibt es schon für weniger als 2.- Euro und als Programmer brauchst du nur ein 3-poliges serielles Kabel. Z.B. von einer alten Maus oder ähnliches. Software und Dokumentation sind gratis! Vorteil: Du kannst damit beliebige Blink und Fade-Verläufe einstellen. Die einfachste Art und Weise so einen Weichblinker zu bauen: http://www.strippenstrolch.de/5-1-6-weichblinker.html http://www.rev-ed.co.uk/picaxe/
>warum simulierst du nicht wenn du deine Schaltung in einem Simulator vorstellst? Weil ich eben nicht gewusst habe welche Werte ich bei den Bauteilen nehmen soll. Aber die Simulation sieht schon recht interessant aus, kommt schon recht nahe an das hin was ich wll. Könntest du bitte die Datei hochladen? Dein Layout ist deutlich übersichtlicher als meins, und ich will jetzt nicht da alles nochmal nachbauen. Das mit den Microcontrolern wär natürlich schon eine gute Lösung, denn dann hät ich wie gesagt die Möglichkeit einfach noch mehrere Blinkstile hinzuzufügen. Jedoch ist es einmalig ein weit größerer Aufwand ich müsste mir ebn so einen Programmer zulegen und dann auch noch lernen diese Dinger zu programmieren. Wenn dann will ich einen den man in C programmieren kann, da ich das (für den PC) schon kann, aber was ich bis jetzt gelesen habe können das eh beide. Der PIC wäre halt durch den niedrigen Preis von programmer als auch Mc selbst interessant. Aber der AVR ist ja verbreiteter, oder? Was wäre die empfehlenswertere Plattform wenn man in das Gebiet einsteigen will? Ich werd mich jetzt dann mal ein noch ein Bischen mit dem Simulator spielen bezüglich der Werte der Bauteile und das dann einmal so aufbauen. Gibt es vieleicht ein Programm das einem das Layout für Lochstreifenrasterplatinen erstellt? mfg zigarrre
Andy schrieb: >brauchst du nur ein 3-poliges serielles Kabel. Z.B. von einer >alten Maus oder ähnliches. Genau das war ja meine Frage. Der Laptop (z.B. meiner) hat nur noch USB-Schnittstellen. Das PICkit1 z.B., hat ganz unkompliziert Stromversorgung und Datenaustausch über USB. Das kann man sich zusammen mit dem Notebook unter den Arm klemmen, und woanders weiter arbeiten gehen, ganz ohne Zusatzgeräte, Adapter, und Kabelgewurstel. Allerdings ist da ein Controller mit USB-Schnittstelle drauf, vom Hersteller mit Bootloader programmiert, der den zweiten, frei verwendbaren (und auch entnehmbaren) Controller brennt. >http://www.rev-ed.co.uk/picaxe/ Anstatt RS232, scheint es da auch was mit USB zu geben. Muß ich mal noch genauer anschauen. Was hab ich da auf der Seite gerade noch gesehen? Softwaregenerierung über Flowchart? Scheint ebenfalls interessant, da Flußdiagramme ohnehin das A und O sauberer Programmierung sind. Sorry, falls das zu Offtopic sein sollte. Sind eben einfach mal Ideen.
Ein natürlich weiches Ein- und Ausfaden ist analog aufgebaut nicht so einfach, wegen der logarithmischen Empfindlichkeit des Auges. Mit einem Microkontroller dagegen ist es fast die einfachste Sache der Welt, wenn du dir diesen Link zu Gemüte führst: http://www.mikrocontroller.net/articles/LED-Fading Kai Klaas
Zwei Fragen hätte ich noch: Was ist für den Anfang besser AVR, PIC, oder TI MSP439? Gibt es ein Programm das aus dem Schaltplan ein Layout für Lochstreifenrasterplatinen erstellt? mfg zigarrre
@ Alfred P. (zigarrre) >Was ist für den Anfang besser AVR, PIC, oder TI MSP439? AVR. Denn PIC ist Steinzeit und MSP430 gibt es nicht im DIL Gehäuse. >Gibt es ein Programm das aus dem Schaltplan ein Layout für >Lochstreifenrasterplatinen erstellt? Nein. Brain 1.0 ist gefragt. MFG Falk
Gut dann werd ich mir, das USB AVR-Lab kaufen. http://shop.ullihome.de/catalog/product_info.php/products_id/67 Damit kann ich dann ja dann alles Atmega und Attiny programmieren oder? Was brauch ich da sonst noch zum programmieren? Nur einen Sockel der mit ein paar drähten und einem Stecker mit dem AVR-Lab verbunden ist, oder? Mit welchem AVR baue ich den Blinker am besten? Weche Bauteile brauche ich da sonst noch für den Blinker, bzw. gibts ein Tutorial wie man die Dinger am besten beschaltet? mfg zigarrre
Bitte melde dich an um einen Beitrag zu schreiben. Anmeldung ist kostenlos und dauert nur eine Minute.
Bestehender Account
Schon ein Account bei Google/GoogleMail? Keine Anmeldung erforderlich!
Mit Google-Account einloggen
Mit Google-Account einloggen
Noch kein Account? Hier anmelden.



