Hallo, Ich habe auf meiner Lochraster eine Differenzverstärkerschaltung. Am Positiven Eingang ist die Positive Shunt Spannung und am negativen Eingang Masse vom Shunt. Alle Widerstände gleich groß (also keine Verstärkung). Mein Problem ist nun wenn die Shunt Spannung auf 0 geht dann geht die OP Ausgangsspannung nicht auf 0 sondern bleibt etwa bei 100mV. Der Strom durch den Shunt ist sehr Hochfrequent und gepulst (Dreieckspannung). Ich nehme an, obwohl keine Shuntspannung mehr an dem OP anliegt. Habe ich Trotzdem noch Differenzen zwischen dem + und - Eingang. Hat jemand ne idee wie ich das Beheben kann? Denn so kann ich nie messen ob der Strom wirklich 0 ist. UB vom OP ist 5V und GND
was hat das mit meinem Problem zu tun? das ganze hängt nicht mal an nem µC...
Bindl C. schrieb: > danke für die hilfreichen vorschläge. Heißt das, dass das Problem gelöst ist? Wenn nicht: > Der Strom durch den Shunt ist sehr Hochfrequent und gepulst > (Dreieckspannung). Der LM358 ist nicht für "sehr hochfrequente" Signale gemacht. Du solltest das Signal vor der Differenzbildung tiefpassfiltern. > Mein Problem ist nun wenn die Shunt Spannung auf 0 geht dann geht die > OP Ausgangsspannung nicht auf 0 sondern bleibt etwa bei 100mV. Bist du sicher, dass der Strom nicht auch hin und wieder seine Richtung umkehrt? Je nachdem, wie der Subtrahierer geschaltet ist, kann er evtl. keine negativen Differenzen verarbeiten, was bei einem Pendeln des Signals um den Nullpunkt herum zu einem positiven Ausgangssignal führt. Ungenauigkeiten der Widerstände führen ebenfalls zu ungenauen Ergebnis- sen. Wenn ich dich richtig verstanden habe, liegen zwar das untere Ende des Shunts und der Bezugspunkt des Subtrahierers beide auf Masse, weswe- gen der Gleichtaktfehler keine Rolle spielen sollte. Aber vielleicht sieht die Schaltung in der Realität ja ganz anders aus als in meiner Vorstellung.
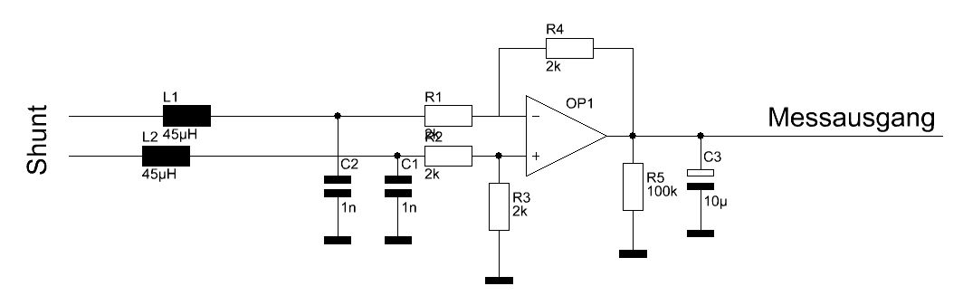
ja Tiefbass hab ich auch schon probiert... hilft ned. ne 45µH spule in reihe (+ und - eingang vom OP) und n 1n Folienkondensator auf masse also quasi tiefpassfilter 2. Ordnung die 100 mV bleiben obwhol am Eingang laut Messgerät nix reinkommt. Aber es kommt was rein weil wenn ich die Beiden Eingänge auf Masse ziehe ist am Ausgang 0V.
> Mein Problem ist nun wenn die Shunt Spannung auf 0 geht dann geht die > OP Ausgangsspannung nicht auf 0 sondern bleibt etwa bei 100mV. >>> Schon mal das versucht: >> Beitrag "Problem mit LM358" >> was hat das mit meinem Problem zu tun? Hast du gelesen, dass der OPamp abhängig von der Beschaltung des Ausgangs nie und nimmer auf 0V herunterkommt... Zeig doch mal deine gesamte Schaltung, insbesondere auch das, was am Ausgang hängt. EDIT: > die 100 mV bleiben obwhol am Eingang laut Messgerät nix reinkommt. > Aber es kommt was rein weil wenn ich die Beiden Eingänge auf Masse > ziehe ist am Ausgang 0V. Ja, was ist denn jetzt mit dem Messgerät? BTW: es ist Blödsinn, den + und - Eingang eines OPamps auf das selbe Potential zu legen. Da kommt alles raus oder nichts. BTW2: was sind bei dir hohe Frequenzen? >> Tiefbass LOL, der war gut :-D
Das Problem liegt auf jedn fall an dem hochfrequenten signal... wenn ich ne saubere Gleichspannung auf den OP gebe dann funktionierts einwandfrei. nur mit dem gepulsten Dreiecksignal nicht.
Wenn durch den Verbraucher kein Strom fliest dann messe ich am Shunt 0V aber an den OP Eingängen 46mV wie geht den das wenn vorne nichts reinkommt wo kommen dann die 46mV her?
wenn du was dazu Beitragen willst dann äußere dich Genauer und enthalte keine Informationen vor.
Wie auf Seite 1 des Datasheets ersichtlich hat der LM358 bei 1MHz eine Verstärkung von 1. Jenseits des Audiobereichs ist er in der gewünschten Funktion nicht einsetzbar. Apropos Höflichkeit: Nach nur einer Stunde bereits über fehlende Antworten zu meckern ist auch nicht Knigge-kompatibel.
Um die verstärkung gehts ja gar nicht. Ich will das Signal nicht Verstärken sondern auswerten. Ich benutze aus dem Grund einen Differenzverstärker, weil ich an 2 verschiednene Shunts messe, von denen jeder Ein anderes Massepotential hat. Das Signal wird erst nach dem Differenzverstärker verstärkt und zum µC geführt. (Der µC hängt noch nicht dran da ich erst mal nen test machen wollte ob das so funktioniert.)
Bindl C. schrieb: > Um die verstärkung gehts ja gar nicht. Und ob es darum geht! Eine rückgekoppelte Operationsverstärker-Schaltung funktioniert nur dann ideal, wenn der OPV eine unendliche Verstärkung bei unendlicher Grenzfrequenz hat. Obacht: Es geht nicht um die Verstärkung der Gesamtschaltung, sondern um die des nackten OPV. Sobald das nicht der Fall ist hat man Nebenwirkungen. Je dichter man an den Limits dran ist, umso mörderischer werden die.
Bindl C. schrieb: > Und welcher OP würde das den schaffen? Weist du einen? Eine Information hast du uns noch vorenthalten ... Dass die Spannungsdifferenz an deinem Shunt innerhalb der Betriebsspannungsgrenzen liegt, ist klar ... du musst aber auch auf die Common-Mode Voltage Range aufpassen ... Wenn der eine Kontakt vom Shunt auf z.B. 20V und der andere auf 20,1V liegt, dann sinds zwar nur 100mV Differenz, aber außerhalb des erlaubten Bereichs für den OP. Das kann schnell auftreten, wenn du ein z.B. Netzteil baust, das eben 20V am Ausgang hat und möchtest den Strom mit einem Shunt messen. Grüße, Müller
Bei deiner Versorgungsspannung GND und +5V kommt der Ausgang nicht auf 0V = GND. Bei sowas brauchst du eine +-Versorgung.
das heisst wenn ich jetzt einen OP nehm, ihn an +5V und -5V hänge, müsste der OP am ausgang auf 0 gehen wenn er am Eingang auch 0 bekommt.
Ich habs jetzt nur grob überflogen... ich werf mal 2 Stichpunkte in den Raum. Rail2Rail und/oder Offset? hast du eine Symertrische Versorgung für den OP oder liegt der mit V- auf Masse? Der 358 geht abhängig vom Hersteller nicht immer ganz auf 0V runter wenn der nur auf Masse hängt.
>>> Wenn der eine Kontakt vom Shunt auf z.B. 20V und der andere >>> auf 20,1V liegt, dann sinds zwar nur 100mV Differenz, aber außerhalb >>> des erlaubten Bereichs für den OP. Das kommt aber noch sehr auf die Beschaltung an. Wenn der Shunt auf 20V hängt, können trotzdem je nach Widerstandskombination die Eingänge des OP auf pflegeleichten 3V sein... > hast du eine Symertrische Versorgung > für den OP oder liegt der mit V- auf Masse? Zitat: >>>>>>> UB vom OP ist 5V und GND >> das heisst wenn ich jetzt einen OP nehm, ihn an +5V und -5V hänge, >> müsste der OP am ausgang auf 0 gehen wenn er am Eingang auch 0 bekommt. Annähernd. Dir spucken dann bestenfalls noch Offsetspannungen in die Suppe. >> müsste der OP am ausgang auf 0 gehen wenn er am Eingang auch 0 bekommt. Was sind bei dir 0? Sind 10mV noch 0?
Den Elko C3 am Ausgang des OPs machst du mal besser ganz schnell wieder weg. Bei solch hohen kapazitiven Lasten schwingt dein OP und wird sehr heiss.
ok der c kommt weg. Also der 0V muss 0V sein. Was er bei einer Gleichspannung auch macht. Mein zu messendes Signal ist aber eine gepulste Dreieckspannung die eine LED platine mit Lumileds ansteuert. Wenn das Steuermodul nun die LEDs ausschaltet hab ich am oszi gewaltige schwingungen die anscheinend die eingänge meines OPs beeinflussen. Wenn ich das normale Messgerät dranhalte habe ich 0V aba das oszi sagt was anderes. Deswegen der Tiefpassfilter. Nach dem Tiefpassfilter sieht das signal schon besser aus aba immer noch sind leichte spitzen drin.
also nach den Spulen (siehe schaltplan) hab ich meine am shunt abfallende Spannung. Wenn die LEDs ausgeschaltet werden habe ich logischwerweise 0,000V laut Messgerät. Jetzt messe ich direkt an den beiden OP Eingängen und da messe ich komischerweise 52mV. Wo kommen den die her?
Der Ausgang geht lt.Datenblatt bis auf 20mV an GND aber bei einer Last von 10k. Bei dir sind die Rückkoppelwiderstände schon 2k+2k also 4k Last. Dein OP arbeitet wahrscheinlich im nichtlinearen Bereich.
> Masse vom Shunt
Auf welchem Potential hängt denn der Shunt?
Wenn dein Shunt einseitig an Masse hängt, warum nimmst du dann einen
Differenzverstärker? Da würde ein normaler nichtinvertierender doch
schon reichen... :-/
macht es besser, behebt aber das Grundproblem mit dem Ausgang nicht. Wenn du 0V willst nimm +-Versorgung.
rehaus schrieb: > macht es besser, behebt aber das Grundproblem mit dem Ausgang nicht. > Wenn du 0V willst nimm +-Versorgung. Idealerweise würde man sich nicht an 50mV aufhängen, sondern den Strom-Messbereich so dimensionieren, dass das, was man sehen möchte, eine vernünftige Verstärkung hat. Der Differenzverstärker mit jeweils 2k macht eine Verstärkung von 1 und ist meines erachtens sowiso schon falsch dimensioniert - oder der Shunt ist zu groß. Zudem fehlen Informationen, wie Potentiel am Shunt und ob eine Seite des Shunts direkt an Masse hängt usw ... Ist aber sicher wieder alles geheim, bzw der OP ist so klug um zu wissen, dass wir die Informationen ja garnicht brauchen ... Grüße, Müller
Du machst hier grundlegende Fehler. Erstens wissen wir wohl immer noch nicht, ob der OPV am Ende nur die mittlere Shuntspannung ausgeben soll (also Gleichspannung), oder ob der Ausgang mit den Puslströmen mitgehen soll. Bei letzterem macht natürlich die Filterung am Eingang keinen Sinn, deswegen gehe ich davon aus, daß ersteres gewollte ist. Und das hast Du scheinbar einen Denkfehler: wenn über die Shunts eine gepulste Dreieckspannung hast, die beliebig gepulst ist, dann ist das ein unsymmetrischer Wechselstrom/Spannung (ähnlich einem Videobild). Wenn Du sowas tiefpaßfilters, dann hast Du danach nun mal einen Mittelwert ungleich 0 (wenn die Schaltung sinn machen soll, dann müsste dies ja auch gewollte sein). Und ein anderes Problem: dein Tiefpaß mit C und L scheint wohl nur eine fg von rund 750kHz zu haben. Das ist immer noch zu viel, und einen sinnvollen Mittelwert zu bilden, wenn dieser OPV den Mittelwert auswerten soll. Der kann dem nicht mehr folgen (wegen GBW Produkt um die 1MHz), und produziert reichliche Verzerrungen, resultierend in irgendwelchen ungenauen Ausgangsspannungen. Du muß also die gepulsten Spannungen viel stärker filtern (bzw. mit viel niedrigerer Grenzfrequenz). Auserdem würde ich keine LC-Glieder nehmen (wegen möglicher Resonanzen, wenn nicht sauber mit deren Impedanz abgeschlossen), sondern RC-Glieder. Und was die Spannungsspiutzen angeht, die Dein Oszi anzeigt: die können entweder schon solche Resonanzen sein, oder aber Du hast keine kürzestmögliche Masseverbindung Schaltung-Tastkopf (sondern nur eine einfache Meßstrippe Schaltung-Oszi). Solltest Dir also angewöhnen, die Tastkopfmasse direkt an der Schaltung anzubinden, wenn die Signale (der Oberwellen, nicht der Grundfrequenz) langsam richtung MHz gehen.
byte schrob: >Ich habs jetzt nur grob überflogen... ich werf mal 2 Stichpunkte in den >Raum. Hast Du einen Modellhubschrauber, der Reißzwecken werfen kann? ;-) MfG Paul
Paul Baumann schrieb: > Hast Du einen Modellhubschrauber, der Reißzwecken werfen kann? Der war gut Paul
Bitte melde dich an um einen Beitrag zu schreiben. Anmeldung ist kostenlos und dauert nur eine Minute.
Bestehender Account
Schon ein Account bei Google/GoogleMail? Keine Anmeldung erforderlich!
Mit Google-Account einloggen
Mit Google-Account einloggen
Noch kein Account? Hier anmelden.
