Ein guter Freund von mir hat mich drum gebeten, dass ich mit ihm eine kleine Schaltung entwickle. Herausgekommen dabei ist das, was ihr oben seht. Ich behaupte allerdings, dass das durchsteuern des oberen FET nicht funktionieren wird, weil die Spannungen nicht passen, er behauptet aber, dass es funktioniert. Bevor wirs aufbauen wärs cool, wenn ihr mir einen Blick drauf werfen könntet Gedacht wars folgender maßen Wenn T2 durchsteuert liegt an der Source von Q1 0,2V an, steuert nun T1 durch liegen zwischen Gate und Source etwa 9,6V an Allerdings bin ich der meinung, dass dann 5V für die Ansteuerung von T1 zu wenig sind ? lg Anton
Wozu soll es gut sein, Q1 und T2 gleichzeitig anzusteuern (Kurzschluss der 10V)? Anton Regler schrieb: > Wenn T2 durchsteuert liegt an der Source von Q1 0,2V an, steuert nun T1 > durch liegen zwischen Gate und Source etwa 9,6V an Nein, T1 = Emitterfolger, also 0,7V weniger als die Steuerspannung am Gate.
Q1 steuert durch, wenn an Steuer+ eine Spannung anliegt, die ein Stück größer als die Threshold-Spannung von Q1 ist. Gleichzeitig steuert aber auch T2 durch und bildet zusammen mit Q1 einen Kurzschluss, den, wenn überhaupt, nur der stärkere der beiden überlebt :) Edit: zu spät
Wenn du für T1 und T3 ein PNP-Transistor nimmst, sieht das ganze bedeutend besser aus. Und ein Widerstand von Gate nach GND hilft dir, FET's einzusparen, da du nicht nach jedem durchschalten des 2. Fet beide austauschen musst, weil abgeraucht, weil beide leitend sind. Nur rein aus Interesse, wofür soll die Schaltung gut sein?
@ Anton Regler (Firma: unknown) (reglerbauer91) >Herausgekommen dabei ist das, was ihr oben seht. Ohje. Tu dir und auch uns einen Gefallen. Lies was über Netiquette. Dann beschreibst du dein Vorhaben grundsätzlich mit Zahlen etc. Und dann nimmst du einen fertigen, funktionierenden MOSFET-Treiber oder eine H-Brücke, siehe MOSFET-Übersicht und H-Brücken Übersicht. MfG Falk
also, ich hab mir jetzt erstmal vorgenommen eine einfache Schaltung aus einem Transistor und einem MOSFET zu bauen, um einen kleinen Lüfter zu betreiben Die Schaltung soll mit +12V betrieben werden, gekennzeichet durch VCC, die Masse liegt auf 0V, gekennzeichet durch 0V Angesteuert soll, wie schon erwähnt,ein Lüfter werden, dieser soll ebenfalls mit annähernd 12V betrieben werden und benötigt 0,1 Ampere, im Schaltplan durch R1 da gestellt. Beide NPN Transitoren haben Uce sat = 0,2 V Der Transistor T1 soll den N-Kanal MOSFET Q1 durchsteuern An Pin 2 genügt es, wenn +5V anliegen. T2 soll aber nur, wenn ich den Lüfter ausschalten möchte, das Gate von Q1 auf GND ziehen. Mir ist klar, dass T1 und T2 niemals zur selben Zeit durchgesteuert sein dürfen R2 und R3 sind Basis Vorwiderstände An Pin 1 muss ich +12V anlegen, damit zwischen dem Gate von Q1 und GND etwa 11,3 V anliegen ? sind größere Fehler im Schaltplan ?
Ersetzte T1 durch einen 10 kOhm Widerstand. Mit Spannung/ keine Spannung an PIN 2 schaltest Du den Lüfter ein/ aus. Anders: Ersetze T1 durch den Lüfter. Entferne Q1 und D1. Nimm für T2 einen 1A Typ. Mit Spannung/ keine Spannung an PIN 2 schaltest Du den Lüfter ein/ aus.
der eigentliche Sinn ist, dass ich lerne wie man MOSFETs richtig ansteuert^^, deshalb will ichs in so ner Art machen
Ok, dann schauen wir uns mal deine Schaltung an. NPN Transen schalten, wenn Ube > 0,6...0,7V hat - oder genauer, gesagt, wenn ein Strom von Basis zum Emitter fließt. Beim unteren ist das ok, weil Emitter = GND = Bezugspunkt. Beim oberen (geschaltet) liegt der Emitter auf 12V - 0,2V = 11,8V und mit 12V an PIN1 beträgt Ube = 12V - 11,8V = 0,2V Das lässt T2 sowas von ausgeschaltet, weil der mind. 0,6V benötigt. Also braucht man eine Spannung, die größer ist als 12V. Machbar, aber umständlich und deshalb very unüblich. Das ganze nennt sich HighSide-Ansteuerung wegen der Problematik, dass die Ansteuerspannung über der Versorgungsspannung liegen muss. Gleiches Problem übrigens auch bei MOSFET Ansteuerung. Einigermassen gut lösbar über eine Bootstrap Schaltung. Dann aber keine 100% Einschaltdauer mehr machbar für den oberen. Na gut, sollte erstmal für heute genügen. Noch viel Erfolg mit deiner Schaltung.
Bootstrap, wozu eigentlich in dem Falle ? Ich will ja nur den MOSFET Q1 durchsteuern, der soll ja auch die Last schalten Deshalb dachte ich eigentlich, dass es reichen würde, wenn ich an Pin 1 eine Spannung von etwa 12,7V anlege, dann fallen 0,7 V an der Basis Emitter Strecke von T1 ab und etwa 12V an der Gate Source Strecke von Q1. T2 soll, wenn die Spannung an T1 weggenommen wird, das Gate von Q1 leer saugen, wobei ich da auch noch ne kleine Frage hab. Ich habs bisher häufig gesehen, dass viele für das leersaugen des Gates einen PNP Transistor nehmen, mit nem PNP kann des ganze doch net gehen oder ?
kurze Frage von nem Anfänger: BMK schrieb: > Beim oberen (geschaltet) liegt der Emitter auf 12V - 0,2V = 11,8V wieso eigentlich? wenn der untere Tr. nicht durchschaltet schwebt der Emitter des oberen ja in der Luft oder? Kann der obere Tr. dann überh. voll durchsteuern damit UCE_satt=0.2V sind. Steh grad voll am Schlauch, sorry für die doofe Frage. Gruss, Fred
Fred schrieb: >Steh grad voll am Schlauch, sorry für die doofe Frage. Geht mir im Moment ganz ähnlich.. Gate von Q1 ist eh komplett hochohmig, da fließt nix. T2 ist gesperrt, da kann der Baisistrom T1 auch nicht abfliessen. Hilft also alles nix, die Einspeisung bei PIN1 darf nicht GND bezogen sein, da wird sich T1 nichts von annehmen. Da hilft nur eine Einspeisung an PIN1, die Emitter(T1) bezogen ist. Und das bedeutet potentialgetrennt, Optokoppler, wie auch immer. Ich frage mich jetzt nur, wieso der TE nicht die bewährte Schaltung "koplementärer Emitterfolger" nimmt: http://www.lautsprechershop.de/theorie/transistor3.htm Wenn er bei der Grundlagenforschung ist, kann ich das verstehen. Jetzt wäre aber eine Erkenntnis seinerseits nicht hinderlich, dass sein Ansatz in eine Sackgasse führt.
Also ist die Erklärung oben "Beim oberen (geschaltet) liegt der Emitter auf 12V - 0,2V = 11,8V" nicht korrekt? Habs mal in LTSpice simuliert, der untere Trans. sperrt und am oberen hab ich 12V an die Basis geklemmt, sind am Emitter dann so um die 11.6V jenachdem welches Transistor Modell man verwendet, aber wie kommen diese 11.xx zustande wenn der Emitter quasi in der Luft hängt und kein definiertes Potential hat? Möchts echt gern checken! gruss fred
Fred schrieb: > Also ist die Erklärung oben "Beim oberen (geschaltet) liegt der Emitter > auf 12V - 0,2V = 11,8V" nicht korrekt? Du hast kein definiertes Potential, da die Leitung einfach in der Luft hängt. Nun kann man mit dem TRansistor die Leitung auch nicht schalten, da ein Basisstrom (!) fließen muss. Wohin soll ein Strom fließen, wenn der Emitter eine Sackgasse ist?
Ich habs jetzt mal mit Multisim simuliert, laut Multisim funktioniert das ganze, find ich jedenfalls seltsam.
Floh schrieb: > Du hast kein definiertes Potential, da die Leitung einfach in der Luft > hängt. Sehe ich genauso. Spice nimmt da wahrscheinlich ein math. Modell welches irgendwelche Anfangsbedingungen initialisiert oder wie, da ja auch bei anton regler was rauskommt.
Ich hab jetzt nochmal bisschen gezeichnet und mir die zwei diskreten Treiberschaltungen aus dem Artikel über Treiber vorgenommen. Was haltet ihr davon ? Das einzige was ich geändert hab sind die 2 Transistoren T4 und T5, im Artikel wird da empfohlen einen MC34151/2 zu nehmen. Ginge das auch mit bipolaren Transistoren ? Die nächste Frage die ich mir stelle, wie soll ich die beiden 15V mit dem Akku verbinden ? Einen DC/DC Konverter zwischen Akku und der Versorgung für den Highside Treiber und die Versorgung für den Lowside Treiber direkt an den Akku ? Ground vom Lowside Treiber kann direkt an den Ground vom Akku hin ? Wie isses mit dem GND vom Highside Treiber ?, der liegt ja mindestens 12V über dem GND vom Akku wie schätzt ihr eigentlich die Schaltgeschwindigkeit von so einer Schaltung ein ?
Mit C1 wirst Du sehr wahrscheinlich ein Tradeoff zwischen mieser Schaltgeschwindigkeit und hoher Störempfindlichkeit bekommen. IRF macht das mit ihren IR2112 ähnlich, allerdings funktionieren die mit einem differentiell arbeitenden Levelshifter. Meiner Meinung nach bist Du für deine Anwendung mit einem Optokoppler noch besser dran. PS: Die Dioden D2 / D3 würde ich umpolen - die Fets werden in deiner Konfiguration eh langsamer aus als an gehen. Mit verpolten Dioden könntest Du das etwas ausgleichen.
ich hab gerade mal die obere schaltung in Multisim simuliert, lustigerweiße ist da der FET Q1 die ganze Zeit durchgesteuert
T4 und T5 überleben den Einschaltmoment nicht. Wenn danach von der CE-Strecke des T4 noch ein bischen überig geblieben ist, sollte Q1 immer durchgeschaltet sein. Es grüßt RainerK
Hi!
>T4 und T5 überleben den Einschaltmoment nicht
Es sei denn er macht 2 10V-Z-Dioden zwischen die Basen und steuert in
der Mitte an.
Ich würde T4/T5 enfach weglassen weil die "Vorstufe" ja schon eine
Totempolschaltung darstellt, was eigentlich ausreichend ist. Sollte der
erreichbare Basisstrom tatsächlich nicht reichen, vertausche bitte T4/T5
und alles ist gut.
Ähm, ich sehe gerade nochwas, der E von T1 hat keinen Bezug zu GND, er
hängt eigentlich nur an der "isolierten Spannung", also in der Luft.
Naja, viel Spass beim erarbeiten von Grundlagen, Uwe
Ps.: Die Faszination von Rauchwolken kann man am PC nicht erleben.
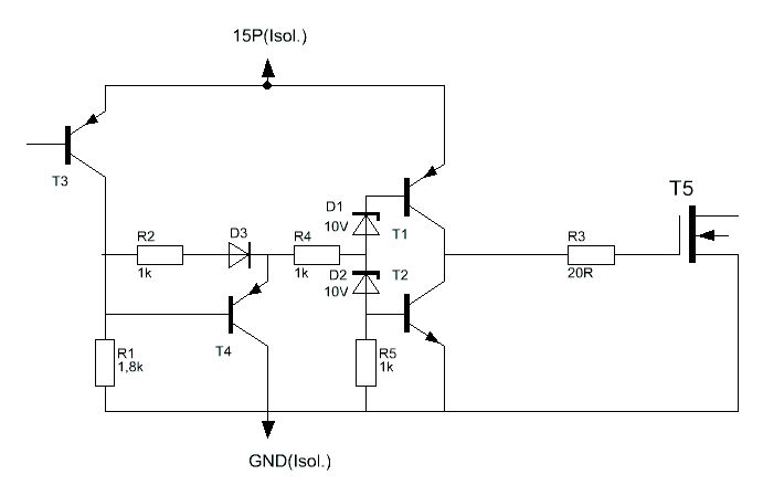
Wenn ich ehrlich bin, ich versteh die Funktion von T4 und T5 auch nicht so richtig, genauso wie bei T6 und T7 Eigentlich sollen die Transistoren T4, T5, T6 und T7 doch die Gate schnell laden und entladen, aber wie soll sich das Gate überhaupt laden und entladen ? gehören da nicht noch Basis Vorwiderstände hin ? NPN Transistoren leiten ja, wenn die Basis etwa 0,7V höher liegt als der Emitter, bei PNP Transistoren muss der Emitter 0,7V höher als die Basis liegen Also gibts doch kein Kurzschluss oder ? zu den 2 Z-Dioden, wie genau soll ich die reinbauen ? Zwischen dem Mittelpunkt und T4 in Durchlassrichtung und zwischen dem Mittelpunkt und T5 in Sperrichtung ? Die Zeichnungen sind 1:1 aus dem Artikel über Treiber übernommen
kleine Frage vorweg Der Sinn einer Vorstufe aus NPN und PNP ist doch er, dass beim Durchschalten des einen, der andere automatisch sperrt ? Ich habs nochmal ein bisschen umgezeichnet und versucht die bipolaren Transistoren durch FETS und Zenerdioden zu ersetzen, ich denke aber, dass ichs falsch gemacht hab oder ? Was ich mich aber auch schon bei der Version mit den Bipolaren Transistoren gefragt hab, wie soll der NPN (T6) überhaupt schalten können, der hat doch gar kein Bezugspunkt. Meine nächste Frage wäre dann, wie kann ich die Stromversorgung von der Highside sinnvoll mit möglichst wenig Platzverbrauch galvanisch vom Hauptstromkreis und der Stromversorgung für die Lowside trennen ? oder muss ichs garnicht ? Was ist eigentlich mit R6, R7, D2, R9, R10, D3 kann man die eigentlich in meinem Fall nicht weglassen ?
Hi! Oha jetzt hat er Mosfets drinn. Ob das besser ist? Mosfets haben andere Steuerspannungen! Zurück zum alten Plan. Wie das mit den Z-Dioden gemeint war siehst du im Anhang. Meinst du das ist sinnvoll? Was ist, wenn du T4/T5 vertauschst(nichts verdrehen) >Der Sinn einer Vorstufe aus NPN und PNP ist doch er, dass beim >Durchschalten des einen, der andere automatisch sperrt ? Jo, genau darum geht es. > wie soll der NPN (T6) überhaupt schalten können, der hat doch gar kein >Bezugspunkt. So so? Der Emitter hängt also absolut in der Luft? Stelle dir den Mosfet als einen C gegen Masse vor und betrachte den Zeitpunkt t0 wo die Basis von T6 nach 15P schnippt. >Ähm, ich sehe gerade nochwas, der E von T1 hat keinen Bezug zu GND, er >hängt eigentlich nur an der "isolierten Spannung", also in der Luft. Das Problem steht immernoch. Was macht ein Optokoppler? Das sind Grundlagen die du dir selbst erarbeiten musst sonst verstehst du nicht warum es so ist. Viel Erfolg, Uwe
Bitte melde dich an um einen Beitrag zu schreiben. Anmeldung ist kostenlos und dauert nur eine Minute.
Bestehender Account
Schon ein Account bei Google/GoogleMail? Keine Anmeldung erforderlich!
Mit Google-Account einloggen
Mit Google-Account einloggen
Noch kein Account? Hier anmelden.




