Forum: Analoge Elektronik und Schaltungstechnik Ph Verstärker gesucht


Announcement: there is an English version of this forum on EmbDev.net. Posts you create there will be displayed on Mikrocontroller.net and EmbDev.net.
von dast (Gast)


Lesenswert?

Guten Abend,


zurzeit bin ich dabei mit einen eigenen Aquacomputer zu basteln.


Mein nächstes ziel wäre es ne Ph Elektrode an den Atmega zu bringen...

hab mir schon etliche Schaubilder angeschaut und ewig viele Diskussionen 
durchgelesen das ne TL084 dafür nicht geeignet wäre jedoch haben ca 80% 
der Schaubilder diesen... und an nem MAX406/407 komm ich nicht ran... 
hab es schon versucht aber die haben kein Muster zugeschickt :/

habt ihr vielleicht was brauchbares für mich? is ne BNC Glaselektrode

von -Gast XIV (Gast)


Lesenswert?

Verstehe ich nicht:

1. link Google suche ph messen tl084:

Zur Verstärkung wird ein Opamp vom Typ TL084 benutzt. Das Teil ist sehr 
billig aber trotzdem völlig ausreichend. Das wichtige bei der auswahl 
dieses Opamps ist der FET-Eingang, das ein pH-Sensor nur Ströme im fA 
(femto !) bereich liefert muß dieser sehr hochomig sein. Der TL084 hat 
in einem Gehäuse 4 unabhängige Verstärker. Man benötigt daher nur 1 IC 
für die ganze Schaltung

von Maxwell (Gast)


Lesenswert?

Hallo

Ich bin mit einem Arbeitskollgen im Moment an was ähnlichen dran für 
einen Pool. Wir benutzen einen OPA2340. Einen OP für den Verstärker und 
den anderen für einen virtuellen Ground. 7Ph ergeben 0 Volt 
Ausgangsspannung am Sensor. Um den sauren Bereich abzudecken wird mit 
dem virtuellen Ground ein Offset angelegt.
Schaltung ist im Prinzip super einfach

Gruß
Maxwell

von Ulrich (Gast)


Lesenswert?

Für die PH-Elektrode ist der TL084 nicht unmöglich, aber nicht wirklich 
gut. Es muß aber auch kein wirlicher OP mit fA Eingangströmen sein.

Es gibt eigentlich genügend OPs mit Eingangströmen unter 1 pA, die auch 
gut erhältlich sind.  Fast alle modernen OPs mit MOSFET Eingängen sind 
da schon besser als der alte TL084.

von dast (Gast)


Lesenswert?

nunja da ich leider nichts anderes finde werde ich wohl nen TL084 
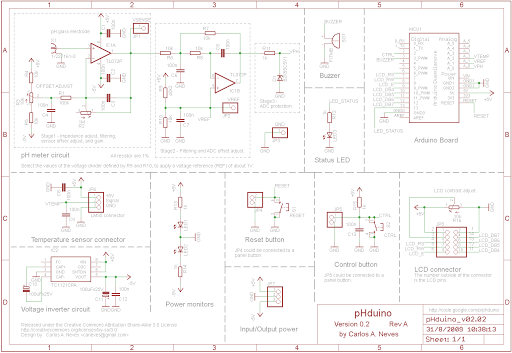
nehmen... hab hier jetzt folgendes schaubild


http://lh5.ggpht.com/_CjTtOo4QsAQ/SpxZLVArCKI/AAAAAAAAANw/V-DVIbu3xj4/pHduino_v02.02_scheme.png

das ganze is ja für das Arduino board und der is doch aufm atmega 
aufgebaut also könnte ich ja den teil grad für meinen atmega 
umwurschteln


Stage1-3 + voltage inverter, signal VPH an den ADC vom atmega JP2 an 
auch an den ADC und es müsste tuten?

von MaWin (Gast)


Lesenswert?

> nunja da ich leider nichts anderes finde werde ich wohl nen TL084
> nehmen...

Wo finden? In deiner privaten Bastelkiste ?
Auf der Platine der ausgeschlachteten HiFi Anlage ?

> is ne BNC Glaselektrode

Also relativ hochohmig aber auch braucbbar lange haltbar.

ERSTENS: Du brauchst eine BNC-Buchse mit Teflon-Isolierung.
2. der Draht von der Buchse zum IC geht nicht über die Platine,
sondern liegt in der Luft an das hochgebogene IC-Bein.
3. Falls Störungen dir die Messergebnisse versauen, hilft
als Draht eine Spule (Induktivität im 1mH Bereich) und ein
kleiner Kondensator nach Masse, der müsste eine sehr gute
Isolierung habenn (Glimmer/Mica oder FKP).
4. Als OpAmp tun es viele, aber wenn du einen AVR bedienen
willst, sollte der OpAmp wohl mit einer Betriebsspannung von
5V auskommen und 5V liefern könne. Bei pH-0 wird man 2.5V
liefern wollen (oder die Hälfte der Referenzspannung an AREF
die man per Spannungsteiler gewinnt (an den kommt dann auch
der Masseanschluss der Ph-Elektrode).
5. Als OpAmp tut es jeder in dessen Beschreibung die Worte
CMOS Rail-To-Rail precision electrometer(oder pA/fA)
auftauchen, und davon gibt es hunderte, auch dein Händler
wird einen davon da haben.
Pollin hätte gerade MAX/ICL76xx im Rausverkauf (2mV Vos=
0.033 pH ungenau),
Reichelt AD820 (genauer) oder notfalls TS272 (ungenauer)
6. Als Schaltung tut es die einfache nicht-invertierende
Verstärkerschaltung.
7. Für genaue Messungen lohnt es sich, auch die Temperatur
zu messen.

von dast (Gast)


Lesenswert?

MaWin schrieb:
> Wo finden? In deiner privaten Bastelkiste ?
> Auf der Platine der ausgeschlachteten HiFi Anlage ?

im internet an schaubildern/schaltplänen



mein händler is der, welcher mir das brauchbare teil liefert =) dioden, 
widerstände, kondensatoren hab ich mehr als genug ^^

der versand is mir zu teuer bei reichelt wegen einem bauteil

werde

MaWin schrieb:
> 7. Für genaue Messungen lohnt es sich, auch die Temperatur
> zu messen.

+-0,05 reichen mir aus

am pHduino wird ne print bnc buchse verwendet und per leiterbahn mit dem 
ic verbunden bei einer genauigkeit von 0,02 pH

hab jetzt mal schnell bei DARISUS den AD820ARZ gefunden... werde jetzt 
mal 2 davon bestellen.

von Wolfgang-G (Gast)


Lesenswert?

>+-0,05 reichen mir aus
vergiß es,
für einen Nichtchemiker ein illusorischer Wert
MfG

von -Gast XIV (Gast)


Lesenswert?

dast schrieb:
> +-0,05 reichen mir aus

Wenn du das mit deinen Kenntnissen und dem Equipment hinbekommst schicke 
ich dir 10 Leiterplatten mit deiner Schaltung drauf ;-).

von zombie (Gast)


Lesenswert?

hallo, für meine fischies habe ich mir vor einiger Zeit auch mal einen 
Aquariencomputer gebaut. Für die PH-Messung verwende ich den LF444 
(DataSheet: http://www.national.com/ds/LF/LF444.pdf). Auf Seite 9 ist da 
eine ganz solide funktionierende Schaltung beschrieben.

Gruss Z.

von dast (Gast)


Lesenswert?

das ganze is fürs Aquarium ich brauche nur eine Nachkommastelle alle 
dahinter ist mir egal ^^ eine Genauigkeit von 0,1 reicht auch... ob der 
ph wert jetzt 7,7 oder 7,6 beträgt ist nicht so tragisch...die 
tröpfchentests haben eine Ablesegenauigkeit von 0,5.... und das reicht 
ja für nen Aquarianer schon aus ^^

von dast (Gast)


Lesenswert?

zombie schrieb:
> hallo, für meine fischies habe ich mir vor einiger Zeit auch mal einen
> Aquariencomputer gebaut. Für die PH-Messung verwende ich den LF444
> (DataSheet: http://www.national.com/ds/LF/LF444.pdf). Auf Seite 9 ist da
> eine ganz solide funktionierende Schaltung beschrieben.
>
> Gruss Z.

hey, könntest du mir vllt deine pläne mal zukommen lassen?

Bitte melde dich an um einen Beitrag zu schreiben. Anmeldung ist kostenlos und dauert nur eine Minute.
Bestehender Account
Schon ein Account bei Google/GoogleMail? Keine Anmeldung erforderlich!
Mit Google-Account einloggen
Noch kein Account? Hier anmelden.